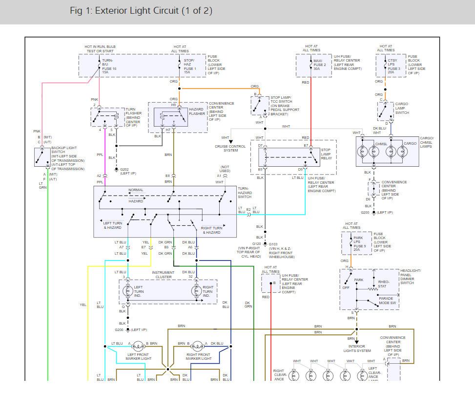
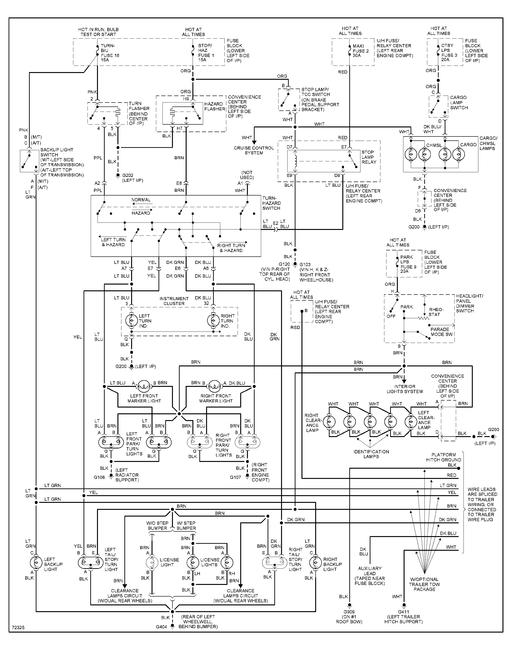
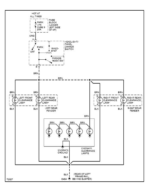
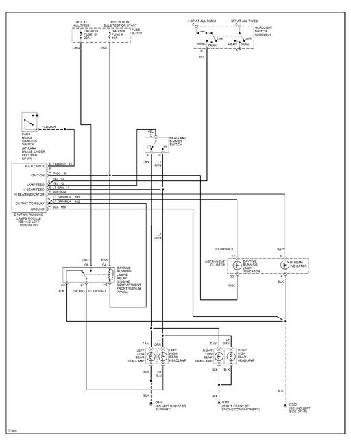
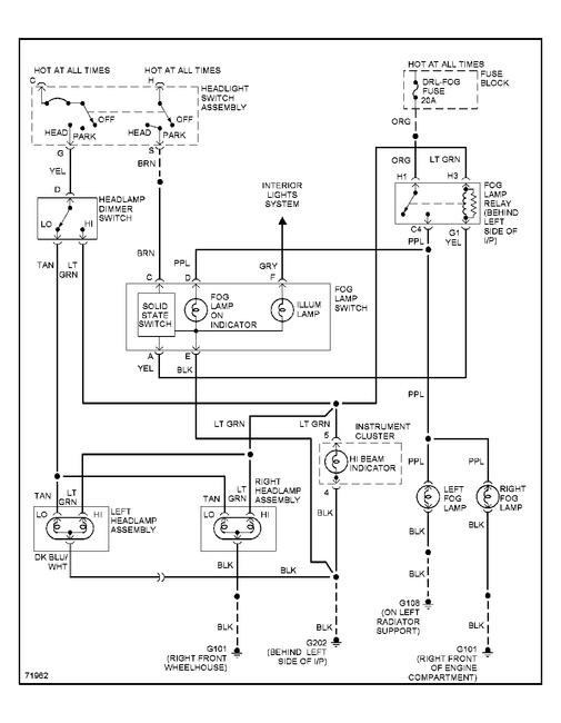
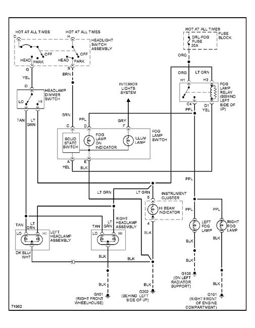
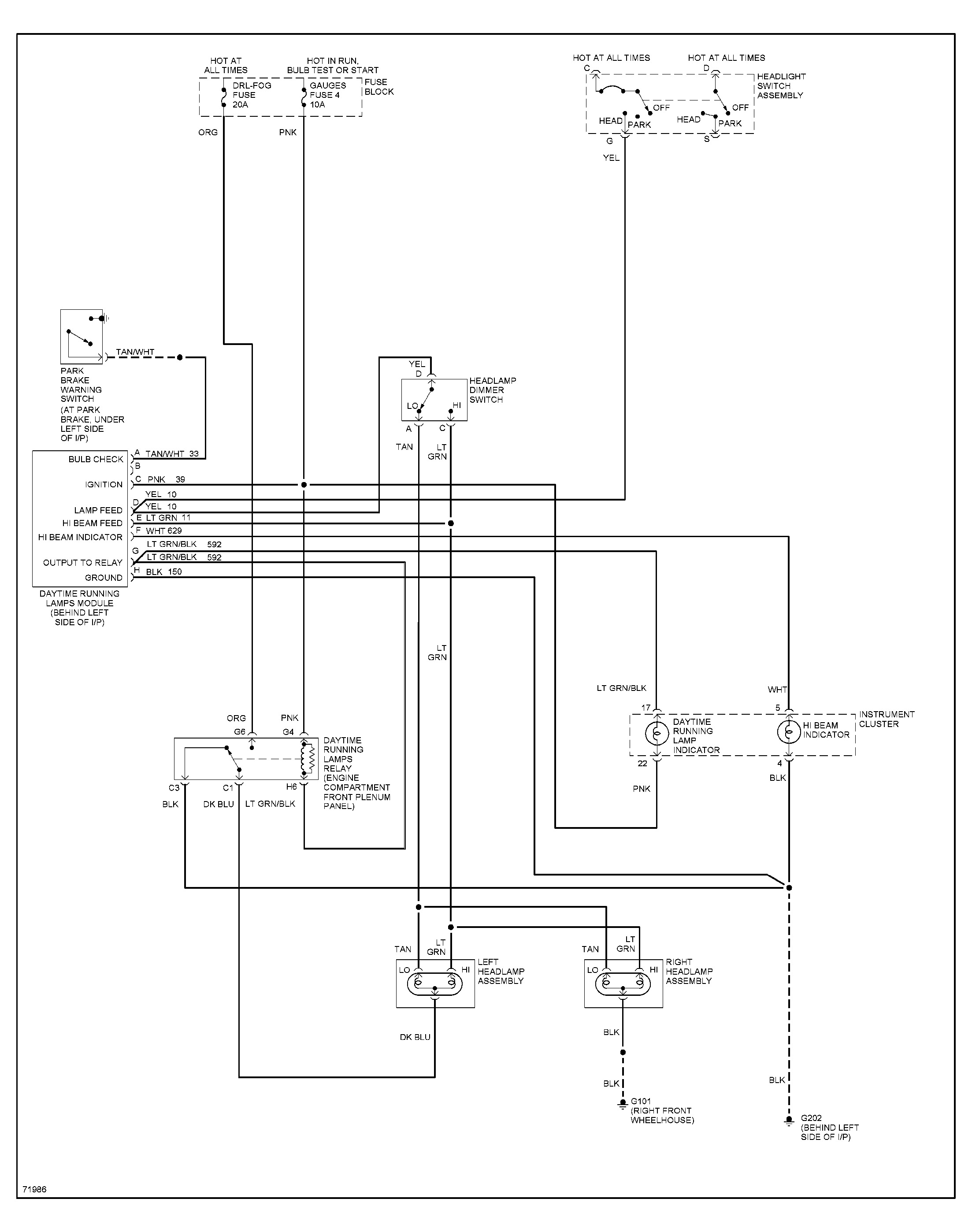
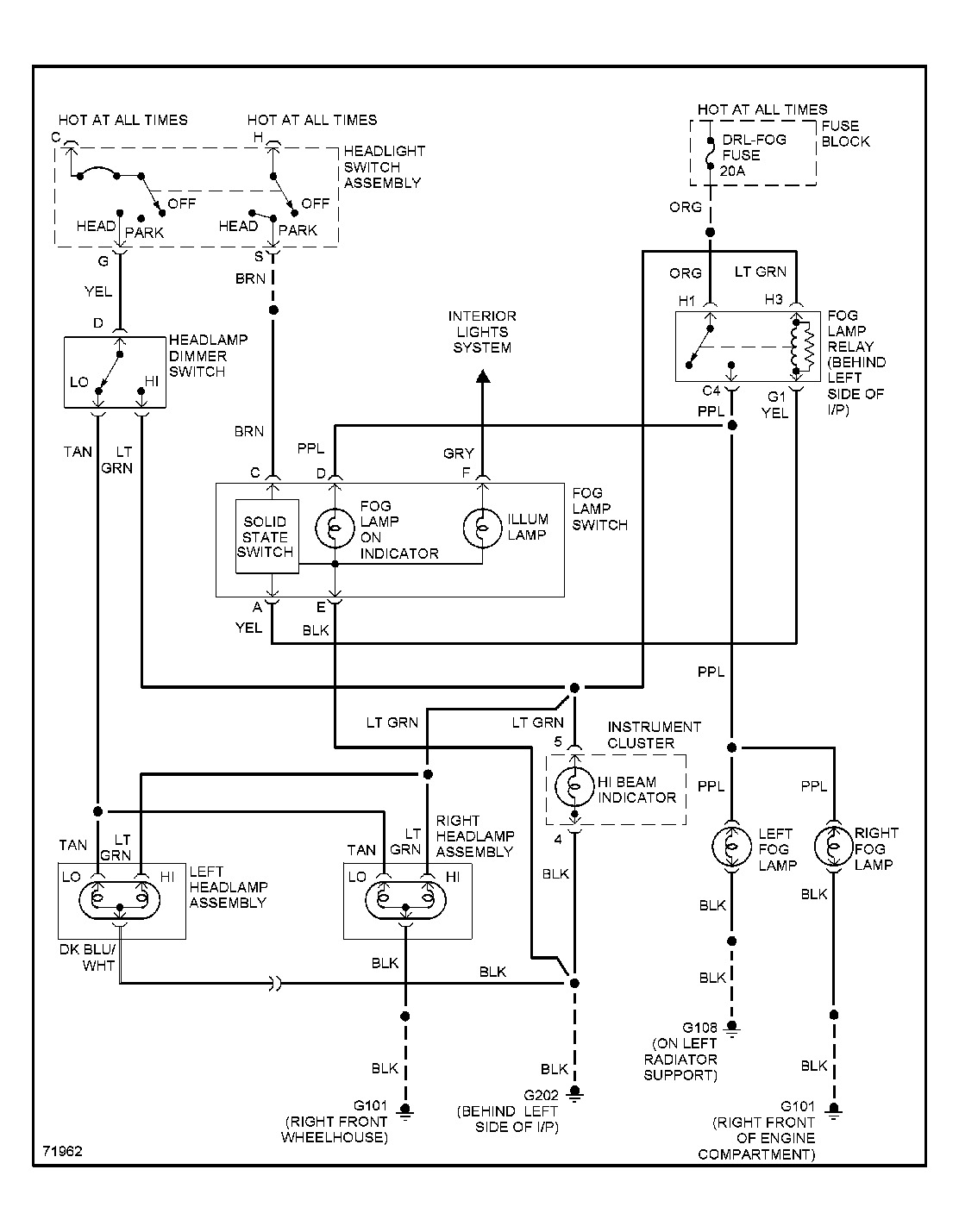
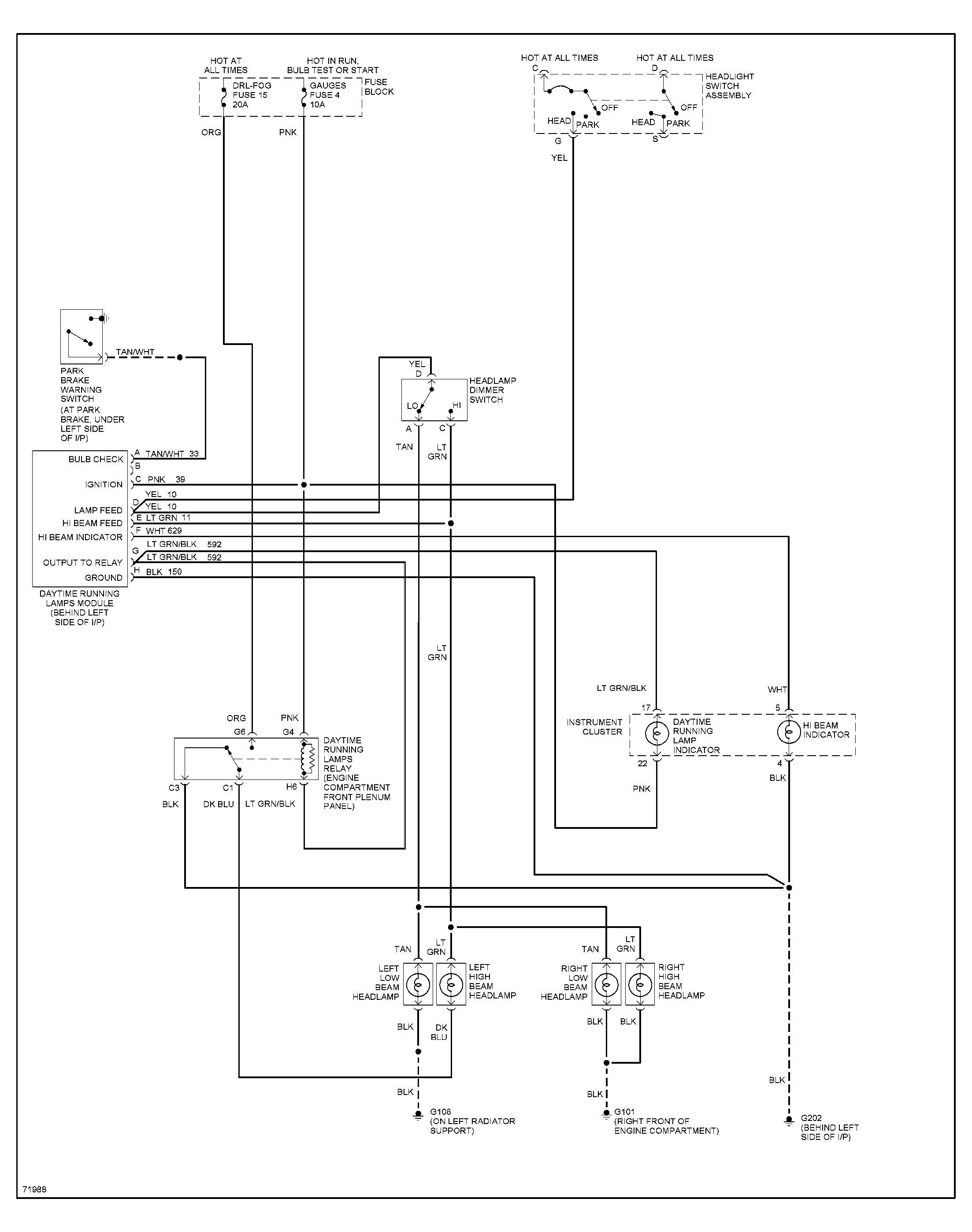
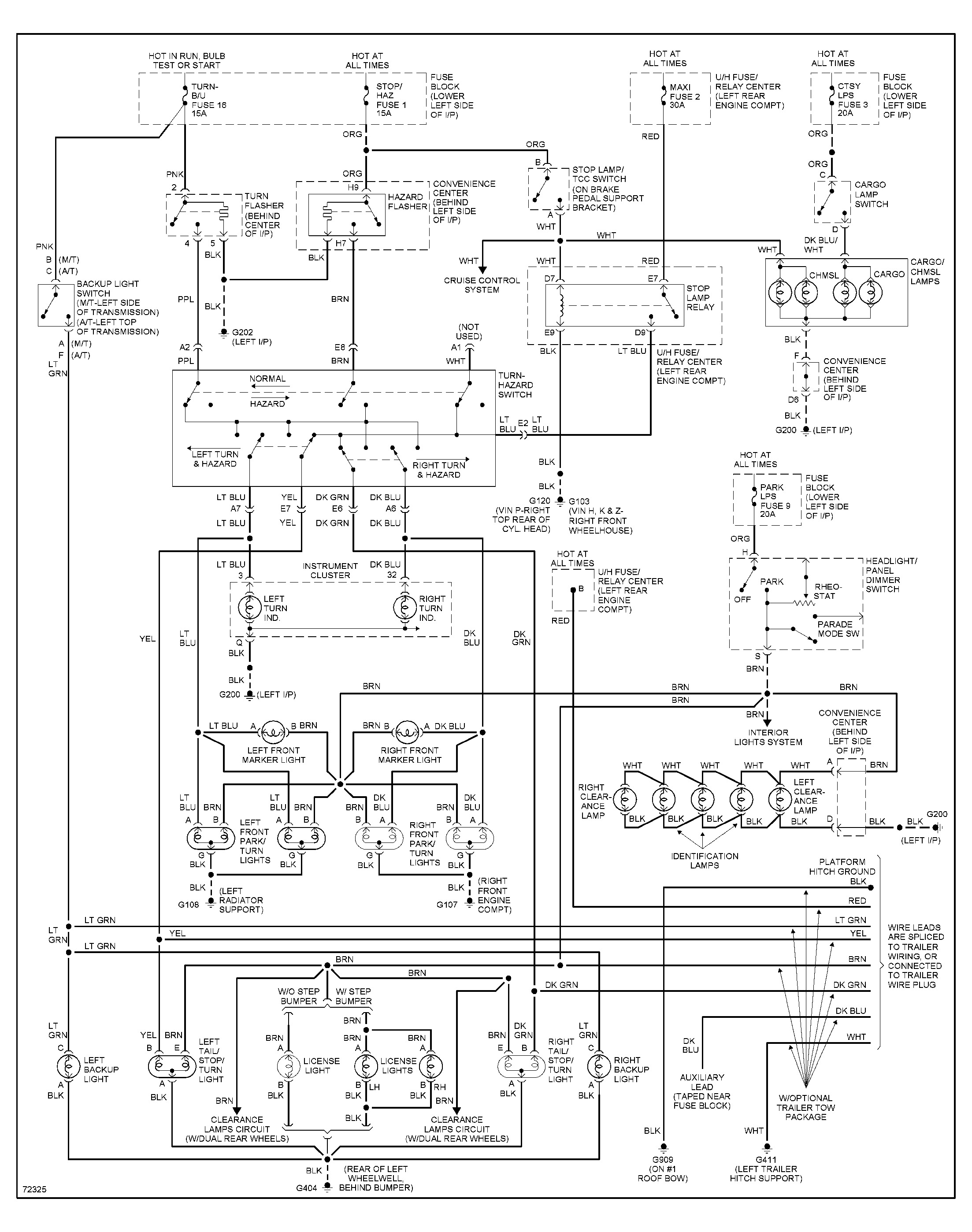
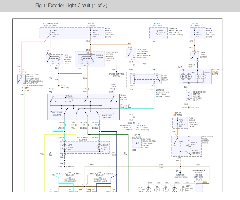
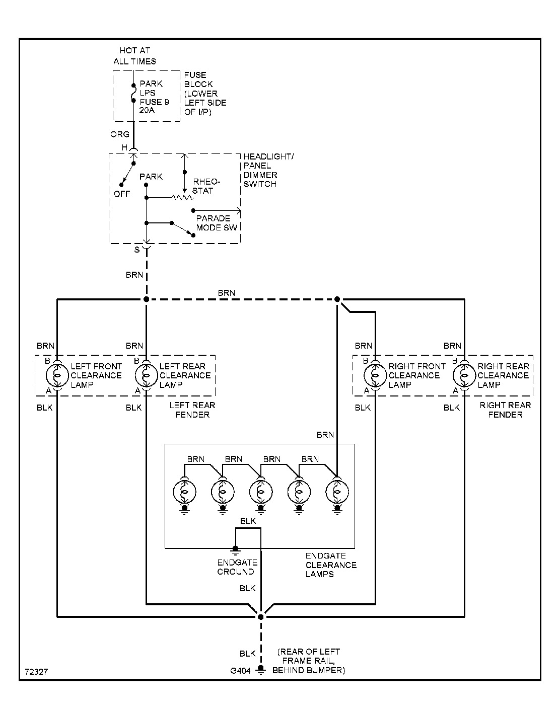
Tail light and turn signal on the right hand side do not work. Checked all three bulbs, replaced them now both sides do not work. If we hit the side, then they will flicker. Checked the fuses, they are good. Do I need to replace the whole tail light or search wires?
Aug 22, 2016 at 3:03 PM










