Tail and Parking Lights Not working?

1993 DODGE DAKOTA
175,000 MILES • 5.2L • V8 • 4WD • AUTOMATIC
Avatar
ZHODANI77
  • MEMBER
  • 2 POSTS
1st Head Light switch went bad on oem part
Replaced with aftermarket exact replacement
Replaced plug( pigtail that goes to switch) with one cut out of an exact model at junk yard
Inspected the tail lights area for broken wires

Turn signals, brake lights, and headlights all work fine
If I gently and barely pull out knob on light switch just before it goes into position for park lights The park lights illuminate but go off soon a sits into position and do not work when headlights are on. The bright and dim switch work fine its on the column while switch is on the dash

The tail lights at one time would come on with park lights when barely pulled out but Now No tail lights period

Fuses have all been pulled and the fuses at the relay under the hood has been checked as well

I am most definitely going to test power from headlight switch and from fuse panel. The Dash Lights, parking lights and taillights are what's not working ( when I barely pull my light switch back but into the on position it causes the park lights to come on and radio light to dim does this additional info help narrow down the issue.

Meant to say I pull knob back but not into the on position, then the park and dash lights illuminate and the radio light dims.

This is a Brand New Switch,

The Original Had Multiple issues then finally went completely out the pigtail(plug) had melted on The Green wire in the center of the switch.

I changed That plug as well,

I would Like to know what Color wires go to what and where The grounds are for each tail light, license plate illumination lights, dash lights, and front parking lights.

I am Thinking Ground (s) are Bad. Maybe a Hot Wire is broken somewhere to tail lights and again come Tuesday I am gonna try a known good switch from the junkyard it came from their yard truck same place pig tail came from to verify same issue and eliminate switch and plug as culprits

Are The Turn signals, Brake lights, and Tail lights all The same Ground?
Brake and turns work just not running lights.
2. I got a tester light to illuminate from Black w/ yellow wire to ground on switch, on tail lights that same color goes to near every light back there too

3. Could the loss of ground be stopping lights from working in normal parking light position and maybe grounding when its not in its actual position a si barely pull knob out?

I work long hours friday-saturday-sunday-monday so please hang in there till this issue is resolved I will post the corrective steps that was taken to get full resolution for others as well
Mar 6, 2014 at 2:26 PM
Advertisement
Avatar
KNOWLEDGE IS POWER
  • EXPERT
  • 1,136 POSTS
I agree with the ground issue since you said there was melting. that or there's a broken wire caused by the melting. I have sent a diagram of the circuit and a guide to help you test it. let me know if it helps or you need more.

https://www.2carpros.com/articles/how-to-use-a-test-light-circuit-tester

Check out the diagrams (below). Please let us know what happens.

Cheers
Dec 3, 2020 at 9:59 AM
Avatar
ZHODANI77
  • MEMBER
  • 2 POSTS
Help me here. That diagram is key to making sure I have correct wires in top shape all the way from headlight switch back. I ran new undamaged wires the whole way it fixed the problem. thanks for your help.
Dec 3, 2020 at 9:59 AM
Advertisement
Avatar
KNOWLEDGE IS POWER
  • EXPERT
  • 1,136 POSTS
Glad you could get it fixed, that kind of problem can be tough. Please use 2CarPros anytime we are here to help
Dec 3, 2020 at 9:59 AM
Avatar
FORENSICS
  • MEMBER
  • 108 POSTS
So I about a year ago obtained the old truck listed above, it is my first truck. I am going to be getting my drivers license soon as well and I have been fixing it up so by the time I can drive it can be driven. So it is almost ready for the road but one problem is when the headlights are turned on the tail lights do not come on, the indoor roof light does not come on, and the dash lights do not work. They did work for a couple of seconds and I heard a fizzling noise and poof all of these things do not work. It turns out the fuse that goes to all those things was not the right one in there was a 15amp fuse. Now I would not say I am bad when it comes to wiring but it is pretty difficult to sort through a million wires to find a burnt wire that goes to these things or it may even be the light switch that popped, but I have no idea how to test that. It would be great to fix that so anybody who has had this problem or if you know how to fix it that would be amazing or to test if the light switch is bad though I have no clue on how to do that.

Thank you for any information on the topic
Dec 3, 2020 at 10:13 AM (Merged)
Avatar
JACOBANDNICKOLAS
  • CERTIFIED EXPERT
  • 110,175 POSTS
Hi and thanks for using 2CarPros.com.

First, my hat is off to you for what you are doing. You will learn a lot by taking your time and trying to fix things.

Okay, with that being said, I read through the wiring schematic for the tail lights, instrument cluster, and interior dome light. Every one of the items you mentioned tie into the headlight switch. I also check my manual for headlight switch testing, and it indicates there is no information from the manufacturer. So, here is what I have done, I have attached a wiring schematic for the tail lights and interior lights. Please make sure never to put a higher amp fuse in place of what is recommend by the manufacturer. The would be a recipe for a fire.

Next, I have no idea what knowledge you have for testing wiring, so I have listed a couple links which discuss doing so. Additionally, I have attached links explaining how to use a volt/multi-meter and a test light.

https://www.2carpros.com/articles/how-to-check-wiring

https://www.2carpros.com/articles/how-to-use-a-test-light-circuit-tester

https://www.2carpros.com/articles/how-to-use-a-voltmeter

Take a look at the schematic to help guide you through the wiring. It can be a nightmare, but may need to be done. I cannot be certain, but there is a chance it could be the switch itself. But just like you are thinking, it could simply be a short. Before you tear into everything, remove the rear tail lights and make sure a socket for one or more of the bulbs is not bad and causing the fuse to blow. Those sockets pick up a lot of dirt from under the truck over the years and corrode, rust. It could be that simple. Also, remove the bulb and make sure the pins inside it are not sunk into the plastic which could create a short.

Also, if you follow the wiring from the tail lights, you will find about two feet in from the back of the bed (on each side) they wiring harness plugs into another harness. If you even question that the tail lights are an issue, disconnect both sides and see if it prevents a fuse from blowing. If it does, you have narrowed things down to the last two feet of the truck and it will make your life much easier.

If you question the sockets, upload a picture for me. Over the years, I have owned seven Dakotas. Great trucks! But I am in PA and the salt from winter driving has eaten all the first generation's frames away. I am not stuck with a third gen.

I hope this helps. Feel free to ask any question you may have or if you need more information.

Take care,
Joe
Dec 3, 2020 at 10:13 AM (Merged)
Avatar
FORENSICS
  • MEMBER
  • 108 POSTS
Thank you so much this information will definitely be helpful. Later today I am going to use my multi-meter to test the fuses and I have a junkyard that is not too far away and last I checked they had a switch for my truck to test out as well. I do have one question, if those lights are not on will the fuse be producing any current or is it always producing a current as long as it has a connection to power?
Dec 3, 2020 at 10:13 AM (Merged)
Avatar
JACOBANDNICKOLAS
  • CERTIFIED EXPERT
  • 110,175 POSTS
Welcome back.

That is a good question. There is always power to the fuse on the battery side regardless if the fuse is blown. When the fuse blows, it stops the current from continuing to the component. Now, regardless if the lights are on or not, there should always be power at the fuse, on both sides of the fuse if it is good, or only on the battery side, if the fuse is blown.

Did you have a chance to check the tail light sockets? I have a strange feeling that is where the problem is starting.

Take care,
Joe
Dec 3, 2020 at 10:13 AM (Merged)
Avatar
FORENSICS
  • MEMBER
  • 108 POSTS
The only one that was not fine was the left reverse light plug it had rust all over it and needs to be replaced. So I will probably tear one off of a junkyard Dakota and wire it in. I did try using the multi-meter and I do not know exactly how it works so I tried using 20 on DCV and when on the fuse it would just go back and forth from .1 to .0 and if I hooked it to the fuse on 200M it would go anywhere from 1.0 to 8.0 on other fuses, but if I hooked it to the fuse that connects the dash lights and such there would be no voltage, but if I pull the fuse out and stick it in to the socket holes I get a voltage. It does the the same thing for all fuses that I put into it, so I have no clue what that means and all the fuses I put into it are practically brand new.
Dec 3, 2020 at 10:13 AM (Merged)
Avatar
JACOBANDNICKOLAS
  • CERTIFIED EXPERT
  • 110,175 POSTS
Good work. You are on the right track. Since you get power when the fuse is removed, you need to check two things. First, make sure there is not a corrosion issue with the contact in the fuse box. Make sure the fuse is making good contact. Next, remove the fuse and check it for continuity. Basically, you are checking to see if power goes through the fuse. Even though the fuse may look good, it may be bad. On your multi meter, set it for continuity. There should be a battery in the meter which will provide a small amount of power in this mode. The meter battery will show continuity when you touch the two leads together. It should do the same when you touch one lead to one side of the fuse and the other lead to the other side of the fuse.

Do me a favor. I want you to locate the wiring harness connectors on the rear of the frame which go to the tail lights and disconnect both sides. That way, we know for sure if the problem likes from there back once you get power going.

Let me know what you find.

Take care and good luck.

Joe
Dec 3, 2020 at 10:13 AM (Merged)
Avatar
JACOBANDNICKOLAS
  • CERTIFIED EXPERT
  • 110,175 POSTS
I had an afterthought. If you find that there is power which is lost when the fuse is put in, make sure the connector to that circuit is in good shape under the fuse box. It may lose power when too much is required of it.
Dec 3, 2020 at 10:13 AM (Merged)
Avatar
FORENSICS
  • MEMBER
  • 108 POSTS
Alright, I will check that. Is there a special way to open up the fuse box to see all the wires on the other side to check for the bad connections?
Dec 3, 2020 at 10:13 AM (Merged)
Avatar
MOUSEY425
  • MEMBER
  • 4 POSTS
In my truck i have headlight but no tail light, dashlight and front parking lights are out trun singles work ok. i have checked fuse all ok and replace the headlight switch but still no not working pls help
Dec 3, 2020 at 10:13 AM (Merged)
Avatar
JACOBANDNICKOLAS
  • CERTIFIED EXPERT
  • 110,175 POSTS
Wow! I thought I had a lot of miles on mine at 221K. I hope it last that long.

As far as the electrical, have you checked fuses under the hood? Have you checked for any disconnected wires under the dash? Finally, have you checked the high beam switch on the column?
Dec 3, 2020 at 10:13 AM (Merged)
Avatar
FORENSICS
  • MEMBER
  • 108 POSTS
Here are some pictures and a video of my truck if any of this helps.
Dec 3, 2020 at 10:13 AM (Merged)
Avatar
JDL
  • CERTIFIED EXPERT
  • 16,098 POSTS
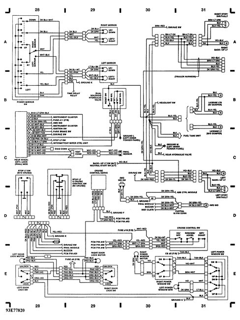
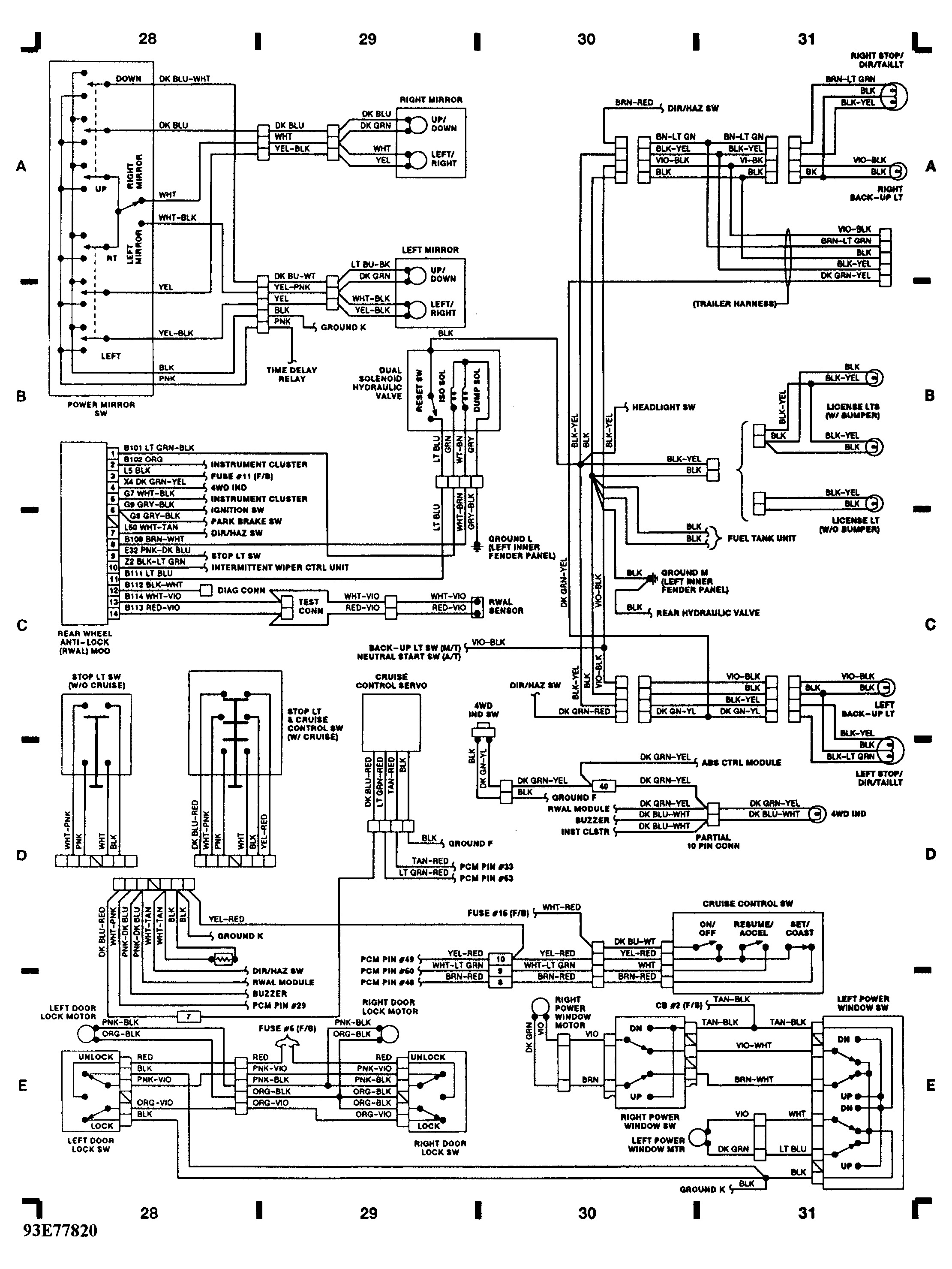
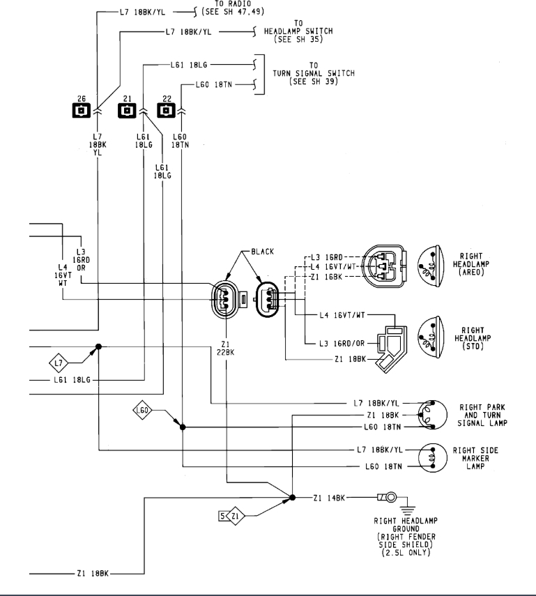
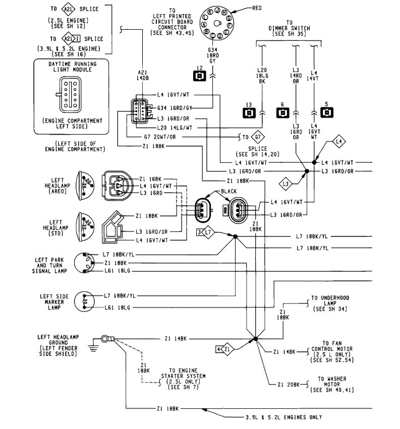
Did you check voltage to and from the headlamp switch? The black wire with yellow tracer carries voltage for tail-lamps. Use a voltage tester on the wire, head lamp switch on. If no voltage, check the feed wire to the headlamp switch for tail lamps, above in the diagram.


https://www.2carpros.com/forum/automotive_pictures/170934_dakota_headlamp_switch_2.jpg

Dec 3, 2020 at 10:13 AM (Merged)
Avatar
JACOBANDNICKOLAS
  • CERTIFIED EXPERT
  • 110,175 POSTS
I watched the video and noticed there has been a lot of work as far as splices done to the wiring. Try what I said. Disconnect the rear tail light harnesses from both sides (which will also disconnect the license plate lights), and see if that makes a difference.

As far as the pictures of the fuse box, it is really hard for me to identify anything from the pictures. If I recall, the box is bolted to the vehicle.

Let me know if you have any luck when you disconnect the harnesses.

Joe
Dec 3, 2020 at 10:13 AM (Merged)
Avatar
FORENSICS
  • MEMBER
  • 108 POSTS
So I finally did it! I pulled down the fuse box and flipped it around and found that the wire did not burn up very far and I repaired the wired connection and now everything works, the dash lights work perfect bright and dim and both tail lights come on too. I just have to get a replacement reverse light socket for my truck since it rusted to bits and pieces. But now my truck is one step closer to being road ready, well I mean it is pretty much road ready it runs and drives. I just have basic age maintenance left to do like suspension, replace as many dry rotted hoses as possible, etc. But thank you Joe so much now my tail lights come on when I turn on the headlights which is just amazing because the electrical of that truck is just a maze, there are wires, cut grounds, and even plugs that I do not even know what goes to what. One day I will probably have to go through all of those wires and organize them better so the next time there is a problem It will be easier to find. But again thank you so much for the help on the electrical.
Dec 3, 2020 at 10:13 AM (Merged)
Avatar
KRAZYSPOONHEADBOY
  • MEMBER
  • 2 POSTS
I own a 1993 Dodge Dakota 2wd v-6. recently my headlights stopped working, I can still turn on my brights(i have to hold the lever for them to be on, they don't stay on by themselves) and my parking lights work. I thought it could be the switch but I am unable to. figure it out
Dec 3, 2020 at 10:13 AM (Merged)
Avatar
FIXITMR
  • CERTIFIED EXPERT
  • 9,990 POSTS
dimmer switch sounds shot. got a buddy with a buick same year doin same thing.
Dec 3, 2020 at 10:13 AM (Merged)
Avatar
CSUTTON
  • MEMBER
  • 1 POST
I had the same problem with my 93 Dodge Dakota 2 sh Dr. and I had to replace the headlight switch.
Dec 3, 2020 at 10:13 AM (Merged)
Avatar
DODGEBABY
  • MEMBER
  • 2 POSTS
My tail light socket (it just controls my tail lights- brake/turn lights still work), on my my 93 dodge dakota sport -V6 -rear-wheel drive truck, needs to be replaced. The replacement part they gave me has three wires (2 black and one white). However, the socket I am replacing only has two wires. Is one of the black wires a grounding wire? I was told there were no sockets with two wires available for my truck, so I need to know what to do with the third wire. Also, The socket I am replacing has a green and purple wire, how do those match with the black and white? Thank you!
Dec 3, 2020 at 10:13 AM (Merged)
Avatar
HMAC300
  • CERTIFIED EXPERT
  • 48,601 POSTS
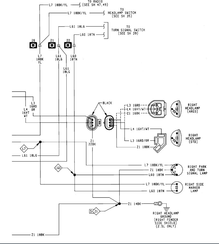
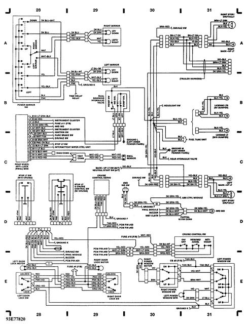
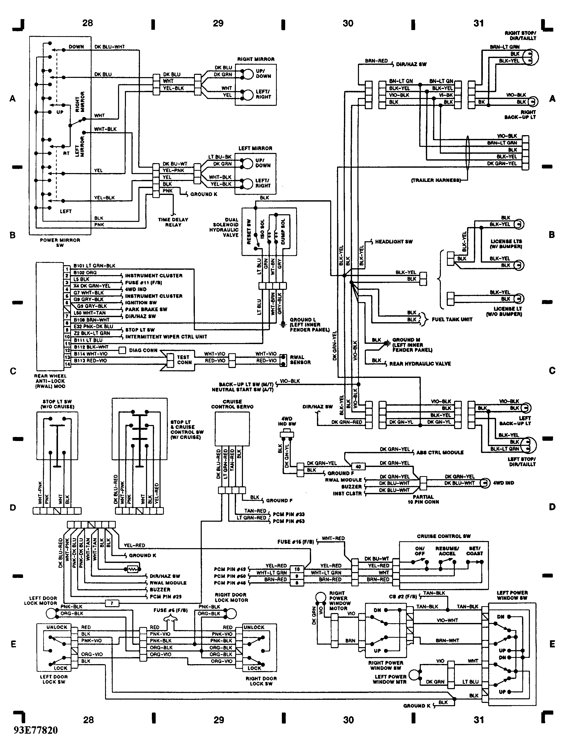
i'm sending a schematic and if you click it it will get larger but copy it and them make it larger if you want. the purple wire goes to the back up light and the green to the tail light. what yo have is probably an aftermarket light. You'll have ot try and see where the leads light the new lights. then mark them.
Dec 3, 2020 at 10:13 AM (Merged)
Avatar
DODGEBABY
  • MEMBER
  • 2 POSTS
Sorry, I was not clear. The new socket has 2 black and 1 white wire. Do I match the white wire to the existing green or purple wire?
What do I do with the third wire on the new socket (the existing socket only has two wires)?
Dec 3, 2020 at 10:13 AM (Merged)
Avatar
HMAC300
  • CERTIFIED EXPERT
  • 48,601 POSTS
like i said before you'll have to test each wire to see what it operates. put a ground wire to the socket on the new tailight, thenput juice to each wire to see whatlights up. the schematic i sent you will explain which wire is which.
Dec 3, 2020 at 10:13 AM (Merged)
Avatar
SUZONDA
  • MEMBER
  • 1 POST
So recently I have driven my vehicle that has an automatic transmission and is a four wheel drive over some rather bumpy roads and I hit just wrong, then the dash, park lights, and marker lights went out. I put a volt meter to the sockets and all four are reading resistance if the prongs are put between ground and both park and bright.
I took the headlight switch out and that seemed to be fine itself, but when I connect ground to the black/yellow, yellow, pink, blue/black, or green wire it also beeps. I put a Jumper wire directly from positive In to the black/yellow and it seems to be working. If I jump positive In to the other wires listed above it sparks. The doors switches, radio, dome light, and rear harness are unplugged. Six hrs of fine combing and still nothing.
Dec 3, 2020 at 10:14 AM (Merged)
Avatar
JDL
  • CERTIFIED EXPERT
  • 16,098 POSTS
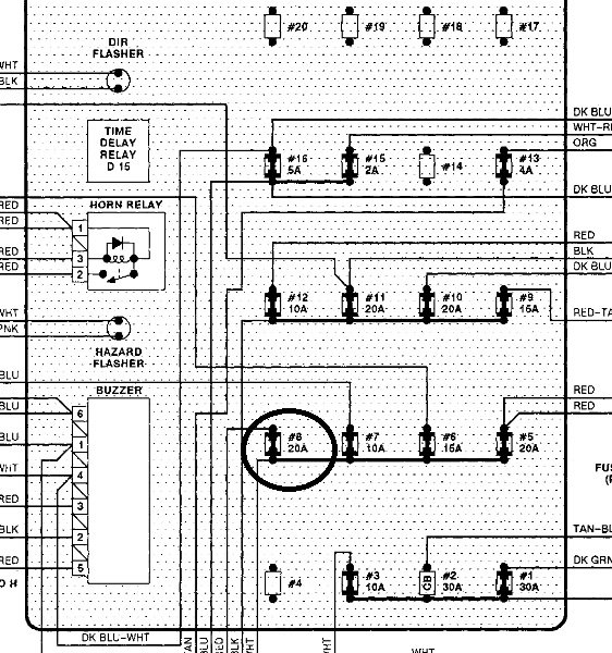
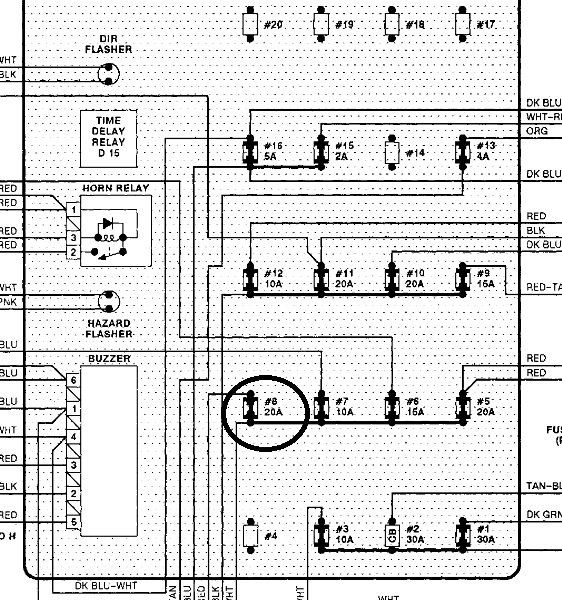
Check fuse 8--20 amp, interior fuse box. Check for voltage at fuse circuit, should be hot all the time, use a testlite or voltmeter. If no voltage, there may be another fuse involved. Voltage from that fuse goes to headlamp switch for park lamps.
Dec 3, 2020 at 10:14 AM (Merged)
Avatar
JDL
  • CERTIFIED EXPERT
  • 16,098 POSTS
I forgot to post this, tail lamp testing.
https://www.2carpros.com/articles/no-tail-lights-exterior-running-lights-tail-lights-out
Dec 3, 2020 at 10:14 AM (Merged)
Avatar
RITTER
  • MEMBER
  • 4 POSTS
Electrical problem
1991 Dodge Dakota Two Wheel Drive Automatic 135 k miles

i have a 91 dodge dakota sport and the dash lights dont work for the gages but the stuff below works ex. the high beams and turning signal icons still light up. and the tail lights dont work but i have brake lights and my signals still what could be the resson for this?
Dec 3, 2020 at 10:14 AM (Merged)
Avatar
INTERNETMECHANIC
  • CERTIFIED EXPERT
  • 700 POSTS
Did you check applicable fuse circuits? Black wire with yellow tracer is voltage for rear taillites. With the headlamp switch turned on, that wire should be hot, If no voltage, check voltage feed to and from the headlamp switch.
Dec 3, 2020 at 10:14 AM (Merged)
Avatar
BUCK211
  • MEMBER
  • 34 POSTS
Recently had tail lights an dash lights go out. Found burnt wiring from previous owner. Replaced or repaired all bad wires. Now head/brake lights, front/rear turn signal work. However tail lights and front side signals do not. Not a blown fuse or bulb. Checked those. Have replaced every burnt wire an made proper connections according to Haynes manual. My headlights also now turn on with the first pull of switch, any ideas where I may have went wrong or better color wire d gram from headlight switch to fuse box?
Thank you for reading this, any and all help or information is appreciated .

Rob W
Dec 3, 2020 at 10:14 AM (Merged)
Avatar
CARADIODOC
  • CERTIFIED EXPERT
  • 34,306 POSTS
Sounds like you switched some wires, but given the recent history, it is also possible some wires are still melted together. Because of the unusual situation, I recommend going right to the head light switch connector and jumping various wires together so we can see what works properly and what doesn't.

To start, remove the head light switch and unplug its connector. Use a jumper wire or stretched-out paper clip and connect the red wire to the light green wire. Be careful with the colors because there is also a light green with black tracer. You want the light green with no tracer. The head lights should turn on and the dimmer switch should work properly. Be sure the high-beam indicator turns on full brightness when the high beams are on. The tail lights, running lights, and dash lights should not be on. If everything is correct so far, remove that jumper wire.

Next, jump the pink to the black/yellow. The tail lights and running lights should turn on. The dash lights should not turn on, but if the ignition switch is on, the radio's display should go very dim. Check the flash-to-pass function with the dimmer switch. No head lights or other lights should turn on.

Where were the burned wires and how did you repair them? Were any switch terminals overheated? Where there overheated terminals in a connector?

Dec 3, 2020 at 10:14 AM (Merged)
Avatar
BUCK211
  • MEMBER
  • 34 POSTS
To Cardiodoc:

Thank you for replying, the burnt wires were from headlight switch. They were pink and black/Yellow. Pink wire burnt from switch to fuse box. Then the black/Yellow burnt from switch to where it connects with harness at firewall, an from there to radio. The headlight switch also burnt out at the spots where those wires connected to it. All wires and connections were replaced with same exact wires from harness from parts truck. Headlight switch also replaced. Fuses checked, bulbs checked. Good.
Was curious if you could tell me how I may have the headlights hooked up to come on with first pull of switch? Also, thank you for the information on trying the jump wire. Will be trying after work tomorrow. Will update ASAP.
Dec 3, 2020 at 10:14 AM (Merged)
Avatar
BUCK211
  • MEMBER
  • 34 POSTS
Pictures are of headlight switch and connector. I do not know if that helps or not. Again, any and all Information appreciated.
Dec 3, 2020 at 10:14 AM (Merged)
Avatar
CARADIODOC
  • CERTIFIED EXPERT
  • 34,306 POSTS
I can see by the first photo this was not caused by the switch. Any time you have a mechanical connection, meaning the contacts inside the switch, and the terminals in the plug that mate to the terminals in the switch, anything less than a perfect connection causes a little resistance, and current flowing through a resistance generates heat. That heat expands the terminals to create more resistance, and that makes more heat. When that starts with a pitted or arced contact in the switch, the heat migrates out to the terminals and makes them black. It also overheats the first four inches of those wires, but not to the point of melting the insulation. That part of the wire will just become real hard, and solder will not adhere to it, so that four inches must be replaced.

The additional clue is the total length of the wires has melted insulation. That means something on that line was shorted to ground. One real good suspect is if the truck has an aftermarket radio. The tail light circuit goes to the original radio to tell the display to dim at night. A different wire from the dash lights also goes to the radio to tell the display how much to dim. The clinker is there is no ground wire in the connectors for the radio. The ground is made through the braided strap bolted to the back of the radio. When people install an aftermarket radio, they often use an ohm meter to figure out which is the ground wire, and they mistakenly find the black/yellow because the meter reads through the tail light bulbs, then to ground. The same thing can happen with the orange wire at the radio, but that one goes through a fuse first, so it would just blow that dash light fuse. (Between the fuse and head light switch, that is a tan wire).

There is a 20-amp fuse in the pink supply wire, but if it did not blow, that means there was enough current flowing to overheat the wire eventually, but less than 20 amps. That is unless someone put in a larger fuse. If the black/yellow wire was used for the ground for an aftermarket radio, that circuit would have gone to ground through the radio's metal case, then through the outer shield on the antenna cable, and to ground through the base of the antenna into the fender. That is a dandy ground for shielding out interference, but it is a terrible ground for current flow. That could explain why not enough current flowed to blow the fuse.

Check fuse number five and be sure it is a 20-amp. If someone stuffed a larger one in there, and a proper 20-amp blows, that is a good thing. I have a trick for working with that.

Let me know what you find after jumping those two wire pairs. Be careful when you do that. If something is shorted, ten to fifteen amps through a stretched-out paper clip will turn it red-hot. it is best to not be holding onto it for very long that way.
Dec 3, 2020 at 10:14 AM (Merged)
Avatar
BUCK211
  • MEMBER
  • 34 POSTS
Cardiodoc:
I'm sorry for the delay in answering ya back. Between laying block all day, and replacing the radiator in the same truck SMDH, I didn't have time to check those jump wires til now. When I jumped 1st set, Red/LG everything did what u said it would. When I jumped the 2nd set the Pnk~Blk/Yw wires, the headlights came on again, no tail lights or side signals. I PRAY this helps u to help me figure this out. If I was any less stubborn, I'd honestly probably have sold this truck. BUT I refuse to let it whoop me.. lol. I've got to much blood, sweat, tears and LOOONG wrench nights into her to just give up on the ole girl. Lol.
Ty again for the help, idk where I'd be looking if not for you guys at 2carpros. I LOVE THIS SITE!!!!!

Rob W
Dec 3, 2020 at 10:14 AM (Merged)
Avatar
DMLAND28
  • MEMBER
  • 1 POST
When I pull the switch my head lights tail lights and brake lights don't work. What can the problem be and how do I fix it myself. Is it a switch and where is it located or is it a fuse and if it is a fuse what amp??

Dec 3, 2020 at 10:14 AM (Merged)
Avatar
CARADIODOC
  • CERTIFIED EXPERT
  • 34,306 POSTS
The brake lights are totally independent of the head lights, so either you have two or three different problems, or you have to look for what they all have in common. In this case there is likely going to be a fusible link in common. The closest service manual I have is for an '87 model, but it should be the same. That shows a gray fuse link wire that feeds those lights and the horn. If that link is burned open, the horn won't work either. All of the fuse link wires are in a bundle near the left front shock absorber. You test them by pulling on them. If one acts like a wire, it's good. If it acts like a rubber band, it's burned open.
Dec 3, 2020 at 10:14 AM (Merged)
Avatar
BUCK211
  • MEMBER
  • 34 POSTS
When the ole girl won't go to the garage, the garage goes to her. Built this around the cab to stay warm & dry while working in rain and cold. Lol.
Dec 3, 2020 at 10:14 AM (Merged)
Avatar
CARADIODOC
  • CERTIFIED EXPERT
  • 34,306 POSTS
I see a problem, . . . I think.

Clarify "When I jumped 1st set, Red/LG everything did what u said it would".

You said when you jumped the pink to the black / yellow, the head lights came on. That's not good. The pink is one of the 12 volt supply wires. The black / yellow goes to the tail lights, not the head lights.

For the record, I would rather be driving your '90 than anything newer with all kinds of unnecessary computers. My daily driver is a rusty '94 Grand Voyager, only because my '88 Grand Caravan is so rusty, the carpet is the only thing holding the front and rear together. Any chance you can find me another '88 with 15" wheels and no rust?
Dec 3, 2020 at 10:14 AM (Merged)
Avatar
CARADIODOC
  • CERTIFIED EXPERT
  • 34,306 POSTS
I see another potential problem. The truck seems to have eaten a man!
Dec 3, 2020 at 10:14 AM (Merged)