Starter removal and location please?

2005 DODGE STRATUS
110,000 MILES • 0.6L
Avatar
OBET EKIM
  • MEMBER
  • 1 POST
I am trying to take the starter out but cannot locate the other bolt to get the starter out.
Aug 8, 2018 at 6:07 AM
Advertisement
Avatar
STRAILER
  • CERTIFIED EXPERT
  • 53,854 POSTS
Hello,

Here is a guide to help you see what you are in for when doing the job and diagrams below to show you how it is done on your car I included both engine to be safe.

https://www.2carpros.com/articles/how-to-replace-a-starter-motor

Check out the diagrams (below). Let us know what happens and please upload pictures or videos of the problem.

Cheers, Ken
Aug 11, 2018 at 2:22 PM
Avatar
DPORTER31
  • MEMBER
  • 1 POST
My 2005 dodge stratus r/t (3.0) won't start. Battery is charged connections are good. How can i test the starter and/or solenoid?
Aug 3, 2020 at 1:38 PM (Merged)
Advertisement
Avatar
KHLOW2008
  • CERTIFIED EXPERT
  • 41,814 POSTS
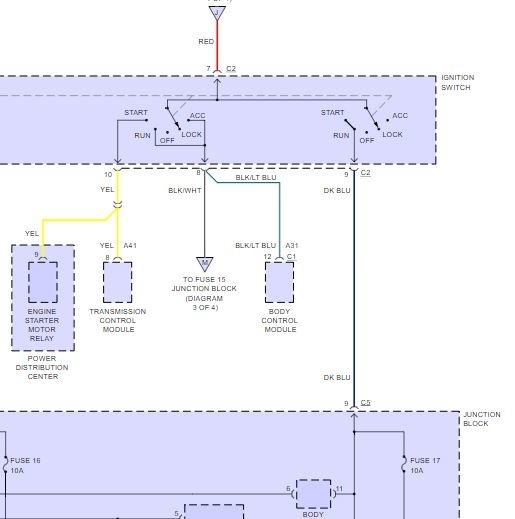
The easiest way is to remove the starter relay and use a fused jumper across terminals # 10 and # 11. Relay is in Power Distribution Center.
Aug 3, 2020 at 1:38 PM (Merged)
Avatar
CAROLMONCIVAIZ
  • MEMBER
  • 2 POSTS
Replaced battery but car still doesnt want to start. Also keeps blowing fuse that keeps it from starting. Move wires around that helps sometimes to srart. Maybe next step is stater. But where is it located ?
Aug 3, 2020 at 1:38 PM (Merged)
Avatar
CARADIODOC
  • CERTIFIED EXPERT
  • 34,306 POSTS
Hold on. The starter for a blowing fuse?

"Doesn't start" can mean a lot of different things. I assume from a blowing fuse that you mean the starter cranks the engine fast enough to start, but the engine doesn't start or run. If that is not correct, tell me the exact symptoms including any sounds you hear.

You need to figure out exactly which fuse is blowing. Taking a random guess is useless because I won't have any idea what's on that circuit or what the likely causes are.

A simple trick to finding a short is to replace the blown fuse with a pair of spade terminals, then use small jumper wires to connect them to a 12 volt light bulb. A brake light bulb works well. When the circuit is live and the short is present, the bulb will be full brightness and hot so be sure it's not laying on the carpet or against a plastic door panel. Now you can unplug electrical connectors and move things around to see what makes the short go away. When it does, the bulb will get dim or go out.

There are some circuits that only turn on for one second after turning on the ignition switch. If you find the test light turns on for one second, then goes back off, we'll have to find the automatic shutdown relay and bypass that.
Aug 3, 2020 at 1:38 PM (Merged)
Avatar
CAROLMONCIVAIZ
  • MEMBER
  • 2 POSTS
I turn key n car doesnt do anything at all. Was told could be starter seloniod. But would like a pro opinion. I will get back to you as to which fuse it keeps blowing
Aug 3, 2020 at 1:38 PM (Merged)
Avatar
CARADIODOC
  • CERTIFIED EXPERT
  • 34,306 POSTS
Dandy. First, measure the battery voltage with an inexpensive digital voltmeter. It it's good and fully-charged, it will read 12.6 volts. If it's around 12.2 volts, it's good but discharged. Charge it at a slow rate for an hour, then try again. If it's near 11 volts, it has a shorted cell and must be replaced.

Watch what happens to the brightness of the head lights or interior lights. Do they stay bright, dim just a little, dim a lot, or go out completely when you try to crank the engine?

Do you have an automatic or manual transmission? If it's an automatic, try cranking the engine when it's shifted into neutral.

Listen if there's a very faint, light click under the hood when you turn the ignition switch to "crank", or if there's a single, rather loud clunk each time.
Aug 3, 2020 at 1:38 PM (Merged)
Avatar
2CP-ARCHIVES
  • MEMBER
  • 4,540 POSTS
How to replace starter
Aug 3, 2020 at 1:38 PM (Merged)
Avatar
ASEMASTER6371
  • CERTIFIED EXPERT
  • 52,796 POSTS

Release hood latch and open hood.
Disconnect and isolate the battery negative cable.
Remove the air cleaner box.
Remove the lower bolt.
Remove the upper bolt and ground wire

Starter Removal - 4 Cylinder


Remove starter.
Disconnect solenoid wire connector from terminal
Remove nut holding B+ wire to terminal.
Disconnect solenoid and B+ wires from starter terminals.

INSTALLATION

Connect solenoid and B+ wires to starter terminals.
Install nut holding B+wire to terminal.
Connect solenoid wire connector to terminal
Install starter.
Install the upper bolt.
Install the lower bolt.
Install the air cleaner box.
Connect the battery negative cable.


since you provided no motor size, i assumed it was a 4 cylinder

Roy
Aug 3, 2020 at 1:38 PM (Merged)
Avatar
SNEAKYPETE69
  • MEMBER
  • 4 POSTS
2004 Dodge Stratus 6 cyl Front Wheel Drive Automatic

how long to change the starter motor? i think the shop is charging me too much
Aug 3, 2020 at 1:38 PM (Merged)
Avatar
RASMATAZ
  • CERTIFIED EXPERT
  • 75,992 POSTS


https://www.2carpros.com/forum/automotive_pictures/12900_s1_60.jpg


https://www.2carpros.com/forum/automotive_pictures/12900_s2_54.jpg

Note:Part and labor varies within location.
Aug 3, 2020 at 1:38 PM (Merged)
Avatar
MOMMY3ACM
  • MEMBER
  • 1 POST
Can you give me an estimate on how much it would be to replace my starter(with labor)?
Aug 3, 2020 at 1:39 PM (Merged)
Avatar
BILLYMAC
  • CERTIFIED EXPERT
  • 2,204 POSTS
Hi mommy
This will cost around one hundred and fifty dollars.of course you want to get estamates from your local repair shops and take the cheapest, because you don,t have to be a starter to do this any mechanic can do it. hope this helps. ty for writeing billymac
Aug 3, 2020 at 1:39 PM (Merged)
Avatar
WHITEPOWER
  • MEMBER
  • 1 POST
How do you remove the starter?

Thank you.
Aug 3, 2020 at 1:39 PM (Merged)
Avatar
DANNY L
  • CERTIFIED EXPERT
  • 5,648 POSTS
Hello, I am Danny.

I am sending you a link for reference. Starter is located at the left rear of your vehicle. Be sure to disconnect the negative battery cable before removing to prevent damage/shock/fire!
Aug 3, 2020 at 1:39 PM (Merged)
Avatar
MELVIN88
  • MEMBER
  • 1 POST
Where is the starter located? I have an issue with it.
Aug 3, 2020 at 1:39 PM (Merged)
Avatar
STRAILER
  • CERTIFIED EXPERT
  • 53,854 POSTS
It is under the car near the transmission by the firewall. Here is a diagram (below) and a guide to help you get the problem fixed.

https://www.2carpros.com/articles/how-to-replace-a-starter-motor


Disconnect and isolate the battery negative cable.
Remove the air cleaner box.
Remove the lower bolt.
Remove the upper bolt and ground wire.

Fig.5 Starter Removal

Remove starter
Disconnect solenoid wire connector from terminal
Remove nut holding B+ wire to terminal.
Disconnect solenoid and B+ wires from starter terminals.

INSTALLATION

Connect solenoid and B+ wires to starter terminals.
Install nut holding B+ wire to terminal.
Connect solenoid wire connector to terminal
Install starter (Fig. 5).
Install the upper bolt.
Install the lower bolt.
Install the air cleaner box.
Connect the battery negative cable


Please let me know if you need anything else to get the problem fixed.

Best, Ken
Aug 3, 2020 at 1:39 PM (Merged)
Avatar
COREYT78
  • MEMBER
  • 2 POSTS
starter makes noise as if its turning but wont start motor. Is it possible for starter to not have enough power to turn flywheel. I replaced the crank position sensor and it started once, but hasnt started since
Aug 3, 2020 at 1:40 PM (Merged)
Avatar
JACOBANDNICKOLAS
  • CERTIFIED EXPERT
  • 110,175 POSTS
When you hear the starter working, is the serp belt turning? Have you checked to see if there is spark to the engine (since you replaced the crank sensor?)
Aug 3, 2020 at 1:40 PM (Merged)
Avatar
COREYT78
  • MEMBER
  • 2 POSTS
the serp belt is not turning, I havent checked to see if its firing
Aug 3, 2020 at 1:40 PM (Merged)
Avatar
JACOBANDNICKOLAS
  • CERTIFIED EXPERT
  • 110,175 POSTS
Are you sure the starter is turning the engine? If the belt isn't turning, that tells me either it is off the pulley or the engine isn't turning. Does the starter sound different?
Aug 3, 2020 at 1:40 PM (Merged)
Avatar
BRIAN CLARK4
  • MEMBER
  • 5 POSTS
Car listed above is a SE 2 door coupe. Trying to remove a starter from this vehicle but have a engine bracket holding the end of the exhaust manifold in the way. Bottom bolt no problem, upper bolt for this bracket is in a really tight spot and tried to use every tool I could think of to get in there and remove it, without any luck. Without it's removal I have no way of getting to the upper bolt of the starter. Any suggestions or help to remove this bracket would be sincerely appreciated. I have watched other videos , and read instructions - the only things that they specify are in the way is the oil filter, the O2 sensor, and having to lower the exhaust pipe down a little to get it out. Nothing about this bracket, nor how to get at it's upper bolt.
Aug 3, 2020 at 1:40 PM (Merged)
Avatar
JACOBANDNICKOLAS
  • CERTIFIED EXPERT
  • 110,175 POSTS
Hi,

Are you aware that the upper bolt comes from the transmission to the starter? If you have the air filter box removed, you should be able to access it.

Let me know.
Joe
Aug 3, 2020 at 1:40 PM (Merged)
Avatar
BRIAN CLARK4
  • MEMBER
  • 5 POSTS
Hey Joe,

No I wasn't aware of that, but appreciate it greatly and will look for it. Do you have any idea about the bracket that I am referring to? Even after the bolt is removed that bracket looks like it will still be in the way of getting the starter out.
Aug 3, 2020 at 1:40 PM (Merged)
Avatar
JACOBANDNICKOLAS
  • CERTIFIED EXPERT
  • 110,175 POSTS
Do me a favor, it's been awhile since I did one of these. Can you upload a picture of the bracket you are referring to? It should spark some memory (good or bad). LOL In all honesty, this is one of the easier ones. Some cars require the intake to be removed. Ugh!!! It just keeps getting more and more interesting. Eventually, one will need a mechanical engineering degree to replace an air filter. LOL

Take care and I will watch for your reply.

Joe
Aug 3, 2020 at 1:40 PM (Merged)
Avatar
BRIAN CLARK4
  • MEMBER
  • 5 POSTS
Hey Joe, here is the picture of the mount in question.
Aug 3, 2020 at 1:40 PM (Merged)
Avatar
HOLLYWOODR
  • MEMBER
  • 3 POSTS
I have a 2002 Dodge Stratus, 2.7 liter v6. When I try to start it, the 20 amp start/fuel fuse keeps blowing. I'm almost certain the starter or solenoid that needs replacing. My question is how do you replace the starter. What other parts need to be removed in order to get to it?

Thanks
Aug 3, 2020 at 1:40 PM (Merged)
Avatar
BLUELIGHTNIN6
  • CERTIFIED EXPERT
  • 16,542 POSTS


https://www.2carpros.com/forum/automotive_pictures/261618_Noname_728.jpg


https://www.2carpros.com/forum/automotive_pictures/261618_Noname2_189.jpg

Aug 3, 2020 at 1:40 PM (Merged)
Avatar
JACOBANDNICKOLAS
  • CERTIFIED EXPERT
  • 110,175 POSTS
Hi,

What is that attached to on the right hand side of your pic? Here are the directions specific to your vehicle. Take a look through them and let me know if they help in any way. As far as the pic, I believe that is a support between the engine block and transmission, but I'm not 100% sure. Also, please confirm something for me. You indicated this as a 3.0L V6. It should be the 2.7L. Is that correct? Also, let me know if it is a sedan or coupe.

_______________________________________

2002 Dodge Stratus Sedan V6-2.7L VIN R
Procedures
Vehicle Starting and Charging Starting System Starter Motor Service and Repair Procedures
PROCEDURES
REMOVAL
1. Open Hood.
2. Disconnect the negative battery cable.
3. Raise vehicle and support.
4. Disconnect the electrical connector from the O2 sensor.

Fig.6 O2 Sensor

Pic 1

5. Remove the O2 sensor from the exhaust manifold (Fig. 6).
6. Remove the front mount through bolt.
7. Remove the front mount bracket from engine block.

Fig.7 Starter Motor

pic 2

8. Remove the battery cable from starter (Fig. 7).

Fig.8 Starter Motor Removal

pic 3

9. Remove the lower starter bolt and remove starter (Fig. 8).

INSTALLATION
1. Install starter to transmission.
2. Start the upper starter bolt.
3. Start the lower bolt and snug it so that the starter will not move.
4. Remove the upper bolt.
5. Connect the battery cable and torque nut to 8.5 Nm (75 in. lbs.).
6. Install the front mount bracket and check heat shield location.
7. Install bolt the upper bolt and torque bolt to 54 Nm (40 ft. lbs.)
8. Install the lower and torque bolt to 54 Nm (40 ft. lbs.)
9. Install the front mount through bolt and torque bolt to 61 Nm (45 ft. lbs.)
10. Install the O2 sensor and torque to 27 Nm (20 ft. lbs.)
11. Lower vehicle.
12. Connect the negative battery cable.

__________________________

Let me know.
Joe
Aug 3, 2020 at 1:40 PM (Merged)
Avatar
HOLLYWOODR
  • MEMBER
  • 3 POSTS
Thanks for your quick reply. Can you tell me if I remove the front engine mount bolt, do I have to place a jack under the engine to support it?
Aug 3, 2020 at 1:40 PM (Merged)
Avatar
BRIAN CLARK4
  • MEMBER
  • 5 POSTS
Hey Joe. It's a 2002 3.0L SE coupe. The sedan instructions and illustrations are what originally got me disoriented with the removal of the starter because they are not the same. The bracket that is in question is one that connects the end of the manifold to the engine chasis. While It does have a arc bend upward, the retaining bold on the upper part of that is about 45 degrees pointing up, and without taking the entire manifold off there is no way to get to that bolt at least to my knowledge. My biggest concern , is when I drop the starter, that it will not clear it. The positioning of that bracket and a 45 degree upper bolt towards the hood would make it impossible to get to without removing the manifold. I barely got 2 fingers into the area on either side, It was definitely meant to be taken out from the top.

Mitsubishi engines.. ugh.. lol
Aug 3, 2020 at 1:40 PM (Merged)
Avatar
BLUELIGHTNIN6
  • CERTIFIED EXPERT
  • 16,542 POSTS
you should support it with a jack or similar tool, yes.
Aug 3, 2020 at 1:40 PM (Merged)
Avatar
JACOBANDNICKOLAS
  • CERTIFIED EXPERT
  • 110,175 POSTS
Brian,

OMG! I was looking at a sedan the entire time.

Believe it or not, I have no directions from the manual. Here is what I recall: Remove the oil filter, remove the O2 sensor. Then, you have to remove the two 19mm bolts from the down pipe on the exhaust to manifold and lower the pipe. That is the only way I ever remember doing it. And if I recall, there was no easy way to get it out even after that was done. I always had to fight them.

As far as that bracket, if it was bolted between the manifold and the chassis, I would think it would constantly break the manifold when the engine torqued.

Wow, nothing is ever easy. Tell me if you think lowering the Y pipe will help with space. That is honestly the only thing I can remember from these. I even went into the manual and looked up engine removal and nothing was listed for that support.

Joe
Aug 3, 2020 at 1:40 PM (Merged)
Avatar
BRIAN CLARK4
  • MEMBER
  • 5 POSTS
Yeah, I appreciate it brother. I do not see any easy way through this problem. But I am going to press forward and hope that I can get it out and get the new one in without having to send it to a shop to have them tear the upper portion of the manifold shielding off and/or the manifold itself to get it done. It doesn't look like it will clear regardless of how I finagle it out, even having the Y pipe lowered , the space where the starter is, and this bracket - is going to have issues I believe. I really do appreciate your time and effort on it.
Aug 3, 2020 at 1:40 PM (Merged)
Avatar
JACOBANDNICKOLAS
  • CERTIFIED EXPERT
  • 110,175 POSTS
If you have a chance, let me know how things turn out. Honestly, I pulled a transmission out of a Dakota and I swear the car was built around it. LOL

Joe
Aug 3, 2020 at 1:40 PM (Merged)
Avatar
KAREN PALMS
  • MEMBER
  • 1 POST
2001 Dodge Stratus won't start?
Aug 3, 2020 at 1:40 PM (Merged)
Avatar
RASMATAZ
  • CERTIFIED EXPERT
  • 75,992 POSTS
Pick your symptoms below check it and get back with some testing results

**Cranks but no start condition:

Get a helper disconnect a sparkplug wire or 2 and ground it to the engine at least 3/16 away from ground -have helper crank engine over-do you have a snapping blue spark? If so-you have a fuel related problem,Do you hear the fuel pump come On when you turn key on? If not check fuel pump fuse and fuel pump relay if so, check the fuel pressure to rule out the fuel filter/fuel pump/pressure regulator and listen to the injector/s are they pulsing or hook up a noid light. No snapping blue spark continue to troubleshoot the ignition system-power input to the coil/coil packs,coil's resistances,distributor pick-up coil, ignition control module, cam and crank sensors and computer Note: If it doesn't apply disregard it.

OR**


**No crank at all/nothing/nada when key is engage to starting position

Could be a blown fusible link, the starter, starter relay, park and neutral switch/transmission position switch and ignition switch assuming the battery condition and connections are good. Note:If it doesn't apply disregard.
Aug 3, 2020 at 1:41 PM (Merged)
Avatar
SAMMYS79
  • MEMBER
  • 2 POSTS
The 20 amp starter/fuel fuse started blowing when key is turned. I blew five in a row. when the engine does start it never blows the fuse. I was wondering if it is possible the starter solenoid is drawing to much.
Aug 3, 2020 at 1:41 PM (Merged)
Avatar
PATENTED_REPAIR_PRO
  • CERTIFIED EXPERT
  • 1,853 POSTS
Is this fuse #8 in the PDC located under the hood at the left front fender panel?
If so, exactly where is the ignition key position at when the fuse blows?
I see three things that fuse powers, the starter relay, the fuel pump relay and the ignition switch. So remove the fuel pump relay and the starter relay and then see if that fuse still blows when you turn the key to that position. If it still blows the fuse, then it must be with whatever the ignition switch feeds.
Aug 3, 2020 at 1:41 PM (Merged)
Avatar
SAMMYS79
  • MEMBER
  • 2 POSTS
The exact key position is in the start position. Thing are fine when key is switched from off to on,dash lights up and all icons, as soon as key is switched to crank engine fuse blows. The other night when this first happened it had been raining while the car was being driven then shut off and parked for about three hours. I left the car sit in parking lot till morning, then went back to try to start it again. the overnight temp dropped from forty degrees down to eighteen degrees by morning. After blowing five fuses, it started. I drove it to my heated garage to try to trouble shoot the problem. I am thinking maybe something was wet, because I cannot get it to blow a fuse. not sure where to look, probable it will happen again if water gets back into the mix. So far you have been a great help, cleared up some misconceptions I had. I will monitor this as time goes. I welcome any advise.Thanks again!
Aug 3, 2020 at 1:41 PM (Merged)