Engine will stall when driving?

2002 CHEVROLET IMPALA
275,000 MILES • 3.8L • V6 • 2WD • AUTOMATIC
Avatar
TRUCKER88
  • MEMBER
  • 4 POSTS
It will also stall while slowing down when driving. Fuel pressure is 58 psi when priming the pump, and is about 49 psi at idle. It will hold pressure when engine is off. No obd codes to report. Does not sound like it's misfiring. Replaced the fuel filter and swapped out the fuel pump with one from the junkyard, same results. It will start after a stall and will run if I keep giving it gas. Pulled vacuum line off of fuel pressure regulator and it gave me about an extra 10 psi.
Jan 11, 2020 at 9:31 AM
Advertisement
Avatar
JACOBANDNICKOLAS
  • CERTIFIED EXPERT
  • 110,175 POSTS
Does this only happen when the engine is warm? Since the fuel pressure doesn't seem to be the issue, it seems more related to an ignition issue. Not uncommon is a bad crankshaft position sensor.

Do me a favor. Look through these links. The first one describes the component and the second discusses symptoms. Let me know if they seem to mirror what you experience.

https://www.2carpros.com/articles/how-a-crank-shaft-angle-sensor-works

https://www.2carpros.com/articles/symptoms-of-a-bad-crankshaft-sensor

Let me know.

Joe
Jan 11, 2020 at 5:08 PM
Avatar
TRUCKER88
  • MEMBER
  • 4 POSTS
That pretty much describes what is happening. Is there any simple way to test the sensor? Is it still possible it's a weak fuel pump?
Jan 12, 2020 at 12:01 AM
Advertisement
Avatar
JACOBANDNICKOLAS
  • CERTIFIED EXPERT
  • 110,175 POSTS
As far as the pump, the only thing you can do is check fuel pressure to see if it is weak. Here is a link that explains how that is done:

https://www.2carpros.com/articles/how-to-check-fuel-system-pressure-and-regulator.

As far as testing the sensor, it can be done by checking if there is a low reference signal to it, power, and then a signal from the sensor. I have to ask. Have you scanned the computer to see if there is a stored diagnostic trouble code? Under certain conditions, a bad crank sensor won't set a code, but in other conditions, it will. Also, if by chance you have a live data scanner, start the vehicle and watch the RPM signal to the scanner. See if it acts odd just before the engine stalls.

Also, if you drive the vehicle before it stalls, does it do the same thing?

I'm going to add the directions for replacing the crankshaft position sensor in case you decide to change it. At least you will have the directions. The attached pics correlate with the directions.

___________________________________________

2002 Chevrolet Impala V6-3.8L VIN K
Crankshaft Position (CKP) Sensor Replacement
Vehicle Powertrain Management Sensors and Switches - Powertrain Management Sensors and Switches - Computers and Control Systems Crankshaft Position Sensor Service and Repair Procedures Crankshaft Position (CKP) Sensor Replacement
CRANKSHAFT POSITION (CKP) SENSOR REPLACEMENT
REMOVAL PROCEDURE


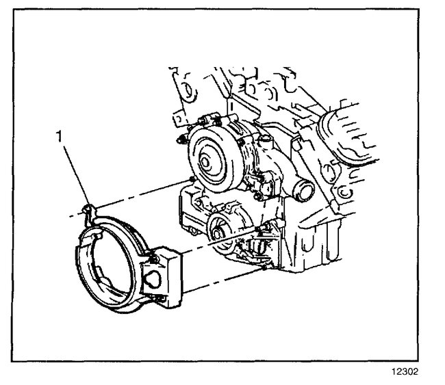
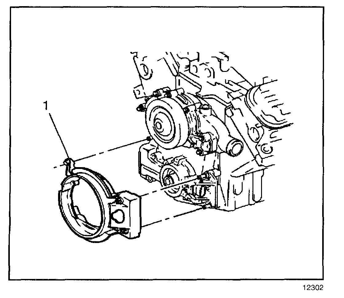
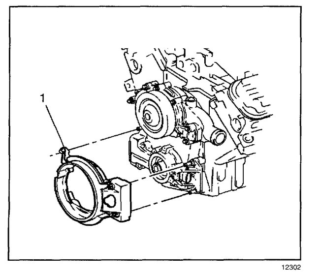
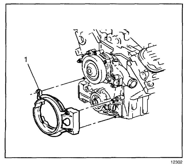
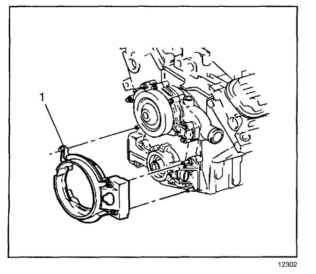
pic 1

1. Disconnect the negative battery cable.
2. Raise and support the vehicle. Refer to Lifting and Jacking the Vehicle.
3. Remove the right splash shield cover.
4. Remove the crankshaft harmonic balancer.
5. Disconnect the sensor electrical connector.
6. Remove the crankshaft position sensor (CKP) shield (1).


pic 2

7. Remove the CKP sensor bolts.
8. Remove the CKP sensor.

INSTALLATION PROCEDURE


pic 3

1. Position the CKP sensor to the block.

NOTE: Refer to Fastener Notice in Service Precautions.

2. Install the CKP sensor bolts.

Tighten
Tighten the bolts to 30 N.m (22 lb ft).


pic 4

3. Install the CKP sensor shield (1).
4. Connect the CKP sensor electrical connector.
5. Install the crankshaft balancer.
6. Install the right splash shield cover.
7. Lower the vehicle.
8. Connect the negative battery cable.
9. Perform the Crankshaft Variation Learn Procedure. See: Vehicle > Programming and Relearning

___________________________________________

I have a couple other questions. When the engine starts and runs, does it just shut down as if you turn the key off or does it slowly die as if it is a fuel related issue? I wonder if you have a fuel pump relay that is failing.

Let me know.

Joe
Jan 12, 2020 at 3:57 PM
Avatar
TRUCKER88
  • MEMBER
  • 4 POSTS
When it stalls, it's as if I turned the ignition off. It doesn't sound like it's being starved of fuel.

Like i explained in my original post I did the fuel pressure testing, but I'm unaware of what the exact fuel pressure should be because I'm getting different numbers from different places on the internet.

These are screen shots form live data off of a blue driver that I borrowed a few days ago. Does it tell you anything? And thank you so much for your help!!
Jan 12, 2020 at 9:06 PM
Avatar
JACOBANDNICKOLAS
  • CERTIFIED EXPERT
  • 110,175 POSTS
Here are the fuel specs right from alldata:


Fuel pressure


2002 Chevrolet Impala V6-3.8L VIN K
Fuel Pump Pressure
Vehicle Power-train Management Fuel Delivery and Air Induction Fuel Pump Fuel Pressure Specifications Pressure, Vacuum and Temperature Fuel Pump Pressure
FUEL PUMP PRESSURE

Fuel System Pressure

Key On Engine Off (KOEO) 53-59 psi

You are within spec. The info isn't helping.

I have to be honest, since it shuts down like you turn the key off, it sounds like an electrical issue. I suspect it is the crankshaft position sensor.

Let me know.

Joe
Jan 12, 2020 at 10:24 PM
Avatar
TRUCKER88
  • MEMBER
  • 4 POSTS
So I did some research on testing the crankshaft sensor, and I came across this article:

https://troubleshootmyvehicle.com/gm/3.8L/how-to-test-the-crank-sensor-1

Did the testing, and finally no problem. It must of been a loose wire or something like that.

Thank you for your help!!!
Jan 13, 2020 at 2:17 PM
Avatar
JACOBANDNICKOLAS
  • CERTIFIED EXPERT
  • 110,175 POSTS
You are very welcome. If I had a nickle every time there was a problem with a crankshaft position sensor, I would be rich!!! LOL Keep in mind that when they start going bad, the internal wiring in the sensor can expand when it gets hot. The result is loss of a signal and the engine shuts down. Often times, they will restart after cooling, but that isn't always the case.

You take care and let us know if you have questions in the future.

Joe
Jan 13, 2020 at 6:58 PM
Avatar
KGIZZLE23
  • MEMBER
  • 1 POST
One day I was driving and it suddenly stopped running. me being novice at best I parked it bought some starter fluid sprayed it and was able to at least drive it home ASAP. so then I tried my best at diagnosing the problem so I replaced the fuel filter and pump still wouldn’t start. it ran for a good ten seconds then it shut off. so then I decided to replace the spark plugs and wires and it still won’t start. so I then bought a new fuel pump relay it still won’t turn over. I don’t know what to look for. I’ve been through YouTube Google can’t find a solid question or answer. I even tried the security 10 three times trick that didn’t work either. please help. don’t have a big budget to fix any help would be great. thank you.
Jan 20, 2021 at 10:43 AM (Merged)
Avatar
JACOBANDNICKOLAS
  • CERTIFIED EXPERT
  • 110,175 POSTS
Welcome to 2CarPros.

Will it still start for a couple seconds if you use starting fluid? If it does, it is a fuel related issue. If it doesn't, then it is ignition related. I am going to provide links and directions for some general testing I need you to do.

First, here is a link that discusses a crank no start condition, which you have. Take a look through it.

https://www.2carpros.com/articles/car-cranks-but-wont-start

Now, I need you to check two things. First, we need to confirm fuel pressure is where it needs to be. Here is a link that shows how to check pressure:

https://www.2carpros.com/articles/how-to-check-fuel-system-pressure-and-regulator

Here are directions for connecting the pressure gauge on your vehicle:

FUEL PRESSURE GAGE INSTALLATION AND REMOVAL
FUEL PRESSURE GAGE INSTALLATION AND REMOVAL

TOOLS REQUIRED
^ J 34730-1A Fuel Pressure Gage
^ J 34730-262 Fuel Pressure Gage Fitting

INSTALLATION PROCEDURE

CAUTION: Refer to Gasoline/Gasoline Vapors Caution and Fuel Gage Leak Caution in Service Precautions.

NOTE: Clean all of the following areas before performing any disconnections in order to avoid possible contamination in the system:
^ The fuel pipe connections
^ The hose connections
^ The areas surrounding the connections

IMPORTANT: Position the fuel pressure gage fitting to avoid contact with the belt.


picture 3

1. Install J 34730-1A with J 34730-262 to the fuel pressure service connection, located on the fuel rail.
2. Turn ON the ignition.

CAUTION: Refer to Fuel Storage Caution in Service Precautions.

3. Place the bleed hose of the fuel pressure gage into an approved gasoline container.
4. Open the bleed valve on the fuel pressure gage in order to bleed the air from the fuel pressure gage.
5. Command the fuel pump ON with a scan tool until all of the air is bled out of the gage.
6. Close the bleed valve on the fuel pressure gage.
7. Command the fuel pump ON with a scan tool.
8. Inspect for fuel leaks.

REMOVAL PROCEDURE


picture 3

1. Place the fuel pressure gage bleed hose into an approved container and open the bleed valve to bleed fuel system pressure.
2. Place a shop towel under the fuel pressure gage adaptor fitting to catch any remaining fuel spillage.
3. Remove J 34730-1A from the adaptor fitting.
4. Remove J 34730-262.
5. Drain any fuel remaining in the fuel pressure gage into an approved container.
6. Install the cap on the fuel pressure connection.

__________________

Here are the manufacturer's specs for pressure:


Fuel System Pressure

Key On Engine Off 52-59 psi

__________________

Here is a link showing how to check for ignition spark:

https://www.2carpros.com/articles/how-to-test-an-ignition-system

________________

If you have spark and fuel pressure is correct, I need you to check for an injector pulse. Here is a link showing how that is done:

https://www.2carpros.com/articles/how-to-test-a-fuel-injector

______________

Here are a few links you may find helpful when testing:

https://www.2carpros.com/articles/how-to-use-a-test-light-circuit-tester

https://www.2carpros.com/articles/how-to-use-a-voltmeter

https://www.2carpros.com/articles/how-to-check-wiring

_____________

I also attached two pictures showing fuel injection fuse and the fuse for the fuel pump relay. Check them to make sure there are no problems, but wait till you see if the pressure is good.

https://www.2carpros.com/articles/how-a-car-fuse-works

https://www.2carpros.com/articles/how-to-check-a-car-fuse


Let me know what you find or if you have questions and what you find.

Take care,
Joe
Jan 20, 2021 at 10:43 AM (Merged)
Avatar
HOGAN
  • MEMBER
  • 2 POSTS
Have installed new ignition module, new fuel pump and new fuel filter. car still dies after having ran for a while, in a few minutes it will restart again. What could be the problem. Engine light does not come on and there are no engine codes.
Jan 20, 2021 at 10:43 AM (Merged)
Avatar
JAMES W.
  • CERTIFIED EXPERT
  • 2,394 POSTS
When it stalls, does it not start right up again or do you have to wait? Roughly how long do you have to wait? When it starts after a stall, how does it run, normal or rough then smooths out. Please advise.
Jan 20, 2021 at 10:43 AM (Merged)
Avatar
HOGAN
  • MEMBER
  • 2 POSTS
You usually have to wait 2 to 3 minutes before restarting engine. Then you would have to wait about 1 minute before beginning to drive to get the rpms up. The last time we started the engine it would not rev up over 4000 rpm and ran rough between 3500 and 4000 rpms.
Jan 20, 2021 at 10:43 AM (Merged)
Avatar
JAMES W.
  • CERTIFIED EXPERT
  • 2,394 POSTS
Check your fuel pressure at the fuel rail. If possible, leave the gauge attached to the rail so you can check the fuel pressure when the stall condition exists. Keep me posted.
Jan 20, 2021 at 10:43 AM (Merged)
Avatar
TAKECHARGESARGE
  • CERTIFIED EXPERT
  • 92 POSTS
Hogan,
Have you checked the Crankshsft Position Sensor?
It can shut off power to the ignition system.

My car had a problem very similar to yours. Engine stalled, could restart in 5-15 minutes, no check engine light, no malfunction codes from the computer. The only indication was that the Battery would show in the message center. The problem went away when the ssensor was replaced.

TakeChargeSarge
Jan 20, 2021 at 10:43 AM (Merged)
Avatar
MARTELG1001
  • MEMBER
  • 1 POST
My 2002 Impala will intermitently die and turn back on while driving. It seems like the entire electrical system shuts off. The message board then begins to give us every error message in the book. We have taken it into the dealership and they said that they couldn't diagnose the problem. We did have a recall on a part that was connected with engine compartment fire, we had that replaced and ever since then we have had this problem.
Jan 20, 2021 at 10:44 AM (Merged)
Avatar
ELLEN H
  • MEMBER
  • 4 POSTS
I have the same problem on my 2002 Impala. The dash lights all flash for a second. No engine shut off, just the lights and the RPM goes down and up. Just a split second. I don't think I would notice it if the lights didn't all flash. Started about 5 years ago. Mine happens when driving in warmer (over 70degree) weather only at highway speeds. Dealer can't help either.
Jan 20, 2021 at 10:44 AM (Merged)
Avatar
ALEXSANDOVAL91
  • MEMBER
  • 9 POSTS
my car stalls / seems like it doesnt have pressure when i change from first to second gear but its only when i accelerate slow when i accelerate hard u dont feel the problem occuring it feels like the car is jerking me its only on the first to second gear but the jerks draggs for 5 seconds just 5 seconds of jerking before it changes the gear
Jan 20, 2021 at 10:44 AM (Merged)
Avatar
MMPRINCE4000
  • CERTIFIED EXPERT
  • 8,548 POSTS
Is your check engine light on?
Jan 20, 2021 at 10:44 AM (Merged)
Avatar
MMPRINCE4000
  • CERTIFIED EXPERT
  • 8,548 POSTS
I would change fuel filter and if problem persists, have ignition module tested.
Jan 20, 2021 at 10:44 AM (Merged)
Avatar
ALEXSANDOVAL91
  • MEMBER
  • 9 POSTS
i already had changed the fuel filter still jerking now the jerk is like stretching for like 5 seconds
Jan 20, 2021 at 10:44 AM (Merged)
Avatar
MMPRINCE4000
  • CERTIFIED EXPERT
  • 8,548 POSTS
Check fuel pressure with mechanical gauge hooked up to test port on fuel rail, should be 40-50psi.

Check spark with calibrated spark tester, look for blue snapping spark.

If the above checks out then this may be transmission related, shift solenoid, TCC clutch for example.
Jan 20, 2021 at 10:44 AM (Merged)
Avatar
REDEEMED03
  • MEMBER
  • 1 POST
My car stalled out on me while i was driving on the freeway. When my speed reached the 60- 65 mph mark, the rpm's dropped and the car shut down. After letting the car sit 2-3 mins. I can start it up again and drive off but the same thing repeats itself. I just got a new fuel pump put on this summer so I don't know what it could be. So, I took it to the repair shop and the guy told me that he couldn't find anything wrong with it. He said he drove it around the corner off and on for about 3 hrs. and he checked the censors and even the fuel pump I just put on there and couldn't find anything wrong. i went and picked it up, drove it on the freeway again and got around 65mph and the samething happened again. I'm just lost right now and I need some help on finding out what it could be.
Jan 20, 2021 at 10:45 AM (Merged)
Avatar
WRENCHTECH
  • CERTIFIED EXPERT
  • 20,761 POSTS
All "crank, no start" conditions are approached in the same way. Every engine requires certain functions to be able to run. Some of these functions rely on specific components to work and some components are part of more than one function so it is important to see the whole picture to be able to conclude anything about what may have failed. Also, these functions can ONLY be tested during the failure. Any other time and they will simply test good because the problem isn't present at the moment.
If you approach this in any other way, you are merely guessing and that only serves to replace unnecessary parts and wastes money.



Every engine requires spark, fuel and compression to run. That's what we have to look for.

These are the basics that need to be tested and will give us the info required to isolate a cause.

1) Test for spark at the plug end of the wire using a spark tester. If none found, check for power supply on the + terminal of the coil with the key on.


2) Test for injector pulse using a small bulb called a noid light. If none found, check for power supply at one side of the injector with the key on.


3) Use a fuel pressure gauge to test for correct fuel pressure, also noticing if the pressure holds when key is shut off.

4) If all of these things check good, then you would need to do a complete compression test.

Once you have determined which of these functions has dropped out,
you will know which system is having the problem.
Jan 20, 2021 at 10:45 AM (Merged)
Avatar
TAKECHARGESARGE
  • CERTIFIED EXPERT
  • 92 POSTS
Hi redeemed03,

This is the kind of problem that has given the Impala a bad reputation. When you take the car to a mechanic and he can't find anything wrong, it can be very frustrating. It's almost impossible to do the tests for the diagnosis when in only 5 to 20 minutes the car can be started.

I had a similar problem with my 2000 Impala. It was shutting down while I was driving on the freeway.

I found a mechanic who would stick with the job until he found the problem. It took almost a week and a declaration by the mechanic that the car was possessed, but he finally found the cause of the problem. It was the Crankshaft Position Sensor.

There must be a heatsoak problem that affects the ability of the sensor to relay data to the computer.

Anyway, I believe if you change the Crankshaft Position Sensor the problem will go away.

TakeChargeSarge
Jan 20, 2021 at 10:45 AM (Merged)
Avatar
WRENCHTECH
  • CERTIFIED EXPERT
  • 20,761 POSTS
Just because the Crank sensor was the cause of a problem in one care DOES NOT mean it will be in your car and simply throwing parts at it will get very expensive and it the car is not tested during the failure, that's exactly what you are doing.
Jan 20, 2021 at 10:45 AM (Merged)
Avatar
LARR283
  • MEMBER
  • 1 POST
2001 Impala with 92,500 miles has two problems:

1. Hard-start about an hour after car was running. Starter cranks fine, but engine does not catch. Starts OK if restarted less than an hour after shutting off, or, if more than two hours after shutting off. Can get it started by turning key to On without cranking, then off again about 15 times.

2. Sudden stalling. occurs randomly, but most often after driving for about 10 minutes. Car is hard to start after stalling (starter cranks but engien does not catch). Can get it started by turning key to On without cranking, then off again about 15 times, or, waiting about 5 minutes.

I checked the fuel pressure; it is exactly to spec when the problems are not occurring. I have been unable to check the pressure when the problems are occurring; I tried once when it would not start, but attaching the pressure guage cleared the problem and the pressure was fine.
Jan 20, 2021 at 10:45 AM (Merged)
Avatar
TAKECHARGESARGE
  • CERTIFIED EXPERT
  • 92 POSTS
Hi larr283,

I had a similar problem with my 2000 Chevy Impala.

The engine would shut off at the most inopportune times (on the freeway at 65 mph, pulling away from a stop sign, in the parking lot at Home Depot, etc.).
Also, it usually happened about 20 minutes after the first start-up of the day.
Always, after a few minutes wait, it could be restarted and driven with no problems. The only indication on the instruments was the red battery indication that you normally get when you start the car. There was no check engine light or trouble codes.

After living with the problem for 6 months because the mechanics at the dealer could not find anything wrong with it, I found a mechanic who would do some actual troubleshooting.

The problem was the Crankshaft Position Sensor. It was interupting the power to the ignition module and causing the engine to shut down.

After it was replaced, all the problems went away. That was in October 2005 and there's no problem with the engine to this date.

TakeChargeSarge
Jan 20, 2021 at 10:45 AM (Merged)
Avatar
CARP1108
  • MEMBER
  • 3 POSTS
car shuts off sometimes when you lift off the gas, put in neutral and starts right up. then itis good for rest of day. mass air flow sensor and ignition module already changed.
Jan 20, 2021 at 10:46 AM (Merged)
Avatar
JACOBANDNICKOLAS
  • CERTIFIED EXPERT
  • 110,175 POSTS
HAs the check engine light come on?
Jan 20, 2021 at 10:46 AM (Merged)
Avatar
CARP1108
  • MEMBER
  • 3 POSTS
no check engine light
Jan 20, 2021 at 10:46 AM (Merged)
Avatar
JACOBANDNICKOLAS
  • CERTIFIED EXPERT
  • 110,175 POSTS
Without a check engine light and the fact it starts right back up makes it a guessing game. My first thought would be the crank sensor, but I can't be sure. I was also wondering about the fuel pump pressure, but again, the quick restart makes me question that.

Have you had either of them checked?
Jan 20, 2021 at 10:46 AM (Merged)
Avatar
CARP1108
  • MEMBER
  • 3 POSTS
that will be next. thanks
Jan 20, 2021 at 10:46 AM (Merged)
Avatar
JACOBANDNICKOLAS
  • CERTIFIED EXPERT
  • 110,175 POSTS
Let me know what you find. Remember, when checking fuel pump pressure, it will be tough if it is running correctly.
Jan 20, 2021 at 10:46 AM (Merged)
Avatar
CASSIE2007
  • MEMBER
  • 1 POST
my car cut off on me while i was driving what is it
Jan 20, 2021 at 10:46 AM (Merged)
Avatar
TAKECHARGESARGE
  • CERTIFIED EXPERT
  • 92 POSTS
Hello cassie2007,

I had a similar problem with my 2000 Chevy Impala.

If your engine stopped running while driving and the check engine light didn't come on and you were able to start it again within a few minutes and drive, then you should have someone check out the crankshaft position sensor. If it is going bad, the amount of current it passes will vary outside the limits and the engine computer will shut off power to the ignition module.

Almost any mechanic you take this problem to will tell you that they can't find anything wrong with it unless it happens while they are working on it, so you'll have to tell them what you want them to check.

Good luck,

TakeSargeSarge
Jan 20, 2021 at 10:46 AM (Merged)
Avatar
ANNETTE73
  • MEMBER
  • 1 POST
hi,
the car will start, is then driven about 5 to 10 minutes and then dies. if wait about 15 minutes it will start again and can be driven. a mechanic recently decided to replace the battery, but the problem still persists. please help with what is wrong and should be done. always had heavy stop and go driving.
stalled and confused
Jan 20, 2021 at 10:46 AM (Merged)
Avatar
JACOBANDNICKOLAS
  • CERTIFIED EXPERT
  • 110,175 POSTS
Check fuel pump pressure and spark when the engine is not running. My guess is either a bad fuel pump or and ignition module.
Jan 20, 2021 at 10:46 AM (Merged)
Avatar
TAKECHARGESARGE
  • CERTIFIED EXPERT
  • 92 POSTS
Had this same problem with my 2000 Impala. It drove me nuts, but it always seemed to start again.
The problem was the Crankshaft Position Sensor. It's been 3 years since and no problems.
TakeChargeSarge
Jan 20, 2021 at 10:46 AM (Merged)
Avatar
JACOBANDNICKOLAS
  • CERTIFIED EXPERT
  • 110,175 POSTS
What he said could be correct. It is part of the ignition system and can shut down spark to the engine.
Jan 20, 2021 at 10:46 AM (Merged)
Avatar
DBERRY
  • MEMBER
  • 2 POSTS
My 2001 impala will turn on, run and then when it gets warmed up, it will sputter and die. My mechanic has tried several things--plugs, oil, sensors. Now after all this, he thinks it is in the wiring. Any suggestions? There was a sensor in the engine that went band and some coolant leaked into my oil and made the car die, and a small explosion. Thats when he changed the plugs and flushed the engine, and replaces several sensors. I am loosing patience and I am wondering if it worth it to keep tryign to track down the problem?
Jan 20, 2021 at 10:46 AM (Merged)