runs then shuts off as soon as it gets to operating temp 210

1988 JEEP WRANGLER
103,000 MILES
Avatar
DANINROY
  • MEMBER
  • 24 POSTS
will run an idle great, then when you go for test ride shuts off and wont start for about 20 min, replaced all ignition parts, finale one was ICM , ran fine an then shut off after test run , approx 5 min and have no spark at all, toook ICM back to get checked and they said it was bad , could something be shorting it out. help
Jul 7, 2013 at 11:12 AM
Advertisement
Avatar
CJ MEDEVAC
  • CERTIFIED EXPERT
  • 11,004 POSTS


258?

CARB?.........(MY KINDA JEEP)

LIST EVERY PART YOU REPLACED

I CONSIDER YOURS, "A NEWER JEEP"

LET'S SEE IF YOU CAN GIVE ME AN ESSAY THAT MIGHT BE 1/2 THE LENGTH OF THE ONES I WRITE BACK, ON THE HISTORY--MODIFICATIONS (ANY-ALL)---SEND GOOD, WELL LIT PICS WITH THE HOOD KICKED BACK ON THE WINDSHIELD, WITH THE BREATHER REMOVED

YOUR TURN

THE MEDIC
Jul 7, 2013 at 12:33 PM
Avatar
DANINROY
  • MEMBER
  • 24 POSTS
First replaced the easy and cheaper , plugs and dist cap and wires, still acted up then replaced , coil, after noticing weak spark , after that the ICM and the ignition pick up located in the dist. as far as mods, all original nothing change except the emmision that comes off the cat has rotted off otherwise compete solid original for being a pa jeep was , owned by older couple and never touch sat in a barn till the guy I bought it off of again older couple no changes love it and reall y want to drive, it ran fine for 2 days then wam started stalling out
Jul 7, 2013 at 4:04 PM
Advertisement
Avatar
DANINROY
  • MEMBER
  • 24 POSTS
will try to do pics not to computer savy
Jul 7, 2013 at 4:05 PM
Avatar
DANINROY
  • MEMBER
  • 24 POSTS
The new wires you see on first pic are from the coil , apperently a mouse chewed the old one and these were a temp fix , until I solder and heat wrap
Jul 7, 2013 at 4:35 PM
Avatar
CJ MEDEVAC
  • CERTIFIED EXPERT
  • 11,004 POSTS


I TOOK TO LONG TO SUBMIT MY NOVEL-----I WAS TIMED OUT AND LOST THE WHOLE THING

I HAVE A FEW TESTS FOR YOU TO TRY

I WANNA KNOW IF WE LOSE "SPARK" OR "FUEL" DURING THE TIME HE GETS SICK AND WON'T BUST OFF

LETS' LOAD UP A LARGE WET TOWEL AND A FIRE EXTINGUISHER-------TOWEL IS 1ST LINE OF DEFENSE IN CASE OF A FIRE

NORMALLY, THE FUEL TEST WILL POINT US IN THE RIGHT DIRECTION

PUT A FEW OUNCES OF GAS INTO A SQUIRT BOTTLE

DRIVE AROUND TILL IT DIES

REMOVE THE BREATHER TOP-----------DO YOU SMELL GAS REALLY BAD?????

---IS THE CHOKE BUTTERFLY WIDE OPEN????.........IT SHOULD BE (REPORT THIS TO ME)

IF YOU SMELLED A LOT GAS, ----------------LET'S STOP HERE WITH THE FUEL TEST-----YOU GOTTA BE FLOODED FOR SOME REASON............NO PROBLEM!

IF NO GAS SMELL,...........GIVE THE CARB 5 OR FIVE SQUIRTS OF FUEL FROM THE BOTTLE

--------DOES IT START?.......DOES IT TRY?...........IS IT LIKE IT WAS BEFORE, WITH NO CHANGE

LET'S TAKE THAT BREATHER OFF AND SET IT ON THE GROUND-----I WANT A WELL DAYLIGHT LIT PIC OF BOTH SIDES OF THE ENGINE FROM THE RADIATOR TO THE FIREWALL------I WANNA SEE IT ALL -----AN OVERHEAD SHOT (HOOD ON WINDSHIELD) STANDING ON THE BUMPER WOULD BE NICE TOO!

DO YOU HAVE A VOLTMETER, KNOW HOW TO WORK IT MUCH AT ALL?

THE MEDIC
Jul 7, 2013 at 9:15 PM
Avatar
DANINROY
  • MEMBER
  • 24 POSTS
It shut down, no strong odor of gas, squirted few into carb , and yes butter fly open. Did not start , or try, also gave a shot of ether no good either.no spark from coil . waited 15 min turned key started with no hesitation, and yes I do have a digital fluke meter know a little on how to use probably enough to be dangerous. metered coil 1.3 on neg to pos ohmsturned key on had 12 volts to posts
thank you ahead of time for your help hoah
Jul 8, 2013 at 12:08 PM
Avatar
CJ MEDEVAC
  • CERTIFIED EXPERT
  • 11,004 POSTS


DO THIS

LEMME KNOW WHAT YOUR VALUES ARE

BEFORE......AND DURING THE "SAD TIME"

THE MEDIC
Jul 8, 2013 at 2:07 PM
Avatar
DANINROY
  • MEMBER
  • 24 POSTS
still wont start now spark put new ICM in went to start fired once then nothing,
metered pos side 11.48 neg side for curiousity showed 9.38 could wire have been crosed he has pos wire goining to a red an green / white stripe wire and neg going to solenoid ?
Jul 9, 2013 at 12:28 PM
Avatar
CJ MEDEVAC
  • CERTIFIED EXPERT
  • 11,004 POSTS


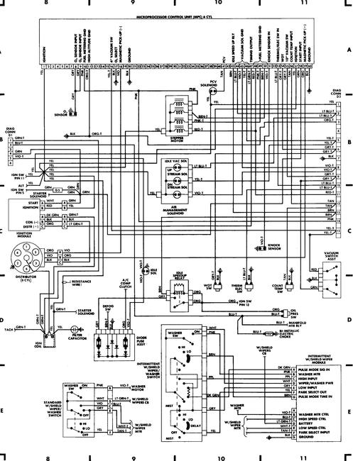
I SCANNED A WIRE DIAGRAM OUT OF A BOOK....I TOOK IT OVER TO "MICROSOFT PAINT" AND I COLORED EACH WIRE THE BEST I COULD, I SORTA HAD TO COMPROMISE ON WIRES WITH TRACER STRIPES (THE TRACER COLORS WERE UNKNOWN). THIS TOOK ME QUITE A WHILE, I THEN EMAILED THE 2 HALVES TO THE OFFICE PLACE AND HAD THEM BLOWN UP..........I THEN MATED THE TWO, AND HAD THEM LAMINATE IT. THESE OLDER DIAGRAMS ARE BASICALLY ROAD MAPS FROM ONE END OF THE JEEP TO THE OTHER.

THE NEWER JEEP DIAGRAMS ARE SORTA LIKE FLOW CHARTS.....THEY DO NOT WIND THEIR WAY AROUND TO THE NEXT CONNECTION.....IT'S A "BLOCK" ON TOP OF A "BLOCK" ON TOP OF A "BLOCK" WITH LINES BETWEEN THEM. DESTINATIONS ARE FOUND FAST.....BUT THEY CONFUSE ME SOMETIMES

I HAVE SCANNED SOME WRANGLER DIAGRAMS (I DON'T REMEMBER THE YEAR) BUT I HAVE NOT ATTEMPTED TO DO ANY COLORING OR TRIED TO PUT THE PIECES TOGETHER FOR A WRANGLER......YET

A BETTER PIC OF THOSE WIRES YOU ARE MENTIONING MIGHT HELP ME

I'M GONNA THROW YOU AN EXCERPT OF A 1979 CJ DIAGRAM...........REMEMBER IT DID NOT HAVE A COMPUTER

THE '79 HAD 4 WIRES FROM THE IGNITION MODULE HEADING FOR THE COIL AND DISTRIBUTOR.......ON A WRANGLER THE BLACK WIRE GOES THRU THE COMPUTER .................TO MAKE THINGS (IGNITION) "NON-COMPUTER CONTROLLED"...........THE "NUTTER BY-PASS" IS PERFORMED......LET'S NOT GO THERE YET! ...............A SITUATION LIKE YOURS IS THE WHOLE REASON FOR DOING THE NUTTER.........TO TAKE MR. COMPUTER OUT OF THE EQUATION COMPLETELY

DISREGARD THE "RESISTANCE WIRE".......AND THE BLACK WIRE.........I JUST WANT YOU TO SEE SORTA WHERE STUFF GOES INTO THE COIL, ETC

LEMME KNOW IF YOU SPOT A PROBLEM

WHILE AGO YOU SAID "HE"

HAS THIS BEEN RUNNING FOR YOU?.........IS THIS A PROBLEM YOU INHERITED FROM THE PREVIOUS OWNER?

I HAVE MORE TESTING FOR YOU....SEE IF ANY WIRES ARE SCUFFING ON SOMETHING/ OR SOMETHING HOT

AM I GOING TOO SLOW FOR YOU?

THE MEDIC

Jul 9, 2013 at 2:19 PM
Avatar
DANINROY
  • MEMBER
  • 24 POSTS
no you are doing fine , I like the less complicated words an the simple tests thanks again will try test now
Jul 9, 2013 at 3:38 PM
Avatar
DANINROY
  • MEMBER
  • 24 POSTS
okay, just bought it for my son ran fine for test, also on way home around 20 min drive. he took to work another 20 min ran fan next day started to die then would start after 20 min. no nothing at all only wires he said he touched were neg to coil and pos wire comes off connects to capicator and red wire to ICM and green to solenoid.pics comming. Did test results are .361 lead to lead on cap then OL when I touch center and dist base,it is brand new just put in, but tested old same way got lead to lead .345 and center touched base 0.
I also probably jumped ahead and took all wires out of cable sheath and followed from coil to ICM ,checked for visual defects none , keep help comming all is helpful and at least work in progress
Jul 9, 2013 at 4:45 PM
Avatar
DANINROY
  • MEMBER
  • 24 POSTS
1 st pic of solenoid, 2 nd coil with doctored wires 3 rd uncovered wires , top of carb , battery and 2 relays , 6 pic doct wires and where they come out
Jul 9, 2013 at 5:20 PM
Avatar
CJ MEDEVAC
  • CERTIFIED EXPERT
  • 11,004 POSTS


ARE YOU EMISSIONS TESTED IN YOUR REGION?...........ANY LENIENCY?.........WHAT DO THEY TEST?........WHERE IS "YOUR REGION"

GONNA HAVE TO GIVE ME A BIT TO DIGEST THIS AND COME UP WITH A BATTLE PLAN

IN THE MEAN TIME

IT IS CONSISTENT IN DYING EVERY TIME ON A LONGER DRIVE?

IF SO,

WHAT KINDA COIL DID YOU GET?.......THE SUPER DOOPER ONE.......OR THE CHEAPER OEM TYPE?

WHERE'D YOU GET IT?.......MODEL NUMBER?

DON'T BUY NUTHIN' ELSE YET!!!......NOT EVEN WIPER BLADES!..........TILL WE GO A LITTLE FURTHER, LIKE WITH YOUR ANSWERS TO THESE QUESTIONS I JUST ASKED

WIRING IS HARD ENOUGH WITH YOUR HANDS ON IT......OVER THE NET IS A REAL CHALLENGE........ESPECIALLY WHEN IT'S REALLY BEEN MONKEYED WITH

YOUR TURN............I eat this stuff up! (CJs and early Wranglers....Carb Stuff and 258s).....So don't think I'm getting tired of helpin' you

THE MEDIC
Jul 9, 2013 at 10:41 PM
Avatar
DANINROY
  • MEMBER
  • 24 POSTS
Yes , it i consistent, oem stock duralast model number 03828 (autozone)
Jul 10, 2013 at 11:44 AM
Avatar
DANINROY
  • MEMBER
  • 24 POSTS
no spark at all now, so wont start at all.was running and just quit last time she was out
Jul 10, 2013 at 11:47 AM
Avatar
CJ MEDEVAC
  • CERTIFIED EXPERT
  • 11,004 POSTS



WE ARE NOW GONNA "BYPASS" THE IGNITION SYSTEM

............THIS WILL TELL US IF IT WILL RUN......AND WILL TELL US IF IT'S IN THE WIRING (OR COMPONENTS ALONG THE WAY)

SO.........IF ALL THE OTHER STUFF UNDER THE HOOD IS OK.....THIS WILL MAKE IT RUN

...........HOWEVER, TO MAKE IT STOP, YOU WILL HAVE TO DISCONNECT THE JUMPER AT THE BATTERY

YOU WILL STILL TURN THE KEY TO MAKE IT TURN OVER!

DO PIC 1

THE FUSE IN MY JUMPER IS "SHORT PROTECTION"........I LIKE TO PLAY IT SAFE!

THE REASON I COMPLETELY REMOVE THE COIL CAP IS TO GET RID OF ANY PROBLEM BACK TOWARDS THE KEY

WE WILL BE RUNNING OFF OF THE BATTERY/ COIL/ DISTRIBUTOR/ AND IGNITION MODULE (IF IT IS GOOD-IF IT GETS IT'S OWN POWER)

DON'T FRET IF THIS DON'T WORK----I CAN KEEP DIAGNOSING FOREVER!
.
.
.

LET'S TRY THIS IF WE DON'T HAVE POSITIVE RESULTS WITH THE IGNITION BYPASS

...............................OFF TO A POPULAR AUTO PARTS STORE, YOU GO....THEY USUALLY WILL TEST THESE FOR FREE

LETS WATCH AND SEE IF THEY HOOK UP RIGHT (IF YOU KINDA CAN READ THE CHART THEY ARE READING)

THEN HAVE THEM TEST IT 5-8 TIMES (THIS WILL WARM IT UP) SHOULD IT FAIL THE LAST FEW TESTS.....('COURSE THEY'LL SAY ONE TIME IS FINE....IT'S NOT!!!!)....AND YOU MIGHT SUFFER...NOT THEM!......SO MAKE 'EM DO IT!

WHAT IF IT FAILS?.............YES, REPLACE IT!

AS YOU PUT YOU HAND ON THEIR DOOR HANDLE TO LEAVE, WITH YOUR NEW ONE............

TURN YOUR BUTT RIGHT AROUND, GO BACK TO THE COUNTER, AND HAVE THEM TEST "THEIR" NEW ONE 5-8 TIMES.

WHY????

THERE'S NOTHING LIKE TEARING YOUR ENTIRE JEEP CJ 5 DOWN (EVEN THE WIRING) FOR 2 DAYS, TEARING YOUR HAIR OUT!.........BECAUSE, IT WILL NOT START!!! .......THEN YOU TAKE THE BRAND NEW, UNTESTED MODULE, BACK TO THE STORE, ONLY TO FIND OUT.....IT TOO, WAS BAD!......................................BEEN THERE, DONE THAT......ONLY ONCE!

BELOW IS A PIC OF THE TESTER AT ADVANCE AUTO......THE CORRECT PIG-TAIL(S) TO TEST YOURS IS RIGHT BESIDE THE MACHINE (I PUT THEM THERE!)

PIC 1) TEST THIS WAY

PICS 2 AND 3) THIS WAY LEAVES THE WIRES TO THE IGNITION SWITCH "IN" THE EQUATION....IF THERE IS A DEAD SHORT ALONG THE WAY.....IT'LL GROUND OUT OUR BYPASS ATTEMPT TOO....SO DO IT THE OTHER WAY (PIC 1).............................DOING IT THIS WAY (PICS 2 AND 3) YOU SHOULD BE USING THE FUSE IN THE JUMPER, FOR SURE!

PICS 4 AND 5) THIS IS THE MODULE TESTER AT ADVANCE AUTO PARTS........IS THIS A STORE NEAR YOU?

PIC 6) SOME OF MY CJ MANUALS

SEE THIS LINK........"A124" WAS WORKING TODAY!.......I HAVE NO CLUE WHEN IT WILL EXPIRE, IT'S WORKED FOR QUITE SOME TIME NOW!

https://www.2carpros.com/questions/2001-dodge-neon-milage-just-want-put-fliuds-their-locations

SORRY IT TOOK ME SO LONG.....IT'S 23:50 HRS EST RIGHT NOW....I'VE BEEN BUSY ALL DAY........I ALWAYS TAKE CARE OF THE JEEP GUYS (ONE'S WITH A FOLD DOWN WINDSHIELD ANYWAY).....DON'T THINK I'M ABANDONING YOU!

REMEMBER....I'M ATTEMPTING TO TRANSLATE "CJ" INTO "WRANGLER" THE BEST I CAN

AS YOU CAN SEE, I HAVE MEGA HOME-MADE PICS AND LITERATURE

THE MEDIC


Jul 10, 2013 at 9:11 PM
Avatar
CJ MEDEVAC
  • CERTIFIED EXPERT
  • 11,004 POSTS
PICS 4 AND 5 WERE TAKEN WITH MY CANON EOS REBEL.......THEY JUST WON'T POST IN THIS "NEWLY REMODELLED" 2CARPROS SITE (THEY WORKED BEFORE).....I TRIED 4 TIMES....GONNA HAVE TO EMAIL "HIGHER UP" TO SEE WHAT'S WRONG

I'M POSTING PIC 6.........SEEMS THE KODAK EZ SHARE CHEAP CAMERA PICS WORK JUST FINE!

THE MEDIC
Jul 10, 2013 at 9:31 PM
Avatar
CJ MEDEVAC
  • CERTIFIED EXPERT
  • 11,004 POSTS


I JUST LOOKED FOR THE AUTOZONE COIL

CANNOT FIND IT

LOOK AT AUTOZONE.COM, PUNCH IN YOUR INFO.....THEY SHOW 3 COILS......NONE WITH THAT NUMBER

2 HAVE LIFETIME WARRANTY'S

MAYBE THIS IS YOUR PROBLEM......RESISTANCE WIRE IN YOUR SYSTEM....NEED COIL WITHOUT INTERNAL RESISTOR

IN OTHER WORDS, YOU MAY NOW HAVE "DOUBLE THE RESISTANCE" IF YOU HAVE THE WRONG COIL

WITH YOUR KEY "ON"......YOU SHOULD NOT HAVE BATTERY VOLTAGE AT THE COIL....IT SHOULD BE REDUCED....LIKE 6-8 VOLTS

DIFFERENT SYSTEMS (IN JEEPS TOO) REDUCE THE VOLTS TO THE COIL

1) MY 1946 WILLYS HAS POINTS...IT USES A BALLAST RESISTOR....AND A COIL LIKE IN MY PIC (NO INTERNAL RESISTOR (THE BALLAST RESISTOR IS THE REDUCTION

2) MY 1977 C 5 (CURRENT EVERYDAY DRIVER) "HAD" PRESTO-LITE IGNITION THE COIL HAD A RESISTOR MADE INTO IT

2a) I HAVE SINCE GOTTEN RID OF THE CRAPPY PRESTO-LITE SYSTEM....WHICH MEANT I HAD TO REPLACE THE DISTRIBUTOR AND IGN MODULE AND DO SOME SIMPLE RE-WIRING.....IT NOW HAS A "MOTORCRAFT" (LIKE IN A 1979-YOURS).......SINCE IT ORIGINALLY DID NOT HAVE A "RESISTANCE WIRE" (LIKE 1979 0N UP).....I ADDED A "BALLAST RESISTOR" (TO TAKE THE RESISTANCE WIRES PLACE)...............I DID THIS SO THAT ALL 1979 IGNITION PARTS WOULD BE EZ TO OBTAIN WHEN THEY NEED REPLACING (NO-MIS MATCHING COILS....IT'D BE LIKE AN OEM 1979)........THE ONLY THING DIFFERENT FROM THE 1979 AND THAN THE '77 IS THE BALLAST RESISTOR I ADDED

3) 1979 ON UP HAS A WIRE (A WIRE WITH RESISTANCE) (SEE DIAGRAM...THIS IS HOW I UPGRADED MY '77) THE COIL DOES NOT HAVE A RESISTOR IN IT..........IF IT DID (LIKE USING A '77 OEM COIL) THE RESISTANCE WOULD SORTA DOUBLE OR EXPONENTIALLY MULTIPLY (I'M NOT AN ELECTRONICS WHIZ) SO ....BASICALLY, YOU WOULD HAVE TOO LOW OF VOLTAGE TO RUN THE COIL

......................WELL, I JUMPED OUTTA BED TO WRITE THIS (IT JUST SORTA "HIT ME")....................I RECKON I SHOULDA CHECKED OUT YOUR COIL NUMBERS 1ST...... BEFORE SHOWING YOU ALL OF THE BYPASS STUFF

I CARRY A DECENT TOOL SET (IN A 4" TALL BOX I BUILT UNDER MY BACK SEAT)......A FUEL PUMP....AN IGNITION MODULE....AND A COIL IN MY CONSOLE. THESE ARE EZ TO REPLACE PARTS THAT HAVE LEFT ME ON THE SIDE OF THE ROAD............NOW THAT I HAVE THEM, I HAVEN'T NEEDED THEM.....................BUT 2 OTHER CJs I RAN ACROSS WERE REALLY HAPPY HAPPY HAPPY, WHEN I "SOLD" AND "INSTALLED" THE FUEL PUMP ON ONE........THE IGN MODULE ON THE OTHER

I'M BETTING ON THE WRONG COIL THEORY !!!!!!!!!!!!!!!!!!!!!

YOUR TURN.....IT'S NOW 01:35 EST........GOTTA WORK 10:00-18:00 LATER TODAY!

THE MEDIC



Jul 10, 2013 at 10:36 PM
Avatar
DANINROY
  • MEMBER
  • 24 POSTS
tried test no start and checked coil no spark, also checked coil it does say external resistor,
Jul 11, 2013 at 11:58 AM
Avatar
CJ MEDEVAC
  • CERTIFIED EXPERT
  • 11,004 POSTS


'JU TAKE MR. MODULE TO AN AUTO PARTS STORE FOR MULTIPLE TEST RUNS?

I'D LIKE TO KNOW HOW THAT IS GOING ......................BEFORE WE ATTEMPT SOME PROBING INTO THE WIRING TO SEE WHAT WORKS ...............AND WHAT DON'T (I DON'T LIKE BACK-TRACKING)

IF YOU DID THE BYPASS TEST CORRECTLY

THEN................THIS STUFF IS WHAT MUST BE CHECKED OUT........ THE BATTERY/ COIL/ DISTRIBUTOR/ AND IGNITION MODULE (IF IT IS GOOD-IF IT GETS IT'S OWN POWER)......BECAUSE IT SHOULDA RUN, IF THESE ITEMS WERE WORKING

WE WILL GET TO DOING MORE TESTING WHEN WE GET RESULTS ABOUT THE IGNITION MODULE.......I'VE BOUGHT, AND SEEN OTHERS WHO HAVE......GET A BAD ONE RIGHT OUT OF THE BOX

STILL NO WORD ON WHETHER "ADVANCE AUTO PARTS" IS A NEIGHBORHOOD STORE FOR YOU?

EMISSION TESTING

PART OF COUNTRY YOU ARE IN

RESULTS OF DISTRIBUTOR TESTS (LAST REPLY ON PAGE 1)??

ANY PROBLEMS WITH MY TESTS/ EXPLANATIONS?

ARE WE STILL JEEP BUDDIES, EVEN THOUGH YOU ARE NOT FIXED YET?

A YOUNG JEEP PAL OF MINE (COLLEGE STUDENT WITH A '81 CJ 5) HAS BEEN LEARNING HOW TO FIX HIS, AT MY HOUSE......HE WAS JEALOUS OF MY M-416 ARMY JEEP TRAILER (1ST PIC), SO HE FOUND AND BOUGHT A 1946 "SPEN" TRAILER TO PULL BEHIND HIS JEEP (2ND PIC)............I LET HIM DRIVE "WILLY" WHEN WE WENT ON AN ERRAND.............HE FELL IN LOVE WITH HIM! (WHO WOULDN'T?)......NOW HE SAYS HE'S GOTTA HAVE A WILLYS TOO!.....HIS JEEP AND "WILLY" IN THESE NEXT PICS

THE MEDIC
Jul 11, 2013 at 5:15 PM
Avatar
DANINROY
  • MEMBER
  • 24 POSTS
sorry yes . I have multiple advances in area my son used autozone , not a personal pref. too many bad parts there for me. Distrib. test was good,followed other test per your pics , did follow to a T. Live in Pa . we do have Emmisions some lite,asw far as your test very nice love the pics makes what you say understandable , new ICM tested 3 rd try bad, they are ordering anew one for me , this is ICM # 2 from them 1 Week thinking of short in that area no bad looking wires thou Thanks again for the help, just eager to let son drive me around in it, and love that willy jeep.
Jul 12, 2013 at 10:56 AM
Avatar
CJ MEDEVAC
  • CERTIFIED EXPERT
  • 11,004 POSTS


ANYWHERE CLOSE TO DERRY, PA?

DID YOU UNDERSTAND HOW THIS WORKS AT ADVANCE?

https://www.2carpros.com/questions/2001-dodge-neon-milage-just-want-put-fliuds-their-locations

I JUST NOW USED "A124" FOR A SET OF WIPER BLADES AND 2 CANS OF VINYL SPRAY PAINT.....MY SUB-TOTAL WAS $33.16......I INSTALLED "A124"....TAX AND ALL, IT DROPPED IT TO $24.55............WHEN I FINISH WRITING TO YOU, I'M GONNA PICK IT UP!

'MEMBER, THIS CODE TAKES $10 OFF OF "OVER 30"---$25 OFF OF "OVER 70"---$40 OFF OF OVER 110)...............AFTER YOU MAX AT THAT POINT, AND NEED MORE STUFF.......START A NEW ORDER!

PLAYING A LITTLE "MUSICAL CHAIRS" WITH YOUR ITEMS WILL LET YOU GET THE MOST FOR YOUR $$$s!

ALSO MEMBER TO TEST THE NEW INCOMING ONE.............IF, IT'S BAD......'NUTHER STORE, 'NUTHER BRAND!..............DON'T FRET, YOU ARE NOT THE 1ST......DIS HAPPENED TO ME LONG TIME AGO, G.I. !!!!.........SPENT LONG TIME CHASIN' MY TAIL/ TEARING INTO MY JEEP'S WIRING......YOU WERE ABLE TO GET INSIDER INFO!

REMOVE BREATHER AND "TIN FOIL" OVER YOUR CARB THROAT

CLEAN YOUR ENGINE PURPLE POWER....LET IT SIT 10 MINUTES--RINSE WITH PRESSURE NOZZLE ON GARDEN HOSE.......2ND GO 'ROUND---USE THE PURPLE POWER AGAIN....USE TOOTH BRUSH ON STUBBORN STUFF....................KEEP IT OFF OF YOUR EXTERIOR PAINT, IF IT GETS ON IT, RINSE IT SOON.............EVERYTHING ELSE UNDER THE HOOD IS "FAIR GAME"

BE PREPARED TO REMOVE THE DISTRIBUTOR CAP AND WIPE OUT ANY WATER WITH A RAG/ PAPER TOWEL

THIS WILL MAKE MESSING WITH IT MORE ENJOYABLE, AND HAVE CLEANER HANDS

ONCE YOU ARE RUNNING.......I'LL GO INTO TUNING!

YOU WILL NEED A "TACH/ DWELL METER" AND A "PLAIN JANE" TIMING LIGHT

NOW-A-DAYS........YOU CAN FIND THEM CHEAP AT PAWN SHOPS.....SOME HAVE NO CLUE AS TO WHAT THEY ARE!

MY PAL GOT THIS WHOLE "LITTLE SET" (WORKS FINE) A FEW YEARS BACK AT "HARBOR FREIGHT", IT WAS ABOUT $40, USING THE PART NUMBER, YOU MAY BE ABLE TO FIND IT ON THE NET

KEEP ME INFORMED ON PROGRESS

THE MEDIC
Jul 12, 2013 at 11:45 AM
Avatar
DANINROY
  • MEMBER
  • 24 POSTS
Question looked at your diagram from last message the wire one sorry, and notticed the orange , purple , green and black that connect to the Ignition controll module mine only has light green, black and dark green the module has black green orange and purple the purple slot out is blank no wire, the green wire which would be the orange from the module has another wire connected to it
seems something is a miss or is this normal, sending a pic let me know if it seem like someone moved something on me and one more thing, could my ignition switch be causing my module to short ? or am my that lucky. put old modulein started ran rough then shut down an would not start after that . Your turn
Jul 15, 2013 at 2:17 PM
Avatar
DANINROY
  • MEMBER
  • 24 POSTS
also did not find a ballast resistor ?
Jul 15, 2013 at 2:24 PM
Avatar
CJ MEDEVAC
  • CERTIFIED EXPERT
  • 11,004 POSTS


ALL RIGHTY THEN

'MEMBER I SAID THAT WAS FOR A '79 IT HAS A "RESISTANCE WIRE" FOR THE MOTORCRAFT IGN SYSTEM

MY '77 DID NOT HAVE THE RESISTANCE WIRE WITH A "PRSTOLITE IGN SYSTEM", WHEN I "UPGRADED" TO MOTORCRAFT, I HAD TO ADD RESISTANCE......I DID THIS BY ADDING A BALLAST RESISTOR TO TAKE THE PLACE OF THE "NON-EXISTENT" RESISTANCE WIRE

THE 1ST DIAGRAM I THREW YOU IS SORTA WHAT THE "NUTTER BYPASS" DOES---IT TAKES THE IGNITION OUT OF THE COMPUTER (SO THE COMPUTER CANNOT AFFECT IT) AND MAKES THE IGN SYSTEM "MORE BACK" TO AN EARLIER COMPUTER-LESS SYSTEM....MUCH LIKE THE 1979
.
.
.
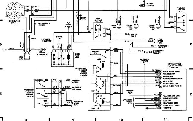
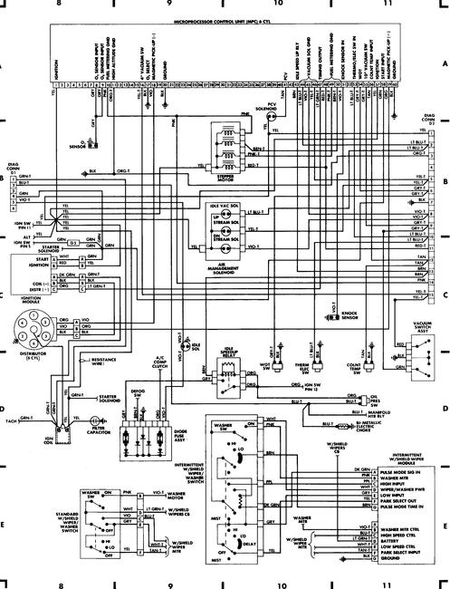
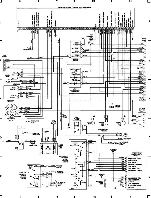
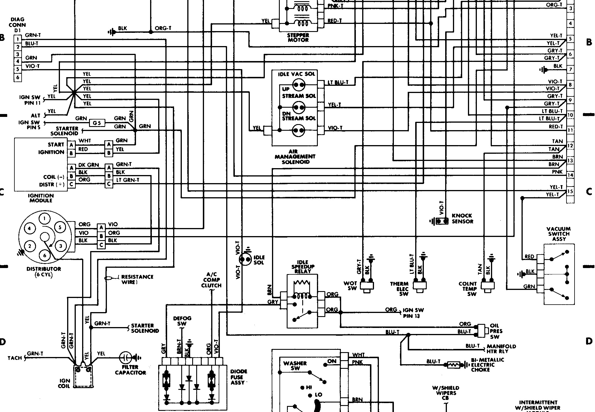
THIS DIAGRAM BELOW IS THE WIRING DIAGRAM FOR A "PLAIN JANE" '88 WRANGLER....LEMME KNOW IF YOURS IS A "LARADO", "S", OR A "SAHARA"............THE DIAGRAMS MAY BE THE SAME, OR THEY COULD DIFFER

NOTICE OVER NEXT TO THE DISTRIBUTOR.........YOU WILL SEE THE RESISTANCE WIRE

IF IT HAS NOT BEEN TAMPERED WITH OR REPLACED WITH A REGULAR WIRE, WITH THE "KEY ON", VOLTAGE TO THE POSITIVE SIDE OF THE COIL WILL BE REDUCED.....IT WILL NOT BE EQUAL TO THE BATTERY VOLTAGE

SINCE I HAVE NO OTHER WAY TO SEND YOU THESE DIAGRAMS

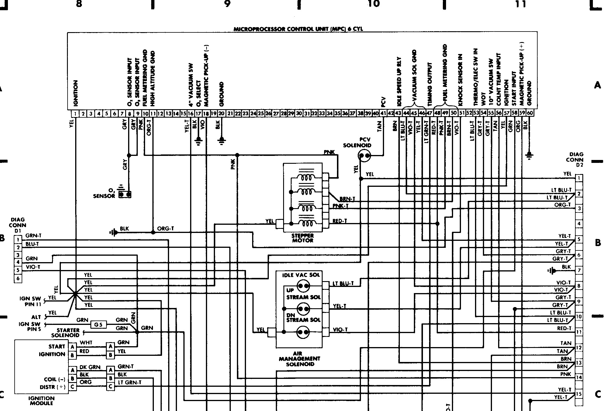
I KNOW IT MUST BE HARD TO READ (I'M USING A 32" FLATSCREEN AS A MONITOR, IT IS NOT AS EZ ON 2CAR, AS THE DOWNLOAD IN "MY PICTURES")...........IF YOU WANT ME TO, I CAN "CROP" THE DIAGRAM 2 WAYS AND SUBMIT BOTH HALVES ON 2 CAR TO MAKE THEM BIGGER

DOES THIS DIAGRAM HELP?

WIRE COLORS ARE LABELED

IT'S NAMED "COMPUTER ENGINE (6 CYL)", IN MITCHELL I


THE MEDIC
Jul 15, 2013 at 3:45 PM
Avatar
DANINROY
  • MEMBER
  • 24 POSTS
If You could crop an lil bigger would be great if no trouble really apprieciate the help, but could the ignition switch be my problem, and also as you stated again when I tested my coil I did get 12 amp on the pos side. is there something I should look for
Jul 16, 2013 at 1:18 PM
Avatar
CJ MEDEVAC
  • CERTIFIED EXPERT
  • 11,004 POSTS


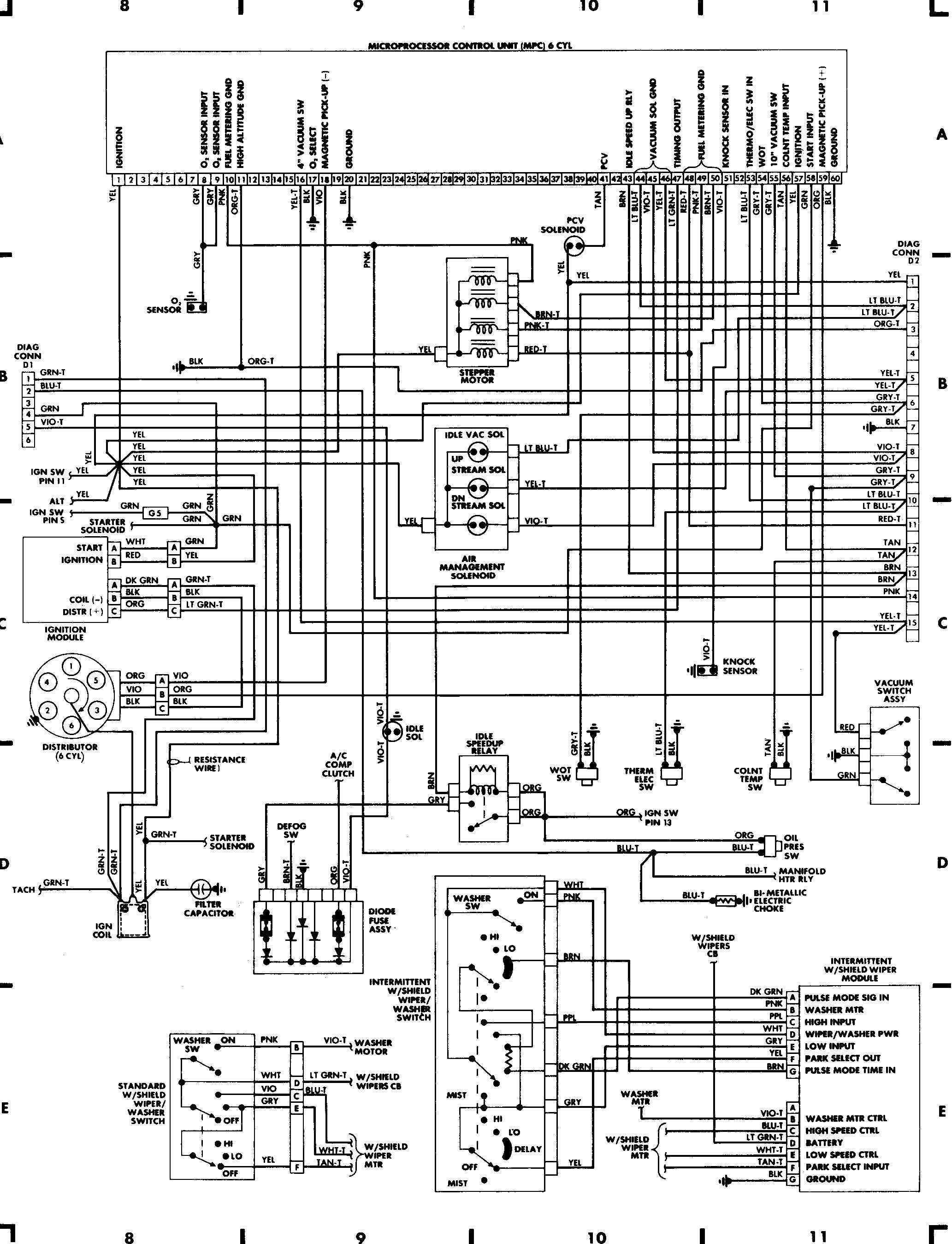
LOOK AT THE DIAGRAMS.....RESISTANCE WIRE GOES TO THE COIL

HAS THAT WIRE BEEN CUT/ SPLICED/ REPLACED????

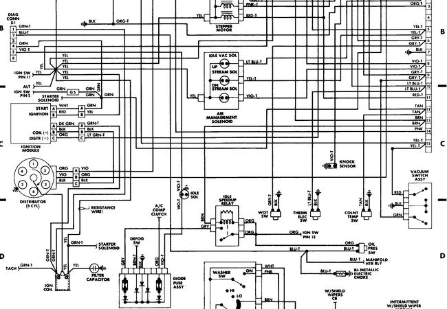
I CROPPED THE SAME DIAGRAM 3 WAYS......TOP HALF...BOTTOM HALF....AND THE MIDDLE

IF THE IGNITION SWITCH WAS THE PROBLEM.........PAGE 2, JULY 10, TEST AT COIL WOULDA MADE IT RUN

ARE YOU SURE YOU PERFORMED THE TEST RIGHT?......DID YOU HAVE GOOD CONNECTIONS WITH THE JUMPER WIRES?

POS BATTERY TO POSITIVE COIL STUD......NEGATIVE ON COIL CAP WENT TO NEG ON COIL

DOING THIS BYPASSES THE IGNITION SWITCH

......................YOU DID THIS TEST WITH A "BAD" IGNITION MODULE INSTALLED????

LET'S DO IT AGAIN !!!!!!!

THE MEDIC
Jul 16, 2013 at 7:45 PM
Avatar
DANINROY
  • MEMBER
  • 24 POSTS
Yes the the wires have a splice on them , the capacitor/ condensor whatever its call is not cut though still has a plug. not sure if ICM was bad will try test again.
Jul 17, 2013 at 9:34 AM
Avatar
CJ MEDEVAC
  • CERTIFIED EXPERT
  • 11,004 POSTS


VERIFY THIS

THE MEDIC
Jul 17, 2013 at 11:17 AM
Avatar
CJ MEDEVAC
  • CERTIFIED EXPERT
  • 11,004 POSTS


OK.....LEFT OUT THE "L" IN SPLICE

RE-DID IT!

THE MEDIC
Jul 17, 2013 at 1:11 PM
Avatar
DANINROY
  • MEMBER
  • 24 POSTS
Ok re tested no luck battery starting to die going to put on charger, wire out of harness followed it , it comes from pos term on dist connects to capacitor, then to a wire that goes to soleniod, is red at this piont goes up firewall and connects to about 4 yellow wires and a olive colored wire which goes back toward soleniod the yellow wires 2 to a plug which is not plugged and other too didnt follow back. I got ahold of previous owner he said when had vehicle only trouble he had was would run then shut off by its self and would let set and start up and do it all over, ended up being the capacitor he said, I have one but battery is low so cant try it.
Jul 17, 2013 at 2:56 PM
Avatar
CJ MEDEVAC
  • CERTIFIED EXPERT
  • 11,004 POSTS



SOUNDS LIKE SOMEONE HAS PLAYED MUSICAL WIRES WITH THIS POOR BABY!

YOU ARE GONNA HATE ME!

LET'S GET THIS "NEW" IGN MODULE TESTED.....AGAIN

IF IT IS NOW BAD, WE ARE GONNA ASSUME THAT THE "MIS-WIRING" IS KILLING IT

SEE IF YOU CAN GET ANOTHER (WARRANTY)

MAYBE DON'T TELL 'EM ANY UNNECESSARY INFO.....MAYBE SEEK OUT THE PARTS GUY YOU HAVEN'T SPILLED YOUR GUTS TO!

I HAVE ASKED SEVERAL TIMES ABOUT DO YOU DO AN ANNUAL EMISSIONS CHECK OR IS YOUR REGION EXCLUDED?

IN THE BEGINNING, YOU MENTIONED IT CUT OFF WHEN IT REACHED 210 DEGREES, IT MIGHT BE WITH THE MESSED UP WIRING, WHEN A SENSOR REACHES TEMP AND "TURNS ON OR OFF" IT KILLS THE IGNITION SYSTEM

I MAY BE ABLE TO SHOW YOU PICS OF MY FRIENDS '88, WHEREAS THE "CRAP" HAS BEEN UNHOOKED (AND TIED OUT OF THE WAY).......SOON WE WILL CHOP IT COMPLETELY OUT..........MY PAL WAS A LITTLE HESITANT IN TAKING IT LOOSE AT 1ST.............HE'S NOW CONVINCED THAT IT DOES RUN SO MUCH BETTER.

WE'VE BEEN SLOWLY GOING OVER HIS, THE PREVIOUS OWNER ADDED A DIFFERENT CARB, WE HAD SOME VACUUM ISSUES, WE HAVE IT TUNED PRETTY DARN GOOD NOW!

ANOTHER FELLER CAME TO SEE ME WITH HIS WRANGLER----HE ORDERED A BRAND NEW CARB THAT I SUGGESTED (ONLY $150!!!) WHEN IT CAME IN, INSTALLED IT, REMOVED THE CRAP.........GOOD TO GO!!!!

MAYBE I CAN GET PICS OF BOTH OF THEM SOON............I NEED TO KNOW IF YOUR END IS ABLE

DO YOU KNOW HOW TO USE "MICROSOFT PAINT"?

IF SO, CAN YOU DRAW IN THE "ADDED"/ "CHANGED" WIRES ON ONE OF THE DIAGRAMS I SENT?

I REALLY TRIED TO FIGURE OUT YOUR WIRE EXPLANATION........THERE IS NO POSITIVE TERMINAL ON THE DISTRIBUTOR??????????????

IF NOTHING ELSE.....DO IT LIKE I DID, BEFORE I LEARNED PAINT......INSURE YOU GET A GOOD PIC THAT I CAN UNDERSTAND!.....SEE THE LAST PIC IN THIS LINK

https://www.2carpros.com/questions/jeep-wrangler-1984-jeep-wrangler-floor-mounted-dimmer-switch

THE MEDIC
Jul 17, 2013 at 4:08 PM
Avatar
DANINROY
  • MEMBER
  • 24 POSTS
Sorry met pos side of coil lol , just getting frustrated, and yes can do on paint will have wifey help.we do have emmissions but usually its exempt because of the mileage on it. tried test on coil again too with key on 12 volts when I crank engine 11 volts. as far as the ICM can do never mentioned having wire trouble so they think its on there end also can go to different store.
Jul 17, 2013 at 5:30 PM
Avatar
DANINROY
  • MEMBER
  • 24 POSTS
first pic of coil with jerry wire connects, second pic of the grnd side of coil wire goes to harness and is attached there 3 rd pic is where pos side of coil wire goes after connecting to soleniod up fire wall center of engine connecs to these yellow wires and one yellow goes to CM other to comp and another to a plug as seen in 4 th pic not used
Jul 17, 2013 at 5:53 PM
Avatar
CJ MEDEVAC
  • CERTIFIED EXPERT
  • 11,004 POSTS


YES....I'VE GOT ABOUT 2.5 HOURS IN THIS ANSWER......I SEE YOU HAVE BEEN ANSWERING BEFORE I SUBMITTED THIS

IS THIS WHAT YOUR IGNITION MODULE LOOKS LIKE?

BE SURE TO LOOK AT THE OTHER VIEWS UNDER THE IMAGE

http://shop.advanceautoparts.com/webapp/wcs/stores/servlet/product_ignition-control-module-bwd_3051277-p?searchTerm=ignition+module%2Fcontrol#

YOU ALSO SAID THE "MYSTERY WIRE" RAN TO THE SOLENOID........WHERE ON THE SOLENOID?......IS THIS THE SOLENOID YOU ARE TALKING ABOUT?

http://shop.advanceautoparts.com/webapp/wcs/stores/servlet/product_starter-solenoid-bwd_3993949-p?searchTerm=solenoid

IF YOU "HAVE" TO BUY PARTS, REMEMBER PAGE 2 AND "A124"

I REALLY WANNA SEE WHAT YOU CHANGE ON THE WIRING DIAGRAM IN "PAINT"

.................BEFORE I START TELLING YOU WHAT TO CHANGE

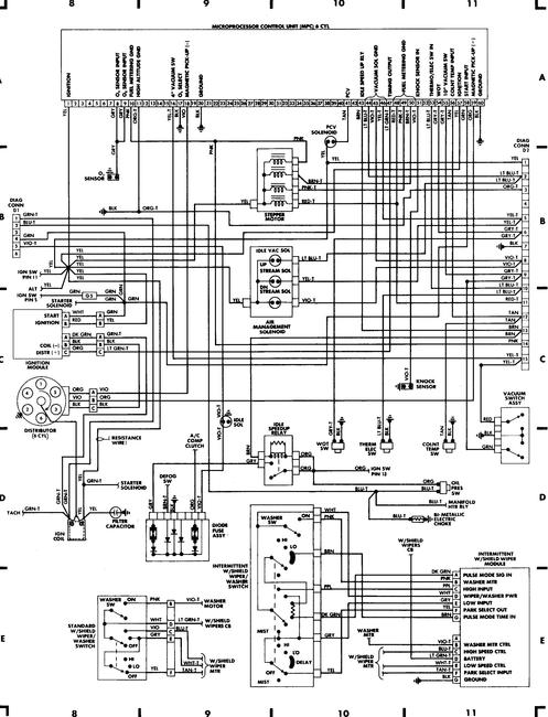
HERE'S THE FULL DIAGRAM AGAIN, SAVE IT IN YOUR PICS, TAKE IT TO PAINT...........I JUST CHANGED IT FROM "GIF" TO "JPEG" FORMAT IN MY "PAINT"

IF WE GET 'ER DONE CORRECTLY.....IT WILL BE WORTH THE WAIT!

YOUR INFO IS MOST HELPFUL!

I'M STILL COLLECTING INFO ON WHAT WE ARE STARTING OUT WITH.......TRACE THIS GREEN WIRE FOR ME IN THE PIC BELOW......INSURE YOU BEGIN AT THE "CORRECT" GREEN ONE AT THE MODULE........I WANNA KNOW WHERE IT ENDS UP ON THE JEEP (NOT NECESSARILY THE WAY IT IS IN MY DIAGRAM)

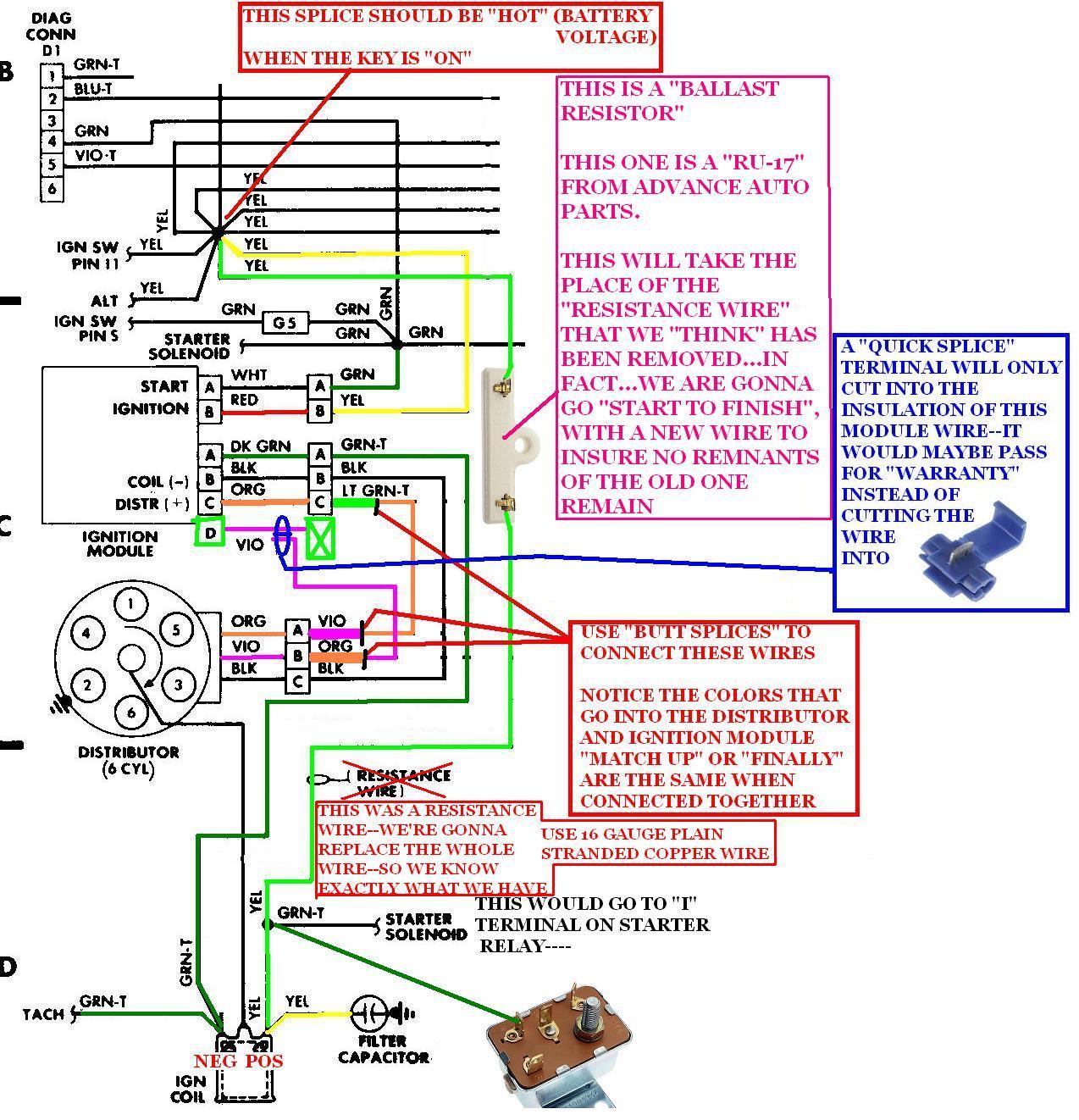
I FEEL THAT WE WILL END UP DOING THE COMPUTER BYPASS AND MAKING THIS MUCH LIKE A 1979

LEMME GET ALL OF THIS TOGETHER.......IT'S MUCH EZer TO DO THIS WHEN YOU CAN SEE/ TOUCH........I REALLY FEEL GOOD WHEN I FIX SOMETHING OVER THE WIRES!

I WAITED 2 YEARS, BEFORE I GOT WILLY ROADWORTHY! DISREGARD THE SUBJECT IN THIS LINK.....THERE ARE A FEW PICS (OF MANY) OF "WILLY", GETTING UNDER WAY

https://www.2carpros.com/questions/1996-chevrolet-s-10-humming-grinding-sound-rear-end

THE MEDIC
Jul 17, 2013 at 7:46 PM
Avatar
DANINROY
  • MEMBER
  • 24 POSTS
Yes that is the same ICM and no the thing I have been calling a soleniod is mounted on the firewall by the battery bet its really called the starter relay
Jul 18, 2013 at 6:37 AM
Avatar
CJ MEDEVAC
  • CERTIFIED EXPERT
  • 11,004 POSTS


OK........

I KNOW HOW FRUSTRATED YOU MAY BE

HOW'S ABOUT A LITTLE "REWIRING"?

DO YOU KNOW HOW TO "BUTT-SPLICE" WIRES AND ELIMINATE THOSE CRAPPY LOOKING WIRE NUTS......HAVE THE NECESSARY TOOLS?

............NOT YET!.............WE MAY BE DOING SOME REWIRING

I'VE SPENT SOME TIME WORKIN' ON A DIAGRAM FOR YOU

IT WILL REQUIRE SOME TRACING OF WIRES AND YOU MUST GET IT RIGHT!.......I'LL SEND IT IF/ WHEN YOU ARE READY.......I WANT YOU TO LOOK IT OVER GOOD AND RESPOND BACK, BEFORE YOU JUMP ON IT!

ASK QUESTIONS!!!........IF NEED-BE!

THIS WILL ELIMINATE THE COMPUTER CONTROLLING THE IGNITION.....COMPUTER WILL BASICALLY BECOME A "BRICK" IN YOU JEEP

SEND ANSWERS BACK TO MY QUESTIONS

DO YOU KNOW WHAT THIS THING IS IN THE PIC BELOW?.......DO YOU KNOW HOW TO INSTALL ONE?

THE MEDIC
Jul 18, 2013 at 7:36 PM
Avatar
CJ MEDEVAC
  • CERTIFIED EXPERT
  • 11,004 POSTS


THIS IS A "STARTER RELAY"........IS THIS THE ONE YOU HAVE?

THE MEDIC
Jul 18, 2013 at 7:55 PM
Avatar
DANINROY
  • MEMBER
  • 24 POSTS
yes have some of those wire clips, and yes that is exactly the one I have , will start on fixing wires first and wait for your next input.
Jul 19, 2013 at 6:18 AM
Avatar
CJ MEDEVAC
  • CERTIFIED EXPERT
  • 11,004 POSTS


I DO MAKE MISTAKES!

I LOOKED THIS OVER SEVERAL TIMES....I'LL SUBMIT IT NOW

BE SURE OF THIS BEFORE YOU DO IT.....ASK QUESTIONS 1ST....CUT LATER!

IT LOOKS GOOD IN "MY PICTURES" AND ON MY 32" MONITOR/ FLAT-SCREEN TV

IT MAY BE HARD TO READ ON 2 CAR---LEMME KNOW---I MAY CAN BUST IT IN HALF OR QUARTERS.....TOO BAD I JUST CAN'T EMAIL IT TO YA.........WE USED TO BE ABLE TO 'MESSAGE" OUR QUESTION ASKERS AND KEEP EMAIL ADDRESSES CONFIDENTIAL

LOOK OVER THE DISTRIBUTOR AND IGNITION MODULE

THE WIRE COLORS COMING OUT OF EACH ONE SHOULD EVENTUALLY END UP BEING THE SAME GOING INTO THE OTHER

..............SO I DON'T CARE WHAT COLOR IS IN BETWEEN AS LONG AS THE END UP THE SAME!

CASE IN POINT

THE ORANGE WIRE COMING COMING OUT OF THE IGN MODULE IS "ORANGE" (C)---IT GOES INTO THE CONNECTOR (C) AND THE SAME WIRE TURNS "GREEN"......................I THEN PUT IN A ORANGE ONE.......(IT DON'T MATTER WHAT YOU DO...AS LONG AS IT ENDS UP "ORANGE" AT THE DISTRIBUTOR [A]) ...................................UNDERSTAND?

WIRING TO THIS CONFIGURATION MAKES IT MUCH LIKE A SIMPLE 1979........THE COMPUTER IS NO LONGER IN THE MIX!

THE MEDIC
Jul 19, 2013 at 10:44 AM