Reduced engine power?

2007 CHEVROLET SILVERADO
110,000 MILES • 5.3L • V8 • 4WD • AUTOMATIC
Advertisement
Avatar
JACOBANDNICKOLAS
  • CERTIFIED EXPERT
  • 110,175 POSTS
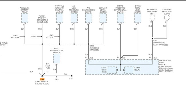
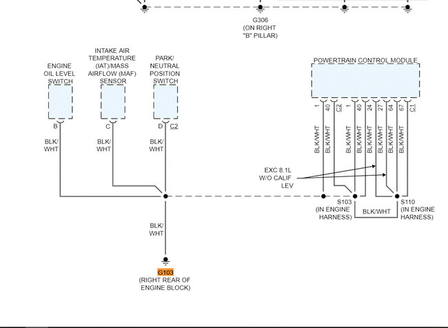
I attached two pics below from the grounding schematic. Let me know if it helps.

Joe
Sep 10, 2020 at 12:59 PM (Merged)
Avatar
CHUCK903
  • MEMBER
  • 2 POSTS
Yes, check engine light is on, and I believe the code it throws is P1516.
Sep 10, 2020 at 12:59 PM (Merged)
Advertisement
Avatar
ASEMASTER6371
  • CERTIFIED EXPERT
  • 52,796 POSTS
Okay.

1516

CIRCUIT DESCRIPTION
The predicted throttle position (TP), based on accelerator pedal position (APP) and other limiting factors, is compared to the actual throttle position. The two values should be within a calibrated range of each other. Both the powertrain control module (PCM) and the throttle actuator control (TAC) module redundantly monitor the predicted and actual throttle position. This DTC sets if the PCM detects an out of range condition between the predicted and actual throttle position.

CONDITIONS FOR RUNNING THE DTC
- DTC P1518 is not set.
- The ignition switch is in the crank or run position.
- The ignition voltage is more than 5.23 volts.
- The TAC system is not in the battery saver mode.

CONDITIONS FOR SETTING THE DTC
- The TAC module detects that the predicted and the actual throttle positions are not within a calibrated range of each other.
- The PCM and the TAC cannot determine the throttle position.
- Both of the TP sensors are invalid.
- All of the above conditions are met for more than 1 second.

ACTION TAKEN WHEN THE DTC SETS
- The PCM illuminates the malfunction indicator lamp (MIL) when the diagnostic runs and fails.
- The PCM records the operating conditions at the time the diagnostic fails. The PCM stores this information in the Freeze Frame and/or the Failure Records.
- The PCM commands the TAC system to operate in the Reduced Engine Power mode.

OR

- Under certain conditions the PCM commands the engine OFF.
- The message center displays Reduced Engine Power.

CONDITIONS FOR CLEARING THE MIL/DTC
- The PCM turns OFF the malfunction indicator lamp (MIL) after 3 consecutive ignition cycles that the diagnostic runs and does not fail.
- A current DTC, Last Test Failed, clears when the diagnostic runs and passes.
- A history DTC clears after 40 consecutive warm-up cycles, if no failures are reported by this or any other emission related diagnostic.
- Clear the MIL and the DTC with a scan tool.

DIAGNOSTIC AIDS
- Inspect the TAC module connectors for signs of water intrusion. If water intrusion occurs, multiple DTCs may set without any circuit or component conditions found during diagnostic testing.
- Verify that the starting and charging systems are operating properly. Low system voltage can cause this DTC to set.
- When the TAC module detects a condition within the TAC system, more than 1 TAC system related DTC may set. This is due to the many redundant tests run continuously on this system. Locating and repairing an individual condition may correct more than 1 DTC. Disconnecting components during testing may set additional DTCs. Remember this if you review the stored information in Capture Info.
- For an intermittent, refer to Intermittent Conditions. See: Computers and Control Systems > Initial Inspection and Diagnostic Overview > Intermittent Conditions

TEST DESCRIPTION

Steps 1-5
imageZoom/Print


Steps 6-8
imageZoom/Print

Steps 9-13
imageZoom/Print

Steps 14-18
imageZoom/Print


The numbers below refer to the step numbers on the diagnostic table.
7. If the TP indicated angle does not follow the movement of the throttle blade and no TP sensor DTCs are set, there is a mechanical condition with the throttle shaft or the TP sensor.
18. Locating and repairing an individual condition may correct more than 1 DTC.
Sep 10, 2020 at 12:59 PM (Merged)
Avatar
TERRY BUNCH
  • MEMBER
  • 1 POST
I believe transmission is stuck in limp mode. Takes off in second or third. No overdrive. sixty five mph 3,000 rpm's. Reverse is fine. Can be manually shifted down to first or second. But will only go into second. Funny thing is when truck is cold it shifts out. But with a hard second gear shift. It is push button four wheel drive and it is not working. Do not know why. Brake light switch is out also. Where do I start? Please help 2carpros. Speedometer works, tachometer works.
Sep 10, 2020 at 1:00 PM (Merged)
Avatar
STRAILER
  • CERTIFIED EXPERT
  • 53,854 POSTS
Hello,

It sounds like you have a first gear solenoid not working but we should start by running the codes to see whats come up.

https://www.2carpros.com/articles/checking-a-service-engine-soon-or-check-engine-light-on-or-flashing

Here is a guide to help you get the transmission pan off to change the solenoid:

https://www.2carpros.com/articles/how-to-service-an-automatic-transmission

Check out the diagrams (below). Please run this test and get back to us.

Cheers, Ken
Sep 10, 2020 at 1:00 PM (Merged)