Rear noise when I stop

2011 FORD F-150
320,000 MILES • 3.7L • V6 • 2WD • AUTOMATIC
Advertisement
Avatar
DANNY L
  • CERTIFIED EXPERT
  • 5,648 POSTS
Hello, I'm Danny.

I found the driveshaft bearing and support for you at NAPA. It's only $17.00. Picture is below. Hope this helps and thanks for using 2CarPros.
Mar 27, 2020 at 5:00 PM
Avatar
CANNON1349
  • CERTIFIED EXPERT
  • 861 POSTS
Hi Danny,

Thanks for your efforts. But how can you be sure? I thought these shafts were non serviceable? And how would I get it off?
Mar 27, 2020 at 5:58 PM
Advertisement
Avatar
CANNON1349
  • CERTIFIED EXPERT
  • 861 POSTS
I looked through Napa's bearings and they all say they don't fit the 2011 Ford pickup. It say it should fit earlier models of Ford pickups
Mar 27, 2020 at 6:10 PM
Avatar
DANNY L
  • CERTIFIED EXPERT
  • 5,648 POSTS
Hello again.

Yes, Your driveshaft is serviceable. It is a 2-piece design. You will have to have the bearing pressed onto the front shaft.Most auto repair places will have a press.Here is a tutorial showing how to remove a driveshaft:

https://www.2carpros.com/articles/how-to-remove-a-drive-shaft

I've attached a picture below of the 2-piece driveshaft for your Ford truck.I circled the bearing in red.Also attached picture steps for removal.Hope this helps and thanks again for using 2CarPros.
Mar 27, 2020 at 6:13 PM
Avatar
CANNON1349
  • CERTIFIED EXPERT
  • 861 POSTS
If this is serviceable, then why are those bearings from Napa, and other center support parts showing up when they don't fit?
Mar 27, 2020 at 6:28 PM
Avatar
JACOBANDNICKOLAS
  • CERTIFIED EXPERT
  • 110,175 POSTS
If I can jump back in, the part does look correct, but I checked it and it doesn't fit this truck. See attached. I can totally understand why Danny suggested it. It looks like it should work and when you type in what is needed, it shows that bearing. Ugh!!! Nothing is ever easy.

Joe
Mar 27, 2020 at 9:02 PM
Avatar
CANNON1349
  • CERTIFIED EXPERT
  • 861 POSTS
yeah. But now I realize that it is a two piece deal. I read that there was a TSB on Fords where the splines lose their nickel plate coating and they slip or something, perhaps that is what the noise could be, which prompts for a new shaft I believe.
Mar 28, 2020 at 3:34 AM
Avatar
CANNON1349
  • CERTIFIED EXPERT
  • 861 POSTS
Well guess what. I was lowering the truck off the lift from an oil change and was watching the motor and it was "skipping" backwards as it was lowered back onto the ground. Could see the shaft part of the motor mounts move in and out. And, was making a much similar sound.
Mar 28, 2020 at 11:14 AM
Avatar
CANNON1349
  • CERTIFIED EXPERT
  • 861 POSTS
Also had the wife help me. I held on to the side of the truck while she put it in drive and slammed on the brakes, and sure enough I watched the engine slide forward and knock on the driver side engine mount as soon as the truck met a stop. And if it didn't, when put in reverse the passenger side mount would knock.
Mar 28, 2020 at 3:15 PM
Avatar
DANNY L
  • CERTIFIED EXPERT
  • 5,648 POSTS
Hello again.

Looks like you found the problem! Motor mounts. Those are readily available at any auto parts stores... Keep us updated after you replace. Thanks again for using 2CarPros.

Danny-
Mar 28, 2020 at 3:17 PM
Avatar
CANNON1349
  • CERTIFIED EXPERT
  • 861 POSTS
Do you have any tips on doing this with jacks? the manual calls for an engine hoist and removing the intake, etc. and I don't have those big tools.
Mar 28, 2020 at 3:29 PM
Avatar
DANNY L
  • CERTIFIED EXPERT
  • 5,648 POSTS
Hello again.

I would suggest loosening both main mount bolts and just doing 1 side at a time.Try using a floor jack with a piece of wood under the oil pan to lift 1 side high enough to get mount out.After replacing just install bolt but don't tighten.Move to other side and do that one.After both are replaced tighten the 2 main bolts .I've attached a picture below of what it looks like.Hopefully you have enough room to get tools and your hand in there.Hope this helps and thanks again for using 2CarPros.
Mar 28, 2020 at 3:48 PM
Avatar
CANNON1349
  • CERTIFIED EXPERT
  • 861 POSTS
There's a crossmember above the oil pan. What about lifting it where the engine meets the trans? And you would loosen the main bolts Before lifting? and tighten before lowering?
Mar 28, 2020 at 3:51 PM
Avatar
DANNY L
  • CERTIFIED EXPERT
  • 5,648 POSTS
Hello again.

Yes, loosen one bolt and remove the other main bolt through the mount and raise to clear mount.Swap out the mount and tighten to frame.Lower the engine and put in mount bolt don't tighten and move to other side. After lowering down and installing bolt second side,tighten both mount bolts when done. Hope this helps.

Danny-
Mar 28, 2020 at 4:08 PM
Avatar
CANNON1349
  • CERTIFIED EXPERT
  • 861 POSTS
I don't know about this. It looks like the right hand side mount can only come out as one piece with the bracket, and that the A/C compressor has to come off. Is that so? That's a bit much for motor mounts I think. Any tips would be appreciated.
Apr 2, 2020 at 9:42 AM
Avatar
JACOBANDNICKOLAS
  • CERTIFIED EXPERT
  • 110,175 POSTS
Hi,

Honestly I think you have to take the upper intake manifold or it will hit as well. And yes, the compressor needs removed; The engine doesn't need to come up too high but there are things that will stop it. That's why I believe the manifold is an issue.

Danny, are you suggesting that he simply lift the engine enough to get things out? I would think that could be done as long as it's supported while he works. I know the manual calls for an engine support. Other things can be used in place.

Cannon, which cross member are you referring to? Is it the one the transmission is mounted to?

Joe

Apr 2, 2020 at 6:45 PM
Avatar
CANNON1349
  • CERTIFIED EXPERT
  • 861 POSTS
I'm referring to the cross-member below it. Not above. I think it's for the rack. Also, I believe the intake manifold was supposed to come off just for the sake of installing lifting eyes. My main enemy is this air compressor. The left hand side however looks to be a piece of cake...
Apr 2, 2020 at 6:49 PM
Avatar
JACOBANDNICKOLAS
  • CERTIFIED EXPERT
  • 110,175 POSTS
That is very possible. I just remember having to remove one to lift. I think I used a cherry picker (engine hoist) to raise it. Also, you can use a floor jack on the crank pulley but put a 2x4 between the two to lift and be careful. It only had to go up a small amount, maybe 2 inches.

Let us know how it goes or if you have other questions.

Take care,
Joe
Apr 2, 2020 at 7:40 PM
Avatar
CANNON1349
  • CERTIFIED EXPERT
  • 861 POSTS
I've been thinking about it, perhaps the intake needed to come off because the 2 heater hoses going to the core are basically touching it, and it needs to come off to avoid breaking it.

Counter question: If the jack just hold the engine in place instead of lifting it, wouldn't that defeat removing the intake?
Apr 3, 2020 at 8:15 PM
Avatar
JACOBANDNICKOLAS
  • CERTIFIED EXPERT
  • 110,175 POSTS
Hi,

It still will needs to be raised to fully remove the mounts. If you only use a jack, be careful. They can slip easily.

Joe
Apr 3, 2020 at 9:03 PM
Avatar
CANNON1349
  • CERTIFIED EXPERT
  • 861 POSTS
Hey guys. Took the truck to a shop and the ASE master tech said it really feels like the driveshaft splines need to be lubricated with Ford lubricant. He checked the mounts and they didn't move, but he said the engine will jolt forward when the splines get stuck. Apparently there's a TSB out on these.

Also there is a little whine coming from the rear, he believes it to be the bearing on the pinion gear, and to just watch for it to get noticeably louder over time. Is that something you can just take out or does the entire diff have to be rebuilt?
Apr 9, 2020 at 5:47 PM
Avatar
JACOBANDNICKOLAS
  • CERTIFIED EXPERT
  • 110,175 POSTS
Hi,

You can replace the pinion bearings without rebuilding the differential. IF you have the the exact differential in the vehicle, I will provide the directions.

Let me know.

Joe
Apr 9, 2020 at 6:24 PM
Avatar
CANNON1349
  • CERTIFIED EXPERT
  • 861 POSTS
Its the 8.8 rig , no idea about gear ratio.
Apr 9, 2020 at 6:25 PM
Avatar
JACOBANDNICKOLAS
  • CERTIFIED EXPERT
  • 110,175 POSTS
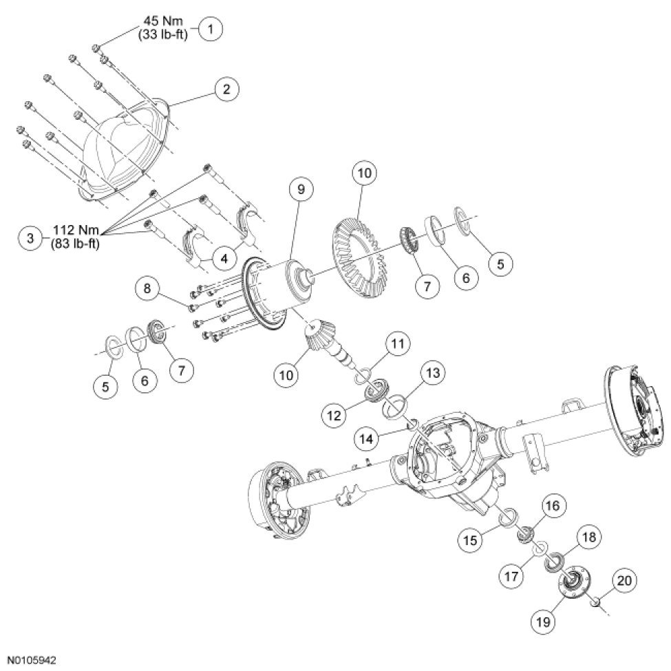
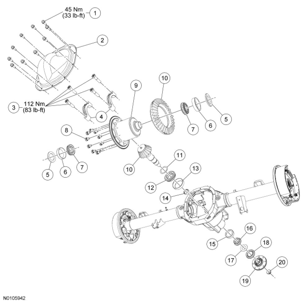
Hi,

In the last pic, I circled the two bearings that need replaced. You will need to replace the race for each bearing. You will need special tools for this and a press. Note most parts stores will lend you the tools.

_________________________________________

2011 Ford Truck F 150 2WD V6-3.7L
Differential Bearings
Vehicle Transmission and Drivetrain Differential Assembly Service and Repair Removal and Replacement Rear Drive Axle/Differential - Ford 8.8-Inch Ring Gear Differential Bearings
DIFFERENTIAL BEARINGS
Differential Bearings


pic 1



pic 2



pic 3



pic 4


Removal

1. Remove the drive pinion seal. For additional information, refer to Drive Pinion Flange and Drive Pinion Seal See: Pinion Flange, Differential > Removal and Replacement > Drive Pinion Flange and Drive Pinion Seal.

2. Remove the differential carrier. For additional information, refer to Differential Carrier See: Differential Assembly > Removal and Replacement > Differential Carrier.

3. Remove the axle drive pinion shaft oil slinger.

4. Using the Drive Pinion Thread Protector and a soft-faced hammer, drive the pinion assembly out of the outer pinion bearing and remove it through the rear of the differential housing.


pic 5


5. Remove the outer pinion bearing.

6. Remove the drive pinion collapsible spacer and discard it.

pic 6


7. Using the Bearing Puller and a suitable press, remove the inner pinion bearing.


pic 7


8. Using a brass drift, remove the pinion bearing cups by tapping alternately on opposite sides of the bearing cups.


pic 8


9. Using the 2 Jaw Puller and Step Plate, remove the 2 differential bearings.


pic 9


Installation

1. Position the Drive Pinion Bearing Cup Installer and the inner and outer bearing cups in their respective bores.

1. After placing the inner and outer bearing cups in their respective bores, place the Drive Pinion Bearing Cup Installer on the inner bearing cup.

2. Place the Drive Pinion Bearing Cup Installer on the outer bearing cup.

3. Install the Drive Pinion Bearing Cup Installer.


pic 10


2. Tighten the Drive Pinion Bearing Cup Installer to seat the pinion bearing cups in their bores.


pic 11


3. NOTE: If a feeler gauge of the specification shown can be inserted between a cup and the bottom of its bore at any point around the cup, the cup is not correctly seated.

Make sure the differential pinion bearing cups are correctly seated.


pic 12


4. NOTE: Install new drive pinion bearings without any additional lubricant since the anti-rust oil provides adequate lubricant without upsetting the drive pinion bearing preload settings.

Assemble and position the Adapters.


pic 13



pic 14


5. NOTE: This step duplicates final drive pinion bearing preload.

Tighten the Adapter.

- Tighten to 2.2 Nm (20 lb-in) rotational torque.


pic 15


6. NOTE: The Adapter must be offset to obtain an accurate reading.

Rotate the Adapter several half turns to make sure of correct seating of the drive pinion bearings and position the Adapter.


pic 16


7. Install the Adapter.

1. Position the gauge tube.

2. Install the 2 differential bearing caps.

3. Install the 4 differential bearing cap bolts.
- Tighten to 112 Nm (83 lb-ft).


pic 17


8. NOTE: Drive pinion bearing adjustment shims must be flat and clean.

NOTE: A slight drag should be felt for correct drive pinion bearing adjustment shim selection. Do not attempt to force the drive pinion bearing adjustment shim between Adapter and gauge tube. This will minimize selection of a drive pinion bearing adjustment shim thicker than required, which results in a deep tooth contact in final assembly of integral axle assemblies.

Use a drive pinion bearing adjustment shim as a gauge for drive pinion bearing adjustment shim selection.

- After the correct drive pinion bearing adjustment shim thickness has been determined, remove all of the Adapters.


pic 18


9. Using the Shaft Bearing Cone Installer and Bearing Oil Seal Plate and a shop press, drive the inner drive pinion bearing and drive pinion bearing adjustment shim until they are firmly seated on the pinion shaft.


pic 19


10. Install a new drive pinion collapsible spacer on the pinion shaft against the pinion shaft shoulder.


pic 20


11. Install the drive pinion assembly into the axle housing.


pic 21


12. Install the outer drive pinion bearing and the drive pinion shaft oil slinger.

13. Install the drive pinion seal and flange. For additional information, refer to Drive Pinion Flange and Drive Pinion Seal See: Pinion Flange, Differential > Removal and Replacement > Drive Pinion Flange and Drive Pinion Seal.

14. Using the Differential Side Bearing Installer, install the 2 new differential bearings.


pic 22


15. Install the differential carrier. For additional information, refer to Differential Carrier See: Differential Assembly > Removal and Replacement > Differential Carrier.

_____________________________

Let me know if you have questions.

Joe
Apr 9, 2020 at 6:51 PM
Avatar
CANNON1349
  • CERTIFIED EXPERT
  • 861 POSTS
So here's an update on all of this:

The "thump" noise was the driveshaft. All you need to do is take out the driveshaft and grease it with the Ford Moly grease. In my case, the U-Joints were extremely tight and the center support bearing was loose, so it needed a new driveshaft. The driveshaft is only available from Ford, for this model truck (3.7 L, RWD, 145" wheelbase, crew cab). The good news is that Ford updated the driveshaft design with this "thump" problem in mind - they now have included a grease fitting for you to grease the splines without removing the shaft.

Also, for the rear differential, the gears have begun to wear unevenly. They are pitting. So I'll need a new differential. I found one with 97,000 on it, and that should fix that issue and I'll be set.
Apr 14, 2020 at 3:34 PM
Avatar
DANNY L
  • CERTIFIED EXPERT
  • 5,648 POSTS
Hello again.

That's a bad design then... How can the center bearing not be replaceable?

Danny-
Apr 14, 2020 at 3:39 PM
Avatar
CANNON1349
  • CERTIFIED EXPERT
  • 861 POSTS
I took the shaft to a driveshaft shop, the man said that the gears where the driveshaft is divided are beveled, so if he took it apart he would have to break it. There's a sticker on the shaft saying "scrap if dropped," meaning it's a one-time use shaft.
Apr 14, 2020 at 3:41 PM
Avatar
DANNY L
  • CERTIFIED EXPERT
  • 5,648 POSTS
Hello again.

Wow! That's bizarre... Well, glad you found the problem! Thanks again for using 2CarPros. Hope you will use us again.

Danny-
Apr 14, 2020 at 3:44 PM