door locks not working?

2014 DODGE CARAVAN
56,000 MILES • 3.6L • 6 CYL • 2WD • AUTOMATIC
Avatar
PAPET
  • MEMBER
  • 105 POSTS
The power lock works on all doors except the rear passenger sliding door. I tried to lock an unlock using the remote but it does no work. What must be the problem? Thanks
Feb 23, 2018 at 2:27 AM
Advertisement
Avatar
STEVE W.
  • CERTIFIED EXPERT
  • 15,113 POSTS
If you do not hear it operating inside the door but the manual button works then it is likely to be either a bad lock actuator or the wiring harness that feeds into the door. To test which you need to remove the inner door trim panel and use a test light at the lock actuator itself.
If you find power at the wires to the actuator when you hit the controls then it is the actuator itself. To verify that you could use a simple nine volt battery jumped to the actuator connector itself, one direction would lock the door reversed will unlock.
Feb 23, 2018 at 1:40 PM
Avatar
STEVE STECK
  • MEMBER
  • 1 POST
2006 Dodge Caravan 6 cyl Automatic
----------------------------------------------------------------
my caravan has power locks, and they recently stopped working all together. Both lock buttons neither lock or unlock the whole vehicle. I was woundering if you knew of a solution, I thoght it might be a fuse, however there are'nt any fuses labeled for the power locks.
Oct 3, 2020 at 10:11 AM (Merged)
Advertisement
Avatar
BROLAN
  • MEMBER
  • 1 POST
A lot of people have this issue. You can usually make a temporary fix by removing the IOD fuse (20 amp) from the fuse box located next to the battery (under the hood) for about 1-2 minutes then replacing it.

For some this fix lasts a long time, others need a reprogramming of the computer. The price of this varies quite a bit ($90 - $190). See your dealer.
Oct 3, 2020 at 10:11 AM (Merged)
Avatar
1968 GTCS
  • MEMBER
  • 2 POSTS
The power locks,don't work with the remote[ the lights and horn work when you push the remote lock].The driver and passenger lock switch on both doors when pushed does nothing.Also the side power doors won't open when pushed on the remote.I don't think its a battery issue on the remote,because the lights flash and horn honks when you try to lock doors with remote.The owners manual says to put key in ignition and turn it to on position and then back to off position four times fast.After the fourth time it states to push door lock switch and a chime will sound.The chime does sound,but the locks still don't work.It was suppose to reset something,but I still can't lock the doors.Thank You
Oct 3, 2020 at 10:12 AM (Merged)
Avatar
1968 GTCS
  • MEMBER
  • 2 POSTS
Thankfully the fix was easy. Disconnect the battery cables and pull the BCM Body Control Module fuse from the fuse box. Reinsert the BCM fuse back into the fuse box after 5 seconds. Connect battery cables. It resets the system. My door locks are working fine again.
Oct 3, 2020 at 10:12 AM (Merged)
Avatar
CHLAUREL
  • MEMBER
  • 2 POSTS
My power door locks quit working on my 2005 Dodge Caravan. My remote key no longer locks or unlocks the doors (although the lights flash as expected). Also, none of the interior door lock buttons work. I assume it could be a fuse, however my owner's manual does not list a specific fuse for the power door locks. Any ideas?
Oct 3, 2020 at 10:12 AM (Merged)
Avatar
PAWNEEJO
  • MEMBER
  • 1 POST
i had some problem been watching yours
fount this answer i found and it worked

I disconnected the battery cable and pulled the BCM fuse and the system reset and the door locks are working fine again.

The fuses are in the picture attached below
Oct 3, 2020 at 10:12 AM (Merged)
Avatar
CHLAUREL
  • MEMBER
  • 2 POSTS
Thanks pawneejo! I also got my power door locks working. I pulled and reinstalled (but did not replace) all fuses and fuse blocks (but not the relays). The locks started working after that.
Oct 3, 2020 at 10:12 AM (Merged)
Avatar
ERONEYUS
  • MEMBER
  • 1 POST
Thanks, it worked for me too. Just a another problem with this pathetic excuse for a car. Has anyone else been having cronic brake problems with thier grand caravan? :(
Oct 3, 2020 at 10:12 AM (Merged)
Avatar
JBLACKHAM
  • MEMBER
  • 1 POST
Thanks it worked for me as well. Power door locks died after a long trip. Took off the fuse disconnected battery reconnected battery reconnect fuse and my doors work now.

[quote:2325cfa76e="chlaurel"]My power door locks quit working on my 2005 Dodge Caravan. My remote key no longer locks or unlocks the doors (although the lights flash as expected). Also, none of the interior door lock buttons work. I assume it could be a fuse, however my owner's manual does not list a specific fuse for the power door locks. Any ideas?[/quote:2325cfa76e]
Oct 3, 2020 at 10:12 AM (Merged)
Avatar
RWHASH
  • MEMBER
  • 1 POST
Wow, That did the trick for me.... That beats bringing it to the Dealer.. Thanks for the fix!
Oct 3, 2020 at 10:12 AM (Merged)
Avatar
NSTAFF
  • MEMBER
  • 1 POST
Great to find I was not the only one with this problem! Glad someone had already found a solution too.

On my 2005, I found that just removing and replacing the 20A IOD fuse did the trick.

IOD stands for IgnitionOff Draw. Removing it is something akin to disconnecting the battery cable but, I suppose, only for the accessories, etc. that draw power when the ignition switch is off. I.e. everything is still connected but really off. (Kind of like unplugging the TV.)

May not work for everyone but it is a lot easier than disconnecting the battery and/or yanking all the fuses.
Oct 3, 2020 at 10:12 AM (Merged)
Avatar
GEPPETTO10
  • MEMBER
  • 1 POST
Like nsstaff said, remove and put back in place the IOD fuse. Try this before disconnecting the battery. Works for me!
Oct 3, 2020 at 10:12 AM (Merged)
Avatar
MUSICALRX
  • MEMBER
  • 1 POST
I just pulled the one 20Amp fuse mentioned above, and it reset perfectly.
Oct 3, 2020 at 10:12 AM (Merged)
Avatar
KIWITEX71
  • MEMBER
  • 1 POST
thanks for info guys - but how do you stop it from happening - this is the third time in 90 days that it has happened to me.
Oct 3, 2020 at 10:12 AM (Merged)
Avatar
WRECKS
  • MEMBER
  • 2 POSTS
I am having a problem with my 1993 Caravan. The power locks aren't working. The relay clicks when I trip the switch but no locking or unlocking. I tried the battery disconnect, didn't work. I just bought the car and the previous owner had an alarm removed from it by a friend (because she lost the remote) so I am wondering if whoever disconnected the remote somehow disconnected the power locks? How would I check this? I am not a car person but don't want to pay a fortune for a mechanic to fix this. Coming from the steering column there are two white wires (one with a red stripe) that are twisted together and a red and blue one that have been cut and go nowhere (can't tell if they are supposed to). Can anyone help? Everything works great except the power locks. Thanks.
Oct 3, 2020 at 10:12 AM (Merged)
Avatar
SAMCAT
  • MEMBER
  • 1 POST
[quote:b5f58e5b4f="kiwitex71"]thanks for info guys - but how do you stop it from happening - this is the third time in 90 days that it has happened to me.[/quote:b5f58e5b4f]

I have to reset mine about every 5th or 6th time the doors lock/unlock. I paid about $300 for a new computer chip of some sort about a month ago because only the driver door wouldn't lock/unlock and they tell me this is something else but will cost about $180 just to look at and see. What a rip off.
My Caravan is a 2005 and removing and reinserting the IOD fuse fixes this for a short time anyway.
Any ideas? :cry:
Oct 3, 2020 at 10:12 AM (Merged)
Avatar
JOCEET
  • MEMBER
  • 3 POSTS
my 2005 dodge caravan sxt had a backpack strap caught under the liftgate a couple of weeks ago. ever since we got it out the power locks have not worked either with the switch inside or the remote. fuses all seem to be good.
Oct 3, 2020 at 10:12 AM (Merged)
Avatar
CHEVY22
  • CERTIFIED EXPERT
  • 1,375 POSTS
hi
i would recheck all of the fuses , its odd they would all go out at one time and not work on the remote either , ther eare also underhood fuses and relays , check everything and let us know

thanks
if you are happy with the info please leave feedback we all here do this for free feedback is a way of saying thank you for the help
Oct 3, 2020 at 10:12 AM (Merged)
Avatar
COACHK11
  • MEMBER
  • 2 POSTS
Regarding the power locks, does anyone know how to open the rear tailgate if the power locks don't unlock it or the key. I hear the motor/regulator kick in but it doesn't unlock? All other locks are working fine.
[quote:a360dcf563="samcat"][quote:a360dcf563="kiwitex71"]thanks for info guys - but how do you stop it from happening - this is the third time in 90 days that it has happened to me.[/quote:a360dcf563]

I have to reset mine about every 5th or 6th time the doors lock/unlock. I paid about $300 for a new computer chip of some sort about a month ago because only the driver door wouldn't lock/unlock and they tell me this is something else but will cost about $180 just to look at and see. What a rip off.
My Caravan is a 2005 and removing and reinserting the IOD fuse fixes this for a short time anyway.
Any ideas? :cry:[/quote:a360dcf563]
Oct 3, 2020 at 10:12 AM (Merged)
Avatar
JOCEET
  • MEMBER
  • 3 POSTS
All fuses seem to be good, do not know which relay controls doors. It is not listed on the cover of box, any help there?
Oct 3, 2020 at 10:12 AM (Merged)
Avatar
COACHK11
  • MEMBER
  • 2 POSTS
Regarding the power locks, does anyone know how to open the rear tailgate if the power locks don't unlock it or the key. I hear the motor/regulator kick in but it doesn't unlock? All other locks are working fine.
Oct 3, 2020 at 10:12 AM (Merged)
Avatar
CHEVY22
  • CERTIFIED EXPERT
  • 1,375 POSTS
should be on the inside cover
Oct 3, 2020 at 10:12 AM (Merged)
Avatar
RTHLING
  • MEMBER
  • 1 POST
Our power locks quit working yesterday, and thanks to the advice we found here, they are working again. Thank you so much! The more problems reported, perhaps Dodge will issue a recall on this concern.
Oct 3, 2020 at 10:12 AM (Merged)
Avatar
JOCEET
  • MEMBER
  • 3 POSTS
That's what I meant by cover, it was the inside I was talking about
Oct 3, 2020 at 10:12 AM (Merged)
Avatar
FEFUDPUCKER
  • MEMBER
  • 1 POST
[quote:ad85ba5031="chlaurel"]My power door locks quit working on my 2005 Dodge Caravan. My remote key no longer locks or unlocks the doors (although the lights flash as expected). Also, none of the interior door lock buttons work. I assume it could be a fuse, however my owner's manual does not list a specific fuse for the power door locks. Any ideas?[/quote:ad85ba5031]
Oct 3, 2020 at 10:12 AM (Merged)
Avatar
RETIREDAUTO
  • MEMBER
  • 46 POSTS
do you have the owners manual??,it should give location(pdc or interior fuse box) and location #,it might also be a circuit breaker??(if it has one for the locks) hope that helps?
Oct 3, 2020 at 10:12 AM (Merged)
Avatar
PBSEGAL
  • MEMBER
  • 1 POST
power locks not working and do not see fuse in engine compartment, help
Oct 3, 2020 at 10:12 AM (Merged)
Avatar
ZACKMAN
  • CERTIFIED EXPERT
  • 4,202 POSTS
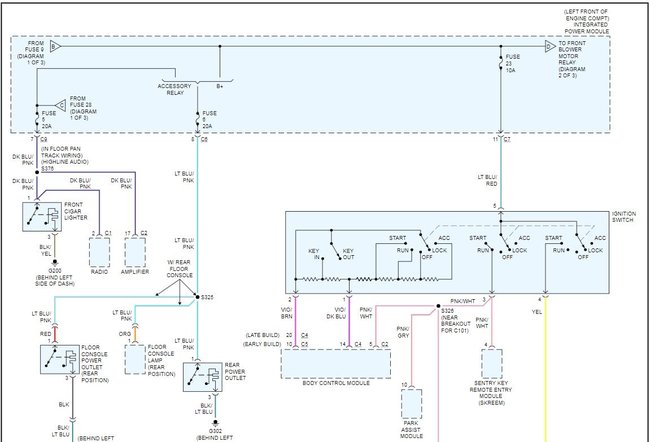
Left front of engine compartment, inside the integrated power module (#2), check fuse 19 (40A) and fuse 14 (20A).


https://www.2carpros.com/forum/automotive_pictures/55316_caravanpowermodule_1.jpg

Oct 3, 2020 at 10:12 AM (Merged)
Avatar
GREGSEVER
  • MEMBER
  • 3 POSTS
Door locks have quit operating on all doors. They do not work by the remote or interior switches. All other electronics seem to work fine. Is there a fuse or breaker , besides the fuse bos?
Oct 3, 2020 at 10:12 AM (Merged)
Avatar
KHLOW2008
  • CERTIFIED EXPERT
  • 41,814 POSTS
Hi gregsever,

Thank you for the donation.

The main power supply for the power door lock control is via the #19 (40A) fuse in integrated power module located at left front of engine compartment.

The power lock system receives non-switched battery current through a fuse in the Integrated Power Module (IPM), so that the power locks remain operational, regardless of the ignition switch position.
Oct 3, 2020 at 10:12 AM (Merged)
Avatar
GREGSEVER
  • MEMBER
  • 3 POSTS
All of the fuses check good, where else should I be looking to fix the problem?
Oct 3, 2020 at 10:12 AM (Merged)
Avatar
KHLOW2008
  • CERTIFIED EXPERT
  • 41,814 POSTS
Hi gregsever,

The next thing to do would be to test the IPM since fuses are ok.

I would need to gather and process the data before I can explain how to do it.
Oct 3, 2020 at 10:12 AM (Merged)
Avatar
  • MEMBER
  • 2 POSTS
I have a 2005 Grand Caravan sxt. My lock system doesn't work. I've got automatic lock system with a key fob. When I hit the key fob button, locks do not open or lock, yet horn beeps and auto sliding doors do work via fob. Also the manual button to lock or unlock all doors doesn't work. The only way to work the locks is to use each one manually, or to open the driver door with the key. Any thoughts? Thanks.
Oct 3, 2020 at 10:12 AM (Merged)
Avatar
BMRFIXIT
  • CERTIFIED EXPERT
  • 19,053 POSTS
Sounds as if the fob is working as it should but the lock is the problem
I would check the fuses as 1st step

open hood and check fuses fuse # 19 its 40 A and fuse # 14 its 20A
Oct 3, 2020 at 10:12 AM (Merged)
Avatar
DODGECVN2005
  • MEMBER
  • 1 POST
I have the same problem and removing the 20 amp fuze and replacing it apparently resets the computer and the locks work for a while anywhere from 2 days to 6 months then the problem reoccurs. Any thoughts other than replacing the computer.
Oct 3, 2020 at 10:12 AM (Merged)
Avatar
  • MEMBER
  • 2 POSTS
I fixed my problem by just removing the relay in the fose box area and then just replacing it. this seems to have reset the system...its's been workin corectly for about a month now
Oct 3, 2020 at 10:12 AM (Merged)
Avatar
TRISHSNEED
  • MEMBER
  • 1 POST
my electric windows do not work, my automatic door locks do not work. I took it to Kwik Kar, they stated it was an electrical problem. What do I do now?
Oct 3, 2020 at 10:12 AM (Merged)
Avatar
JACOBANDNICKOLAS
  • CERTIFIED EXPERT
  • 110,175 POSTS
It is an electrical problem. However, where do we start...

Have you checked fuses to see if they are good? If so and they are good, you need to remove the driver's door panel and check to see if there is power to the switches. My first guess is there is a broken wire between the door and the door frame.

Check the things I mentioned and let me know what you find.

Joe
Oct 3, 2020 at 10:12 AM (Merged)
Avatar
TIM WHIDDEN
  • MEMBER
  • 4 POSTS
I have an 05 that the locks don't work either, if i take the fuse out and put it back in they work for a short while then stop working. I have seen many others with this problem on the 05 caravans, seems to be a common issue with that model year!
Oct 3, 2020 at 10:12 AM (Merged)