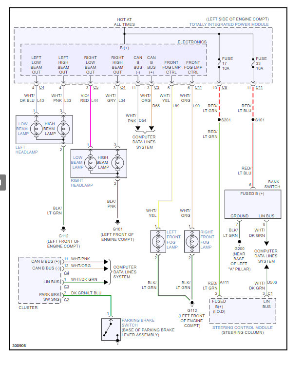
The other day had the passenger side headlight went out, instantly thought, no problem, i'll put new bulb in, done this to all my cars over the years. Anyway, new bulb didn't work, thought why not check if a fuse went, no fuse for the headlights, then spoke to local mechanic, told him everything i tried, did i try the driver side bulb that works fine, in the other socket, no, tried, still nothing. Mind you, the turn signal works fine, just the headlight, low or high doesn't work . took test light and checked for power at the plug end, no power, he mentioned might be a (module) down below. Have no idea where i might find it or what it actually looks like, now he is on vacation and i'm at a stand still. Any ideas? You've helped out on every other occasion, hope you can this time as well.
Jul 11, 2019 at 12:10 PM




























