Sep 19, 2021 at 2:02 PM
Code P0122
2002 CHEVROLET MALIBU
Advertisement
Very very weird. After running the engine I pressed on the throttle and it went up to 4.50 when before it didn't budge.
Just tried back probing dark blue wire again and when I turned it to on it was 1.63. I opened the throttle and it went to 4.50 then down to 1.64 I guess I'll take everything out and recheck the dark blue wire again at least to the firewall and go from there.
Sep 19, 2021 at 3:12 PM
Advertisement
Well, I tried an ohms test and it never got off 1. I picked up my booklet that came with my multimeter to see if I was doing something wrong. I set it on 200 ohms and touched the probes together to see if it went to zero. It did not, it went to 0.03 so it could be a faulty meter.
Sep 19, 2021 at 6:29 PM
well, this is getting kind of crazy. Did you disconnect the cable from the throttle body yet?
Please do that. 1.63 volts at closed throttle is way too much. it should be below 1 volt at closed throttle. Your throttle plates not closing all the way is causing that 1.63 volts and that is incorrect. Disconnect the cable and see if the plates close all the way.
You may have a faulty cruise control module or something holding those throttle plates open.
Disconnect the cable before you do anything else. Then take another reading on the dark blue wire at the TPS with the cable disconnected, it only takes 5 minutes to unhook the cable, especially on this car.
We're just going around in circles here. You have to figure out why its not closing all the way.
0.03 ohms is barely anything, disregard that for now.
Concentrate on the throttle body.
The gas pedal could be binding up the cable as well keeping the plates open, so you have to take it out of the equation.
Please do that. 1.63 volts at closed throttle is way too much. it should be below 1 volt at closed throttle. Your throttle plates not closing all the way is causing that 1.63 volts and that is incorrect. Disconnect the cable and see if the plates close all the way.
You may have a faulty cruise control module or something holding those throttle plates open.
Disconnect the cable before you do anything else. Then take another reading on the dark blue wire at the TPS with the cable disconnected, it only takes 5 minutes to unhook the cable, especially on this car.
We're just going around in circles here. You have to figure out why its not closing all the way.
0.03 ohms is barely anything, disregard that for now.
Concentrate on the throttle body.
The gas pedal could be binding up the cable as well keeping the plates open, so you have to take it out of the equation.
Sep 19, 2021 at 7:33 PM
I'll do that tomorrow.
Sep 19, 2021 at 9:02 PM
Disconnected the throttle cable and the butterfly closed all the way.
Sep 20, 2021 at 12:47 PM
Gas pedal doesn't seem like it's coming up all the way. Sprayed silicone on the cable and worked it in and out.
Sep 20, 2021 at 12:56 PM
Back probed blue wire key on plugged into TPS meter reads 63- 4.50 so that's better than 1.63.
I took off the air idle control valve and I'm going to try another one but I have to walk and I'm in Arizona and Wifey doesn't want me to.
I took off the air idle control valve and I'm going to try another one but I have to walk and I'm in Arizona and Wifey doesn't want me to.
Sep 20, 2021 at 2:19 PM
okay, so the gas pedal is binding up or the cable is. 0.63v is perfect for closed throttle. Did you start the car with the cable disconnected? That's the big test factor here. You have to try that and see if the idle comes down. If it does then you've found then issue. It seems your gas pedal or cable is holding the throttle plates open too much at idle..
Try running the car with the cable disconnected before you go messing with the IAC. The IAC is not setting any codes. So stick with the TPS for right now. Don't do any unnecessary replacing of parts or testing right now.
Start the car with the cable off. That 0.63volts is an acceptable reading.
Please don't go get another IAC yet, just start the car!!!!!
Don't be throwing parts at the car. We don't do that here. We diagnose, then replace.
If the idle is down with the cable off, then we will find out what's up with the pedal. Remember the car is 20 years old, The IAC would set a code if it was having voltage problems.
Try running the car with the cable disconnected before you go messing with the IAC. The IAC is not setting any codes. So stick with the TPS for right now. Don't do any unnecessary replacing of parts or testing right now.
Start the car with the cable off. That 0.63volts is an acceptable reading.
Please don't go get another IAC yet, just start the car!!!!!
Don't be throwing parts at the car. We don't do that here. We diagnose, then replace.
If the idle is down with the cable off, then we will find out what's up with the pedal. Remember the car is 20 years old, The IAC would set a code if it was having voltage problems.
Sep 20, 2021 at 5:53 PM
I started the car and the idle was still high more or less of a steady idle 35 - 4,000 RPMs but it did sound better. That was with everything off or disconnected. I did end up walking to O'Reilly's and got another IAC, that was before I read your post I had to go out anyway to other stores which were all right there. The one I bought yesterday, (Monday) is still in the box but the new one I bought at AutoZone. I was fooling around with the pintle and accidently pulled it all the way out. I put it back in but don't know if I messed it up or not.
Sep 21, 2021 at 9:00 AM
That high RPMs is with the accelerator and cruise control cables disconnected.
Sep 21, 2021 at 9:03 AM
Yes, unfortunately you ruined the IAC by pulling the pintle out, that's something you should never do. Do you have the old one you can put on there? or get a new one.
So we're at, the throttle plates are fully closed, the TPS reading is 0.63v with them closed.
So lets leave the throttle cable off for now so those plates stay closed.
If this is where we are at, and you're still reading 0volts on the Signal wire at the ECM (Pin 66) dark blue wire? The 5 volt ref is good,? And the ground is reading 0 volts going to battery negative?
Note: If that's our case here then its obvious there's an issue with the Signal wire somewhere between the TPS and ECM.
That's what you're chasing if all the above is correct..
There is a connection (p100) which is the Harness plug going through the firewall.
If you have followed that wire all the way to the firewall and found nothing wrong, then you need to start checking inside the car for a broken wire somewhere.
I'm really hoping you had a good ground connection with your meter when you were checking the ECM pins.
Another method is to use the ECM ground while checking Pin 66.
So put your black meter lead on Pin 16 Connector 1 (ECM ground black/white wire)
Red meter lead to Pin 66 Connector 2 (TPS Signal dark blue wire)
Since you didn't get any good readings with just the key on, do this engine running.
Just be extra careful with the engine running doing this. Have everything ready before you start the car so you don't accidently short anything out.
If you get the same TPS reading of 0.63v at the ECM now. Then you have a vacuum leak somewhere.
I'm doing my best to keep track of everything you've done so far,
If I have any of this incorrect let me know.
If you suspect a vacuum leak, take a spray bottle full of water and spray around the intake manifold and vacuum hoses with the engine running, you will hear the water being sucked into the engine. Some guys use brake cleaner or carburetor cleaner but it's very flammable and I don't recommend you doing that unless you really know what you're doing. It can easily start a fire. I'm leaving a guide below to vacuum leaks.
Just don't spray the spark plug wires, you can get a shock very easy.
But we first need to know for sure about the TPS signal getting all the way to the ECM.
https://www.2carpros.com/articles/how-to-use-an-engine-vacuum-gauge
https://www.2carpros.com/articles/engine-idles-too-high
So we're at, the throttle plates are fully closed, the TPS reading is 0.63v with them closed.
So lets leave the throttle cable off for now so those plates stay closed.
If this is where we are at, and you're still reading 0volts on the Signal wire at the ECM (Pin 66) dark blue wire? The 5 volt ref is good,? And the ground is reading 0 volts going to battery negative?
Note: If that's our case here then its obvious there's an issue with the Signal wire somewhere between the TPS and ECM.
That's what you're chasing if all the above is correct..
There is a connection (p100) which is the Harness plug going through the firewall.
If you have followed that wire all the way to the firewall and found nothing wrong, then you need to start checking inside the car for a broken wire somewhere.
I'm really hoping you had a good ground connection with your meter when you were checking the ECM pins.
Another method is to use the ECM ground while checking Pin 66.
So put your black meter lead on Pin 16 Connector 1 (ECM ground black/white wire)
Red meter lead to Pin 66 Connector 2 (TPS Signal dark blue wire)
Since you didn't get any good readings with just the key on, do this engine running.
Just be extra careful with the engine running doing this. Have everything ready before you start the car so you don't accidently short anything out.
If you get the same TPS reading of 0.63v at the ECM now. Then you have a vacuum leak somewhere.
I'm doing my best to keep track of everything you've done so far,
If I have any of this incorrect let me know.
If you suspect a vacuum leak, take a spray bottle full of water and spray around the intake manifold and vacuum hoses with the engine running, you will hear the water being sucked into the engine. Some guys use brake cleaner or carburetor cleaner but it's very flammable and I don't recommend you doing that unless you really know what you're doing. It can easily start a fire. I'm leaving a guide below to vacuum leaks.
Just don't spray the spark plug wires, you can get a shock very easy.
But we first need to know for sure about the TPS signal getting all the way to the ECM.
https://www.2carpros.com/articles/how-to-use-an-engine-vacuum-gauge
https://www.2carpros.com/articles/engine-idles-too-high
Sep 21, 2021 at 11:45 AM
I would really like to know if you are getting no reading on Pin 66 of the ECM, while you are getting a reading at the TPS dark blue wire. If the car needs to be running to get a reading, then run it. But the code p0122 is there for a reason, There are other TPS codes it could have set, but its a low input code and you're reading a low input. I would retest again.
This would explain the code and the symptoms. I know you have done a lot of testing and are probably exhausted because of this. But if these 2 readings differ. Then we can try somethings to verify a broken wire.
We can even run a new wire to see if the idle comes down.
And as for grounding your meter correctly, you can always use a long piece of wire and run it to the battery negative while checking circuits inside the car.
I do this a lot. Then I know i have a good ground on my meter.
You have done really well so far, and I think you should keep going and figure this thing out. It will help you in the future to solve other issues with your vehicles and save you a lot of money.
This would explain the code and the symptoms. I know you have done a lot of testing and are probably exhausted because of this. But if these 2 readings differ. Then we can try somethings to verify a broken wire.
We can even run a new wire to see if the idle comes down.
And as for grounding your meter correctly, you can always use a long piece of wire and run it to the battery negative while checking circuits inside the car.
I do this a lot. Then I know i have a good ground on my meter.
You have done really well so far, and I think you should keep going and figure this thing out. It will help you in the future to solve other issues with your vehicles and save you a lot of money.
Sep 22, 2021 at 9:41 AM
Yes, sorry for the delay. I have been redoing and rereading some things to try to get things straight in my head. Last night I started on the 66 pin C-2 but it got too dark under there. I'm doing that first thing today.
Sep 22, 2021 at 9:58 AM
Back probing the connectors at the wires themselves is unclear to me. To be clear, I need to separate the connector itself correct? If so how do I push the screw that secures the connector to the ECM? The screw itself is secured by a type of washer and it won't come out allowing me to separate the two pieces.
Sep 22, 2021 at 10:06 AM
I have no idea what we did, but I started the car and it idles about 700 RPMs and sounds great. The accelerator and cruise control cables are off. I'm just letting it idle for a while before I reconnect them.
Sep 22, 2021 at 1:21 PM
I think i know what happened, so before I tell you my thoughts on this.
When you reconnect the throttle cable, if it is still keeping the throttle plates open a little, then you may be a able to adjust it at the throttle body so the plates are closed when the gas pedal is fully up. You want to make sure that its all good in that area. Also I want you to make sure that the connector for the TPS doesn't have loose pins, just make sure inside the connector that the pins are not spread apart, you can check them with one of the T pins if its the same thickness as the pins on the TPS.
Now on to what i think happened, With you messing with the ECM connector as i'm assuming you did yesterday and today, I think that Pin 66 on connector 1 has a pin fitment issue. And with you moving those connectors around and kind of fighting with them, the Pins made contact with the ECM pins or you moved a the Signal wire away from a part of the frame where it was touching.
The only problem here is that you may run into other issues if other pins are loose. After years of those pins heating up and cooling down , and vibrations, either they loosen up or the ECM has a bad solder joint inside on the circuit board and again you're moving it around it made contact.
I had some suspicions this might be an ECM problem. You may want to move the ECM connector around again and see if you can duplicate the problem again and inspect the wiring in that area,
I know you want it fixed and it might be for the time being, but if its a bad solder joint inside, this will happen again.
What did you do exactly in the time between when it was having the high idle problem and now that its idling normally? Was it only messing with the ECM connector? or was there anything under the hood you did as well?
If this problem doesn't come back soon, you're going to want to have the codes erased from the ECM, because there's probably other codes from us unplugging and testing things and it's good to clear the memory after a repair so the ECM can relearn its fuel strategy.
The throttle cable should have an adjustment on it either at the pedal or the throttle body if it's too tight holding the plates open.
When you reconnect the throttle cable, if it is still keeping the throttle plates open a little, then you may be a able to adjust it at the throttle body so the plates are closed when the gas pedal is fully up. You want to make sure that its all good in that area. Also I want you to make sure that the connector for the TPS doesn't have loose pins, just make sure inside the connector that the pins are not spread apart, you can check them with one of the T pins if its the same thickness as the pins on the TPS.
Now on to what i think happened, With you messing with the ECM connector as i'm assuming you did yesterday and today, I think that Pin 66 on connector 1 has a pin fitment issue. And with you moving those connectors around and kind of fighting with them, the Pins made contact with the ECM pins or you moved a the Signal wire away from a part of the frame where it was touching.
The only problem here is that you may run into other issues if other pins are loose. After years of those pins heating up and cooling down , and vibrations, either they loosen up or the ECM has a bad solder joint inside on the circuit board and again you're moving it around it made contact.
I had some suspicions this might be an ECM problem. You may want to move the ECM connector around again and see if you can duplicate the problem again and inspect the wiring in that area,
I know you want it fixed and it might be for the time being, but if its a bad solder joint inside, this will happen again.
What did you do exactly in the time between when it was having the high idle problem and now that its idling normally? Was it only messing with the ECM connector? or was there anything under the hood you did as well?
If this problem doesn't come back soon, you're going to want to have the codes erased from the ECM, because there's probably other codes from us unplugging and testing things and it's good to clear the memory after a repair so the ECM can relearn its fuel strategy.
The throttle cable should have an adjustment on it either at the pedal or the throttle body if it's too tight holding the plates open.
Sep 22, 2021 at 1:49 PM
I connected the throttle cable and it had the high fluctuating RPMs again. I disconnected it and it idles normal.
Sep 22, 2021 at 3:24 PM
how do I adjust it at the throttle body?
Sep 22, 2021 at 3:25 PM
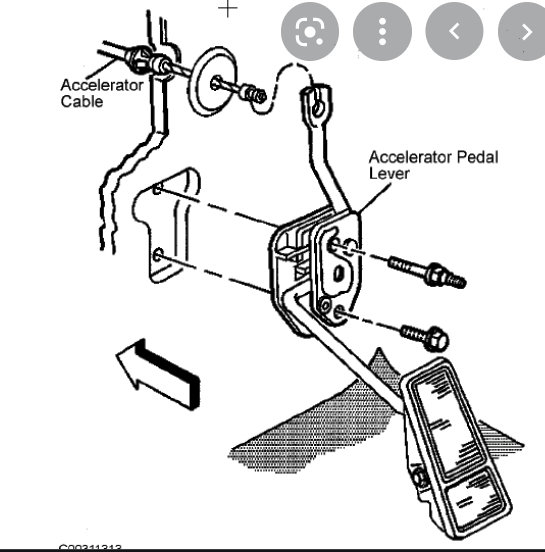
there should be a nut you can loosen up to give the cable some extra play. Can you send me a picture of your throttle body close up so I can which kind you have. The picture i'm leaving is a basic setup. I wondering if you need to replace the throttle cable. It may be binding up somewhere. Or there is a problem with your gas pedal.
Amazing huh, the problem may have been the throttle cable this whole time. But I would give the gas pedal a real good inspection too, see if you can pull it up or if is staying up by itself.
If there is no adjustment at the throttle body or on the pedal, then the cable needs to be replaced. If it is binding up that bad, its going to be a safety concern driving. You don't want your cable to get stuck and lose control of the car..
The 2nd picture is what I found for GM throttle cable. is this what your setup looks like?
Amazing huh, the problem may have been the throttle cable this whole time. But I would give the gas pedal a real good inspection too, see if you can pull it up or if is staying up by itself.
If there is no adjustment at the throttle body or on the pedal, then the cable needs to be replaced. If it is binding up that bad, its going to be a safety concern driving. You don't want your cable to get stuck and lose control of the car..
The 2nd picture is what I found for GM throttle cable. is this what your setup looks like?
Sep 23, 2021 at 12:01 PM
Yeah, I looked and couldn't see anything but this is what I have. Sorry about the poor quality I was trying to hold a flashlight in my left hand and snap with my right and I'm left handed. I tried pulling the cable from both ends to free it up and there was nothing. I've looked for the cable, all they have are the "universal" ones. Called a dealership and was told GM doesn't even make it any more.
Sep 23, 2021 at 3:14 PM
When you say you tried pulling the cable from both ends? Do you mean the cable feels like it's binding up or is it the gas pedal that's not returning to its normal position? Also is there a stop screw on the side of the throttle body that can adjust the plates position? It's odd because usually a cable will stretch and be too long, therefore having slack in it, in this case your throttle cable is too tight. Is there an additional cable for the Cruise Control that's pulling on the throttle plates? Because honestly I can't see anything out of those pictures. Maybe if you can take 4 or 5 pictures during the day from different angles around the throttle body.
I mean now we have to figure out why the cable is so tight. Did this original problem happen suddenly or over time?
This is a cable I found from AutoZone, does this look like your cable (Pic 1)? You'll notice there is an adjustment screw towards the bottom of the cable.
Does it make a difference with the cruise cable off?
I mean now we have to figure out why the cable is so tight. Did this original problem happen suddenly or over time?
This is a cable I found from AutoZone, does this look like your cable (Pic 1)? You'll notice there is an adjustment screw towards the bottom of the cable.
Does it make a difference with the cruise cable off?
Sep 23, 2021 at 9:16 PM
pic 1 shows yellow throttle and black cruise cables, 2 and 3 show the position of the throttle (closed) with both cables disconnected, 4 shows position of throttle (open) with throttle cable connected, I took a few pics with cruise connected but they didn't turn out good enough to see but there is a good 1/4 inch of slack at the end. Your pic 1 is pretty close to what I have. Nothing stuck under the pedal I pulled the floor mat out and stuck a mirror behind it.
Sep 24, 2021 at 4:46 PM
So there's no threaded adjustment on the throttle cable anywhere, with a nut on it? not even down at the pedal? Something is holding that cable up, if you pull on the cable does it feel like it moves freely?
Have you followed the cable all the way down to the firewall, does it meet up with any other cables at any point or can you follow it all the way to the pedal and find no places where its kinked in a strange position or something?
I mean you've found the issue. All of those throttle body pics look the same to me, There has to be an adjustment on it somewhere. Cables don't just tighten up like that for no reason. I have been looking all over for diagrams and can't find much. Im doing some investigating and see if i can get a better diagram of where that cable runs too. Hopefully ill have more info tonight.
i do see that a lot of places sell a universal cable like you said. Not sure that will work for you though.
Can you disconnect the cable from the gas pedal?
One more thing, how does the throttle plates move with the cable disconnected, can you turn the plates freely, no binding or anything? Just pull the throttle linkage like the cable would be doing. Make sure that bearing in there isn't binding up.
So it seems other Malibu's have this same issue. They think it's an adjustment issue.
Have you followed the cable all the way down to the firewall, does it meet up with any other cables at any point or can you follow it all the way to the pedal and find no places where its kinked in a strange position or something?
I mean you've found the issue. All of those throttle body pics look the same to me, There has to be an adjustment on it somewhere. Cables don't just tighten up like that for no reason. I have been looking all over for diagrams and can't find much. Im doing some investigating and see if i can get a better diagram of where that cable runs too. Hopefully ill have more info tonight.
i do see that a lot of places sell a universal cable like you said. Not sure that will work for you though.
Can you disconnect the cable from the gas pedal?
One more thing, how does the throttle plates move with the cable disconnected, can you turn the plates freely, no binding or anything? Just pull the throttle linkage like the cable would be doing. Make sure that bearing in there isn't binding up.
So it seems other Malibu's have this same issue. They think it's an adjustment issue.
Sep 24, 2021 at 5:26 PM
I can't see anything on the throttle nut or a screw. If it's on there they have it buried so I'll take the air box off again and move any wires or anything else that could be in the way and take another look. Yes the cable moves freely and my wife says when I move the cable inside the casing the gas pedal moves up and down about an inch and I can hear the pedal hitting the floor. I had her move it and verified it does just that. I'll take a look at the pedal for a nut or something there, I wasn't looking for one before but I don't recall seeing anything that looked odd to me. Yes I followed the cable to the firewall and it's normal at the air breather tube there is a clip it lies on to keep it in place. It goes into a rubber sheathing and runs back beside the brake booster and I looked at that point and I can see where it goes thru the firewall. I followed the cruise to the box of the passenger side and it's secured in place. Figure 2 looks more like what I have so again, I'll get back under there for another look. The throttle opens and closes freely with the cable disconnected. I don't feel any catching or sticking, the tension on that spring I think feels ok but I've found myself looking at it off and on like maybe subconsciously something there is catching my eye, for some reason I just keep looking at it if that makes any sense. No I didn't disconnect at the pedal but since you asked if I did I suppose I should.
Sep 25, 2021 at 8:44 AM
okai, so after some more investigation from another source, this car supposedly does not have any adjustments for the cable. It's only the throttle cable and the cruise control cable. But we must be missing something here.
If you have the cable hooked up, without the cruise cable, it's still hanging the throttle plates open correct?
If so, is it possible to pull up on the gas pedal to allow for the little slack it needs? I mean we're talking about probably a 1/4" inch. Or is it possible that the spring on the throttle body is connected incorrectly? You said you cleaned the throttle bore , so it can't be carbon hanging the cable up.
The only thing I can think of at this point is the cable is maybe binding up inside its case,
I would say order a cable and replace it at this point just to see if that helps.
I'm running out of ideas here. Is the TPS holding it open? have you had that off with the cable on and see if the plates are still open? Try that. We're missing something really simple here. Cables don't shrink,
Also try unhooking the cable from the gas pedal, and keeping it just hooked up to the throttle. See what that looks like.
I have never seen a TPS bind up and hang a cable up, but I suppose its possible. I'm not sure.
You're going to figure it one of these days and be kicking yourself, it has happened to me. But please let me know if you do find out what's going on. I really have to know at this point why those throttle plates are hanging open.
Is this bracket bent at all? You might want to take the whole throttle body right off the car and inspect every part.
Also, the springs that are supposed to pull the throttle closed are supposed to be wound around twice, I think there are 2 of them, if they're weak or not in the correct position, they might not be able to fully pull the throttle closed. With the cable connected can you pull the throttle closed by hand?
That bottom pic is yours, I don't think I see the spring hooked on there.
I just also read about the vacuum behind the throttle plates pulling them slightly open due to worn return springs, does this only happen when its running?
If you have the cable hooked up, without the cruise cable, it's still hanging the throttle plates open correct?
If so, is it possible to pull up on the gas pedal to allow for the little slack it needs? I mean we're talking about probably a 1/4" inch. Or is it possible that the spring on the throttle body is connected incorrectly? You said you cleaned the throttle bore , so it can't be carbon hanging the cable up.
The only thing I can think of at this point is the cable is maybe binding up inside its case,
I would say order a cable and replace it at this point just to see if that helps.
I'm running out of ideas here. Is the TPS holding it open? have you had that off with the cable on and see if the plates are still open? Try that. We're missing something really simple here. Cables don't shrink,
Also try unhooking the cable from the gas pedal, and keeping it just hooked up to the throttle. See what that looks like.
I have never seen a TPS bind up and hang a cable up, but I suppose its possible. I'm not sure.
You're going to figure it one of these days and be kicking yourself, it has happened to me. But please let me know if you do find out what's going on. I really have to know at this point why those throttle plates are hanging open.
Is this bracket bent at all? You might want to take the whole throttle body right off the car and inspect every part.
Also, the springs that are supposed to pull the throttle closed are supposed to be wound around twice, I think there are 2 of them, if they're weak or not in the correct position, they might not be able to fully pull the throttle closed. With the cable connected can you pull the throttle closed by hand?
That bottom pic is yours, I don't think I see the spring hooked on there.
I just also read about the vacuum behind the throttle plates pulling them slightly open due to worn return springs, does this only happen when its running?
Sep 25, 2021 at 3:11 PM
Well, I feel like an idiot. I looked under the hood and was over top of it in all kinds of positions then I got under the dash and started tugging on the other end the started working on the pedal pretty vigorously even pulling it up a little still nothing. Next I started feeling around and still didn't feel anything (I don't have a lot of sensation in my fingers), got a small screwdriver and stuck it under the pedal, nothing. Got a smaller "precision" screwdriver and nothing so then I got the idea of trying to slip a magnet behind it. I fished out a freaking nut. I think it fell behind the pedal about a month ago when I changed my brake booster and I must not have realized I didn't pick them all up, only thing I can think of. I hooked up the throttle cable and cruise and fired her up and idles perfect. I feel like I might have wasted your time and I apologize for that but you have taught me much and I thank you.
Sep 25, 2021 at 4:14 PM
awesome man, no you didn't waste my time, I knew we would find something crazy eventually. It almost always ends up being something simple like that. But think about what a forgotten nut lead to. I code for a TPS low input. But ha , you learned the basics of testing ECM circuits now. Plus, we're here to help to people. I'm glad you were able to find the issue without giving up and bringing it to a dealership. It has been a fun 2 weeks, lol. Anyway, good work. Have a nicer week. =)
Sep 26, 2021 at 8:52 AM
Thank you Al you were great and had the patience of a saint.
Sep 26, 2021 at 9:59 AM

















