Not starting

2000 FORD TAURUS
100,000 MILES
Avatar
BUOCH
  • MEMBER
  • 30 POSTS
Starter good, new switch, but no power going to starter.
Mar 27, 2020 at 11:33 AM
Advertisement
Avatar
ASEMASTER6371
  • CERTIFIED EXPERT
  • 52,796 POSTS
Good afternoon,

Do you have a volt meter or test light to do some tests at the starter relay?

https://www.2carpros.com/articles/how-to-check-wiring

https://www.2carpros.com/articles/how-to-check-an-electrical-relay-and-wiring-control-circuit

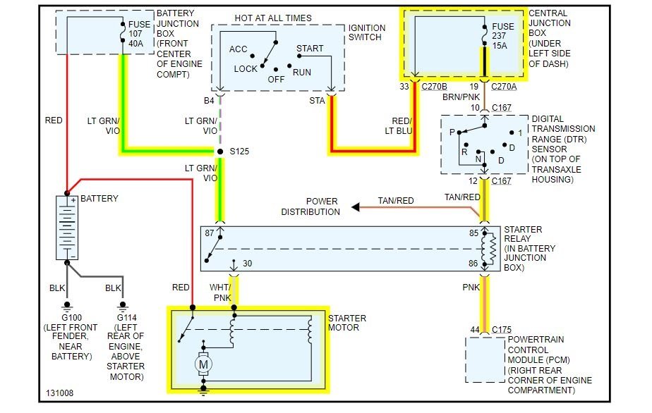
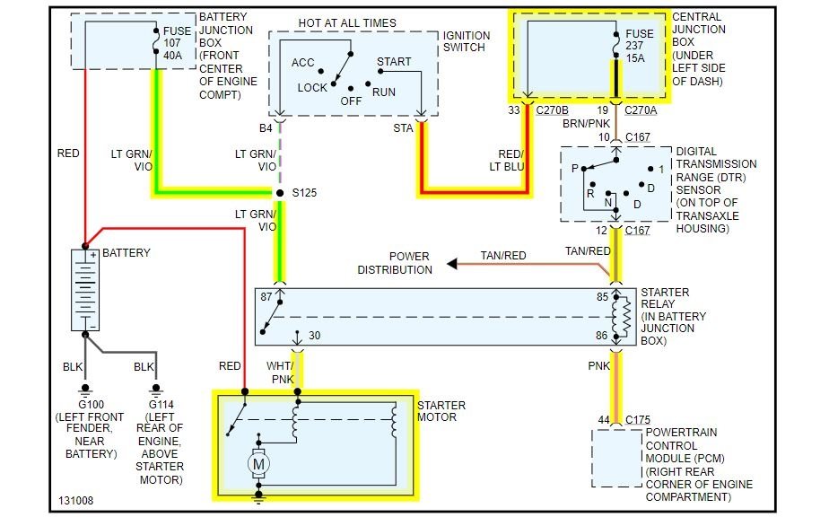
I attached a diagram for you to view.

Roy
Mar 27, 2020 at 11:45 AM
Avatar
KASEKENNY
  • CERTIFIED EXPERT
  • 18,907 POSTS
So I assume you have no power on the control wire but do have power on the 12 volt from the battery? If so then check the fuse, relay, and the range sensor to see if we have power coming from it.

Basically the PCM is in control of the starter so we need to find out where we are loosing voltage so we can see what the issue may be.

Basically we need to just test voltage at each of these locations when you are turning the stater to see where we have voltage. So follow it through from top to bottom on the wiring diagram to see where the voltage stops.

https://www.2carpros.com/articles/how-to-check-wiring

Let me know if you have questions and we can figure out how to answer them. Thanks
Mar 27, 2020 at 11:51 AM
Advertisement
Avatar
BUOCH
  • MEMBER
  • 30 POSTS
Thank you will try see what happens.We have 12 volts starter spins when jumped .We put in new starter switch.Hopefully this will work.Thank you again.
Mar 27, 2020 at 3:46 PM
Avatar
ASEMASTER6371
  • CERTIFIED EXPERT
  • 52,796 POSTS
Did you check for voltage to the relay?

Roy
Mar 27, 2020 at 3:49 PM
Avatar
BUOCH
  • MEMBER
  • 30 POSTS
No. try tomorrow not near car .Just seems funny turned car off 8 hours later would not start. Thank you, will try.
Mar 27, 2020 at 4:26 PM
Avatar
ASEMASTER6371
  • CERTIFIED EXPERT
  • 52,796 POSTS
Keep us updated.

Roy
Mar 27, 2020 at 4:27 PM
Avatar
BUOCH
  • MEMBER
  • 30 POSTS
Okay, will do. again thanks .Old cars easier to me .Newer with computers mess with me.
Mar 27, 2020 at 4:43 PM
Avatar
KASEKENNY
  • CERTIFIED EXPERT
  • 18,907 POSTS
Haha. Very true. Let us know how you make out. Thanks
Mar 27, 2020 at 6:52 PM
Avatar
BUOCH
  • MEMBER
  • 30 POSTS
Have power to neutral safety switch power, to starter.Relay clicks under hood but no power on wire going to solenoid.
Mar 28, 2020 at 9:38 AM
Avatar
ASEMASTER6371
  • CERTIFIED EXPERT
  • 52,796 POSTS
Check for power to pin 87 on the relay with the key in the on position.

https://www.2carpros.com/articles/how-to-check-an-electrical-relay-and-wiring-control-circuit

Roy
Mar 28, 2020 at 12:06 PM
Avatar
BUOCH
  • MEMBER
  • 30 POSTS
Have power with key on, key off no power.
Mar 28, 2020 at 12:34 PM
Avatar
BUOCH
  • MEMBER
  • 30 POSTS
In fuse box second relay clicks when key turned on.
Mar 28, 2020 at 12:36 PM
Avatar
BUOCH
  • MEMBER
  • 30 POSTS
When key trend on no sound from fuel pump.
Mar 28, 2020 at 12:37 PM
Avatar
ASEMASTER6371
  • CERTIFIED EXPERT
  • 52,796 POSTS
You need power to 85 with the key on. That comes from the park.neutral switch.

Roy
Mar 28, 2020 at 12:41 PM
Avatar
BUOCH
  • MEMBER
  • 30 POSTS
Fuse box is burned looking below relays in engine department..That is the ones on left side of of fuse box.These relays are yellow looking.
Mar 28, 2020 at 12:56 PM
Avatar
BUOCH
  • MEMBER
  • 30 POSTS
With key on 87 is bright on test light but dim on 30 if that helps.Pulling on straws now.
Mar 28, 2020 at 12:59 PM
Avatar
BUOCH
  • MEMBER
  • 30 POSTS
No power at all on 85 nor 86 key on or off.
Mar 28, 2020 at 1:01 PM
Avatar
BUOCH
  • MEMBER
  • 30 POSTS
Lights work dash lights work .Alarm light stays on at all times.
Mar 28, 2020 at 1:02 PM
Avatar
ASEMASTER6371
  • CERTIFIED EXPERT
  • 52,796 POSTS
Okay, you said there was power through the park/neutral switch which means if there is no power to the pin 85 then you have a broken wire between the park/neutral switch and the relay.

Roy
Mar 28, 2020 at 1:03 PM
Avatar
BUOCH
  • MEMBER
  • 30 POSTS
No have power at neutral switch on one pin.
Mar 28, 2020 at 1:16 PM
Avatar
BUOCH
  • MEMBER
  • 30 POSTS
Really do not know what relay you are talking about.Seems l have 4 yellow relays and two black ones in fuse box under hood with same numbers on them.
Mar 28, 2020 at 1:19 PM
Avatar
ASEMASTER6371
  • CERTIFIED EXPERT
  • 52,796 POSTS
Which pin? What is the color of the wire?

Roy
Mar 28, 2020 at 1:52 PM
Avatar
BUOCH
  • MEMBER
  • 30 POSTS
All wires are so greasy cannot tell .With key on one wire lights test light.Think it may be chip in key.She only has one key.Take to key shop see if they can let me know.No noise for fuel pump at all.Hate taking up your time.
Mar 28, 2020 at 4:17 PM
Avatar
ASEMASTER6371
  • CERTIFIED EXPERT
  • 52,796 POSTS
It is no problem. That is why we are here.

You need to test for power to the switch with the key in the start position. That will be the input from the ignition switch. Then there also should be an output, usually the purple wire, that goes on down the line.

Roy
Mar 28, 2020 at 4:21 PM
Avatar
BUOCH
  • MEMBER
  • 30 POSTS
Thank you.The car is 30 miles from me. My iPad does not work too good out there.Have power to starter power in and out of 40 amp fuse.Power at 87 with key on power to neutral switch power to 15 amp fuse in and out.Have long diagram with starter relay in junction box with 85 86 no power.Now at a lost.
Mar 28, 2020 at 4:31 PM
Avatar
ASEMASTER6371
  • CERTIFIED EXPERT
  • 52,796 POSTS
The power for the relay control side, 85, comes from the neutral switch.

Did you verify that power at the switch was in start position only?

Roy
Mar 28, 2020 at 4:46 PM
Avatar
BUOCH
  • MEMBER
  • 30 POSTS
No, just checked for power. will do tomorrow.
Mar 28, 2020 at 5:17 PM
Avatar
ASEMASTER6371
  • CERTIFIED EXPERT
  • 52,796 POSTS
Okay, keep me updated.

Roy
Mar 28, 2020 at 5:18 PM
Avatar
BUOCH
  • MEMBER
  • 30 POSTS
Okay, let you know.Thanks again.
Mar 28, 2020 at 5:30 PM
Avatar
ASEMASTER6371
  • CERTIFIED EXPERT
  • 52,796 POSTS
You are welcome.

Always glad to help.

Roy
Mar 28, 2020 at 5:32 PM
Avatar
BUOCH
  • MEMBER
  • 30 POSTS
Have 12 volts to battery 40 amp fuse good, hot to starter, hot to 87, in box in front of engine compartment.15 amp fuse under dash is good.Black yellow wire in neutral safety switch.Still no power to red white to start motor.
Mar 30, 2020 at 6:43 AM
Avatar
ASEMASTER6371
  • CERTIFIED EXPERT
  • 52,796 POSTS
I need to know the voltages at the switch as I requested.

Roy
Mar 30, 2020 at 6:45 AM
Avatar
BUOCH
  • MEMBER
  • 30 POSTS
Around 90 volts between 85 and 86.
Mar 30, 2020 at 6:50 AM
Avatar
ASEMASTER6371
  • CERTIFIED EXPERT
  • 52,796 POSTS
Impossible. You have a 12 volt battery.

We or you established there is no power to the control side of the relay from the switch. I want to confirm that there is power coming out of the switch. If there is no power, you have a switch issue. If you do have power, you have a wiring issue between the switch and the relay.

Roy
Mar 30, 2020 at 6:52 AM
Avatar
BUOCH
  • MEMBER
  • 30 POSTS
Must be wire problem.Thank you. told her to get rid of that Ford and buy Chevrolet. Thank you for all your time.
Mar 30, 2020 at 6:58 AM
Avatar
BUOCH
  • MEMBER
  • 30 POSTS
Sorry Roy that was ohms .
Mar 30, 2020 at 3:51 PM
Avatar
ASEMASTER6371
  • CERTIFIED EXPERT
  • 52,796 POSTS
No problem at all.

You need to check voltage, not ohms.

Can you give me the reading in volts? You measure it with someone holding the key to the start position.

Roy
Mar 30, 2020 at 4:11 PM
Avatar
BUOCH
  • MEMBER
  • 30 POSTS
Sorry, not near car maybe get her to come out.My mistake. will try tomorrow. thanks
Mar 30, 2020 at 4:17 PM
Avatar
ASEMASTER6371
  • CERTIFIED EXPERT
  • 52,796 POSTS
Okay, let me know.

Roy
Mar 30, 2020 at 4:26 PM
Avatar
BUOCH
  • MEMBER
  • 30 POSTS
No power to relay on 86 87 only have power to the 30 pin.
Mar 31, 2020 at 2:11 PM