Engine cranks but will not start

2001 MITSUBISHI ECLIPSE
180,000 MILES • 2.4L • 4 CYL • 2WD • MANUAL
Avatar
YASMIN RAMIREZ
  • MEMBER
  • 10 POSTS
I have a no start issue. the car cranks but will not start. i have no spark ans no power to any of my sensors. i do have power to my coil pack and fuel pump, but my fuel pump will not kick on. i also have a no link when i connect the OBD reader. i have replaced the crankshaft sensor, the camshaft sensor, the fuel pump and one fuel pump relay's. i also replaced spark plugs wires, spark plugs, coil packs and three injectors.
also, when i test for a short using the method of a test light n the negative cable and pulling the fuses one by one the light turns of on the fuse with the picture of car door unlocking, meaning the anti-theft fuse. how can i fix my problem?
Jan 7, 2018 at 3:13 PM
Advertisement
Avatar
STRAILER
  • CERTIFIED EXPERT
  • 53,854 POSTS
Hello,

It sounds like you have an MFI relay that is out or a fuse that is blown here are guides to help you do some testing a long with the relay and fuse locations. Also, check the fusible links as well.

https://www.2carpros.com/articles/how-to-check-a-car-fuse

and

https://www.2carpros.com/articles/how-to-check-an-electrical-relay-and-wiring-control-circuit

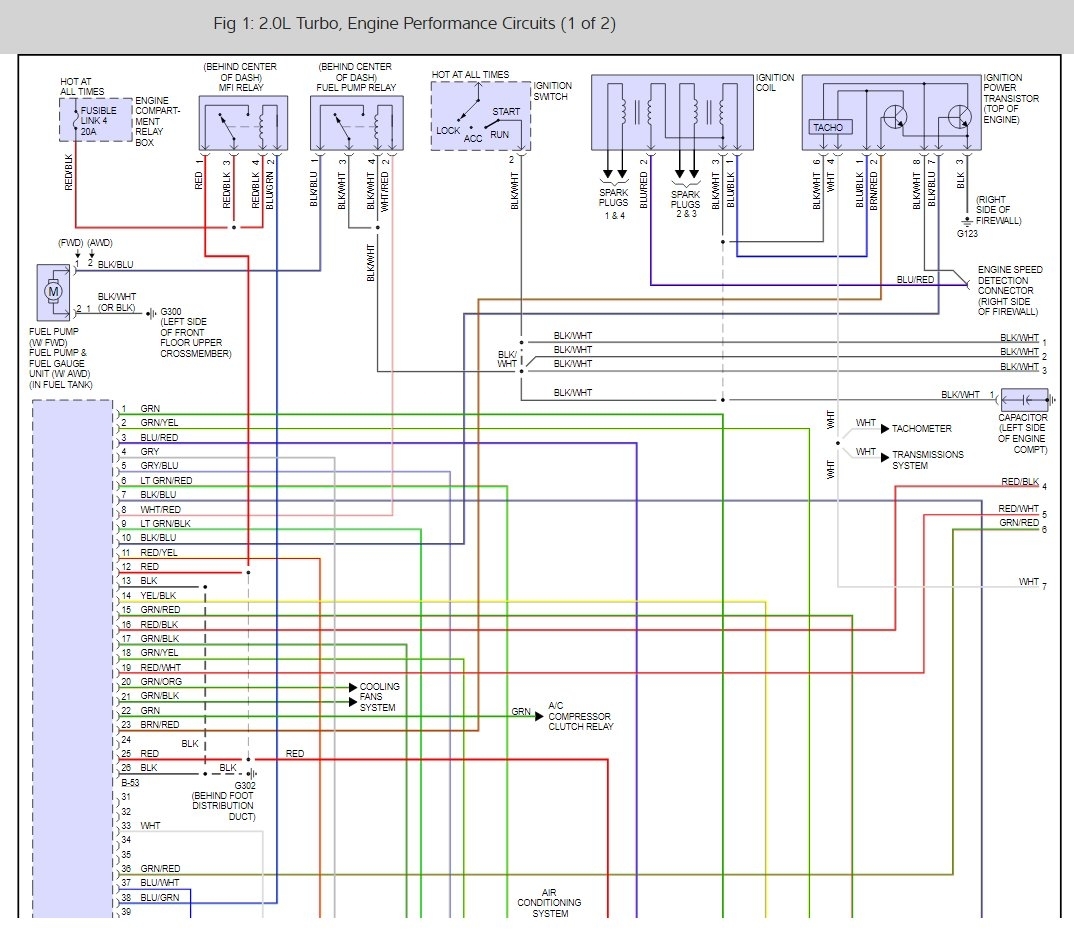
Check out the diagrams (below).

Let us know what happens and please upload pictures or videos of the problem.

Cheers, Ken
Jan 9, 2018 at 1:32 PM
Avatar
YASMIN RAMIREZ
  • MEMBER
  • 10 POSTS
Thank you so much for responding ive checked all the fuses all of them are good except when i first did the finding a short test by disconnecting the negative and clipping the test like from the connecter and the post of the negative battery the light was on then i pulled each fuse one by one until the light shut off which was the fuse that controls the lock and unlock the antitheft fuse 13 i believe the fuse was not blown tho i have no power going to my oxygen sensor camshaft crankshaft sensor i do have power to coil packs the car does crank and there is power going to my fuel pump even with starter fluid being used the car still wont turn on the timing is correct on the car the check engine light also does not turn on in the dash im guessing thats why the obd reader says no link so i will look at all the diagrams u sent me and work on it also the problem started on a cold morning i went out to warm up the car and all of a sudden it turned off n ever since then it hasnt turned back on
Jan 9, 2018 at 10:43 PM
Advertisement
Avatar
STRAILER
  • CERTIFIED EXPERT
  • 53,854 POSTS
Yep it is sounding more like the MFI relay or the power source to the relay please use a test light and check when you can.
Jan 10, 2018 at 11:39 AM
Avatar
YASMIN RAMIREZ
  • MEMBER
  • 10 POSTS
Thank you so after checking and replacing all the fuses and relays with the diagrams you gave me now i have power to my fuel pump and fuses i still have one issue so the car still wont start the o2 sensor if the front had been previously cut by the previous owner and i dont no how its suppose to wire it has a total of 5 wires 1 black 1 white 1 stripped just copper wire 1 red and 1 brown
Jan 14, 2018 at 9:38 AM
Avatar
YASMIN RAMIREZ
  • MEMBER
  • 10 POSTS
I guessed on the wiring n connected the white the black n copper wite together and left the brown trigger wire alone n connected the red to the black and red ignition wire to get power to the sensor when i move the wiring i hear a poopping noisr from the fuse box meanig something is not connected correctly i cant find a wiring diagram anywhere for the front oxygen sensor
Jan 14, 2018 at 9:42 AM
Avatar
STRAILER
  • CERTIFIED EXPERT
  • 53,854 POSTS
The wiring for the oxygen sensor are on the third wiring diagram over toward the top. Let me know if you need further instruction.
Jan 15, 2018 at 11:04 AM
Avatar
YASMIN RAMIREZ
  • MEMBER
  • 10 POSTS
So i checked everything as you advised and replaced some relays and fuses and the car started but the obd reader gave me a po340 code i drove the car down the street and the car died on me now it wont start back up i checked all my sensor they all have power i also replaced the starter because the starter was bad
Jan 19, 2018 at 6:26 AM
Avatar
STRAILER
  • CERTIFIED EXPERT
  • 53,854 POSTS
That code is for the camshaft position sensor. I am wondering if you have a timing belt that is slipping or moved a tooth. Have you done a timing belt on it or can you confirm that it is correct?

Here is a guide

https://www.2carpros.com/diagrams/mitsubishi/eclipse/2001

let me know have a good weekend!
Jan 19, 2018 at 11:08 AM
Avatar
YASMIN RAMIREZ
  • MEMBER
  • 10 POSTS
Yes the timing is correct i have spark i have fuel and power to all my sensors what i dont have power to is to my starter relay and a small black relay in the engine compartment i have no idea why need a diagram for the starter relay
Jan 23, 2018 at 8:07 PM
Avatar
STRAILER
  • CERTIFIED EXPERT
  • 53,854 POSTS
Lets check for where you are losing power. Here is a guide and a wiring diagram to help you do some testing.

https://www.2carpros.com/articles/how-to-use-a-test-light-circuit-tester

It doesn't seem to have a starter relay.


Jan 24, 2018 at 11:00 AM
Avatar
YASMIN RAMIREZ
  • MEMBER
  • 10 POSTS
So i am puzzled i dont no what else could be my issue the timing is right everything has power to it i have no codes it cranks and it has spark but it wont start back up i tried spraying starter fluid and it still did not start
Jan 27, 2018 at 6:41 PM
Avatar
STRAILER
  • CERTIFIED EXPERT
  • 53,854 POSTS
Lets start from the beginning. Please check if you have compression. Here is a guide.

https://www.2carpros.com/articles/how-to-test-engine-compression

Jan 28, 2018 at 1:14 PM
Avatar
YASMIN RAMIREZ
  • MEMBER
  • 10 POSTS
Ok thank you for your time and patience just checked the compression on the car and its good what i did notice is that the spark plugs r dry not wet would this have anything to do with my no start issue they all have spark
Jan 29, 2018 at 2:19 AM
Avatar
STRAILER
  • CERTIFIED EXPERT
  • 53,854 POSTS
Yep we are getting closer. Lets check for injector pulse to see if the injectors are getting a signal.

https://www.2carpros.com/articles/how-to-test-a-fuel-injector

Please let us know what happens.

Cheers, Ken
Jan 29, 2018 at 11:02 AM
Avatar
YASMIN RAMIREZ
  • MEMBER
  • 10 POSTS
Yes there is signal at the injectors im not smelling gas in the engine tho
Jan 29, 2018 at 11:41 AM
Avatar
STRAILER
  • CERTIFIED EXPERT
  • 53,854 POSTS
Can we plug all spark plugs and keep them in order then take a picture of the electrodes and upload them here so I can see what they look like.
Jan 30, 2018 at 10:19 AM
Avatar
YASMIN RAMIREZ
  • MEMBER
  • 10 POSTS
Yes, sorry it has taken me so long to respond still have the same issue. I will take a picture of the spark plugs. Each one has spark there is compression and fuel, but just cranks no start. Also, used starting fluid still nothing. Tried push starting it also nothing. Just keeps cranking. On the dash the battery and the oil light stays on. I believe the only light that turns off on the dash when cranking or on position is the check engine.
Jul 19, 2018 at 12:39 AM
Avatar
STRAILER
  • CERTIFIED EXPERT
  • 53,854 POSTS
The fact that it has compression and spark and you use starting fluid but it still will not run is telling me you may have a plugged catalytic converter which will allow exhaust to exit the engine. Here is a guide to help confirm the issue:

https://www.2carpros.com/articles/how-to-test-a-catalytic-converter

Please run down this guide and report back.

Cheers, Ken
Jul 19, 2018 at 11:14 AM
Avatar
LITTLE BOB
  • MEMBER
  • 1 POST
Okay, water pump went out changed pump, timing belt all gaskets back together and no start. Started checking and double checking made sure everything was plugged in double checked timing checked fuel fuel pressure excellent no power to coil. replaced crank, cam sensor, replace ECM still no fire. started checking relays none found to be bad. cam censor not putting out enough voltage only 4.6V. so replaced thinking maybe a defect, no start I have even chased wiring harness checking to see if I pinched a wire or maybe I broke one no problems found. I am at a loss. What do I do from here?
Apr 1, 2019 at 6:19 PM (Merged)
Avatar
STRAILER
  • CERTIFIED EXPERT
  • 53,854 POSTS
Hello,

It sounds like the MFI relay has gone bad which is located behind the dash. Here are some guides and diagrams (Below) to help you do some testing and get the problem fixed.

https://www.2carpros.com/articles/how-to-check-an-electrical-relay-and-wiring-control-circuit

and

https://www.2carpros.com/articles/how-to-use-a-test-light-circuit-tester


Please run some tests and get back to us we are interested to see what it is.

Cheers, Ken

Apr 1, 2019 at 6:19 PM (Merged)
Avatar
BOONIE26
  • MEMBER
  • 5 POSTS
Car will not start. I get a few codes but I want to think it is the code P0403.
Apr 1, 2019 at 6:19 PM (Merged)
Avatar
CARADIODOC
  • CERTIFIED EXPERT
  • 34,306 POSTS
Why would you not include all the fault codes? Code 403 refers to the EGR system. That will not cause a failure to start or run. You also have an engine running problem but you did not bother to list which engine you have. You need to provide some information or test results to analyze. Do you even know if it is fuel, spark, or both that are missing? I am assuming the starter cranks the engine, but if it does not, people also call that a "no-start".
Apr 1, 2019 at 6:19 PM (Merged)
Avatar
BOONIE26
  • MEMBER
  • 5 POSTS
It is a v6. It started and then died out. And will not start again. It cranks but will not start. I think it is getting gas cause I can smell it. I get codes po431 421 456 128 403 340 153.
Apr 1, 2019 at 6:19 PM (Merged)
Avatar
CARADIODOC
  • CERTIFIED EXPERT
  • 34,306 POSTS
Dandy. You have a 3.0L engine. I thought there was another V-6 available, but I see that is not the case for this model.

P0128 - ECT Below Thermostat Regulating Temperature
P0153 - Oxygen Sensor Circuit Slow Response (Bank 2 Sensor 1)
P0340 - Camshaft Position Sensor Circuit Malfunction
P0403 - Exhaust Gas Recirculation Circuit Malfunction
P0421 - Warm Up Catalyst Efficiency Below Threshold (Bank 1)
P0431 - Warm Up Catalyst Efficiency Below Threshold (Bank 2)
P0456 - EVAP Leak Monitor Small Leak Detected

Code 456 will usually require the use of a smoke machine because small leaks are almost impossible to find any other way.

Without digging further, code 403 is not specific enough to know where to start. This could refer to a failed sensor or its wiring for the sensor on the EGR valve. It could also refer to incorrect gas flow is seen when the valve is opened. Regardless, these two codes will not cause a no-start.

Codes 153, 421, and 431 could potentially all be related to code 128, so start with code 128. Suspect the thermostat is stuck open. If it is, you won't get nice hot air from the heater. The engine computer calculates fuel needs based on multiple engine sensors, including the engine coolant temperature, (code 128). When a specific temperature is reached, the system switches to "closed loop", meaning the computer adds the front oxygen sensors' readings to the list of variables to fine tune the fuel metering calculations. If the coolant is not getting up to normal operating temperature, the computer may not look at the O2 sensor readings. Codes 421 and 431 are derived from readings from the two rear oxygen sensors. The computer may be confused because what it expects to see is not taking place in the catalytic converters because they are not getting hot enough to do their thing.

The problem with my guessing is to set any diagnostic fault code, there is always a long list of conditions that must be met, and one of those conditions is certain other codes cannot already be set. That is because the computer is constantly comparing numerous sensor readings and operating conditions to each other to figure out when one is wrong. If a code is set for a sensor reading, any test that needs that reading to be compared to will be suspended. With some tests suspended, defects will not be detected and codes related to them will not be set. To say that a different way, when multiple codes are set, you must consider the possibility they all refer to individual, unrelated problems. The best approach is to start with anything that looks like it might be causing all the problems, fix that problem first, erase the fault codes, then see which codes set again, and start from scratch.

Code 340 is the one you need to start with. Listen for the hum of the fuel pump for one second after turning on the ignition switch. If you hear that, the automatic shutdown, (ASD), relay is working and the engine computer has control of it. That relay sends current to the ignition coil, injectors, oxygen sensor heaters, and fuel pump or pump relay. At issue is that relay turns on again during engine rotation, (cranking or running), and the computer knows that by the signal pulses it receives from the crankshaft position sensor and the camshaft position sensor. You have a code for the camshaft position sensor circuit, but a missing signal from either sensor will prevent the ASD relay from being turned on, and you will have no spark and no injector pulses.

By far most crank / no-starts are caused by loss of spark and fuel. Less than about five percent are caused by loss of spark or fuel. The fact you smell gas suggests you have only a loss of spark, but that would not agree with code 340. Assuming you do not have a scanner to view live data, the best approach is to replace the cam sensor. It is important to understand that fault codes never say to replace parts or that one is bad. When a part is referenced in a code, as in code 340 here, that part is actually the cause of that code about half of the time First we rule out wiring and connector terminal problems before we order a sensor, but in this case, the sensor costs a lot less than paying for an hour of diagnostic time. If you are wrong, you can save the part for later. If you are right, you will have saved a bundle.
Apr 1, 2019 at 6:19 PM (Merged)
Avatar
BOONIE26
  • MEMBER
  • 5 POSTS
It was twenty below a few days and I did notice heating not warming good and temperature gauge not normal, needle low on gauge. Just wanted to mention that I thought maybe my coolant was weak.
Apr 1, 2019 at 6:19 PM (Merged)
Avatar
CARADIODOC
  • CERTIFIED EXPERT
  • 34,306 POSTS
Nope. Coolant is coolant when it comes to transferring heat from the engine to the heater core in the dash. Water actually holds more BTUs of heat than does antifreeze, so it is more effective at moving heat to the heater and to the radiator. The problem is the coolant will do severe damage to the engine, radiator, heater core, and hoses if it freezes. That is one reason we need to add some antifreeze. The other reason is antifreeze has additives in it that prevents corrosion and lubricates the water pump bearings and seals.

As long as the coolant is not frozen, it is going to transfer heat away from the engine. If it does that too well, before it has reached about 195 degrees, it is due to the thermostat opening too soon, or it is stuck open. It needs to remain closed until the desired temperature is reached, then it will open and let coolant flow to the radiator. Some engine parts are purposely shaped incorrectly, and will develop excessive wear because of that, because they expand to fit properly when they reach proper operating temperature. That is why almost all engine wear takes place in the few minutes the engine is warming up, and almost no wear takes place during extended highway driving. So besides needing the thermostat to work right to get good heat from the heater, it needs to work right to reduce engine wear and for the fuel mileage to be its best and emissions to be its lowest.

Once you get the no-start solved, work on the low coolant temperature problem. If solving that solves the other issues, you are ahead of the game. If the other fault codes still come back, you have not lost anything. Now you are operating in our world where it can be impossible to give you an accurate estimate for repairs.
Apr 1, 2019 at 6:19 PM (Merged)
Avatar
JAYSIMON02
  • MEMBER
  • 1 POST
When I first got the car it would not crank at all. After I bought a new fuel filter, spark plugs, and cam shaft sensor, It cranked right up. the only problem after that is that when the engine warmed up, if I cut it off, it wouldn't start back up until it cooled all the way down. I was advised that the new problem could be a faulty crankshaft position sensor. Before I could put the crankshaft sensor on, it started having the original turn but no start problem. I know the fuel is still pumping but when I checked the spark plugs, they where receiving no power. What could stop power from flowing to the coil pack and injectors.
Apr 1, 2019 at 6:19 PM (Merged)
Avatar
CARADIODOC
  • CERTIFIED EXPERT
  • 34,306 POSTS
First lets clear up some terminology so we're both talking about the same things. "Would not crank at all" is a starter problem. The spark plugs and fuel filter aren't even in the picture yet. If the starter is cranking the engine, you have most likely had the same problem all along but you replaced the wrong parts. The place to start is by reading the diagnostic fault codes. Mitsubishi and Chrysler have a lot of things in common but I don't know if reading codes is one of them. With Chryslers, cycle the ignition switch from "off" to "run" three times within five seconds, leave it in "run", then count the flashes of the Check Engine light. You'll get from one to five flashes for the first digit, a short pause, then a series of flashes for the second digit. After a longer pause the next code will flash the same way if there is one.

The most common failure is the camshaft position sensor. The Engine Computer needs to see pulses from it and the crankshaft position sensor, then it knows the engine is rotating, (cranking or running). When it sees engine rotation, it turns on the automatic shutdown (ASD) relay. That relay sends current to the ignition coil, injectors, and fuel pump or pump relay.

Both of these sensors commonly start to fail by becoming heat-sensitive. They will either stop working after the engine has warmed up, resulting in stalling, or they'll fail right after a hot engine is turned off and that heat migrates up to them. You'll have a "cranks / no-start" condition, but it will work again once it cools down for an hour.

To verify the rest of the ASD relay circuit is working, monitor the voltage at the ignition coil or any injector with a test light. A voltmeter will work too but some don't respond fast enough to be accurate. You will see the test light light up for one second after turning on the ignition switch. That tells you the circuit is working and the computer has control over the relay. The test light should turn on again during engine cranking. If it does, and it stays on steady, you have a fuel pump OR a spark problem. Both are relatively rare. Most commonly the light will not turn on during cranking. That's when you look at those two sensors.
Apr 1, 2019 at 6:19 PM (Merged)
Avatar
CRAZYDRIVER843
  • MEMBER
  • 12 POSTS
Electrical problem
1996 Mitsubishi Eclipse 4 cyl Front Wheel Drive Manual

I am having an issue with the ignition with my car it is an eclipse rs n/t. I have just recently replaces the trans. and rebuilt the top end. After being put back together it ran better than when I bought it for a day and a half. I was driving to go fill up when the car suddenly died and would not start back up. The engine with turn but will not start. There is plenty of fuel getting to the injectors I have check by the schrader valve on the fuel rail. fuel will squirt out over the engine and out the car. the timing belt is very new and timing is dead on, this car has an interference engine. I have check the coil against the spec. in a repair manual and found that it tested good and bad by the book. I had tried a new coil and still the same issue. I visualy checked over the wiring in the main harness and have found no cut or grounded out wires. I hooked up a scanner and was not getting a crank reference for the crank sensor. I replaced the crankshaft position sensor and had to use a pig tail. I wired up the connector just the way the factory one was wired. I am still getting the same issue. I am in the process of back probing all the sensors that would lead to a no spark and starting issue. I have asked a friend that works for a dealership about this and have gotten some feedback all leading to a short somewhere in the wiring. I have not heard of an ecm to fri while driving.
Apr 1, 2019 at 6:19 PM (Merged)
Avatar
CARADIODOC
  • CERTIFIED EXPERT
  • 34,306 POSTS
Both the camshaft and crankshaft position sensors are supplied with 8.0 volts on their yellow wires. That's terminal # 1 on both connectors.

Ground wires appear to be black with a green stripe, (B-G), (I have a hard time with Mitsubishi wiring diagrams). They should have close to 0.2 volts. That's terminal # 2.

Terminal # 3, (L-W) is the crankshaft sensor's signal wire. Voltage should pulse between 0 and 5.0 volts during engine cranking.

The camshaft sensor's signal wire is "L-R". No idea what color "L" is.

If either sensor is unplugged, its signal wire should go to 5.0 volts.

If you find the 8.0 volt supply missing to only one sensor, suspect a broken wire, commonly at the splice. If it's missing at both sensors, there could still be a broken common feed wire, or that circuit could be shorted to ground. If a short is located and removed, the ignition switch must be turned off and back on for the 8.0 volts to come back. When that line is shorted, the Engine Computer shuts the supply down to protect it. It won't turn back on until the ignition switch is cycled.

A shorted 8.0 volt line can also be determined with an ohm meter, but the ignition switch must be turned off.

caradiodoc
Apr 1, 2019 at 6:19 PM (Merged)
Avatar
CRAZYDRIVER843
  • MEMBER
  • 12 POSTS
I have gone back and have tested the crank, and the cam sensors for voltage. All of this is with the ignition on and not cranking. Here is what i got with the ignition turned on i get 8.0v to both cam and crank supply wires. with the ignition off i got .002v to both supply wires. The cam signal wire with ignition on 4.25v and the crank with ignition on 4.25v. I tested the coil wires with the ignition on and cranking i got no voltage to any wires at all and there are 3 different colored wires none having a common wire with the crank, cam sensor. The color wires are as follows #1 blk w/blue line, #2 black w/red line, #3 solid lt. brown wire. I have tested all 3 of these wires at the ECM computer and did not get any voltage. Could this be due to a shorted out wire and if so where could a possible location be. Would this be a messed up ECM or possibly a relay that is bad somewhere?
Apr 1, 2019 at 6:19 PM (Merged)
Avatar
CARADIODOC
  • CERTIFIED EXPERT
  • 34,306 POSTS
Nope, when you're working with the coils, you're in a different circuit. Voltage for the coil(s), injectors, alternator field, and fuel pump or pump relay comes through the Automatic Shutdown (ASD) relay. The Engine Computer turns the relay on when it gets pulses from the cam and crank sensors. So, check for voltage at the coil while a helper is cranking the engine.

caradiodoc
Apr 1, 2019 at 6:19 PM (Merged)
Avatar
CRAZYDRIVER843
  • MEMBER
  • 12 POSTS
What should the spec. be for the primary and secondary coil. I tested it and what the repair book said that i got from advance stated that it was both good and bad. I can't remember what i got but one of coils teasted weak. I replaced it with a new one from advance and it didn't start. This is what i first thought was the problem. So i took it back thinking mine was still good.
Apr 1, 2019 at 6:19 PM (Merged)
Avatar
CARADIODOC
  • CERTIFIED EXPERT
  • 34,306 POSTS
Forget about the coils. In a previous test, you said there was no voltage to them during cranking. If that is still correct, the Automatic Shutdown (ASD) relay isn't turning on. That will be related to the crankshaft position sensor or the camshaft position sensor. If those signals are missing, the Engine Computer turns the ASD relay off and there will be no voltage to the coils, injectors, alternator field, and fuel pump.

caradiodoc
Apr 1, 2019 at 6:19 PM (Merged)
Avatar
CRAZYDRIVER843
  • MEMBER
  • 12 POSTS
I have gone thru the whole main harness and traced all the wirs to find any nicks or anything that would cause a short. Everything is now hooked back up and i have found that when cranking there is only good blue spark from the #2, #3 spark plugs and nothing from #1,#4 plugs. Would this be the coil pack now that is bad? I have tired a new coil pack before but when it wouldn't start i brought it back to get my old one and that is what is on it now.
Apr 1, 2019 at 6:19 PM (Merged)
Avatar
CARADIODOC
  • CERTIFIED EXPERT
  • 34,306 POSTS
If you have two individual coils, try switching them, then see if the same coil fires. If they are both in one assembly, try switching the two control wires, then see if the other coil fires. That will tell if it's the coil or the control wire.

This symptom sounds very much like what can happen with a Dodge Neon with the single overhead camshaft. The dowel pin between the camshaft and sprocket breaks, and the sprocket turns on the cam a little. That can be just enough to partially shut the system down to where only one of the two coils fire.

caradiodoc
Apr 1, 2019 at 6:19 PM (Merged)
Avatar
CRAZYDRIVER843
  • MEMBER
  • 12 POSTS
When i rebuilt the topend i never took the cam sprokets off i left them all together and took off the timing blet cover with i.t Where would the pin be located for this? As mine is dohc. The coil pack only has one connector going to it and the coil is a sealed unit.
Apr 1, 2019 at 6:19 PM (Merged)
Avatar
CRAZYDRIVER843
  • MEMBER
  • 12 POSTS
I replaced the coil pack and i am now getting spark frome each plug now. Still the engine will not start it will just crank. Should i now start to look at the injectors for an issue or possably fuel. I did change the fuel filter befor it died, iabout 15-20 miles . Could you tell me what would cause spark out of order, or the injectors to pulse out of order.
Apr 1, 2019 at 6:19 PM (Merged)
Avatar
CARADIODOC
  • CERTIFIED EXPERT
  • 34,306 POSTS
The pin for the cam sprocket is not something you would have caused. Hope I didn't leave you with that impression. That only applies to the single cam engines.

Happy to hear you have spark now. Injectors out of order would still allow the engine to run. Fuel would still get into the engine. Check for fuel pressure. The pump might not run unless the engine is being cranked. Look for a fuel pump relay. You can bypass it with a piece of wire or by removing the cover and squeezing the contact. If the pump runs this way, but not during cranking, look again to the cam and crank position sensors. You may need to measure on their wires for the voltages.

If the pump does run during crankiong, wait a minute, then measure fuel pressure to see if it is bleeding down.

caradiodoc
Apr 1, 2019 at 6:19 PM (Merged)
Avatar
CRAZYDRIVER843
  • MEMBER
  • 12 POSTS
I have found thst the injectors are not spraying. i have tested thenjectors and they sre good. Would you think the cam sensor is bad? I did find out that the fuel pump, MFI relay are the same i did switch them to see if that could be the problem. that didn't make any change.
Apr 1, 2019 at 6:19 PM (Merged)