No spark at the plugs?

1994 FORD F-150
220,000 MILES • 5.0L • V8 • 2WD • AUTOMATIC
Avatar
ANGELA PEACOCK
  • MEMBER
  • 2 POSTS
My truck is sporadically. At the times it will not start. there is no spark at the coil. I have replaced the coil pack, ignition sensor, fuel filter, o2 sensor, plugs and wires and tested the pump. It will turn over but not crank most of the time. After sitting for a day or so it will crank and run fine. I have checked for a vapor lock as well and nothing seems to correct the problem. Any ideas?
Aug 13, 2017 at 10:21 AM
Advertisement
Avatar
DIESEL&AUTOTECH
  • MEMBER
  • 5 POSTS
I would lean more to crank sensor. My truck had same issue with no check engine light. Took me a day to realize it was the crank sensor registering but no signal output. This guide can help us

https://www.2carpros.com/articles/how-to-test-an-ignition-system

Please run down these guides and report back.
Aug 13, 2017 at 11:28 AM
Avatar
STRAILER
  • CERTIFIED EXPERT
  • 53,854 POSTS
DIESEL&AUTOTECH is right. The crankshaft angle sensor or PIP can cause the problem you have described.

Here is a diagram (below) that will help you get the problem fixed. This hall effect sensor goes out all the time.


Please let us know what happens, we are interested to see what it is.

Cheers, Ken

Aug 16, 2017 at 11:47 AM
Advertisement
Avatar
DIESEL&AUTOTECH
  • MEMBER
  • 5 POSTS
Wow that is greatly detailed. Thanks for the enlightenment Ken.
Aug 16, 2017 at 1:10 PM
Avatar
STRAILER
  • CERTIFIED EXPERT
  • 53,854 POSTS
We are a team, helping people get back on the road. Please help out on the site when you can :)
Aug 16, 2017 at 8:48 PM
Avatar
ANGELA PEACOCK
  • MEMBER
  • 2 POSTS
Thanks for all of the advicadvice. I am going to try it out this weekend. I'll let you know what happens.
Aug 17, 2017 at 10:26 AM
Avatar
JERBERRR245
  • MEMBER
  • 3 POSTS
hi this truck is really something to see ive insp wiring harness in cab to firewall the only component that i know of that may have a common to the two circuts is the multi function switch or the ignition so i am guessing that it has to be wiring in the engine compartment it certainly seems like a rubbed wire but pls any help at this point is welcome thnx
Oct 14, 2020 at 2:06 PM (Merged)
Avatar
JACOBANDNICKOLAS
  • CERTIFIED EXPERT
  • 110,175 POSTS
Have you checked for bad body grounds?
Oct 14, 2020 at 2:06 PM (Merged)
Avatar
JERBERRR245
  • MEMBER
  • 3 POSTS
yup i even added a couple temp grnds to main harness in cab to see if the spark would stop or change but no change
Oct 14, 2020 at 2:06 PM (Merged)
Avatar
JACOBANDNICKOLAS
  • CERTIFIED EXPERT
  • 110,175 POSTS
Did you check wiring in the steering column? Something there must be an issue since the flashers affect the ignition.
Oct 14, 2020 at 2:06 PM (Merged)
Avatar
CJ MEDEVAC
  • CERTIFIED EXPERT
  • 11,004 POSTS
Here we go!

Mega complicate stuff in there!

I need more specific trk info....heck, i have no clue what some of it means! But if you tell me, i can get the correct diagrams

I went ahead and grabbed 3 diagrams, the later 2, should both be correct for all 150s they are the instrument cluster (broke into two diagrams)

The 1st is "mfi" 5.0 engine performance (i grabbed that one, it's the 1st diagram!) Other choices were "sfi" and even more listed transmission types, to acquire the correct engine performance diagrams (in all, i have about 6 choices w/ a 5.0)..........so what it boils down to is, i got the right diagrams......or you are gonna have to send more info so i can! Mfi?sfi? Tranny? Will help me a bunch!

I did a quick scan of the 1st diagram, the coil pic, shows it going to another diagram...the gauges....that's sorta how i made my choices on grabbing the instrument diagrams

There's like a hundred diagrams for various engine applications...that's why we need to get specific!

Sorry if i ain't really helpin' real good, thus far

Let me know if you cannot read these, as i do not know what size they will be when i post.....i can explain a "private" "safe" way to get them to you.....don't just blurt out your private info here!

Night night time here!

I was also given another source, i have access to (ford stuff only)...just was told how to get in yesterday, i have not been in yet....one of our big guys was nice enough to clue me in! So if you still like, i can see what it offers when i wake up!

See you later today, it's 0220 eastern here, wifeys gonna be upset i stayed up so late!

Dream about jeeps tonight!

Oct 14, 2020 at 2:06 PM (Merged)
Avatar
CJ MEDEVAC
  • CERTIFIED EXPERT
  • 11,004 POSTS
All-righty then

Went to the ford support site, kinda have no clue how to navigate within it!

J & n, are you familiar with the "technical resource center"? If so, maybe you could find something helpful in it?

So i'm gonna stick to what i may be able to give you, within my means, that we can possibly find a common factor in your systems

Yes, i sorta get carried away...but i do try to help, if possible...some of the other guys "might" vouch for that!?

Even though i've told you that i'm sorta shootin' in the dark, i do have a lot of night fire training, and i have scored pretty decent, with confirmed hits on obscure targets!

If you could supply the correct info for your truck, i will try to get the right diagrams....someone (it may not be me) should be able to figure something out. You may be correct (or not) about the multifunction or the ignition switch. Looks to me like tracing thru the diagrams, might be cheaper than, throwing parts, or last resort hiring someone else to do it.

Can you read the above diagrams? Was the "mfi 5.0" the correct diagram?

You also have the option of telling me to.....go away!...and i will, my feelings are unhurtable.

The medic

Oct 14, 2020 at 2:06 PM (Merged)
Avatar
JERBERRR245
  • MEMBER
  • 3 POSTS
i cannot blow up the diagrams since last post ive pulled the dash and inspected all the wiring nothing around the column ha rubbed thru so im going to get the two switches and inspect harness from firewall to relay box under hood my wife tore her acl so ive changed out the ECC relay that fixed it yah me! great site btw.
Oct 14, 2020 at 2:06 PM (Merged)
Avatar
JESSICA STAFFORD
  • MEMBER
  • 7 POSTS
I checked all of the of the fuses and relays. I have replace the ignition module and I am getting power to the harness. I am at a loss. Any suggestions would be greatly appreciated. Thank you in advance.
Oct 14, 2020 at 2:06 PM (Merged)
Avatar
OBXAUTOMEDIC
  • CERTIFIED EXPERT
  • 3,711 POSTS
Hello,

Okay, so I believe you mean a 4.9l engine. Anyway did you check the cap and rotor? Also, with cap off did you check to make sure the rotor was spinning while attempting to start. This vehicle is known to have a Plastic Timing Gear.

Mark
Oct 14, 2020 at 2:06 PM (Merged)
Avatar
JESSICA STAFFORD
  • MEMBER
  • 7 POSTS
I originally put that the rotor turns while cranking and the cap and rotor are fairly new, but I rotated my screen and the site booted me back to start. my apology and the engine is 5.8. I suppose it could be considered a 1993 or 1994 it was built 6/93.
Oct 14, 2020 at 2:06 PM (Merged)
Avatar
OBXAUTOMEDIC
  • CERTIFIED EXPERT
  • 3,711 POSTS
Okay, so the most likely problem is the PIP/crank sensor inside the distributor. Your choice to either disassemble distributor to replace it or just purchase new one.

Mark
Oct 14, 2020 at 2:06 PM (Merged)
Avatar
JIMWARMEY
  • MEMBER
  • 1 POST
Electrical problem 1992 Ford F150 V8 Two Wheel Drive Automatic Hi i'm having problems with my F-150 i was driving and switched fuel tanks then it shut off and i dont even get fuel or a spark either. i was told this is probably a pcm unit problem, but i've tried several stores and no one has any idea about a pcm unit for this car. i pulled out what i thought was the pcm the part number is VF2TB-10D840-AA is this the right part to replace or am i totally looking the wrong way.


https://www.2carpros.com/forum/automotive_pictures/456343_MVC002L_1.jpg


https://www.2carpros.com/forum/automotive_pictures/456343_MVC001L_1.jpg

Oct 14, 2020 at 2:06 PM (Merged)
Avatar
BLACKOP555
  • CERTIFIED EXPERT
  • 10,386 POSTS
no way is that a pcm.

the pcm is where the big harness of wires connects to under the hood. will have cooling fins on it. should be driver side of vehicle.
Oct 14, 2020 at 2:06 PM (Merged)
Avatar
BIGJOHN610
  • MEMBER
  • 5 POSTS
My truck quit running one day and would not restart. I checked fuel pressure, it was fine. I started checking for spark. No spark. checked for signal coming into coil and there was none. I decided to replace the pickup coil, ignition module, and coil with new Motorcraft replacements. I reinstalled the distributor and coil, and checked initial timing. The truck ran great for 30 minutes, and revved up to 2,000 rpm's, battery light was flickering while this was happening, and shut off . It would not restart. Same problem, no signal to the coil. I tried unplugging the spout connector, still no signal. The next morning, it started right up and did the same thing as the day before. Any ideas? Anybody?
Oct 14, 2020 at 2:06 PM (Merged)
Avatar
SCGRANTURISMO
  • CERTIFIED EXPERT
  • 4,897 POSTS
Hello,

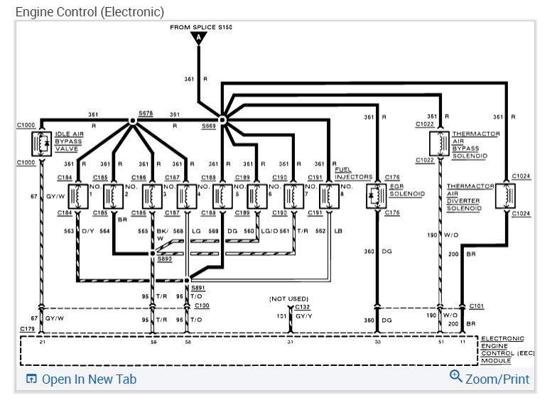
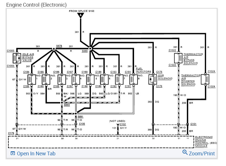
This could be a number of things from the Ignition Control Module (ICM), The Power-train Control Module (PCM), The Spark Output (SPOUT) connector, spark plug wires, or the spark plugs themselves. But, in the diagrams down below I have included an Ignition System Troubleshooting flowchart for you to go through. Please go through it and get back to us with what you find out.

Thanks,
Alex
2CarPros
Oct 14, 2020 at 2:06 PM (Merged)
Avatar
BIGJOHN610
  • MEMBER
  • 5 POSTS
I've performed all of those diagnostic tests. Once before I replaced the pickup coil, ICM, and coil with new Motorcraft parts. Then, I did them again last night after it shut off again. Still no signal to coil, spout or no spout. Today, a friend of mine let me borrow his distributor. Same result. Started and ran, then after about fifteen minutes, it shut off. No signal to coil. Put the distributor back on his truck and it started right up. I replaced the PCM a year ago with a rebuilt one. I'm leaning towards it.
Oct 14, 2020 at 2:06 PM (Merged)
Avatar
SCGRANTURISMO
  • CERTIFIED EXPERT
  • 4,897 POSTS
Hello again,

Okay, Can I get you to check the wire coming from the #1 cavity on the TFI Ignition Module Connector. Please run this wire back and check to make sure it has a good tight connection, and it is not damaged and there is no corrosion present anywhere. I have included a diagram of the connector and component locations in the diagrams below. Please get back to us with what you find out.

Thanks,
Alex
2CarPros
Oct 14, 2020 at 2:06 PM (Merged)
Avatar
BIGJOHN610
  • MEMBER
  • 5 POSTS
Okay, I will.
Oct 14, 2020 at 2:06 PM (Merged)
Avatar
STRAILER
  • CERTIFIED EXPERT
  • 53,854 POSTS
Please let us know what you find. We are interested to see what it is.
Oct 14, 2020 at 2:06 PM (Merged)
Avatar
BIGJOHN610
  • MEMBER
  • 5 POSTS
As soon as I get in (I'm an otr truck driver) I'll check out the ground.
Oct 14, 2020 at 2:06 PM (Merged)
Avatar
ARAIN WRIGHT
  • MEMBER
  • 1 POST
Engine turn over won't start no fire. Was driving down the road and truck cut off, Tryed push start nothing.
Oct 14, 2020 at 2:06 PM (Merged)
Avatar
OBXAUTOMEDIC
  • CERTIFIED EXPERT
  • 3,711 POSTS
Hello,

OK, first thing I would look at is the Distributor Cap & Rotor, when was last time replaced. Look inside is there corrosion in the contacts if so would replace along with rotor. While there if can have someone turn engine over and watch to see if rotor spins, if doesn't then most likely will need new distributor.

Other possibilities -

If Check Engine Light is On

TPS - Throttle Position Sensor
IABV or IAC - Idle Air Bypass Valve or Idle Air Control Valve

The engine needs to be at normal operating temperature for testing.

The self test connector is on the drivers side inner fender well. Check Pic for shape of connector. Then hook up a jumper wire as shown in the diagram below. Turn your key forward to the RUN position (KOEO, key on, engine off), and after a few seconds the codes will begin to flash through Engine Light or if you have hooked up a voltmeter, the needle on the voltmeter will indicate the digits of the trouble codes in sweeps of the needle. Record all codes and identify them as KOEO codes.


Code will be shown in blinks of the light or sweeps of the needle.

Example:

2 digit Codes

1 fast flash, with 2 sec pause, then 2 fast flashes is code 12

2 fast flashes, with two sec pause, then 3 quick flashes is code 23.

3 digit codes

1 fast flashe, 2 sec pause, 3 fast flashes, 2 sec pause, then 2 fast flashes is code 132

If there are more there will be a 4 second pause before the next code starts.

After the KOEO codes finish. Continuous codes follow after a 6 to 9 second pause, a fast flash, and another 6 to 9 second pause. Write these codes as continuous codes. Then remove key and the jumper wire.

You won't be able to perform Key On Engine Running test(KOER) at this time.

Oct 14, 2020 at 2:06 PM (Merged)
Avatar
BIGJOHN610
  • MEMBER
  • 5 POSTS
Ok. The ground is good all the way back to the ecm. I checked all the connections on all 6 wires and continuity tested. I checked the ignition suppression resistor, 21.9k ohms. All of this I did before starting the engine and after it died and went into a no start condition. Had a coil signal before it started. No coil signal after it died.
Oct 14, 2020 at 2:06 PM (Merged)
Avatar
OBXAUTOMEDIC
  • CERTIFIED EXPERT
  • 3,711 POSTS
Hi ARAIN WRIGHT,

Just checking in to see if you resolved the no spark problem...

Thanks

Mark
Oct 14, 2020 at 2:06 PM (Merged)
Avatar
STRAILER
  • CERTIFIED EXPERT
  • 53,854 POSTS
It sounds like the PCM went out, but to be sure let's check the wiring between the ECM and distributor. Here is a guide and the ignition system wiring diagrams. Also check the ECC relay.

https://www.2carpros.com/articles/how-to-check-wiring

and

https://www.2carpros.com/articles/how-to-check-an-electrical-relay-and-wiring-control-circuit

Check out the diagrams (below). Please let us know what happens.
Oct 14, 2020 at 2:06 PM (Merged)
Avatar
TEXASTURKEY
  • MEMBER
  • 11 POSTS
I have a 1991 F-150 that is not getting a spark from the coil. Tester light on Tach output bright and pulses when cranking. TFI module computer tested ok. Coil resistance checks OK. Checked wiring harness. What am I missing?
Oct 14, 2020 at 2:07 PM (Merged)
Avatar
WRENCHTECH
  • CERTIFIED EXPERT
  • 20,761 POSTS
If your getting a power signal to one side and a pulse to the other, that would indicate a bad coil or coil wire. Also, if you used a test light with an incandescent bulb, you can fry the ignition module in a heartbeat. You need to use either a noid light or computer safe test light.
Oct 14, 2020 at 2:07 PM (Merged)
Avatar
TEXASTURKEY
  • MEMBER
  • 11 POSTS
I tried changing the coil wire with a good one and still no joy in Mudville. I checked the resistance of the primary and it is 1 ohm and the secondary is 8.9K which puts it with in specs. Do you think it is still not functioning?
Oct 14, 2020 at 2:07 PM (Merged)
Avatar
WRENCHTECH
  • CERTIFIED EXPERT
  • 20,761 POSTS
If it gets the proper signals and no spark comes out, then the coil is bad. Just be sure about your testing.
Oct 14, 2020 at 2:07 PM (Merged)
Avatar
DAN2744
  • MEMBER
  • 1 POST
I was driving my truck and all of a sudden it quit and acted like it was out of gas, fuel pump sems to work so I checked to see if there was a spark and there isnt one. Can I test the coil and/or the module?
Oct 14, 2020 at 2:07 PM (Merged)
Avatar
BLACKOP555
  • CERTIFIED EXPERT
  • 10,386 POSTS
first things first. go out and buy a spark tester. then check spark directly from coil. if its there then check for spark coming out of each spark plug wire. make sur eyou ground out the tester good. note back what color the spark is. shoudl be bright and blue. not orange or yellow.
Oct 14, 2020 at 2:07 PM (Merged)
Avatar
CRAZYFORDS
  • MEMBER
  • 1 POST
The timing chain broke on my father-in=laws truck and it was replaced. then about a month later it truck would not start. After he looked at it he determined that his ingition module was bad. long story short we have replaced the Ignition Module, Pick-up Coil (Stator), Ignition Coil, and we still are not getting any spark. There is a little peice that attaches to the bracket that the Ign Coil mounts to that he was gong to replace but not sure what it is or what it does. IT looks like the old condenser from a points and condenser set up (only this does not have that set up. Help I'm not sure what to do to help him out. Thanks for any help!!!!!
Oct 14, 2020 at 2:07 PM (Merged)
Avatar
BMRFIXIT
  • CERTIFIED EXPERT
  • 19,053 POSTS
its still called condenser its not going to stop the truck
check the connector plug on the coil
pull it out and check for battery power with key on
and when plugged back in with key on two terminals should show battery power
and when cranking one should lose its power and ground the coil on off
if so and still no fire replace coil
another thing to look for turn key on do you have check engine light on
let me know
Oct 14, 2020 at 2:07 PM (Merged)
Avatar
OMISSTAB
  • MEMBER
  • 6 POSTS
I have a 1990 Ford f150 158,000 miles that I can't get started. The truck turns over but there is no Spark. The alternor has charge. Put in a new battery, plugs, wires, distributor cap, rotor in cap, coil and a part i dont remember the name( it's on the side of the truck and the positive and negative cables are connected to it). Any suggestions on what to do next to get it started? Starter? Timing chain?
Oct 14, 2020 at 2:07 PM (Merged)
Avatar
2CARPRO JACK
  • CERTIFIED EXPERT
  • 11,533 POSTS
Most likely an ignition module.Those are very toughy and go out for no real reason.Should be mounted to the side of the distributor where the electrical plug goes.You must disconnect ehneg batttery cable before replacing it or you may burn up the new one
Oct 14, 2020 at 2:07 PM (Merged)