Sep 30, 2019 at 10:20 AM
No power going to front actuator
2008 RAM 1500
Advertisement
Help ken or masterwrench!
Have you one over all wiring diagrams using the guide? How did it turn out?
Sep 30, 2019 at 5:00 PM
Advertisement
4WD Transfer Case Motor Encoder. Do you think it could be this on my truck and that’s why I am not getting any power to front actuator?
Sep 30, 2019 at 5:02 PM
Yes that may cause it if it is shorted out internally. Let us know.
Sep 30, 2019 at 5:51 PM
But see I can hear the transfer case motor make noise, but I been doing research on the 4wd transfer case motor encoder to and it was saying there’s a sensor or something inside, look at this too I found and I did put a 6” lift and then a 3” body lift and I got bigger tires too,
Sep 30, 2019 at 5:55 PM
The sensor is in the encoder.
Oct 1, 2019 at 11:06 AM
I would start over with the wiring diagrams and guide to check the connections.
Oct 2, 2019 at 10:26 AM
I do not know how to use that.
Oct 2, 2019 at 10:33 AM
You got a better wiring system like where my ground is?
Oct 2, 2019 at 3:12 PM
They don't show the ground locations you must test to see if the ground is working. use the guide and diagrams to test.
Oct 3, 2019 at 11:14 AM
I really don’t know how to use that diagram. can you tell me what the best way is?
Oct 3, 2019 at 3:18 PM
Yes. check out this guide it shows you how to do the testing.
https://www.2carpros.com/articles/how-to-check-wiring
Please run down this guide and report back.
https://www.2carpros.com/articles/how-to-check-wiring
Please run down this guide and report back.
Oct 4, 2019 at 12:01 PM
So because I have bigger tires on my truck do you think that’s why my 4wd isn’t working and that sensor in transfer case motor is shot?
Oct 6, 2019 at 2:45 PM
So could you tell me what all four wire the colors and what they do that hooks into front actuator?
Oct 7, 2019 at 5:22 PM
Ken. So the blue with brown strip is the one that’s getting power the other wires nothing. I went to the transfer case motor checked with there I believe there is three wires and the purple with yellow strip does not got any power down at transfer case motor.
Oct 8, 2019 at 4:05 PM
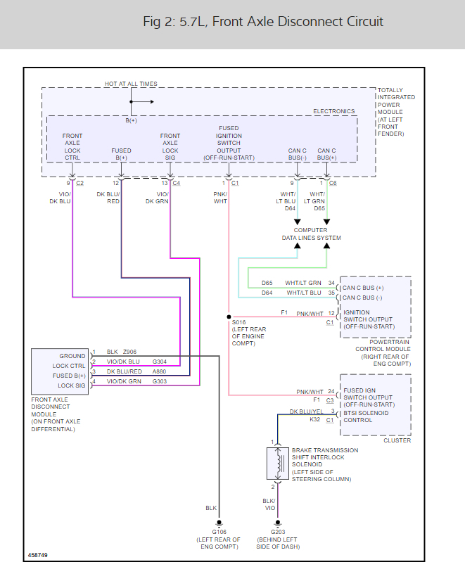
There is only one wire that should have power. The Dark Blue with read stripe should have power all the time. The black wire is a ground wire, It should go up through the harness to a ground point on the chassis. The other two wires are selective ground wires. The system works electronically. When you select 4WD the body control module sends a signal to the transfer case and the front axle disconnect actuator. The transfer case shifts and as it locks into 4XH it sends a signal to the BCM telling it to move the front axle disconnect into lock position. The BCM sends the signals to the axle through the TIPM. The Violet with Dark Blue wire is the control wire, it is switched to ground to control the actuator, The Violet with Dark Green wire is the signal wire which tells the TIPM and BCM that the interlock has locked into 4WD.
The way to tell if there is a problem in the system is easy. Get a simple test light, Connect it to battery positive and check that the black wire is grounded. If it is, the light will come on when you touch the pin in the connector. Now move the test lamp to pin two, shift the transfer case into 4WD. The light should come on as the system shifts into 4WD. Now once it is locked into 4WD move the test lamp to pin 4. The light should now be on as this is a switch inside the actuator. I suspect that the issue is in the wiring between the TIPM and the front actuator, or the actuator itself has failed and isn't switching. To release, the signal is sent to the actuator and inside it reverses the polarity to the motor and move the actuator moves the opposite direction.
The way to tell if there is a problem in the system is easy. Get a simple test light, Connect it to battery positive and check that the black wire is grounded. If it is, the light will come on when you touch the pin in the connector. Now move the test lamp to pin two, shift the transfer case into 4WD. The light should come on as the system shifts into 4WD. Now once it is locked into 4WD move the test lamp to pin 4. The light should now be on as this is a switch inside the actuator. I suspect that the issue is in the wiring between the TIPM and the front actuator, or the actuator itself has failed and isn't switching. To release, the signal is sent to the actuator and inside it reverses the polarity to the motor and move the actuator moves the opposite direction.
Oct 12, 2019 at 7:41 PM


