no power except for door locks and lights?

2016 JEEP CHEROKEE
97,000 MILES • 3.2L • 6 CYL • 4WD • AUTOMATIC
Avatar
PAULSTENHOLTZ
  • MEMBER
  • 29 POSTS
I have this vehicle that was in a rollover accident, have no power except for door locks and lights. just put in a rebuilt tipm no changes. i did knowest when using my test some fuse didn't light up but if i changed it the possitive post they did and made sound like something was working. Thank You for your time and thought's i what i mightdo. Paul
Jan 3, 2026 at 3:34 PM
Advertisement
Avatar
STRAILER
  • CERTIFIED EXPERT
  • 53,854 POSTS
The test light helping the circuits is a clue, I would check the ground cable from the battery to the chassis and to the engine block, if one of these got pulled off during the roll over it will cause this issue. This sounds like a major electrical supply issues. Here are the major fuses and relays to look at to make sure they are good and none of the relays have fallen out, Check out the images (below). Please upload an image or a short video in your response, so I can see what's going on.
Jan 4, 2026 at 9:22 AM
Avatar
PAULSTENHOLTZ
  • MEMBER
  • 29 POSTS
Hi Ken, thanks for your help! i just got done checking grounds and connections pulled front bummer down took out tipm and box, battery no luck. i haven't checked fuses do to this is a new rebuilt tipm with fuse and relays. i have replaced air bags and Sencers, tried to read codes get a 2000 only. what next? Paul






































Jan 5, 2026 at 2:21 PM
Advertisement
Avatar
PAULSTENHOLTZ
  • MEMBER
  • 29 POSTS
Also wanted to mention i put new batteries in key fob but didn't program, do i need, to and is it something i can do?
Jan 5, 2026 at 6:39 PM
Avatar
PAULSTENHOLTZ
  • MEMBER
  • 29 POSTS
hey Ken did you get my last message? Paul
Jan 7, 2026 at 10:54 AM
Avatar
STRAILER
  • CERTIFIED EXPERT
  • 53,854 POSTS
So does the car have any electrical at all? Did you remove the main battery and have it load tested? Can you upload as short video on what the car is doing so I can see it? Also, most 2016 Cherokees have a pyrotechnic battery disconnect that fires in crashes. I would see if you have power at the main cable after this device. That way you can tell if is good or not. Check out the images (below). Let us know how it goes
Jan 8, 2026 at 8:23 AM
Avatar
PAULSTENHOLTZ
  • MEMBER
  • 29 POSTS
thanks, i have replaced that but not checked the wire down from it will do that. i also found that when i checked the starter relay plug i had ground with test light plugged into the positive terminal but no power when plugged into Neg i also checked starter switch no power. i also checked all the ground wires in the engine bay and even added a couple more. sorry i don't know how take photo and download.
Jan 8, 2026 at 1:10 PM
Avatar
PAULSTENHOLTZ
  • MEMBER
  • 29 POSTS
just checked wires their power in the red wire when test light connected to neg. orange shows nothing connected poss. or neg.
Jan 8, 2026 at 1:32 PM
Avatar
STRAILER
  • CERTIFIED EXPERT
  • 53,854 POSTS
So to confirm this is the cable you have no power at? To upload an image use your phone and upload the image in your response. Check out the images (below). Do you have power at the main power lug of the starter?

https://www.2carpros.com/articles/how-to-use-a-test-light-circuit-tester

This can help us check the cut sensor.
Jan 9, 2026 at 9:18 AM
Avatar
PAULSTENHOLTZ
  • MEMBER
  • 29 POSTS
yes, have power to the starter, having test light to neg. on battery to power on starter the light comes on.
Jan 9, 2026 at 11:01 AM
Avatar
PAULSTENHOLTZ
  • MEMBER
  • 29 POSTS
I pulled out the push button starter button tested no power to it.
Jan 9, 2026 at 1:13 PM
Avatar
STRAILER
  • CERTIFIED EXPERT
  • 53,854 POSTS
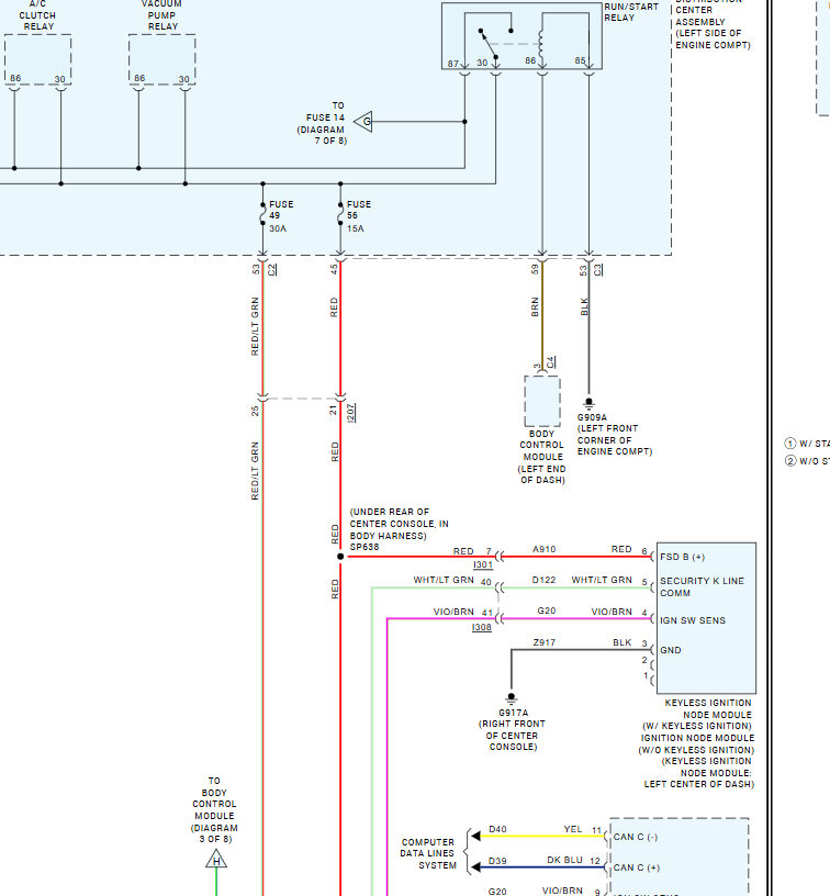
Okay, do you have power at the fuse #56? in the fuse panel under the hood left side of the engine compartment? TIPM?
Jan 10, 2026 at 9:13 AM
Avatar
PAULSTENHOLTZ
  • MEMBER
  • 29 POSTS
yes, i did, also i pulled out the starter relay and jump it from the positive post and engine did turn over if that makes a difference.
Jan 11, 2026 at 12:13 PM
Avatar
PAULSTENHOLTZ
  • MEMBER
  • 29 POSTS
hey ken i pulled back the radiators to check wires looked ok but i didn't see a ground to the oil dip stick houses or anything on the right side of the car should i put one from the engine to the body or engine mount. thanks i really appreciate your help!
Jan 12, 2026 at 9:14 AM
Avatar
STRAILER
  • CERTIFIED EXPERT
  • 53,854 POSTS
Yep, I would try that to see if anything changes. Let me know, Ken
Jan 12, 2026 at 11:45 AM
Avatar
PAULSTENHOLTZ
  • MEMBER
  • 29 POSTS
no luck
Jan 12, 2026 at 4:18 PM
Avatar
PAULSTENHOLTZ
  • MEMBER
  • 29 POSTS
i took out the wheel inner fender found more ground straps one on each side both connected clean and strong. going inside cab and pull back carpet and under dash.
Jan 13, 2026 at 1:15 PM
Avatar
STRAILER
  • CERTIFIED EXPERT
  • 53,854 POSTS
So when you turn the main systems of the car on do they work? Also, while the systems are on did you double check all of the fuses? This guide can help

https://www.2carpros.com/articles/how-to-check-a-car-fuse

Please go over this guide and get back to us.
Jan 13, 2026 at 5:20 PM
Avatar
PAULSTENHOLTZ
  • MEMBER
  • 29 POSTS
No i have no power to the ignition switch
Jan 14, 2026 at 12:08 PM
Avatar
PAULSTENHOLTZ
  • MEMBER
  • 29 POSTS
Hey Ken, wanted to tell you just what does work on the car: head lights, emergency flashers, taillights, single dash light, power mirrors, power door locks, lift gate release. I do questions if i have power going to the new tipm but not knowing how to check it with no power to ignition switch.
Jan 14, 2026 at 6:23 PM
Avatar
STRAILER
  • CERTIFIED EXPERT
  • 53,854 POSTS
Yes, the power for the ignition switch module is supplied from the #56 fuse, does it have power? Check out the images (below). Let us know how it goes
Jan 15, 2026 at 11:03 AM
Avatar
PAULSTENHOLTZ
  • MEMBER
  • 29 POSTS
yes, their is power to the fuse and it looks good
Jan 15, 2026 at 1:58 PM
Avatar
PAULSTENHOLTZ
  • MEMBER
  • 29 POSTS
I don't have circuit probe tester should i buy one and what one would you recommend that's not to expensive?
Jan 15, 2026 at 2:58 PM
Avatar
STRAILER
  • CERTIFIED EXPERT
  • 53,854 POSTS
Yes they work good for probing for power to see where you are losing it, use the wiring diagrams I gave to double check everything, we must be missing something.
Jan 16, 2026 at 7:59 AM
Avatar
PAULSTENHOLTZ
  • MEMBER
  • 29 POSTS
I found that when i took off the connection to the switch i do have power to the switch but i don't have and ground.
Jan 17, 2026 at 7:25 PM
Avatar
STRAILER
  • CERTIFIED EXPERT
  • 53,854 POSTS
You said you replaced the TIPM correct? I would recheck all fuses and grounds from the battery.
Jan 18, 2026 at 9:35 AM
Avatar
PAULSTENHOLTZ
  • MEMBER
  • 29 POSTS
yes i do have new rebuilt tipm, also i found a ground wire coming off the starter area that didn't light up when used test light, have remove stuff to get at it will keep you updated hope this it. thanks again
Jan 19, 2026 at 9:46 AM
Avatar
STRAILER
  • CERTIFIED EXPERT
  • 53,854 POSTS
Sounds good.
Jan 20, 2026 at 9:11 AM
Avatar
PAULSTENHOLTZ
  • MEMBER
  • 29 POSTS
still no luck checking power from fuse to starter switch shows i have power but even the light in the switch does not come on tried a new switch and no difference how should i check this further.
Jan 22, 2026 at 6:47 AM
Avatar
STRAILER
  • CERTIFIED EXPERT
  • 53,854 POSTS
I would use a test light and see where you are losing power. Please go over all main battery cables and the power feeds for the fuse panels.
Jan 23, 2026 at 8:45 AM
Avatar
PAULSTENHOLTZ
  • MEMBER
  • 29 POSTS
I also have been removing grounds and cleaning them up. I check to see if i had continuity from one of the ground wires to from the end of the wire to the spot or any spot to ground it there was not and continuity shouldn't there be. I do not have battery or fuse box in at this time i also have open lines not plugged in.
Jan 25, 2026 at 2:15 PM
Avatar
STRAILER
  • CERTIFIED EXPERT
  • 53,854 POSTS
If the grounds look good, check the power to the fuse panels, does anything have power or is the entire vehicle dead?
Jan 26, 2026 at 8:01 AM
Avatar
PAULSTENHOLTZ
  • MEMBER
  • 29 POSTS
I do have power to all terminals on the tipm, checked fuses all good, checking power at fuse some light up when neg. post and some with poss. some not at all. is this normal?
note ignition switch not working but switch is good, only working systems are headlights, brake lights, emergency flashers, horn, door locks, rear hatch release, dash light no warning lights, no lights to information panel anything around it.
Jan 26, 2026 at 2:03 PM
Avatar
STRAILER
  • CERTIFIED EXPERT
  • 53,854 POSTS
did you test through the ignition switch?
Jan 27, 2026 at 8:59 AM
Avatar
PAULSTENHOLTZ
  • MEMBER
  • 29 POSTS
i just checked solenoid and is good but checking if have power from solenoid to the starter switch wires with holding the brake pedal down showed no continuity.
Jan 28, 2026 at 1:44 PM
Avatar
PAULSTENHOLTZ
  • MEMBER
  • 29 POSTS
do you anything showing where the neutral safety switch is located and how to test it? reminder 2016 jeep Cherokee latitude 3.2
Jan 29, 2026 at 5:19 PM
Avatar
STRAILER
  • CERTIFIED EXPERT
  • 53,854 POSTS
Did you try cranking the engine over in neutral?
Jan 30, 2026 at 8:28 AM
Avatar
PAULSTENHOLTZ
  • MEMBER
  • 29 POSTS
yes, nothing
Jan 30, 2026 at 10:26 AM
Avatar
PAULSTENHOLTZ
  • MEMBER
  • 29 POSTS
Can't find neutral control switch, i thought it was on passenger side of the transmission.
Jan 30, 2026 at 2:16 PM
Avatar
STRAILER
  • CERTIFIED EXPERT
  • 53,854 POSTS
Yep, the neutral safety switch in the the shifter, not on the transmission.
Jan 31, 2026 at 8:59 AM
Avatar
PAULSTENHOLTZ
  • MEMBER
  • 29 POSTS
Check out seems to be good. I went back to the voltage sensor on the neg. battery cable, i was checking the 2 wires a red one that checked out ok but the orange one had a weak signal open wires up found a place it had spliced together may be the problem, but i have a little darker orange wire coming from another area going to i think both connecting the same wire going to inside of the car only found that one wire is that possible they should connect together and should i wirer it together that way? I ordered a new plug and wires to go into voltage censor.
Feb 4, 2026 at 2:49 PM