1997 Nissan Truck Fuel & Heat Gages

1997 NISSAN TRUCK
125,000 MILES • 4 CYL • 2WD • MANUAL
Avatar
EDBREHM
  • MEMBER
  • 1 POST
The Fuel and Heat gages stopped working today. The fues in the cab were checked twice with no problems. What could be the solution to the gages not working.
Nov 16, 2008 at 6:14 PM
Advertisement
Avatar
BMRFIXIT
  • CERTIFIED EXPERT
  • 19,053 POSTS
check the alternator


https://www.2carpros.com/articles/how-to-check-a-car-alternator

let me know
Nov 19, 2008 at 9:03 PM
Avatar
  • MEMBER
  • 30 POSTS
Has a new alternator on it. What do I do next.
Mar 30, 2019 at 10:45 AM
Advertisement
Avatar
JOETECHPRO
  • CERTIFIED EXPERT
  • 705 POSTS
Hey EDBREHM,

We are working on a 1997 D21/Hardbody right?

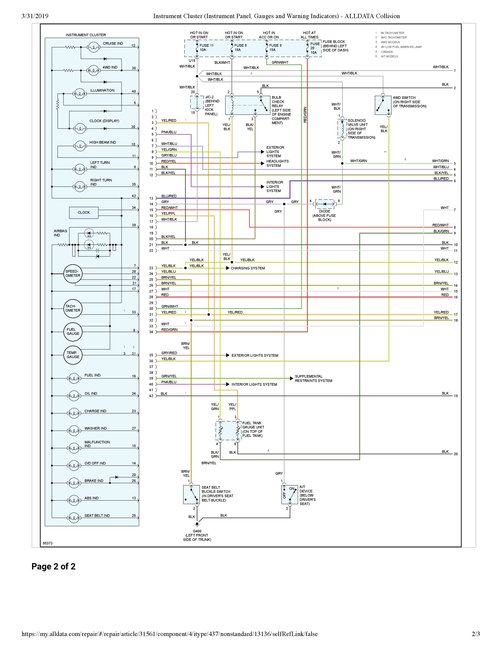
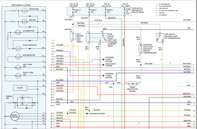
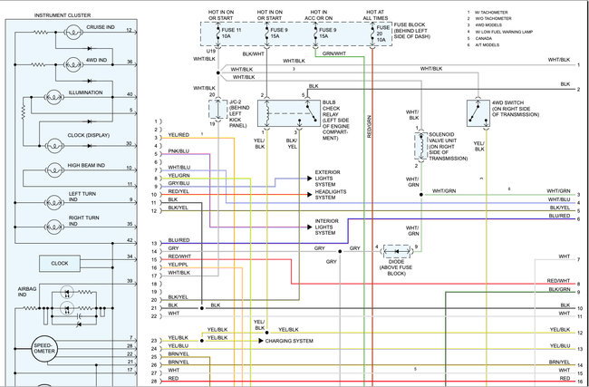
Please see the attached wiring diagram for the instrument cluster.
I have also attached the pin location diagram.

It looks like the fuel and temperature gauges share a ground connection inside the instrument cluster.

Does the speedometer work correctly?

Do both temperature and fuel gauges rear 0 - needles don't move at all?

You will need to remove the instrument cluster to carry out some tests with a multimeter to pin point the cause of the issue.

Do you have access to a multimeter?

Can you please send a picture of you instrument panel?
Just to make sure we have the right information.

Rgards, Joe
Mar 31, 2019 at 3:40 PM
Avatar
  • MEMBER
  • 30 POSTS
Nothing works on it. No speedometer, No tach, No fuel, No temp. All lights work on it but nothing else. and The images you show are correct for my truck.
Apr 1, 2019 at 6:34 AM
Avatar
JOETECHPRO
  • CERTIFIED EXPERT
  • 705 POSTS
Hey [email protected],

Can you please start by checking the fuses?

Guide on how to check fuses below:

https://www.2carpros.com/articles/how-to-check-a-car-fuse

I have attached the wiring diagrams again, the first ones came out a bit small.

You are looking for fuses 9,11 and 20.

The fuse board should be under the left side of the dash.

Report back on what you find.

If these are okay you will need to check at the back of the instrument panel.

Regards, Joe
Apr 1, 2019 at 8:17 AM
Avatar
  • MEMBER
  • 30 POSTS
Checked all fuses. All check good. Checked the back of the instrument panel. All looks good. Nothing broken.
Apr 1, 2019 at 8:37 AM
Avatar
JOETECHPRO
  • CERTIFIED EXPERT
  • 705 POSTS
Hey [email protected],

Do you own a test light or a multimeter?

There is a connector that you can check anyway.

The ground for the instruments runs through the connector J/C-2 on the diagram attached.

It is below the SMJ connector i have attached a diagram for this, it would also be good to disconnect the SMJ connector and check this for corrosion.

Check the condition of these connectors, if loose or corroded this could be your issue.

Regards, Joe
Apr 1, 2019 at 9:07 AM
Avatar
  • MEMBER
  • 30 POSTS
Yes, I have a multi-meter. I also do not have an oil light, no charge light or park brake light coming on when I turn the switch on. What else do I need to check?
Apr 1, 2019 at 9:19 AM
Avatar
JOETECHPRO
  • CERTIFIED EXPERT
  • 705 POSTS
Hey [email protected],

Please remove the instrument cluster and check for voltage between the black wire pin 42 (ground) and the following pins -

pin 34 - red/green wire, should be permanent feed 12V
pin 30 green/white wire should be12V with key in accessory/ignition positions
pin 17 - 12V with ignition on or when cranking

If you get nothing on any of these tests then try the same test but take the black lead from your multimeter and place it on a known good chassis ground instead of at pin 42.

Let me know what you get.

Regards, Joe
Apr 1, 2019 at 3:28 PM
Avatar
  • MEMBER
  • 30 POSTS
I have got no voltage on both the red/green wire or the green/white wire. What color wire is pin #17.
Apr 2, 2019 at 11:01 AM
Avatar
  • MEMBER
  • 30 POSTS
The instrument cluster light up. and The turn signal lights work. also, The high beam light work. But that is all that works in the cluster.
Apr 2, 2019 at 11:06 AM
Avatar
JOETECHPRO
  • CERTIFIED EXPERT
  • 705 POSTS
Hey [email protected],

Can you recheck that you have voltage at both sides of both fuses 9 and 20?

Pin 17 is a white/black wire.

If you have power to fuses 9 and 20 but no power at the red/green wire or the green/white on the cluster then you must have a break in the wire/bad connection between the fuse box and the cluster.

Have you made sure the ground you are using for testing is good?

If you check between battery positive and that ground you should have 12 volts.

Also if you check between the black wire on the back of the instruments and the battery negative/known good ground you should also have 0 volts.

Regards, Joe
Apr 2, 2019 at 11:52 AM
Avatar
  • MEMBER
  • 30 POSTS
I have unhooked the SMJ connector and checked the red/green wire also the green/white wire and white/black wire with my multi-meter and all wires checked good. I have got power on all the fuses. What do I need to do next?
Apr 2, 2019 at 2:03 PM
Avatar
  • MEMBER
  • 30 POSTS
I checked the wires between the SMJ plug and the connectors behind the instrument cluster with my multimeter and all checked good.
Apr 2, 2019 at 2:14 PM
Avatar
JOETECHPRO
  • CERTIFIED EXPERT
  • 705 POSTS
Hey [email protected],

So to confirm.

You have 12 volts at both sides of fuses 9 and 20?

Using the same ground connection with the black test lead, then probe the red/green wire and then green/white at the back of the instrument cluster with the red lead on your multi-meter, do you have 12 volts on either?

If you do have voltage at the fuse but not at the instrument cluster switch your multi meter to ohms and test the wiring from the non powered side of the fuse to the instrument cluster.

With the fuses removed you test each side of the contacts the fuses went into, you should have one side with 12 volts and one side with 0 volts.

Keep the fuses out and disconnect the instrument cluster. You should have continuity/low resistance between the sides of the fuses that reads 0 volts other end of the red/green or green/white wire.

Can you get access to a 12 volts automotive test light? It may be easier to test with a test light.

Let me know what you are getting.

Regards, Joe
Apr 2, 2019 at 4:09 PM
Avatar
  • MEMBER
  • 30 POSTS
I have got 12 volts all the time on fuse #20. But the only time I have voltage on #9 is with the switch turned on. But with the switch on I have got 12 volts on all the fuses.
Apr 2, 2019 at 4:23 PM
Avatar
JOETECHPRO
  • CERTIFIED EXPERT
  • 705 POSTS
Hey [email protected],

Yes that is correct, please then follow the instructions in my last message.

Let me know how you do.

Regards, Joe
Apr 2, 2019 at 4:39 PM
Avatar
  • MEMBER
  • 30 POSTS
I tested both the red/green and green /white wire and I do not have any voltage on them. Then I pulled both fuses #9 and #20 checked on the none voltage side with my multi-meter on ohms and got nothing with either the red/green or the green/white wire.
Apr 2, 2019 at 4:59 PM
Avatar
JOETECHPRO
  • CERTIFIED EXPERT
  • 705 POSTS
Hey [email protected],

Can you please visually check the harness from the back of the instrument cluster down to the the fuse box?

When you check at the back of the fuse board are the wires to the back of the fuses you are testing the correct colors?

Sounds like you may have broken wiring here.

From the diagram there is no connection in between these points.

Regards, Joe
Apr 2, 2019 at 5:13 PM
Avatar
  • MEMBER
  • 30 POSTS
Doesn't the wiring for the instrument cluster go through the SMJ connector first before the fuse box.
Apr 2, 2019 at 6:04 PM
Avatar
JOETECHPRO
  • CERTIFIED EXPERT
  • 705 POSTS
Hey RAJ42763@YAHOO. COM,

From the diagram the ground, black wire goes through the jc-2 connector. This is below the SMJ connector from the information I have.

Regards, joe
Apr 2, 2019 at 6:46 PM
Avatar
  • MEMBER
  • 30 POSTS
I have checked the back of the fuse box and found that fuse #9 has a black/white wire running to it not a green/ white wire. The green/white wire is at fuse #6. and I checked the ohms from fuse #11 the white/black wire to back of the instrument cluster it checked good. and It has 12.5 volts with the truck started. I also checked fuse #20 the red/green wire and the ohms checked good to the back of the instrument cluster but had no voltage on it either, way I tried it. All this started when I had to change alternators because the truck was not charging the batt. Now I have got the alternator charging but I have no instruments.
Apr 3, 2019 at 10:59 AM
Avatar
  • MEMBER
  • 30 POSTS
Is it safe to run a jumper wire from the red/green wire on the back of the fuse panel to the red /green lead on the back of the instrument cluster plug.
Apr 3, 2019 at 12:38 PM
Avatar
  • MEMBER
  • 30 POSTS
Okay, I took my multi-meter and put in on voltage and put the red lead on the back side of fuse #20 the red/green wire and black wire of the multi-meter in the terminal with the red/green wire. On the instrument cluster. and For some reason, I got 12.5 volts just on that one wire. Not hooked to any ground wire. Doesn't that mean I have got a ground problem somewhere's? If yes, any ideas where to start looking first.
Apr 3, 2019 at 4:41 PM
Avatar
JOETECHPRO
  • CERTIFIED EXPERT
  • 705 POSTS
Hey [email protected],

Okay, so we are getting somewhere.

I think the fuse numbering on the diagram i have must be wrong. So the green/white wire should be fuse 6 15A.

I have gone through the diagram again and it looks like the white/black wire should power most of the functions on the instrument cluster.

When you are checking and have 12.5 volts at the back of the cluster where is your black lead?

Try checking with the black lead on any of the black wires at the back of the instrument cluster, do you still have 12.5V? There should be three black ground wires connected to the back of the instrument cluster but the all connect further down in the harness.

I think potentially you have a bad ground.

Regards, Joe
Apr 3, 2019 at 4:41 PM
Avatar
  • MEMBER
  • 30 POSTS
My black lead is in the ground wire in the top right plug on the instrument cluster that has airbag written beside it. and on my fuse #6 is a 10 amp fuse, not a 15 amp fuse.
Apr 3, 2019 at 4:58 PM
Avatar
JOETECHPRO
  • CERTIFIED EXPERT
  • 705 POSTS
Hey [email protected],

Are all the connectors plugged in, fuses in and are you probing at the back of the instrument cluster plugs when you are testing this?

With everything plugged in and probing at the back of the instrument cluster with the engine running do you still have 12.5 volts?

With the red lead at the back of the instrument cluster plug white/black wire, black lead at the back of the connector on the black wire from before.

Regards, Joe
Apr 3, 2019 at 5:13 PM
Avatar
  • MEMBER
  • 30 POSTS
With everything plugged in and testing from the same ground that I was before. With my multimeter on the same setting as before, I only got 1.8 volts on the white/black wire this time. With the engine running.
Apr 3, 2019 at 5:50 PM
Avatar
JOETECHPRO
  • CERTIFIED EXPERT
  • 705 POSTS
Hey [email protected],

This is your problem.

Take your black lead and find a chassis ground. There should be a ground point bolted to the body somewhere you can use.

Does this change your reading?

Regards, Joe
Apr 3, 2019 at 5:57 PM
Avatar
  • MEMBER
  • 30 POSTS
It is 9:05 pm here and I have stopped working for today. I will start back tomorrow morning. and I will let you know what I find out.
Apr 3, 2019 at 6:11 PM
Avatar
JOETECHPRO
  • CERTIFIED EXPERT
  • 705 POSTS
Hey [email protected],

Yep, no worries. You're getting there for sure.

Regards, Joe
Apr 3, 2019 at 6:15 PM
Avatar
  • MEMBER
  • 30 POSTS
Okay, I took my black lead and grounded it first to the chassis and checked and there was no change in the voltage. So then I hook my black lead to the ground side of the battery and Still no change on the black/white wire. I still have voltage on all the fuses but not to the instrument cluster. That's with the truck running. But the fuses are showing from 13.5 - 14.2 volts with my multi-meter set on 30 volts. I also checked the voltage at the battery and I got 14.2 volts with my multi-meter set on 30 volts. I just checked the Ohms on all three wires from the gray plug behind the fuse panel and all three the white/black, red/green, and green/white all checked good. I also checked the ground on all 4 points on the instrument cluster and all checked good.
Apr 4, 2019 at 8:37 AM
Avatar
JOETECHPRO
  • CERTIFIED EXPERT
  • 705 POSTS
Hey [email protected],

A quick test with your multimeter set to voltage can you check between the black wires on the back of the cluster and the negative on the battery?

You should have 0V if the ground is good.

Have you checked the connector Below the SMJ?
it should have the black/white wire running through.



Do you have daytime running lights?

It looks like there is a daytime running light controller at the right front corner of the engine compartment that is also supplied by the same wire.

Regards, Joe
Apr 4, 2019 at 10:33 AM
Avatar
  • MEMBER
  • 30 POSTS
Okay, I checked between the ground on the battery and the ground on the back of the cluster and it checked good. and yes I have checked the black/white wire to the back of the cluster to the black/white wire at the SMJ connection. all 0's out on ohms. Also, there is no day time driving lights my truck.
Apr 4, 2019 at 10:58 AM
Avatar
JOETECHPRO
  • CERTIFIED EXPERT
  • 705 POSTS
Hey [email protected],

Ok so now with everything connected again can you check for voltage at these points -

Black wire battery ground,

Red wire start at fuse 11 and check both sides, should have 12V.
move your red wire and check at the back of the fuse both sides, should have 12V.
Then check where the black white wire goes in/out of the connector below the SMJ.
You should still have 12V.

If you have 12V in all of these places then you have to have an issue between the connector (SMJ) and the panel.

Take your black lead and put it on the SMJ connector black white wire and put your red lead on the black/white wire on the back of the cluster. If this checks out you should have 10V roughly, the voltage used before the cluster and causing your issue.

Let me know what you get.

You need to have everything connected and ignition on/truck running to do this testing.

Regards, Joe
Apr 4, 2019 at 11:11 AM
Avatar
  • MEMBER
  • 30 POSTS
Checked fuse #11 have got 14.2 volts on both sides of the front of fuse but can only get to one side on the back of the fuse panel. But it also had 14.2 volts on it. And the white/black wire had 1.43 volts on it. Also, my multimeter is set on 20 volts, not 30 volts. Could the problem be at the J/c-1 connection in under the seat?
Apr 4, 2019 at 11:58 AM
Avatar
JOETECHPRO
  • CERTIFIED EXPERT
  • 705 POSTS
Hey RAJ42763@YAHOO. COM,

You have 14.2V at the SMJ?

From the diagram the only place that black/white wire goes between the fuse box and the cluster is a black connector jc-2 which is below the SMJ.

Can you find the JC-2 connector?

What do you have there?

Regards, joe
Apr 4, 2019 at 1:29 PM
Avatar
  • MEMBER
  • 30 POSTS
No, I have 14.2 volts on both sides of fuse #11. Is the J/C2 connection behind the kick panel. The only connection of wires that go to the instrument cluster I can find is in a gray connection block. and I checked the voltage on the white/black wire both at the gray connection block and the instrument cluster and only got 1.43 volts on it. I also found out that I have no backup lights on the truck either. They used to work on it.
Apr 4, 2019 at 2:41 PM
Avatar
  • MEMBER
  • 30 POSTS
Let me start from the beginning with my 1997 Nissan truck. It all started when it stopped charging so I got a new battery that was not the problem. So I got a new alternator and it still was not charging. So I replaced the check bulb relay still not charging. While I was doing all this the water pump started leaking so I replaced it. and When I went to put the belt back on the water pump I seen it was too long so I got a belt 1/2 inch shorter an put it on and tighten the belt up. and Found out that the alternator was now charging 14.2 volts. But I didn't have any instruments working in the instrument cluster. Have you got any ideas about what I need to do now? Also, the backup lights are not working now and they were working before. I almost forgot that my son changed out the third relay over the top of the fuse panel. and That's when the instruments stopped working. We have replaced the relay and still have no instruments.
Apr 4, 2019 at 4:38 PM
Avatar
JOETECHPRO
  • CERTIFIED EXPERT
  • 705 POSTS
Hey [email protected],

The JC-2 is behind the left kick panel, taped to the main harness below the SMJ.
I will reattach a picture of the SMJ.
Sorry i said the JC-2 was black before it doesn't state the colour.

We are on track here if you find this JC-2 connector and probe the black/white wire do you get a the same low voltage as at the cluster?

Try both sides of the connection are they the same?

If the voltage is low here and good at the fuse you have an issue between the fuse and the JC-2 connector. Try with red lead at the fuse (fuse 11) and black lead at the JC-2, what do you get?

You can try jumping a 12V feed from the battery positive to the black/white wire on the instrument cluster, The cluster should then work and you know the issue is on the black/white wire.

Regards, Joe
Apr 4, 2019 at 6:08 PM