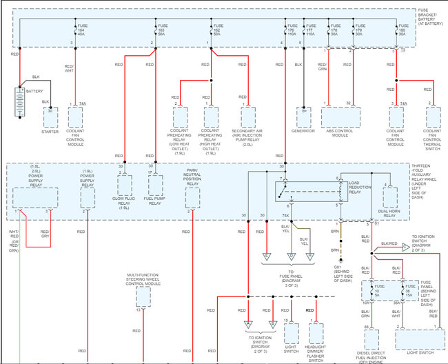
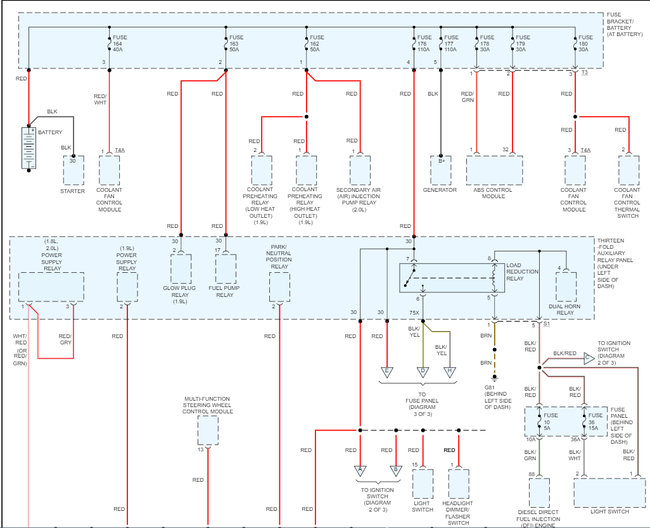
Hey Joe! Appreciate the help!
Here’s what we know so far:
It’s not the bulb (replaced them with fresh ones), no dice. Swapped the left and right units - and the unit that wasn’t working works on the passenger side, and the unit that was working does not work on the drivers side.
Additionally - the running tail light does come on for certain things. When it’s in park (this is a new development as of today) and when the brake is applied (but there is about a 3 second delay - whereas the brake lights come on immediately).
So I know the thing can work, so guessing it’s not the wiring. Wasn’t sure if there is a separate fuse for the brakes vs running tail light to explain why it works for certain functions.
Apr 28, 2021 at 8:33 PM