Wiring diagrams for transmission and the TCM control module?

2009 CHEVROLET SILVERADO
175,000 MILES • 5.3L • V8 • 4WD • AUTOMATIC
Avatar
MIKEWARD30
  • MEMBER
  • 2 POSTS
I need to know what wire is ground for the input shaft speed sensor it goes from transmission to TCM. please and thank you.
Dec 12, 2020 at 10:51 AM
Advertisement
Avatar
KASEKENNY
  • CERTIFIED EXPERT
  • 18,907 POSTS
This is a little tricky because there is no direct ground. There is a reference circuit (voltage supply) and then a signal return circuit. Which means the circuit starts and ends at the TCM. The TCM sends the power, the sensor just alters the voltage and sends it back to the TCM.

So the TCM actually grounds the circuit through the TCM ground but the TCM is in between the sensor and the actual ground. The way it knows what speed the input is going is by how fast the voltage is pulsing from around 1.5v up to 3.5v and back and forth with the teeth and gap of the tone wheel on the input shaft.

Does this make sense? Let me know what questions you have. I attached the wiring diagram for your review. Thanks
Dec 12, 2020 at 3:37 PM
Avatar
MIKEWARD30
  • MEMBER
  • 2 POSTS
Okay, yes this makes perfect sense. I'm getting a p0717 code has been doing it for awhile. how can I go about testing these? I've heard of the reference going bad in the TCM. It's been doing it for awhile sometimes can drive for a hour and it's fine and other times it does it first thing "shifting hard 1-2". any info would help me. I've got a multimeter.
Dec 12, 2020 at 10:23 PM
Advertisement
Avatar
KASEKENNY
  • CERTIFIED EXPERT
  • 18,907 POSTS
Okay. That is great. I am attaching below the testing and info for this code. Take a look at this and let me know what questions you have. It is not the easiest testing but should take us to what the issue is for all those issues.
Dec 13, 2020 at 4:21 PM
Avatar
BUBR1976
  • MEMBER
  • 5 POSTS
Can I get the Tcm wiring diagrams please?
May 6, 2021 at 11:02 AM (Merged)
Avatar
ASEMASTER6371
  • CERTIFIED EXPERT
  • 52,796 POSTS
I attached the diagrams I found for the TCM. Let me know if you have any other questions. This guide will help you test the connections.

https://www.2carpros.com/articles/how-to-check-wiring

Check out the diagrams (Below). Please let us know what happens.

May 6, 2021 at 11:02 AM (Merged)
Avatar
BUBR1976
  • MEMBER
  • 5 POSTS
Thank you I found the connection was bad at the transmision got it fixed!.
May 6, 2021 at 11:02 AM (Merged)
Avatar
STRAILER
  • CERTIFIED EXPERT
  • 53,854 POSTS
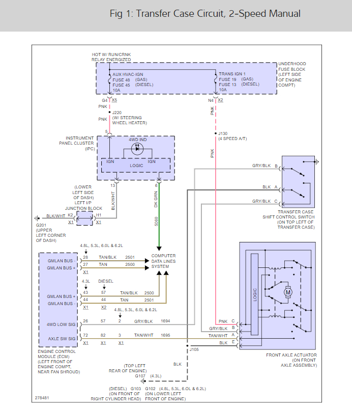
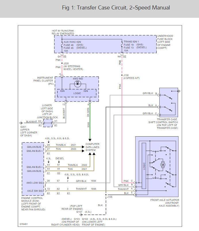
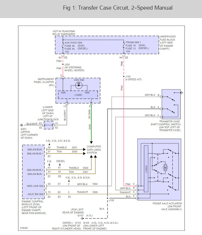
Here is the wiring diagrams for the transmission and the transfer case with a guide to show you how to test the wiring:

https://www.2carpros.com/articles/how-to-check-wiring

Check out the diagrams (below). Please let us know if you need anything else to get the problem fixed.

Cheers, Ken
May 6, 2021 at 11:02 AM (Merged)
Avatar
BUBR1976
  • MEMBER
  • 5 POSTS
Thanks a lot.
May 6, 2021 at 11:02 AM (Merged)
Avatar
BUBR1976
  • MEMBER
  • 5 POSTS
What should be the voltage/resistance on the low reference wire?
May 6, 2021 at 11:02 AM (Merged)
Avatar
ASEMASTER6371
  • CERTIFIED EXPERT
  • 52,796 POSTS
The low reference should either 5 or 8 volts. It is not marked but GM uses on 2 references.

Roy
May 6, 2021 at 11:02 AM (Merged)
Avatar
BUBR1976
  • MEMBER
  • 5 POSTS
Okay, thanks. I found 7.5 volt on the encoder motor but I couldn't find 12 volts.
May 6, 2021 at 11:02 AM (Merged)
Avatar
MRFIXIT16
  • MEMBER
  • 2 POSTS
In search of complete wiring diagram for ECU and TCU controllers. Duramax LMM with Alison transmission. Please help!
May 6, 2021 at 11:02 AM (Merged)
Avatar
ASEMASTER6371
  • CERTIFIED EXPERT
  • 52,796 POSTS
Good evening,

I attached the wiring diagram for the engine and the transmission below for you to view.

https://www.2carpros.com/articles/how-to-check-wiring

Let us know if you have any other questions.

Roy
May 6, 2021 at 11:02 AM (Merged)
Avatar
MRFIXIT16
  • MEMBER
  • 2 POSTS
Does this include the TCM diagrams? Thank you for your quick response!
May 6, 2021 at 11:02 AM (Merged)
Avatar
ASEMASTER6371
  • CERTIFIED EXPERT
  • 52,796 POSTS
Yes, it does. It contains both the engine and transmission diagrams.

Roy
May 6, 2021 at 11:02 AM (Merged)
Avatar
SILVERADOZ712000
  • MEMBER
  • 1 POST
Can I get a chevy 4L60E wiring diagram Please?
May 6, 2021 at 11:02 AM (Merged)
Avatar
KHLOW2008
  • CERTIFIED EXPERT
  • 41,814 POSTS
I have found these transmission wiring diagrams for you (below) and a guide to help you do some testing

https://www.2carpros.com/articles/how-to-check-wiring

Please let us know if you need anything else to get the problem fixed. Click the images to enlarge (BELOW)
May 6, 2021 at 11:02 AM (Merged)
Avatar
DAVENCAT
  • MEMBER
  • 1 POST
Where are these fuses and relays located
May 6, 2021 at 11:02 AM (Merged)
Avatar
STRAILER
  • CERTIFIED EXPERT
  • 53,854 POSTS
There seems to be a slight difference according to the vin number of the fuses and locations so I got all of them for you with the fuse locations below. Here are some guides as well to help you with any testing you need to do.

https://www.2carpros.com/articles/how-to-check-a-car-fuse

Check out the diagrams (BELOW)
May 6, 2021 at 11:03 AM (Merged)
Avatar
44L60E AGGRIVATION
  • MEMBER
  • 1 POST
Ok I've had so many problems with this tranny, finally after a oil pump change...., I get it stabbed and now no speed o meter and no gear shift.... Could I have messed something up in the tranny when changing the pump, cause I ain't gonna lie, I don't know what I'm doing but I wanna do it, but I changed the pump with the tranny laying down... Changed the speed sensors out with old ones but I really don't think the speed sensors are the problem. What else makes it do this? Anything it's helpful... Thanks in advance

I also have a few plugs that I don't know where to plug.....
May 6, 2021 at 11:03 AM (Merged)
Avatar
JEREMY BURGOYNE
  • MEMBER
  • 1 POST
my truck will not shift into third and when it does the truck will not go. I cannot find the fuse for the transmission.
May 6, 2021 at 11:03 AM (Merged)
Avatar
STRAILER
  • CERTIFIED EXPERT
  • 53,854 POSTS
This sounds like it is a solenoid problem which these trucks were prone too, here is a guide to help you. Here is a wiring diagram but you will need to replace the solenoid to fix the problem, its not to tough just drop the pan Here is a guide to remove the pan.

https://www.2carpros.com/articles/how-to-service-an-automatic-transmission

Check out the diagrams (Below). Please let us know what happens.
May 6, 2021 at 11:03 AM (Merged)
Avatar
STRAILER
  • CERTIFIED EXPERT
  • 53,854 POSTS
Both of these problems can cause the speedometer not to work. Can you take pictures of the wiring you are having trouble with so I can help you get it plugged in? Also the speed sensors must be in good working order. Does the truck have any trouble codes?

Here is a guide

https://www.2carpros.com/articles/checking-a-service-engine-soon-or-check-engine-light-on-or-flashing

Please let us know what happens.

Cheers, Ken
May 6, 2021 at 11:03 AM (Merged)
Avatar
MANZOLARRY24
  • MEMBER
  • 28 POSTS
I put a 1993 4l80e transmission in this truck in place of a 4l60e got the transmission plug required into the harness, but I cannot find any where if the PCM I have is able to run this transmission. I do also have the PROM out of the PCM this transmission was used with is there any other wires that need to be put in place to operate this transmission properly? The PCM have is 16296395 with the red and blue connectors 32 pin I have the DRAC also.
May 6, 2021 at 11:03 AM (Merged)
Avatar
STRAILER
  • CERTIFIED EXPERT
  • 53,854 POSTS
I would think it should be okay, there are slight differences in the 4l80e and 4l60e wiring here are the wiring diagrams for both transmissions. Check out the diagrams (below). Please let us know what you find.
May 6, 2021 at 11:03 AM (Merged)
Avatar
MANZOLARRY24
  • MEMBER
  • 28 POSTS
The plug on the left is what I have spliced into the harness of the plug on the far right minus pin u which is where a brown wire is supposed to be according to most wiring diagrams but mine didn’t have one there. I added the front speed sensor in on pin F-2 and F-3 and with the wiring on the plug the TCC should be wired in at E-10 on the PCM.
May 6, 2021 at 11:03 AM (Merged)
Avatar
STRAILER
  • CERTIFIED EXPERT
  • 53,854 POSTS
Okay good, sorry not sure what you are asking. The f12 terminal is where the brown wire goes?
May 6, 2021 at 11:03 AM (Merged)
Avatar
STACKINDIMESS
  • MEMBER
  • 1 POST
In need of TCM wiring diagram for 2012 Silverado 1500 4.8L 4x4 4l60e
May 31, 2021 at 2:46 PM
Avatar
KASEKENNY
  • CERTIFIED EXPERT
  • 18,907 POSTS
I am attaching the wiring diagrams that you are requesting. Please let us know if you need more info on this. Thanks
Jun 1, 2021 at 6:01 PM
Avatar
ZACH IDDINGS
  • MEMBER
  • 4 POSTS
I have a GM Supermatic TCM from a 2013 4L65E... I'm wondering how to just test to see if it's completely bad before I spend the $1,000.00 on a new one... Can anyone help me out with that? My truck (LS3 Connect and Cruise package swap) is stuck in 1st gear. I have reverse and neutral... but will not shift out of 1st. Drives the exact same if I unplug the TCM, or keep it plugged in. It's like it's not communicating or something. I just want to know if there's an easy way to test it with a multimeter.
Sep 29, 2021 at 1:38 PM
Avatar
KASEKENNY
  • CERTIFIED EXPERT
  • 18,907 POSTS
We can definitely help with this. What I would suggest we start with is checking for codes.

If you are correct and the TCM is not communicating it will throw some codes telling the other modules that this is the issue.

https://www.2carpros.com/articles/checking-a-service-engine-soon-or-check-engine-light-on-or-flashing

Clearly, I would not spend this money yet on this either because there could be other issues, but the likely cause is the TCM. However, we should have some codes that point us in the right direction.

Let us know what you find with this and we can go from there. Thanks
Sep 29, 2021 at 3:58 PM
Avatar
ZACH IDDINGS
  • MEMBER
  • 4 POSTS
Hey thanks for the help! The last time I got any codes from it was a P0700, which I believe is the TCM... the scanner I use only gave me that generic code, wasn't able to get anything more than that... This happened pretty much the day after I did the Connect and Cruise swap. Chevy wasn't much help and said just erase the code. So that's what I've been doing every once in a while when the check light comes on... its always been that same code. It would put it into limp mode until I erased it, then it was fine after that. But now, it's just locked into 1st gear.

This 1st gear problem began after a long hot trip through Vegas and back. When I got back it started shifting to 2nd at a much higher RPM than normal, so it was a noticeable problem... but the fact that it always shifted at around 3,000 RPM rather than 2,500 tells me it was a computer issue. I'm not sure. but it was still drivable.. 2nd to 3rd was fine, and so on. Only 1st to 2nd was problematic. Just was not able to go anywhere near WOT. If I gave it some aggressive throttle, it would act like the clutch was slipping... (rev super high, not shift). The other night driving home, it finally just stopped shifting all together.. and now I am stuck in first..

I appreciate your help!
Sep 29, 2021 at 4:15 PM
Avatar
KASEKENNY
  • CERTIFIED EXPERT
  • 18,907 POSTS
Okay. That is a start. This code is not saying that the TCM is the issue. This could be the problem but if that is all you have, I would not pay $1,000.00 on just this.

This code is nothing more than informational saying that the TCM requested that the PCM turn the light on.

So, I suspect we have other codes that will point us in the correct direction, but your code reader was not able to pick them up.

Basically, the code readers only communicate with the ECM/PCM but when you have a code in a different module, those code readers are not able to pick it up.

However, this is exactly why GM put this code in there so that you can be alerted to the fact that there are codes in the TCM.

I would try and make it to a parts store as they should have a scan tool that will pick these other codes up.

See the info below on this code.
Sep 29, 2021 at 6:15 PM
Avatar
ZACH IDDINGS
  • MEMBER
  • 4 POSTS
Okay so I borrowed my neighbors LaunchTech OBD2 touchscreen scanner and was able to get live data as far as transmission fluid temperatures, and shift solenoids so at least I know the TCM is talking, I think? It gave connection errors when attempting to run tests with the TCM unplugged, so it knows it's there.

The only data I could read on the solenoids was:
Truck in park, Shift 1-2 Solenoid: On. Shift 2-3 Solenoid: Off.. Downshift 3-2 Solenoid: On..
Truck in Drive, All solenoids: ON...

I have zero idea what the readings are supposed to be for each solenoid when in park/drive...

The scanner gave no DTC codes. it said all was fine. But probably because I cleared the codes a while ago and it hasn't come back on.
Sep 29, 2021 at 8:51 PM
Avatar
KASEKENNY
  • CERTIFIED EXPERT
  • 18,907 POSTS
Okay. That may get us in a better direction.

However, this vehicle is acting up but there are no codes setting. If the P0700 was cleared previously then you also cleared the codes that were in the TCM.

So, what I would do is drive the vehicle as best you can to try and get the codes to come back.

Next can you tell me exactly what kind of vehicle this is or what the vehicle was that the powertrain is out of?
Sep 30, 2021 at 12:57 PM
Avatar
ZACH IDDINGS
  • MEMBER
  • 4 POSTS
That's what I'm thinking too. I also ordered a bi-directional OBD2 tool so I can test the solenoid actuators and see if they are all functioning this weekend.

The truck is a 1964 Chevy C10, but the powertrain is a GM Performance LS3 Connect and Cruise package... basically a 2013 Camaro SS 6.2L V8 with 4L65E trans. It wasn't out of a donor vehicle; it was a crate motor/trans package bought brand new.
Sep 30, 2021 at 1:06 PM
Avatar
KASEKENNY
  • CERTIFIED EXPERT
  • 18,907 POSTS
Got it. That is the info that I needed. I am attaching the info from the manual on testing these solenoids and the TCM.

Also, you or others may be interested in the video series that we have out there where Ryan did an LS swap. Clearly yours is already finished but may be interesting.

Here is the link to the first video of the series:

https://www.youtube.com/watch?v=NyX6FwLYDuc&t=78s

I attached the testing that your new scan tool will most likely help you with.

However, you may need to find a rental or equivalent tool to the DT 47825 in order to do this testing.


Without the codes to point us in a different direction, this is really all we have. So, I agree that with all the solenoids on in drive is not right and would most likely be a TCM issue, I would just hesitate because that may be a scan tool issue and not reading it correctly.
Sep 30, 2021 at 5:20 PM
Avatar
JLABRAHAM
  • MEMBER
  • 2 POSTS
I've been having difficulties with the parts store and google. my 2011 4.8 4x4 pulled the p0717 and I've tried getting a new TSS, but the parts store gave me the wrong one for my truck, and forums are saying it's on the top of the transmission, but i can't feel or see any on the top. The closest I've gotten to an answer has been on the rear of the transfer case. Is this the correct location.

Also, I'm going to be checking the grounds and tracing the wiring, do you have the diagram I'm needing?

Thank you!
Oct 22, 2021 at 11:34 AM
Avatar
KASEKENNY
  • CERTIFIED EXPERT
  • 18,907 POSTS
This code is for no input speed sensor signal. This is also called a turbine shaft speed sensor.

I assume with the 4.8L you have the 4L60 transmission.

So, I am attaching the info on this, but this sensor is inside the unit on the transmission pump.

Which means the transmission needs to be removed in order to replace this.

Please run through this info and let us know what questions you have.
Oct 22, 2021 at 3:35 PM
Avatar
JAYGARIEPY
  • MEMBER
  • 1 POST
So, I just replaced my transmission on my 2008 Chevrolet Silverado 1500 5.3L. I had a p0717 code before I replaced it, and I bought a new transmission, so it came with a new ISS. But I’m still having the code pop up. I went to the dealership to get the transmission programmed, and the engine light came back on. I called back up there and they said it can’t be anything with the TCM because it wouldn’t let them program it. We hooked up our scanner, and looked at the freeze frames, and we figured out that the input, 0 until we shift out of first gear and then everything is fine. I’m confused on where to go from here. We checked the voltage on the ISS sign wire, and the low reference wire, and when I put it in gear the ISS sign wire is grounded. I’m not sure if that’s correct or not. Please get back to me as soon as possible. Thank you!
Dec 1, 2021 at 12:04 PM