Engine Misfire?

2010 DODGE CARAVAN
80,000 MILES • 3.3L • 6 CYL • 2WD • AUTOMATIC
Avatar
TLARS182
  • MEMBER
  • 1 POST
Misfire cylinder two. pulled three codes p0339-p0302-p1128 installed new crankshaft sensor. problem seems worse.
Oct 1, 2019 at 5:01 PM
Advertisement
Avatar
STRAILER
  • CERTIFIED EXPERT
  • 53,854 POSTS
Hello,

All of codes can stem from a low cylinder lets start with a compression test in cylinder # 2. here is a guide:

https://www.2carpros.com/articles/how-to-test-engine-compression

Can you please shoot a quick video with your phone so we can see what's going on? that would be great. You can upload it here with your response. Please run down this guide and report back.

Also this guide can help fix it as well

https://www.2carpros.com/articles/engine-misfires-or-runs-rough

Please run down these guides and report back.
Oct 3, 2019 at 1:42 PM
Avatar
VIPER7788
  • MEMBER
  • 1 POST
The heads, throttle body, water pump,ignition coil, and transmission have been changed. I have bad gas mileage. could it be the injectors?
Jul 27, 2020 at 9:36 AM (Merged)
Advertisement
Avatar
ASEMASTER6371
  • CERTIFIED EXPERT
  • 52,796 POSTS
Good morning,

I would start with a compression test to be sure the engine has no internal damage.

https://www.2carpros.com/articles/how-to-test-engine-compression

As far as the injectors, yes, they should be professionally cleaned. Additives have no effect on cleaning.

https://www.2carpros.com/articles/how-fuel-injection-systems-work

Roy
Jul 27, 2020 at 9:36 AM (Merged)
Avatar
SNOREY
  • MEMBER
  • 1 POST
2008 grand caravan, engine chugging at idle speed And during take off. Ck engine light is on after getting fuel. Fuel cap is tight.
Jul 27, 2020 at 9:38 AM (Merged)
Avatar
CARADIODOC
  • CERTIFIED EXPERT
  • 34,306 POSTS
There will be at least one diagnostic fault code stored in the Engine Computer. Many auto parts stores will read those codes for you for free. Those codes will get you into the circuit or system with the problem, not necessarily the defective part.
Jul 27, 2020 at 9:38 AM (Merged)
Avatar
ADAM SALZ
  • MEMBER
  • 1 POST
The engine is only running on the left bank. Changed plugs and wires and discovered it runs the same with right bank wires disconnected. The coil is still sparking on the right bank though.
Jul 27, 2020 at 9:38 AM (Merged)
Avatar
STEVE W.
  • CERTIFIED EXPERT
  • 15,113 POSTS
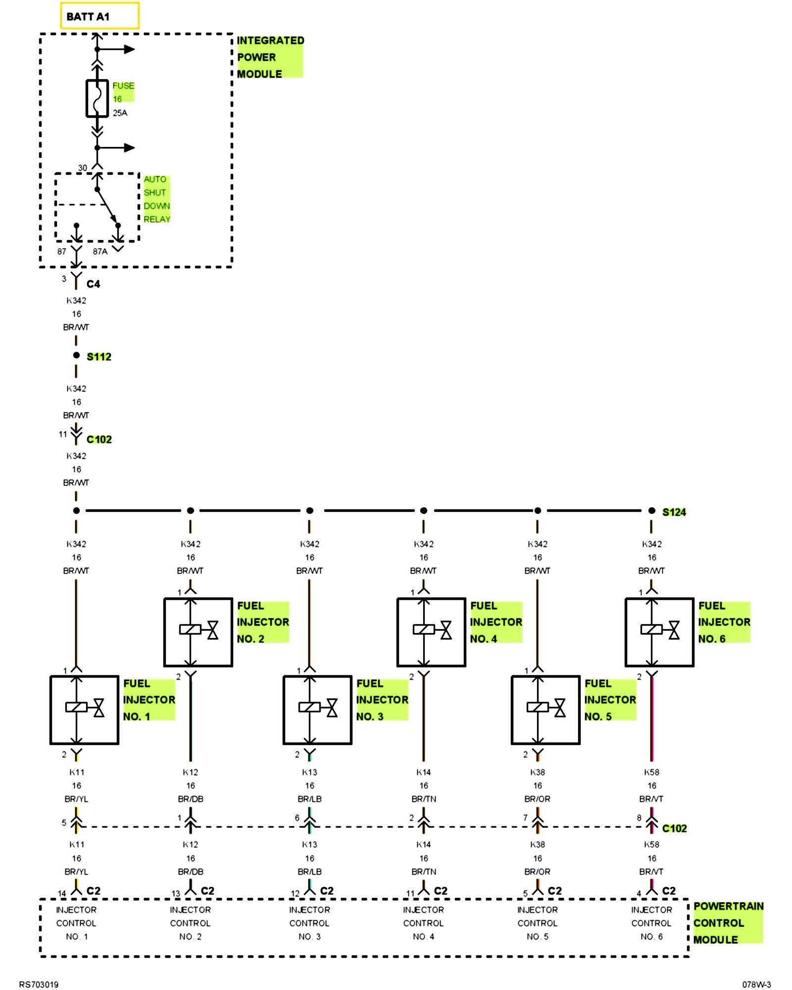
That must be a rough running V3! About the only thing I can think of off hand that would cause that would be if that side lost the 12 volt feed to the injectors. To see if that is the case you can pick any of the "bad" cylinders and check the brown/white wire for battery power. The same color is used to feed all six cylinders from the ASD relay. As they are all connected it is not the relay, but it could be a broken/cut wire that feeds one side.
If you do not have power just trace the wire back to the broken area. If it does have power to the injectors then you could get a set of NOID lights (parts stores usually have them as loaner/rentals). Then select the correct one and plug it in. If it flashes the computer is controlling the circuit, you will want to test all three injector plugs. It is possible the injectors themselves failed but for three to fail all at once and only on one side would be extremely rare.

Jul 27, 2020 at 9:38 AM (Merged)
Avatar
CANNON1349
  • CERTIFIED EXPERT
  • 861 POSTS
So this customer towed their Caravan in due to a ruptured coolant hose, and they decided to get a few things done while they were in. Here's what was done:

-Lower and Upper radiator hose replaced
- Transmission filter and gasket replaced
- Tune-up (new plugs, new wires, no coil)
- New catalytic converter (bolt on)
- New O2 sensor for catalytic converter
- oil change plus oil pan gasket replacement
- Blower motor replacement

After all of this and the fluids have been verified that they are full and not leaking, I have been driving the van for a week do make sure the engine light didn't come on. Before driving it I filled up with gas and added some Lucas fuel injector cleaner in the tank before filling up.

Well, the light came on, and apparently cylinder number three has misfired at some point at normal highway speeds. I wouldn't think that it's the coil because there are no drive-ability problems. Everything seems fine to me?
Jul 27, 2020 at 9:38 AM (Merged)
Avatar
JACOBANDNICKOLAS
  • CERTIFIED EXPERT
  • 110,175 POSTS
Welcome to 2CarPros.

It may have just been a fluke that it happened. Have you cleared the code to see if it comes back?

Let me know. Also, let me know the mileage on the vehicle.

Take care,
Joe
Jul 27, 2020 at 9:38 AM (Merged)
Avatar
CANNON1349
  • CERTIFIED EXPERT
  • 861 POSTS
Yes, I cleared it. I just got back from driving 26 miles on the interstate and no light came on. Drove great. The mileage is 202,535.
Jul 27, 2020 at 9:38 AM (Merged)
Avatar
CANNON1349
  • CERTIFIED EXPERT
  • 861 POSTS
Well it came back on this morning after starting it up. Cylinder three again. Really confused on this.
Jul 27, 2020 at 9:38 AM (Merged)
Avatar
JACOBANDNICKOLAS
  • CERTIFIED EXPERT
  • 110,175 POSTS
Welcome back:

Sorry to hear that. At this point, I'm questioning compression and a possible issue with the mileage. Also, have you confirmed fuel pressure and are you certain there are no exhaust leaks that can cause an O2 sensor to act up?

I realize you most likely have done that 10 times, but I am wondering.

Let me know.

Joe
Jul 27, 2020 at 9:38 AM (Merged)
Avatar
CANNON1349
  • CERTIFIED EXPERT
  • 861 POSTS
Right now I can only tell you that the fuel trim was at -3.12%.

Also this motor was apparently rebuilt a couple of years ago.
Jul 27, 2020 at 9:39 AM (Merged)
Avatar
JACOBANDNICKOLAS
  • CERTIFIED EXPERT
  • 110,175 POSTS
Welcome back:

Okay, you are getting too rich of a fuel mixture. Does the fuel trim get closer to 0 when you rev the engine? If it does, check the mass air flow sensor. If that is good, suspect fuel pressure issues. Either a bad injector or the regulator isn't doing its job. If the negative fuel trim is only related to one bank (cylinder 3 side), suspect a leaking or stuck injector. If it is both, suspect either the MAF or the overall fuel pressure to the engine.

Let me know.

Joe
Jul 27, 2020 at 9:39 AM (Merged)
Avatar
MIRVANA
  • MEMBER
  • 1 POST
while going down the road feels as if engine is jumping hard every so often mechenic cannot figure itout
Jul 27, 2020 at 9:39 AM (Merged)
Avatar
JACOBANDNICKOLAS
  • CERTIFIED EXPERT
  • 110,175 POSTS
Have they checked engine and trans mounts?
Jul 27, 2020 at 9:39 AM (Merged)
Avatar
CANNON1349
  • CERTIFIED EXPERT
  • 861 POSTS
How exactly would I check the MAF sensor? If you mean electrically, what values am I looking for? And every time the light comes on, it's always cylinder 3. Didn't come on today though. Seems to be a bit temperamental!
Jul 27, 2020 at 9:39 AM (Merged)
Avatar
CANNON1349
  • CERTIFIED EXPERT
  • 861 POSTS
Light came on this morning again soon after starting up. The fuel trim jumps to 0% and +0.78% to +4.16% when I rev it in park. After it jumps to those values it goes back to -3.46% and down to -4.26%. When driving, the trim is jumping everywhere.
Jul 27, 2020 at 9:39 AM (Merged)
Avatar
JACOBANDNICKOLAS
  • CERTIFIED EXPERT
  • 110,175 POSTS
Welcome back:

Since it is always cylinder 3, I have a feeling you have a bad injector in that cylinder. And I'm sorry, I misspoke. On this vehicle, mass air flow is calculated using the speed density method using engine speed, manifold absolute pressure, and air temperature change.

If you can, switch the number 3 cylinder injector with a different one and see if the misfire moves.

Let me know.
Joe
Jul 27, 2020 at 9:39 AM (Merged)
Avatar
CANNON1349
  • CERTIFIED EXPERT
  • 861 POSTS
Switching out the injector would mean removing/installing the intake manifold twice right? Is there another way to test, like having the key to the "on" position like priming fuel pressure?
Jul 27, 2020 at 9:39 AM (Merged)
Avatar
JACOBANDNICKOLAS
  • CERTIFIED EXPERT
  • 110,175 POSTS
Welcome back:
The intake would need removed. If the problem still doesn't change cylinder, then you wouldn't need to remove it again. As far as testing it, the only thing without removing it would be a test for voltage, which really won't help. If it was a pressure issue I feel you would have random misfires. If it was a leaking or sticking, it would stay at that cylinder.

I wish I had an easier answer. Do you need any directions for the intake or removal process? By the way, a faulty MAP sensor can be causing an issue, too, but since isn't random (different cylinders), I'm thinking that isn't the issue.

Joe
Jul 27, 2020 at 9:39 AM (Merged)
Avatar
CANNON1349
  • CERTIFIED EXPERT
  • 861 POSTS
I would need instructions/diagram, yes. Wondering if the power steering reservoir needs to be removed for if it can be pushed back. Same for ignition coil. Also, do you have to replace intake gaskets , being metal?
Jul 27, 2020 at 9:39 AM (Merged)
Avatar
JACOBANDNICKOLAS
  • CERTIFIED EXPERT
  • 110,175 POSTS
Welcome back:

Yes, the reservoir will need removed and the upper intake. The only other thing I can think of is the MAP sensor, but feel it would be more likely to cause a random misfire and not just that one. Also, a compression variation in that cylinder can cause it.

Here are the directions for the intake removal:

UPPER INTAKE MANIFOLD
REMOVAL- UPPER INTAKE MANIFOLD
1. Disconnect battery negative cable.
2. Disconnect Inlet Air Temperature (IAT) sensor electrical connector.
3. Remove air inlet resonator to throttle body hose assembly.
4. Disconnect throttle and speed control cables from throttle body.
5. Disconnect make-up air hose support clip from throttle cable bracket.
6. Disconnect the Automatic Idle Speed (AIS) motor and Throttle Position Sensor (TPS) wiring connectors from throttle body.
7. Disconnect the Manifold Absolute Pressure (MAP) sensor electrical connector.
8. Disconnect the vapor purge vacuum hose from throttle body.

Fig.120

pic 1


9. Disconnect the PCV hose (Fig. 120).

Fig.121

pic 2


10. Remove the power steering reservoir attaching bolts and only loosen the nut (Fig. 121). Lift reservoir up to disengage lower mount from stud. Set reservoir aside. Do not disconnect hose.

Fig.122

pic 3


11. Disconnect the brake booster and Leak Detection Pump (LDP) hoses from intake manifold (Fig. 122).

Fig.123

pic 4


12. Remove intake manifold bolts and remove the manifold (Fig. 123).
13. Cover the lower intake manifold with a suitable cover while the upper manifold is removed.
14. Clean and inspect the upper intake manifold.

CLEANING
1. Discard gasket(s).
2. Clean all sealing surfaces.

INSPECTION
Check manifold for:
- Damage and cracks.
- Mounting surface distortion by using a straightedge and thickness gauge.

INSTALLATION - UPPER INTAKE MANIFOLD
1. If the following components were removed from manifold, install and tighten to specifications:

CAUTION: The special screws used for the composite manifold attached components must be installed slowly using hand tools only. This requirement is to prevent the melting of material that causes stripped threads. If threads become stripped, an oversize repair screw is available.
- MAP sensor - 1.7 Nm (15 in. lbs.)
- Throttle cable bracket - 5.6 Nm (50 in. lbs.)

2. Remove covering on lower intake manifold and clean surfaces.
3. Inspect manifold gasket condition. Gaskets can be re-used, if not damaged. To replace, remove gasket from upper manifold (Fig. 123). Position new gasket in seal channel and press lightly in-place. Repeat procedure for each gasket position.

Fig.124

pic 5


4. Position upper manifold on lower manifold (Fig. 123). Install and tighten bolts to 12 Nm (105 in. lbs.) following torque sequence in (Fig. 124).
5. Connect the MAP sensor electrical connector.
6. Connect the brake booster and LDP vacuum hose to intake manifold (Fig. 122).

CAUTION: The special screws used for attaching the EGR tube and power steering reservoir to the manifold must be installed slowly using hand tools only. This requirement is to prevent the melting of material that causes stripped threads. If threads become stripped, an oversize repair screw is available.

7. Install the power steering reservoir (Fig. 121). Tighten screws to manifold to 5.6 Nm (50 in. lbs.).
8. Connect throttle and speed control cables to throttle body.
9. Attach make up air hose clip into the hole in the throttle cable bracket.
10. Connect the wiring connectors to the Throttle Position Sensor (TPS) and Automatic Idle Speed (AIS) motor.
11. Install air cleaner and air inlet hose assembly.
12. Connect the Inlet Air Temperature (IAT) sensor electrical connector.
13. Connect battery negative cable.

________________________________

Let me know if you need anything.

Joe
Jul 27, 2020 at 9:39 AM (Merged)
Avatar
CANNON1349
  • CERTIFIED EXPERT
  • 861 POSTS
Okay, I switched the injector for cylinder #3 with cylinder #5. All the injectors were pretty dirty, so I gave them a good cleaning. Ran it for a while, and no misfires - yet. I guess now we play the waiting game. I did install two new o-rings on the injectors I swapped.

I sincerely feel like the van starts up better and runs a little smoother after doing just that, or maybe it's just me.
Jul 27, 2020 at 9:39 AM (Merged)
Avatar
JACOBANDNICKOLAS
  • CERTIFIED EXPERT
  • 110,175 POSTS
Welcome back:

It very well may be running better. I will keep my fingers that the light doesn't come back on, but if it does, lets hope it is cylinder 5.

Keep in touch.

Joe
Jul 27, 2020 at 9:39 AM (Merged)
Avatar
CANNON1349
  • CERTIFIED EXPERT
  • 861 POSTS
The light is back on, and it's cylinder three again.
Jul 27, 2020 at 9:39 AM (Merged)
Avatar
WINDYPINESD
  • MEMBER
  • 1 POST
Engine Performance problem
2005 Dodge Caravan 6 cyl Front Wheel Drive Automatic

When driving the engines seems to be missing or hitching a lower rpm's. When you accelerate hard it goes away while the engine is working harder. Just replaced the plug wires, replaced the plugs a few months ago.
Jul 27, 2020 at 9:39 AM (Merged)
Avatar
RASMATAZ
  • CERTIFIED EXPERT
  • 75,992 POSTS
Engine misfiring can be caused by worn or fouled spark plugs, a weak spark (weak coil, bad spark plug wire), loss of compression, vacuum leaks, anything that causes an unusually lean fuel mixture (lean misfire), an EGR valve that is stuck open, dirty fuel injectors, low fuel pressure, or even bad fuel
Jul 27, 2020 at 9:39 AM (Merged)
Avatar
JACOBANDNICKOLAS
  • CERTIFIED EXPERT
  • 110,175 POSTS
The last thing left is to do a compression check, but before I have you tear everything apart again, would you consider replacing the map sensor? Also, since you have a live data scanner, can you tell me what it is reading.

The thing that has me the most confused is that you are only getting the misfire on cyl 3. A MAP sensor on this vehicle basically has taken the place of a MAF sensor. The computer uses pressures to determine fuel injector pulse widths (which can cause the STFT and LTFT to act crazy), spark advance and so on. Because of that, I would suspect it wouldn't be limited to only one cylinder, but who knows.

It is mounted on the intake manifold. I attached a pic and highlighted the sensor for you. You may want to remove and inspect it and confirm all connections are clean and tight.

If you don't suspect that could be the issue, then we need to check compression.

https://www.2carpros.com/articles/how-to-test-engine-compression

Let me know your thoughts. If you plan to check compression, let me know that too.

Joe
Jul 27, 2020 at 9:39 AM (Merged)
Avatar
CANNON1349
  • CERTIFIED EXPERT
  • 861 POSTS
Well after talking to the customer, a confession was made. The engine was "rebuilt" two years ago, but they said that they didn't replace a "piston" that was working fine but caused a valve tick, and wouldn't hurt anything. They offered to replace it for her but she declined. I have a hunch that cyl 3 is that valve.

Which, the van runs perfect, gas mileage on the meter went from 17.9 to 21.0. It took 2 days for the light to come on and no driveability problems.
Jul 27, 2020 at 9:39 AM (Merged)
Avatar
JACOBANDNICKOLAS
  • CERTIFIED EXPERT
  • 110,175 POSTS
Welcome back:

Wow, that sounds like the problem. My guess is you are right that it's cylinder 3 and if compression is checked, you would find a big enough variation in readings to allow the engine to run good, but to allow for a misfire. I feel bad for you. She couldn't have told you that prior?

By the way, here are the minimum compression per cylinder and variation tolerance. Once you get near that 25%, a misfire can happen.

Cylinder Compression Pressure
100 psi
NOTE: No more than 25% variance between cylinders.

If you decide to check compression, let me know the results.

Take care,
Joe
Jul 27, 2020 at 9:39 AM (Merged)
Avatar
JHAWKFRED
  • MEMBER
  • 8 POSTS
I have a 2005, 3.8L grand caravan with 75K mi which has again developed a misfire. Their are no electronic codes or indication with scope. The misfire is erratic but frequent when at 50 mph and slightly accelerating. At idle and under strong acceleration there is no miss. No carbon

This happened once before. The dealer finally pulled the head and found one valve with pitting. Regrinding and reassembling solved the problem for about 20K, just long enough that the extended warranty has run out. This feels like swapping parts without addressing the mechanism that lead to that valve pitting.

So assuming I have a similar issue with a valve or two, what is the root cause that should also be corrected/investigated? I do not want to go through this again. (e.g. What should I ask the mechanic to do to avoid it re occurring?) Any idea, whether the problem a malformed cam not properly timing a valve, weak springs, valve material of construction has too low a temperature range or strength, etc?)

The engine was tuned up 7K miles ago (8 mo - wires/plugs). There is an EGR error code this time, but not last time and the mechanic did not think that would be a root cause. Crank position sensor has not been changed. Have not checked yet for vacuum leaks, but wouldn't that show up more under hard acceleration? I don'f feel the misfire under strong acceleration at all.

Have not yet checked fuel pump pressure

If there is an upgrade for the problem, what brand or how to specify would be greatly appreciated.


Jul 27, 2020 at 9:39 AM (Merged)
Avatar
CARADIODOC
  • CERTIFIED EXPERT
  • 34,306 POSTS
Okay, . . . I feel the urge to add a third dimension! :)

When you're accelerating, the fuel mixture in the cylinders is relatively rich. That means the fuel molecules are close together and it's real easy for the flame to jump from one to the next. When cruising, the mixture is much leaner. It's harder for the flame to jump to the next molecule. When it dies out before all the fuel is burned, you have a misfire. That is overcome by a really strong spark but that requires a higher voltage from the ignition coil. People smarter than me have run into problems from installing "higher quality" spark plugs. They might produce a hotter spark, but only if the ignition coil is capable of developing the higher necessary voltage. You might have a condition where the plug gap is a little too large or the plug design requires too much voltage. That's just another thing to keep in the back of your mind because that kind of spark plug trouble is generally only noticed when cruising at a steady highway speed.

Oh, and as far as the EGR valve sticking open, it is supposed to open at highway cruising speeds because that's where it's needed most and it's where you won't feel it. If it sticks open, say due to carbon chips, you'll really feel it at idle.
Jul 27, 2020 at 9:39 AM (Merged)
Avatar
JHAWKFRED
  • MEMBER
  • 8 POSTS
I will read these at home in about an hour and reply
Jul 27, 2020 at 9:39 AM (Merged)
Avatar
JHAWKFRED
  • MEMBER
  • 8 POSTS
They debated replacing the original pitted valve & seat, but chose to re-machine it. I may have misled you somewhat. The check engine light did come on, prior to taking it to the mechanic, with an ERG code (sorry do not have the code). The misfire itself has not caused a code or check engine light. The torque converter may better match the problem, as the miss has seemed worse in a very narrow speed/acceleration range. It looks like your suggestion of the OEM parts payed off, I replaced everything and the van has never ran better, thanks to you and this site :)

Fred
Jul 27, 2020 at 9:39 AM (Merged)
Avatar
CARADIODOC
  • CERTIFIED EXPERT
  • 34,306 POSTS
Glad you could get it fixed, that kind of problem can be tough. Please use 2CarPros anytime we are here to help


The original coil pack can deliver plenty of voltage to fire standard plugs with the correct gap. Sometimes people run into problems when they install a different type of plug in the belief they are upgrading to something better. In fact, the quality of ignition system components is so good compared to 20 years ago, there is no need to think about upgrading anything.

Platinum and split-fire spark plugs are the ones I hear about most often. When they are specified for a certain engine, it means the engineers tested their performance to be sure everything worked together. That can even include the angle the plug sits at in the combustion chamber and how the mixture swirls around near the plug when the piston comes up. Things like that can affect how a different style plug's spark reacts with the fuel. The plug can be a really high quality plug but it's design might not work in some engines.

A scanner is a hand-held computer that is connected to the vehicle to talk back and forth with all of the computers. Only the dealer's equipment is guaranteed to be able to access every computer and perform every function. There are a lot of aftermarket scanners that are used by the independent repair shops because one model will work on many brands of cars. One of the industry's biggest expenses is updating these scanners or buying new ones every year. That is partially the reason labor charges have to be so high. Aftermarket scanners never do as much as the dealer's scanners because the designers are always playing catchup, and they have to reverse-engineer so much stuff to figure out the software. Some aftermarket scanners are actually built by the same companies that build some manufacturer's equipment so they have an advantage.

The first Chrysler scanner, if you could call it that, was the DRB1, (diagnostic readout box version 1). All it did was read out the two-digit fault codes on some '83 model cars, nothing more. Mechanics rarely used it because Chrysler made reading those codes easier than on any other brand of car. All you had to do was cycle the ignition switch three times and count the flashes of the Check Engine light. GM was close in ease of reading codes, but you had to crawl under the dash to short two pins together, then you read the codes the same way.

The DRB2 could read codes, read sensor values, activate things that were controlled by the Engine Computer, (think radiator fan relay and AC compressor relay), and it could record live sensor data during a test drive. I have that scanner and the aftermarket version built by the same company. The Chrysler scanner only worked on Chrysler vehicles. The aftermarket version worked on Fords and GMs too but it didn't do as many functions or features. Independent repair shops liked the aftermarket one because they had to buy fewer pieces of equipment to be able to work on more brands of cars.

I also have the next generation DRB3 which showed up for the '96 models because of all of the new emissions-related stuff. Besides all the features of the older versions, it could be used to install new software into the vehicle's various computers. At first those downloads were received at the dealership over a satellite dish, into their stand-alone master computer, then transferred into the scanner which could be carried out to the parking lot and transferred into the car. The advantage was that if an emissions problem became known, the recall just involved updating the software vs. replacing the Engine Computer. With different plug-in cards, the DRB3 will work on all Chrysler products back to the '83 models, and it can do most emissions-related tests on any brand of car sold in the U.S. beginning with the '96 models. I have one of those too, but since I refuse to own a car that new, it gets used by my friends more than I use it myself. 1996 is when we started the government-mandated OBD2, (on-board diagnostics version 2) emissions systems. That system basically added the second oxygen sensor after the catalytic converter to monitor its efficiency, and it added leak detection to the fuel tank and supply system to monitor for escaping fuel vapors. That's why we see so many Check Engine lights now for a loose gas cap.

I get the next two scanners mixed up because they came along after I left the dealership. One is the Star Scan and the other is the Star Mobile. I get confused; it sounds like the Star Mobile is meant to take along in the car, but I think it means it is mobile and can be carried around the shop. One of them is meant to be left with the customer, I think, to use until the intermittent problem acts up and they can record the event for later examination. These scanners came about because the industry is trying to standardize much of the electronics and emissions systems on all cars, and they are using a new computer "architecture" rather than every manufacturer using their own systems. To the best of my knowledge, this first showed up in some Chryslers in 2004 on the Durango / Dakota. I don't know if it was in the minivans yet. No older scanners will work with this new system. Imagine if GMs spoke Spanish, Fords spoke French, Chryslers spoke German, and all aftermarket scanners spoke just enough of each of those to get buy on a basic level. Now we have agreed that everyone will speak Martian. That means that the tens of thousands of dollars worth of equipment that every independent repair shop bought will be obsolete and they will have to replace all of that equipment to work on the newer cars. This is why shops are charging over $100.00 per hour and can't afford to stay in business.

The latest generation isn't really a scanner and I don't think it replaces the last two. It is simply a laptop computer plugged into the car and a DSL line. Software is downloaded and updated from a web site. Chrysler is one of the most "customer-friendly" companies in that respect because they allow the independent shops to do that too. GM has always been the best company at figuring out how to separate money from their owners after the sale, and whatever they dream up, the other manufacturers usually copy a few years later. The problem is too many people have said "never again" when talking about buying another GM car because repairs are so insanely expensive and you must go back to the dealer. One of GM's latest tricks was to lock up all of their software and refuse to release it to the independent repair shops. Used computers from the salvage yard won't work because they have the vehicle ID number programmed in and will only work on that car. That means when one of their high-failure rate computers needs to be replaced, you must buy a new one from the dealer and have them program it to your car. Independent repair shops can buy the computer from the dealer and install it, but they have to tow the car to the dealer for the programming. Only three computers can be programmed by the independent shops because the government mandates they be allowed to do that because they affect emissions. There can be up to 44 additional computers on the car that the independent repair shops can't work on. (See why I will never buy another new car)?

Chrysler and Toyota allow any independent repair shop to download software for any of their computers except the Security System. That is to prevent vehicle theft issues. There is a small annual fee to access their web sites and a small charge per download, but at least we have access to it. Hyundai is the only company I'm aware of that allows access to everything by anyone for free. Isn't it funny that their sales are going up and GM's are going down?

Sorry for getting so long-winded. I hope you find the answers to your questions somewhere in there. To add one more point about scanners, you can buy "code readers" for somewhere in the neighborhood of $30.00 to $100.00 but they only read out the code number, then you have to look it up in a book. Since '96 those codes are standardized too among all manufacturers. Every one of those readers I've seen will only access Engine Computers, not the Anti-lock Brake, Air Bag, Body, Transmission, Memory Seat, Sliding Door computers or the Instrument Cluster which is also a computer module. I don't know if there is a good basic scanner for do-it-yourselfers that isn't too expensive. The DRB3 kit with way more stuff than you need for just one car model costs around $6200.00, but you are allowed to buy it. You can find a lot of other brands on eBay. Genysis is one brand hat a lot of people seem to like. The newest ones can be updated over the phone line. Anything made by Snapon is similar to GM products in that it costs a lot to maintain and update it.

I sell and repair car radios at the nation's second largest old car show and I sell the DRB3 and accessories there too. It isn't popular with do-it-yourselfers because of the cost, but the independent guys like them a lot because they can be used on so many other models and brands. It has a scope capability too. If you consider buying a scanner for yourself, be sure to ask at the dealership first if your van needs the DRB3 or the newer Star Scan. Only one of them will work and you want to be sure you're buying a scanner that "speaks the same language".
Jul 27, 2020 at 9:39 AM (Merged)
Avatar
BOSSHOG1
  • MEMBER
  • 2 POSTS
Engine Performance problem
2005 Dodge Caravan 6 cyl Front Wheel Drive Automatic 80000 KM

I HAVE A PROBLEM . 2005 DODGE CARAVAN WITH 80000 KM AND I HAVE A MISFIRE ON CYLINDER # 4
ANY INSIGHT FOR ME ?
Jul 27, 2020 at 9:39 AM (Merged)
Avatar
BMRFIXIT
  • CERTIFIED EXPERT
  • 19,053 POSTS
check it for tune up as a 1st step
check coil
Jul 27, 2020 at 9:39 AM (Merged)
Avatar
BOSSHOG1
  • MEMBER
  • 2 POSTS
thanks for your reply going to have a closer look at the coil .. thanks again
Jul 27, 2020 at 9:39 AM (Merged)