Electrical problem 6 cyl Front Wheel Drive Automatic
----------------------------------------------------------------
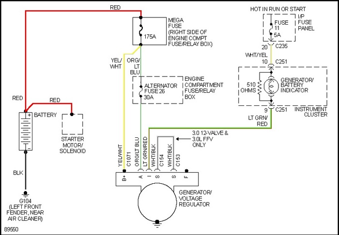
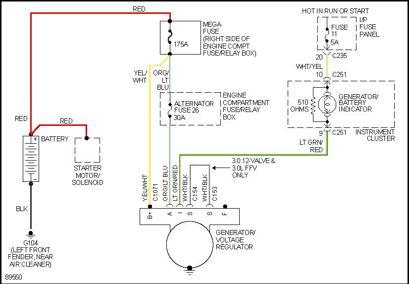
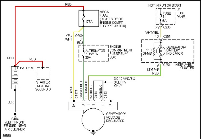
Would it be the mega fuse? Alternator is new been tested again and is good. However, it is not charging on car.
----------------------------------------------------------------
Would it be the mega fuse? Alternator is new been tested again and is good. However, it is not charging on car.
Sep 7, 2008 at 12:47 PM












