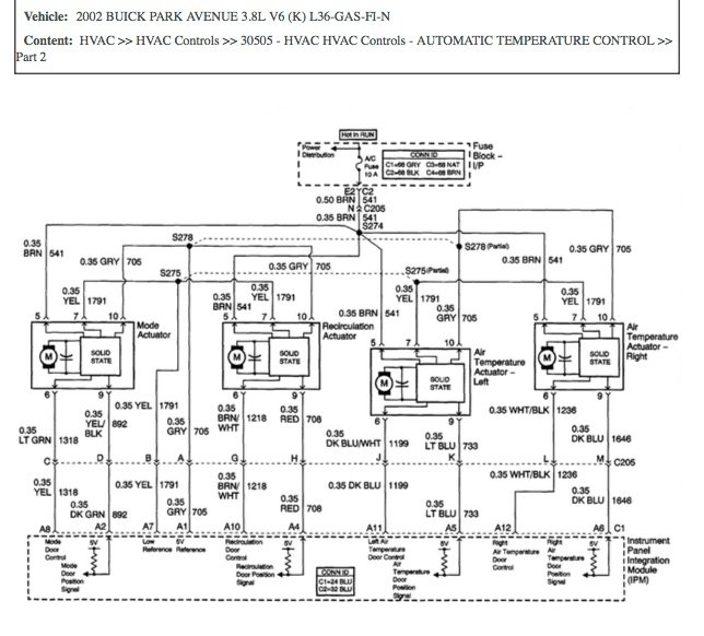
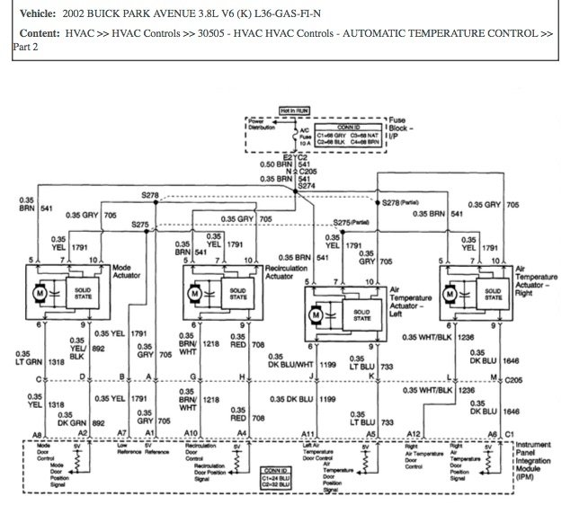
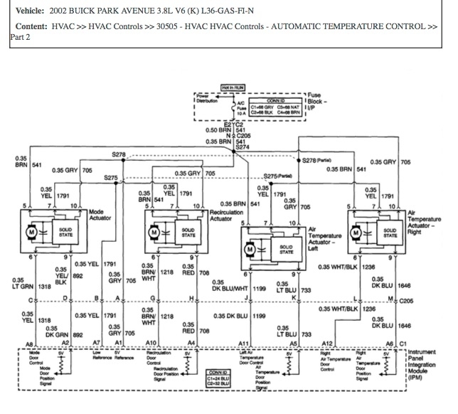
The left air temperature actuator the one that is not functioning as it should would also go full range from far right stop to far left stop and return to the far right stop, and then continue to oscillate left and right during the self test, this movement was very slight just enough that you could notice it. At this point I replaced the left temperature actuator after viewing YouTube videos in which actuators from other manufacturers would also do the same thinking the unit was worn and the reference signal being sent back to the Instrument Panel Module was being lost and the actuator was searching to find its position. After replacing the actuator and performing the actuator calibration procedure (pulling the fuse waiting the specified time) the back and forth oscillations stopped with the new actuator in place but the actuator only responds barely the same as the old one, just enough that you can see it budge when operating the HVAC temperature control on the dash from full hot to full cold. If you guys don’t have an answer hopefully you have the connections to pose this to say the engineer who designed this.
Thank you
Thank you
Jul 22, 2020 at 3:55 PM































































