Nov 7, 2018 at 4:30 PM
Knock sensor
1998 GMC SONOMA
Advertisement
Agree, but what does this have to do with my timing? What would make the timing jump like that. The book says that the knock sensor would do that to the timing, do you agree? It is not giving me a code for that either!
No, the information you sent me says 19.5 for timing. That is ECM controlled and you can do nothing about it.
If the knock sensor was an issue it only retards timing, not advancing timing. Your knock sensor is good.
Roy
If the knock sensor was an issue it only retards timing, not advancing timing. Your knock sensor is good.
Roy
Nov 7, 2018 at 4:35 PM
Advertisement
Thank you for all of your help! 2carpro's is top's with me! I cannot do anything with the catalytic converter until I get back working. I tried getting under the truck and opening the exhaust but the nuts are really on tight, and the top one will require removing the cross member, I think. I guess I will just continue using it as is and the next thing to replace is the catalytic converter.
Nov 7, 2018 at 4:47 PM
Thank you for the kind words. We do our best.
Roy
Roy
Nov 7, 2018 at 4:52 PM
So Roy, do you think it could be the catalytic converter causing the misfire?
Nov 7, 2018 at 4:58 PM
No, I doubt it. It will not cause the long term trims to be high. That is fuel control not exhaust.
Roy
Roy
Nov 7, 2018 at 4:59 PM
Thanks, but what could it be?
Nov 7, 2018 at 5:02 PM
We already discussed this.
It is either fuel pressure or possible mass air flow sensor. Both need to be checked to verify.
Roy
It is either fuel pressure or possible mass air flow sensor. Both need to be checked to verify.
Roy
Nov 7, 2018 at 5:07 PM
I checked the MAF myself and it is at 4.7 volts and the shop checked the fuel and said the fuel, fire and compression was good. So I guess it is going to just be a gremlin no one can figure out. Thank you
Nov 7, 2018 at 6:01 PM
No, just because it has 4.7 volts does not mean it is good at all
As far as the fuel pressure, I would check it myself. Someone telling you it is okay is not good enough for me.
Roy
As far as the fuel pressure, I would check it myself. Someone telling you it is okay is not good enough for me.
Roy
Nov 8, 2018 at 2:32 AM
Make sure the voltage changes as the rpm change up and down. There should be a smooth transition of voltage up and down and not sudden changes or times of no change.
That change of voltage is what the PCM uses for fuel mapping.
Roy
That change of voltage is what the PCM uses for fuel mapping.
Roy
Nov 8, 2018 at 7:13 AM
Alright, sounds good, I will do that today and will let you know. What about the reading from the live data that I sent you yesterday, it showed the MAF at 0.6 lb/min does that sound right?
Nov 8, 2018 at 7:24 AM
Yes, but needs to change when rpm change.
Roy
Roy
Nov 8, 2018 at 7:26 AM
I know it bounced around when idling. So what should I see it do on live data if I raise the rpm?
Nov 8, 2018 at 7:31 AM
Smooth steady rise in voltage and load.
Roy
Roy
Nov 8, 2018 at 8:18 AM
Okay Roy, I will take a look at it and will let you know. Thank you
Nov 8, 2018 at 8:26 AM
Anytime.
Roy
Roy
Nov 8, 2018 at 8:27 AM
Roy, what should my fuel pressure be on this 1998 4.4 GMC Sonoma 4X4?
Nov 8, 2018 at 9:41 AM
Spec is 55-60 key on, engine off.
Roy
Roy
Nov 8, 2018 at 10:07 AM
Thank you for that. Now I just went outside and got the engine up to operator temperature and the book states to disconnect the MAF and probe the middle wire of the wire harness and test it for a good ground which I did by hooking up my probe light to the positive side of the battery and probing the middle wire, A,B,C, which is A for PCM, B ground, C Plus, and the light lite up showing ground to the bulb. Now the book says to probe the B and C and it should not show any resistance, and that if it did, 20 ohms would send a code. I get 15 ohms. And I checked my A and B for PCM-V and got 5.5 and the book said no more then 6 and no less then 4, so I guess I am good there but what about the 20 ohms from B and C? Can I buy a new plug for the MAF? And should I get a ohms reading if I check the MAF by probing the middle and right connector?
Nov 8, 2018 at 12:03 PM
The pigtail was a common failure. You are within limits and it has not coded. You can let it go if you wish or replace the pigtail.
You need to check the voltages as I stated as well.
Roy
You need to check the voltages as I stated as well.
Roy
Nov 8, 2018 at 12:15 PM
I did and it was 5.5 volts with key on and no start. This is a 3 wire plug. So if I back take a reading while it is connected to the MAF while running, what should I get?
Nov 8, 2018 at 12:22 PM
Look at your scan tool with it running. You gave me information before. Use the scan tool and monitor the readings.
Roy
Roy
Nov 8, 2018 at 12:34 PM
Alright I will, but I just had it running and back probed the B and C on a DC-20 and it gave me 0.7 and as I increased slightly the numbers did so as well. But I will go and hook the scan tool up also.
Nov 8, 2018 at 12:45 PM
The scan tool is the information that the PCM sees.
Roy
Roy
Nov 8, 2018 at 12:51 PM
Well, now it is not reading anything! I hooked up the volt meter on DC20 and it shows .07 and will increase with rpm's but the scan tool will not show anything.
Nov 8, 2018 at 1:02 PM
Wiggle the connector at the mass air flow sensor connector and see if you get readings. You did something during your testing.
Roy
Roy
Nov 8, 2018 at 1:05 PM
Yes I did that already and nothing.
Nov 8, 2018 at 1:07 PM
Verify your reference voltage at the connector.
You should never have touched this as it is not your issue. Unfortunately, you have created a new issue for yourself.
Roy
You should never have touched this as it is not your issue. Unfortunately, you have created a new issue for yourself.
Roy
Nov 8, 2018 at 1:10 PM
I can back probe the plug and all three wires show volts. A-pcm to ground B =6 and B to C shows 7 so the plug works. I have to assume that the scanner is not picking up MAF because the MAF went out somehow or am I wrong?
Nov 8, 2018 at 1:42 PM
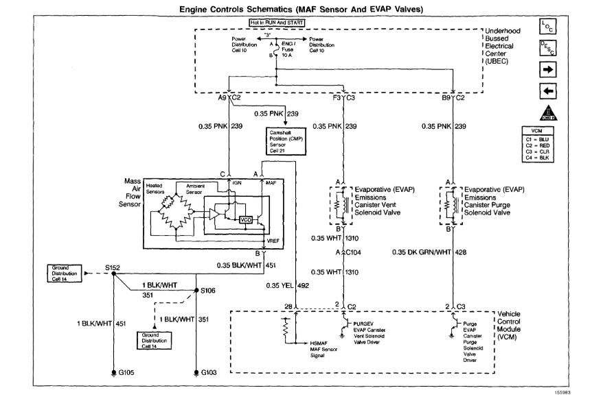
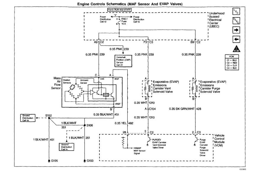
Does the pink wire have 12 volts as in the diagram I sent you?
Nov 8, 2018 at 1:45 PM
No, never had. All the book says is to check pin b and c for ignition voltage and if that is the 12 volts you were talking about, then it only shows 2 volts. Now the PCM on wire A and ground shows the 5 volts it is suppose to show but the other showed 2 volts and that was from the start of all of this.
Nov 8, 2018 at 2:07 PM
Ignition voltage is 12 volts.
Nov 8, 2018 at 2:16 PM
Well I found out that I blew a 10a fuse and I am hoping that was the reason the scanner cannot pick up the MAF. Is there any way to test the MAF by itself?
Nov 8, 2018 at 2:47 PM
No, not without it hooked and the engine running.
You did not even have a problem with this sensor until you messed around and caused the fuse to blow.
You did not even have a problem with this sensor until you messed around and caused the fuse to blow.
Nov 8, 2018 at 2:53 PM
Should the engine shut off at idle if I pull the sensor?
Nov 8, 2018 at 3:00 PM
It may shut off if you unplug it. It depends on the fuel mapping. That does not tell you if the sensor is good or not.
Nov 8, 2018 at 3:07 PM
The reason I asked was because of YouTube I saw where he unplugged it and it stop running. However, I got a first hand experience awhile ago on the matter. I went to get some fuses because I was out of 10a's and I felt something not right while running but nothing really bad, just a bit of a kick around kind of something, then my tac went out all at once, nothing else just that. Then I got home I put in the new fuse and tac worked and now it is reading .7 on the MAF and it increase nice and slow on upping the gas and decreases on down. So if this is working alright, I guess tomorrow I will check the fuel pressure and see if it is alright. Thank you so much for all the help! At sixty six years old, sometimes it can get to be a job.
Nov 8, 2018 at 4:03 PM

