My blower motor is not working why?

2014 CHEVROLET SILVERADO
114,000 MILES • 5.3L • V8 • 4WD • AUTOMATIC
Avatar
JORYPEYTON
  • MEMBER
  • 1 POST
Dealership said the blower motor is bad but I installed a new blower motor but it doesn't work either?
Aug 1, 2020 at 4:39 PM
Advertisement
Avatar
KASEKENNY
  • CERTIFIED EXPERT
  • 18,907 POSTS
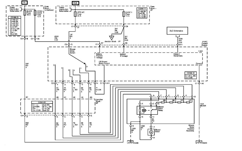
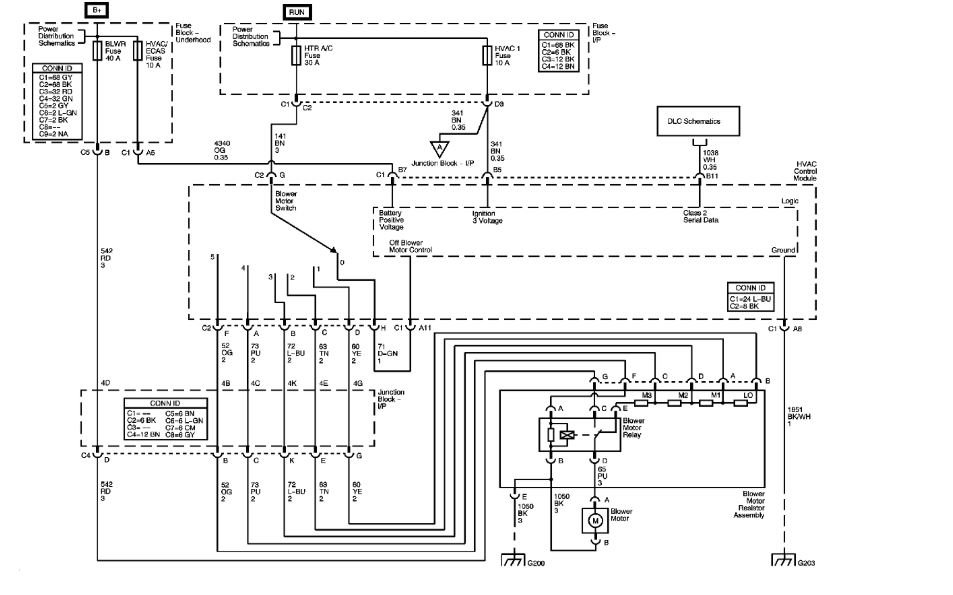
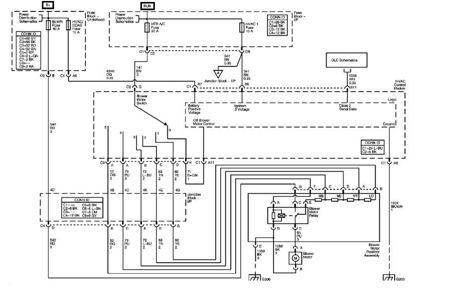
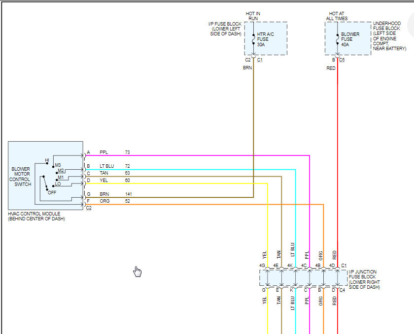
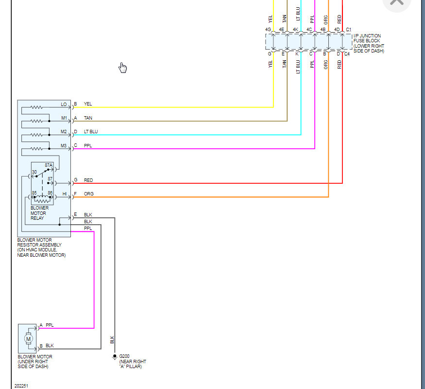
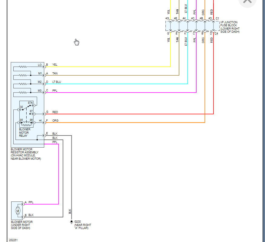
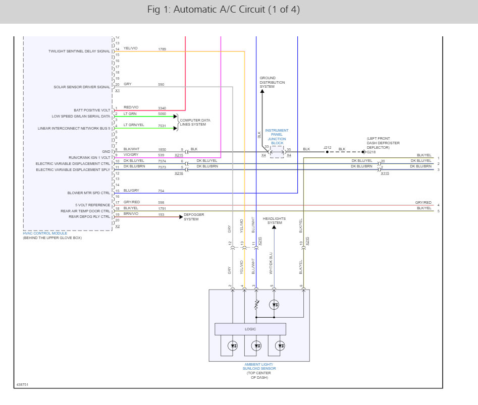
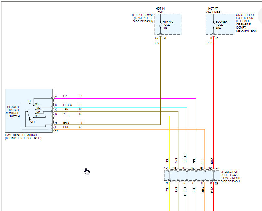
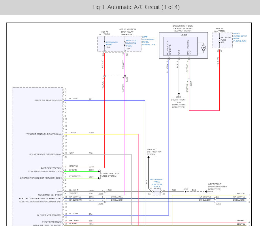
it sounds like the main blower fuse ( frt blwr fuse #40) is out but to be sure lets run down this guide which shows how to check for power and ground at the motor. I have included the fuse location and a guide on how to check it in the diagrams below.

https://www.2carpros.com/articles/blower-fan-motor-works-on-high-speed-only

and

https://www.2carpros.com/articles/how-to-check-a-car-fuse

Here is a wiring diagrams so you can see how the system works as well. Check out the diagrams (Below). Let us know what happens and please upload pictures or videos of the problem.


Aug 3, 2020 at 7:14 AM
Avatar
RANDY RED RARIDON
  • MEMBER
  • 1 POST
I noticed my heater fan making a squeaking screeching noise on high then it stops working? Also my defrost doesn’t work on passenger side.
Apr 30, 2021 at 2:19 PM (Merged)
Advertisement
Avatar
STRAILER
  • CERTIFIED EXPERT
  • 53,855 POSTS
Hello,

You have to problem the first is the noise and blower motor operation which you will need to replace the blower motor for and the passengers side blend door actuator for the air flow issue. Here are two guides to help walk you you through the repair with diagrams below to show you how on your car:

https://www.2carpros.com/articles/blower-fan-motor-works-on-high-speed-only

and

https://www.2carpros.com/articles/replace-blend-door-motor

Check out the diagrams (below). Please let us know if you need anything else to get the problem fixed.
Apr 30, 2021 at 2:20 PM (Merged)
Avatar
OSWALD_ZRT
  • MEMBER
  • 4 POSTS
I replaced the blower motor, blower motor resistor, and A/C climate controls. I checked the power and ground wire and I have power in both wires so there is no ground.
Apr 30, 2021 at 2:20 PM (Merged)
Avatar
JACOBANDNICKOLAS
  • CERTIFIED EXPERT
  • 110,175 POSTS
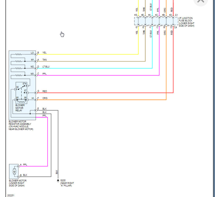
From the blower motor resister, there are two black wires. They are grounds. One will go to the blower motor and the other goes near the right side A pillar.

This guide will help with diagrams below

https://www.2carpros.com/articles/blower-fan-motor-works-on-high-speed-only

I attached a pic of the wiring schematic below. Let me know if this helps or if you have other questions.

Joe
Apr 30, 2021 at 2:20 PM (Merged)
Avatar
OSWALD_ZRT
  • MEMBER
  • 4 POSTS
The connection looks good what should I do?
Apr 30, 2021 at 2:20 PM (Merged)
Avatar
JACOBANDNICKOLAS
  • CERTIFIED EXPERT
  • 110,175 POSTS
I need you to check for continuity to ground between the black wires at the connector and a known good ground on the vehicle. You will need a multi meter. Basically, set it to ohms and check to see if continuity exists. What you are doing is basically making sure the wire has no breaks in it and that power flows through it and is grounded to the vehicle body.

Check the black wire that goes to the A pillar first. If that ground isn't good, then the other one won't be either. The one that goes to the A pillar and is bolted to the body is the actual grounding point.

Let me know.

Joe
Apr 30, 2021 at 2:20 PM (Merged)
Avatar
OSWALD_ZRT
  • MEMBER
  • 4 POSTS
Can that cut be causing it?
Apr 30, 2021 at 2:20 PM (Merged)
Avatar
JACOBANDNICKOLAS
  • CERTIFIED EXPERT
  • 110,175 POSTS
Hi,

Are you referring to the connector itself or is there a cut in the wiring? If it is the connector, chances are the color difference isn't causing a problem.

Was there continuity to ground?

Joe
Apr 30, 2021 at 2:20 PM (Merged)
Avatar
OSWALD_ZRT
  • MEMBER
  • 4 POSTS
The connector is broken for one of the grounds which i'm thinking its the HVAC ground wire because it's the only one that is not working. I grounded it separate from the other ground, now it is working thank you.
Apr 30, 2021 at 2:20 PM (Merged)
Avatar
REPAIRER
  • MEMBER
  • 1 POST
My blower was working on 1,2 ,3 and 4, not 5, now it's not working at all. What could be the problem?
Apr 30, 2021 at 2:21 PM (Merged)
Avatar
OBXAUTOMEDIC
  • CERTIFIED EXPERT
  • 3,711 POSTS
Hello, The most likely cause is the Blower Motor Control Processor...


https://www.2carpros.com/forum/automotive_pictures/188069_06silvrblowmotrresis_1.jpg

.
Apr 30, 2021 at 2:21 PM (Merged)
Avatar
ROY BOONE
  • MEMBER
  • 1 POST
The blower motor does not come on by switch. Hot wire motor runs fine. Replaced resistor module. Replaced heater/air conditioner control module. Air conditioner works fine with bower motor hot-wired. Checked two fuses at panel on end of dash plus two fuses in under hood panel. What am I missing?
Apr 30, 2021 at 2:21 PM (Merged)
Avatar
STRAILER
  • CERTIFIED EXPERT
  • 53,855 POSTS
Its sounds like it could be the blower motor module here is wiring diagram, check the power feeds through the system and get back to me on what you find.

Best, Ken

Apr 30, 2021 at 2:21 PM (Merged)
Avatar
TRIVIUM68
  • MEMBER
  • 2 POSTS
At first the blower would get stuck in the full on position but not it does not blow at all
Apr 30, 2021 at 2:21 PM (Merged)
Avatar
LEGITIMATE007
  • CERTIFIED EXPERT
  • 5,121 POSTS
its behind the instrument panel inside the blower motor housing, you'll need a test light and check each of the slots in the resistor(heres a pic) with the ignition key in the on position and the test light on a good ground, you'll test each slot as you are putting the switch on each speed.


https://www.2carpros.com/forum/automotive_pictures/88091_ScreenHunter_02_Nov_10_2321_1.jpg

Apr 30, 2021 at 2:21 PM (Merged)
Avatar
LEGITIMATE007
  • CERTIFIED EXPERT
  • 5,121 POSTS
this is the instrument panel insulator that you will have to remove first


https://www.2carpros.com/forum/automotive_pictures/88091_ScreenHunter_03_Nov_10_2347_1.jpg

Apr 30, 2021 at 2:21 PM (Merged)
Avatar
LEGITIMATE007
  • CERTIFIED EXPERT
  • 5,121 POSTS
blower motor resistor retaining screws


https://www.2carpros.com/forum/automotive_pictures/88091_ScreenHunter_04_Nov_10_2351_1.jpg

Apr 30, 2021 at 2:21 PM (Merged)
Avatar
LEGITIMATE007
  • CERTIFIED EXPERT
  • 5,121 POSTS
removing blower motor resistor


https://www.2carpros.com/forum/automotive_pictures/88091_ScreenHunter_05_Nov_10_2353_1.jpg

Apr 30, 2021 at 2:21 PM (Merged)
Avatar
ITSMECHAP0426
  • MEMBER
  • 1 POST
I'm having issues with my heat control. I've recently lost all speeds for my heat.. I've changed blower motor and the resistor and still doesn't work.. I've checked all fuses that I know to check. Any help would be appreciated.
Apr 30, 2021 at 2:21 PM (Merged)
Avatar
KASEKENNY
  • CERTIFIED EXPERT
  • 18,907 POSTS
So we need to go to the blower motor and see what we have for voltage. I included the wiring diagrams where we need to check. Basically trace the power back to the two fuses and see where you don't have power and that will tell us what the issue is.
Apr 30, 2021 at 2:21 PM (Merged)
Avatar
MIKEH
  • MEMBER
  • 4 POSTS
i have a 2006 chevy truck dual control auto temp i have tested the wires at the fan and i'm getting power on the purple wire that plugs into the fan one thing i noticed there is a small purple wire coming into resestor and it has no power to it. can you help me please


Apr 30, 2021 at 2:21 PM (Merged)
Avatar
KHLOW2008
  • CERTIFIED EXPERT
  • 41,814 POSTS
Does fan works when the Black wire of fan motor is grounded?

Disconnect the blower motor connector. turn ignition switch ON with engine OFF. Install a test lamp between the terminals of wireharness. Turn blower speed to maximum. Place air temperature switch to warmest position. Does test lamp illuminate?



Do you mean the Purple/White wire (Purple with a fine White line on it)?

Does blower motor works in any speed?

Apr 30, 2021 at 2:21 PM (Merged)
Avatar
MIKEH
  • MEMBER
  • 4 POSTS
i did that test and i have no power, yes the purple/white wire that comes into the resistor it says input on the resistor. i took fan out and hooked power and ground to fan and it worked like that. the doesn't work on any speed when it stopped it was like some1 had turned the speed down slowly. the it stopped. thanks for the help
Apr 30, 2021 at 2:21 PM (Merged)
Avatar
KHLOW2008
  • CERTIFIED EXPERT
  • 41,814 POSTS
Here are the cmplete diagnostics for the blower motor. Go through and let me know what you find.

Apr 30, 2021 at 2:21 PM (Merged)
Avatar
MIKEH
  • MEMBER
  • 4 POSTS
ok thanks i think we have it its the heater control panel in the dash.
Apr 30, 2021 at 2:21 PM (Merged)
Avatar
DROCK11C
  • MEMBER
  • 3 POSTS
The fan speed knob in my truck started malfunctioning a short while ago. It started with only the number 3 and 5 setting not working and eventually ended in none of the settings working. Is this a blower motor malfunction or something like a wiring harness? I'm stuck.
Apr 30, 2021 at 2:21 PM (Merged)
Avatar
RHALL77
  • CERTIFIED EXPERT
  • 3,361 POSTS
It sounds like you have a fuse, relay or blower motor that has failed but to be sure lets run down theses guides which will show us how to fix it. This video shows the job being done on a similar car but the process is the same with diagrams below to show you how on your car.

https://youtu.be/1eau7hCuuJ8

and

https://www.2carpros.com/articles/blower-fan-motor-works-on-high-speed-only

and

https://www.2carpros.com/articles/how-to-check-a-car-fuse

and

https://www.2carpros.com/articles/how-to-check-an-electrical-relay-and-wiring-control-circuit

The fuse and relay location are in the diagrams below. Check out the diagrams (Below). Let us know what happens and please upload pictures or videos of the problem.
Apr 30, 2021 at 2:21 PM (Merged)
Avatar
DROCK11C
  • MEMBER
  • 3 POSTS
I replaced the blower motor resistor and the problem is gone thank you for your help.
Apr 30, 2021 at 2:21 PM (Merged)
Avatar
POHLMANJ
  • MEMBER
  • 3 POSTS
I don't know for sure what it is but the blower motor doesn't work anymore. Last weekend I unhooked the battery and then hooked it back up. I didn't notice it until Monday morning on my way to work that the blower motor quit working. It doesn't work in any speed at all. My question is How can I tell if it's the motor, the resistor, or just a simple fuse. I did check the blower fuse and all of the A/C fuses under the hood and on the inside but nothing around the blower motor assembly. Please help.
Apr 30, 2021 at 2:22 PM (Merged)
Avatar
RASMATAZ
  • CERTIFIED EXPERT
  • 75,992 POSTS
Test the blower motor relay-if okay Apply direct power from the battery to the blower motor-don't come On-test the blower motor resistor-if okay the last stop will be the HVAC control module/blower control switch
Apr 30, 2021 at 2:22 PM (Merged)
Avatar
POHLMANJ
  • MEMBER
  • 3 POSTS
I had a mechanic look at and we found that the wiring harness going into the Blower fan resistor had burned out. He told me to get a new resistor and wiring harness and how to hook it all up. I then asked him if I needed to replace the blower fan and his response was get everything else fixed and then with the fan running hold my fingers on the wiring connector see if becomes hot. If it does then the blower fan needs to be replaced. My question to you is Do I really need to replace the fan even if it gets warm or hot?
Apr 30, 2021 at 2:22 PM (Merged)
Avatar
RASMATAZ
  • CERTIFIED EXPERT
  • 75,992 POSTS
Power the fan direct from the battery did it come On?
Apr 30, 2021 at 2:22 PM (Merged)
Avatar
POHLMANJ
  • MEMBER
  • 3 POSTS
The fan come on when he touched the wiring harness but when he put his fingers on the wire it started getting hot. That's when he told me I'll probably need a new blower fan. so I got a new one and its fixed thank you
Apr 30, 2021 at 2:22 PM (Merged)
Avatar
VICTOR1438
  • MEMBER
  • 1 POST
please where is the fuse for the blower motor i dont finned in the fuse box
Apr 30, 2021 at 2:22 PM (Merged)
Avatar
RASMATAZ
  • CERTIFIED EXPERT
  • 75,992 POSTS
Check and test all these fuses: Blower fuse 40amp and HVAC/ECAS fuse 10amp in the unde rhood fuse block, also the Htr/AC fuse 30amp and HVAC 1 fuse 10amp in the instrument panel fuse block to include the blower motor relay.
Apr 30, 2021 at 2:22 PM (Merged)
Avatar
GEORGE KAISER
  • MEMBER
  • 1 POST
The AC seems to have stopped working with no lead up until it simply stopped blowing cool air. I am not sure if it is simply a fan blower issue or if the whole unit stopped working. When the heat is turned on it still produces heat but nothing is blown out. Has anyone dealt with this issue or have an idea of what may be wrong with it? Thanks in advance for the help.
Apr 30, 2021 at 4:18 PM (Merged)
Avatar
ASEMASTER6371
  • CERTIFIED EXPERT
  • 52,796 POSTS
Good morning.

The blow fan may have stopped working or the blower resistor may have failed. both common failures for this issue.

I will attach a diagram for you to view. Check for voltage to the blower motor with the key on and the fan set on high.

Roy

https://www.2carpros.com/articles/low-or-no-air-flow-from-vents
Apr 30, 2021 at 4:18 PM (Merged)
Avatar
BILL TROUTT
  • MEMBER
  • 6 POSTS
After having a ignition switch replaced at the local dealership my fan motor quit working a few weeks later. Last week I took it back to the dealership and was told there is a resisitor bad causing the problem. In order to replace I would need to purchase a new pigtail which the resistor was built into at a cost of over $250. I feel the dealership was pulling my chain. Any advise? If so are there any wiring diagrams aviable?
May 25, 2021 at 11:45 AM (Merged)
Avatar
SATURNTECH9
  • CERTIFIED EXPERT
  • 30,869 POSTS


https://www.2carpros.com/forum/automotive_pictures/416332_2006_1500LTac_part1_1.jpg


https://www.2carpros.com/forum/automotive_pictures/416332_2006_1500_LT_blower_motor_resistor_1.jpg


https://www.2carpros.com/forum/automotive_pictures/416332_2006_1500LT_blower_motor_bulletin_part1_1.jpg


https://www.2carpros.com/forum/automotive_pictures/416332_2006_1500LT_blower_motor_bulletin_part2_1.jpg


https://www.2carpros.com/forum/automotive_pictures/416332_2006_1500LT_blower_motor_bulletin_part3_1.jpg


https://www.2carpros.com/forum/automotive_pictures/416332_2006_1500LT_blower_motor_bulletin_part4_1.jpg

I solved the wire harness for the blower motor resistor card i posted the bullitin so you could read why you have to get the harness too.I also posted the wire diagram for it as well.If you have anymore questions let me know.
May 25, 2021 at 11:45 AM (Merged)