Immobilizer Intermittent? Engine Not Cranking Over?

2018 CHEVROLET SILVERADO
12,000 MILES • 5.3L • V8 • 4WD • AUTOMATIC
Avatar
  • MEMBER
  • 2 POSTS
I have a 2018 Chevy Silverado Z71 4x4. When I turn off the ignition, intermittently I cannot restart the engine for 10 minutes. All lights on the dashboard light up, to include the security light, and work normally even though the engine will not crank. There are no warning lights or alarms before or after I turn off the ignition. After 10 minutes the engine cranks and starts normally. Remote start is inop for the 10 minute interval. Using my spare key and FOB does nothing, for 10 minutes.
I have had it to 2 dealers and both say there are no trouble codes, they cannot duplicate the no crank condition, and the system is working fine. Since it usually does it upon returning home I thought it was the vibration from the dirt road I live on. Not the problem. Then I thought my electric gate or garage door opener was the problem (one service tech also thought that was the problem). Not the problem either. It is now intermittently doing it everywhere I go, not just my driveway.
Jan 25, 2019 at 10:51 AM
Advertisement
Avatar
STRAILER
  • CERTIFIED EXPERT
  • 53,854 POSTS
Hello,

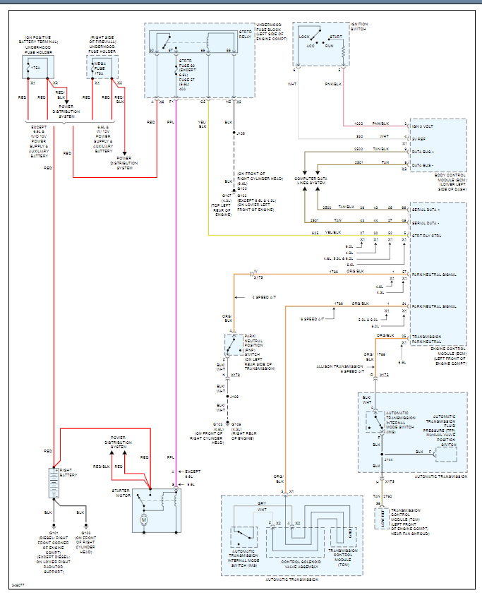
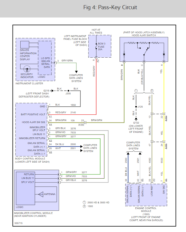
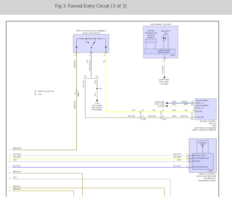
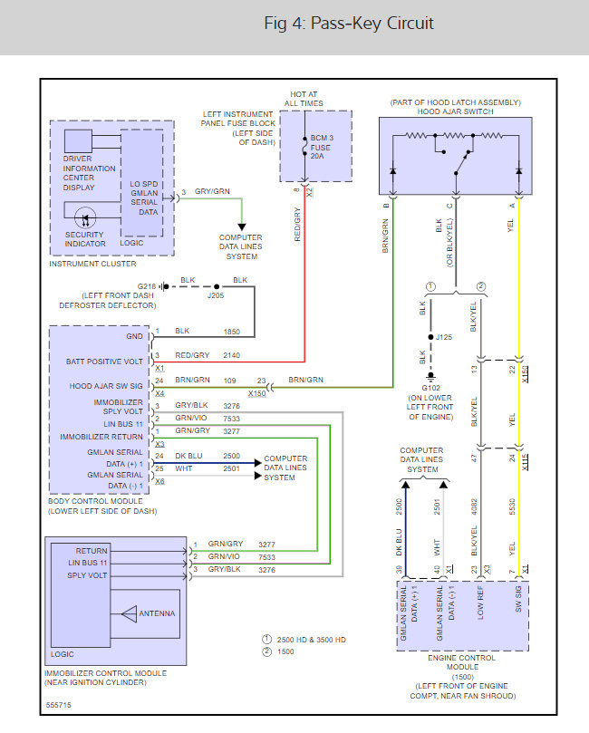
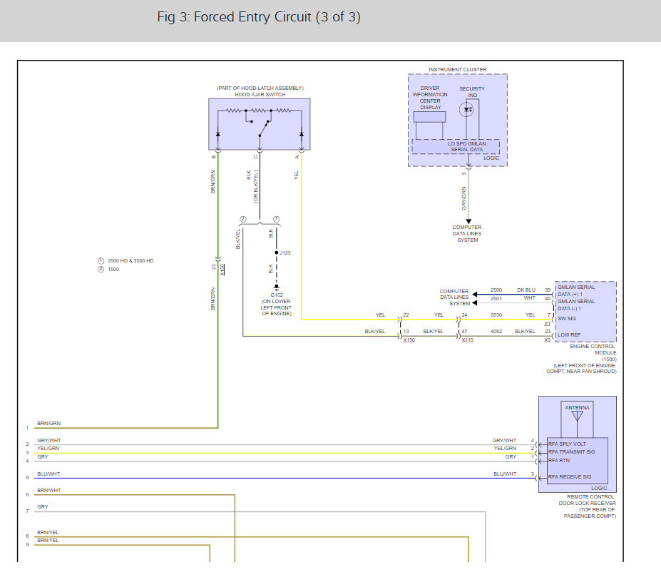
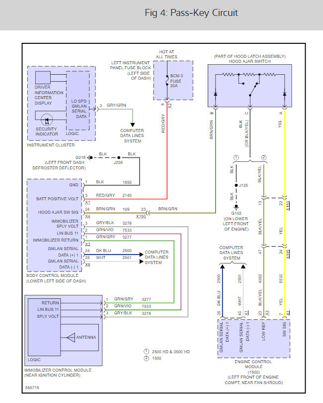
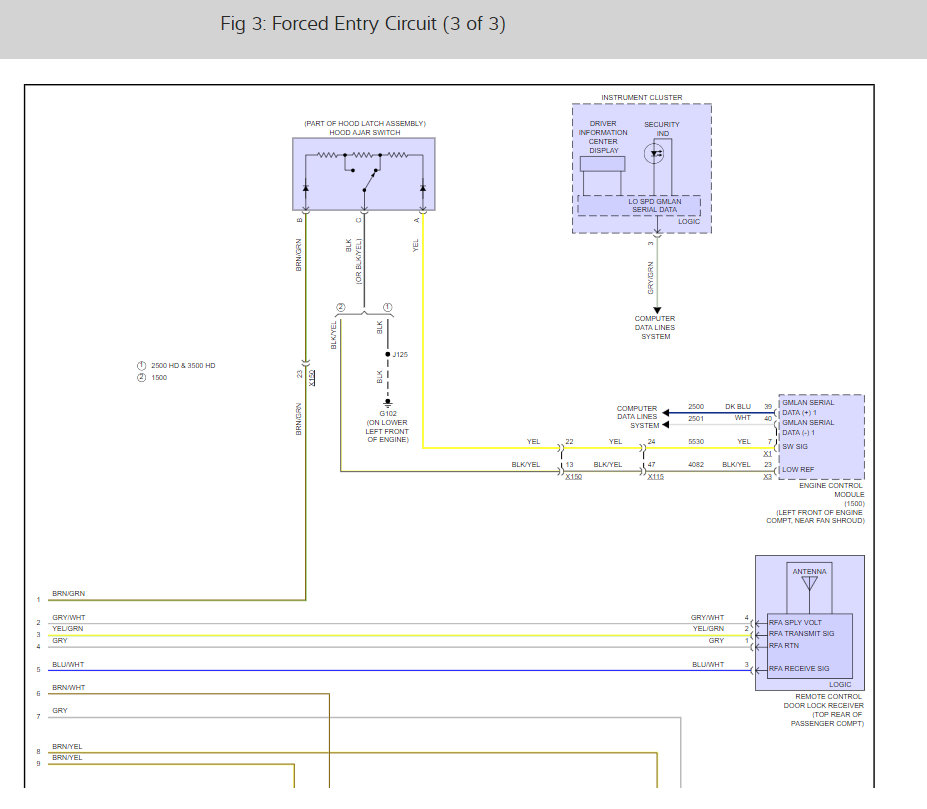
It sound sliek the BCM is having a problem which is where the security is held. The 10 minute reset gives it away to me. Here are the security and immobilizer wiring diagrams so you can see how the system works with the BCM location so you can change it out. It will need to be programmed in should cost about $130.00.

https://www.2carpros.com/articles/starter-not-working-repair

Check out the diagrams (Below). Please let us know what you find. We are interested to see what it is.
Jan 26, 2019 at 12:13 PM
Avatar
  • MEMBER
  • 2 POSTS
Thanks for the help. The wiring diagrams are particularly helpful since GM will not release data for 2018 service manuals to Helm for sale to the public until Apr 2019. The dealer service dept. explanations were just not satisfactory. I'll let you (and the dealer service techs) know what I find.
Jan 26, 2019 at 2:16 PM
Advertisement
Avatar
STRAILER
  • CERTIFIED EXPERT
  • 53,854 POSTS
That would be great :)
Jan 28, 2019 at 12:47 PM
Avatar
JOEYDAVIS
  • MEMBER
  • 2 POSTS
Turn the ignition truck will not start. Makes a typewriter like clicking noise. I changed the battery to no avail.
Jan 25, 2021 at 11:38 AM (Merged)
Avatar
JACOBANDNICKOLAS
  • CERTIFIED EXPERT
  • 110,175 POSTS
Hi,

Either we have a bad connection or the starter is bad. Make sure the battery terminals are clean and tight. If you have a weak connection, this can happen even with a new battery.

Next, check to make sure the ground wire from the battery is securely attached to the engine block. Again, make sure there are no corrosion issues or damaged wires.

__________________

Here is a link you may find of interest. It discusses what can happen with a loose or corroded connection at the battery.

https://www.2carpros.com/articles/everything-goes-dead-when-engine-is-cranked

Let me know what you find or if you have other questions.

Take care,
Joe
Jan 25, 2021 at 11:38 AM (Merged)
Avatar
DANNY L
  • CERTIFIED EXPERT
  • 5,648 POSTS
Hello, I'm Danny.

It sounds like you might have a failing starter motor solenoid. Once you remove the starter motor from your truck auto parts stores will test them for free. Here is a few tutorials relating to starter motors and replacement:

https://www.2carpros.com/articles/how-a-starter-and-solenoid-works

https://www.2carpros.com/articles/how-to-replace-a-starter-motor

I've attached picture steps below on how to remove and replace the starter motor and solenoid assembly on your truck. Hope this helps and thanks for using 2CarPros.
Jan 25, 2021 at 11:38 AM (Merged)
Avatar
ERIK BETTS
  • MEMBER
  • 1 POST
Everything turned on as normal. Then hooked up cables to car and tried the ignition and now there’s only dome lights, door ding. No dash lights no gauges no radio. Headlights still come on. But no crank at all now. Today we hooked up cables and had spark when connecting but after an hour still nothing. No change. This is third time battery went dead but first time it hasn’t fired right up with jumpers.
Jan 25, 2021 at 11:38 AM (Merged)
Avatar
ASEMASTER6371
  • CERTIFIED EXPERT
  • 52,796 POSTS
Good evening,

Sounds like you need a new battery. The jumper will not work if your battery is shorted. It will drag down the jumper battery.

https://www.2carpros.com/articles/car-battery-load-test

I would replace the battery since you have had several issues with it already.

Roy
Jan 25, 2021 at 11:38 AM (Merged)
Avatar
JASON ANTUNA
  • MEMBER
  • 3 POSTS
Truck will not crank or start in cold mornings, only dashboard lights come on and radio does too. however, in the afternoon once sun is out the truck works fine.
Jan 25, 2021 at 11:38 AM (Merged)
Avatar
ASEMASTER6371
  • CERTIFIED EXPERT
  • 52,796 POSTS
Good afternoon.

It sounds like a connection issue. Clean the battery cables with a wire brush after removing them from the battery to get a good, clean tight connection.

This guide can help us fix it

https://www.2carpros.com/articles/starter-not-working-repair

Roy
Jan 25, 2021 at 11:38 AM (Merged)
Avatar
JASON ANTUNA
  • MEMBER
  • 3 POSTS
The first time this happened to me i cleaned the cables with contact cleaner and a wire brush and it worked fine for about a week and it started doing the same thing. so i replaced the battery and nothing. AutoZone checked my alternator and starter and they work fine. i am starting to think i need to replace the ground cable but i am not sure. i am running out of ideas.
Jan 25, 2021 at 11:38 AM (Merged)
Avatar
JASON ANTUNA
  • MEMBER
  • 3 POSTS
If i were to need to replace a cable which one would it be? Any ideas?
Jan 25, 2021 at 11:38 AM (Merged)
Avatar
ASEMASTER6371
  • CERTIFIED EXPERT
  • 52,796 POSTS
I would replace both cables. they tend to get dirty inside the bolt area. that is tough to get and even tougher to clean.

Roy
Jan 25, 2021 at 11:38 AM (Merged)
Avatar
DANIELLE RADER
  • MEMBER
  • 1 POST
I went to get in my truck go to turn the key to start, my gauge lights come on, headlights, radio, etc., but then nothing. doesn't even try to start.. outside you can hear the starter trying to ignite, but no luck.. Haven't had any trouble at all until today. I don't know where to start. I was told it could be in the brain box how can I tell?
Jan 25, 2021 at 11:38 AM (Merged)
Avatar
MASTERWRENCH
  • CERTIFIED EXPERT
  • 258 POSTS
There are numerous things that can cause a no-crank condition. Take a look at the article below for more specifics. You mentioned that you can hear the starter trying to "ignite". What exactly are you hearing? Do you hear a single, loud click noise when the key is turned to start?

Let me know.

https://www.2carpros.com/articles/starter-not-working-repair
Jan 25, 2021 at 11:38 AM (Merged)
Avatar
DAVID W. CHAPMAN
  • MEMBER
  • 6 POSTS
I bought this truck about one month ago. I have problems starting it after stopping and trying to restart it this has happened a few this. Some times it takes longer then others. Everything works wont turn over. I have a new battery. Need some help please.
Jan 25, 2021 at 11:38 AM (Merged)
Avatar
HMAC300
  • CERTIFIED EXPERT
  • 48,601 POSTS
try resetting security system this guide should help us.

https://www.2carpros.com/articles/how-to-reset-a-security-system


Please run down this guide and report back.
Jan 25, 2021 at 11:38 AM (Merged)
Avatar
DAVID W. CHAPMAN
  • MEMBER
  • 6 POSTS
The truck wont try to start it wont turn over. If it was fuel pressure it would try and would not fire off. When the truck does not start I can sit there and keep trying and it will turn over and then start and be fine till it wants to do this again.
Jan 25, 2021 at 11:38 AM (Merged)
Avatar
HMAC300
  • CERTIFIED EXPERT
  • 48,601 POSTS
check battery for condition including load test most places do for free. if you hear a click at starter have somebody try to start it and you hit the body of the starter with a hammer. if it starts the starter is more than likely bad. if you do not hear a click or anything similar then it is probably a security issue so if no manual look online for your vehicle on how to reset it. it may be the problem anyhow due to you replacing battery because when you replace a battery it engages the security feature.
Jan 25, 2021 at 11:38 AM (Merged)
Avatar
DAVID W. CHAPMAN
  • MEMBER
  • 6 POSTS
Load test was done after new battery everything showed good. This was doing this before new battery. The starter does not click. Would the security issue come and go? Would it not do it all the time?
Jan 25, 2021 at 11:38 AM (Merged)
Avatar
DAVID W. CHAPMAN
  • MEMBER
  • 6 POSTS
The truck does start and run most of the time. I have this problem that seems to happen more and more.
Jan 25, 2021 at 11:38 AM (Merged)
Avatar
HMAC300
  • CERTIFIED EXPERT
  • 48,601 POSTS
I think your security system is messed up and the only way to check is with a pro scanner that most mechanics have, the old battery could have caused some of it, but putting a new battery in normally engages the security and it may not happen immediately. have a pro scan it to see if it is security or another problem it does not need to be a dealer to do this.
Jan 25, 2021 at 11:38 AM (Merged)
Avatar
SCOTTYROCKET
  • MEMBER
  • 1 POST
Truck listed above is a 1500 LT model. Yesterday it started sluggishly 3 times and wouldn't start after that. While driving the voltmeter read 14+. I jump started it this morning with all accessories off and it restarted okay after turning it off. When I restarted it and turned on the accessories, it started draining. I turned the truck off and it continued to drain, to the point it would not start. Jumped it again and drove to AutoZone , their meter showed both the alternator and battery as good. So, where do i go now, perhaps a starter solenoid? Side note: I get a buzzing noise from the ceiling speaker quite often like its running all the time.
Jan 25, 2021 at 11:38 AM (Merged)
Avatar
DAVID W. CHAPMAN
  • MEMBER
  • 6 POSTS
How hard is this to get fixed.
Jan 25, 2021 at 11:38 AM (Merged)
Avatar
KASEKENNY
  • CERTIFIED EXPERT
  • 18,907 POSTS
We need to determine if your vehicle has a battery sensor on the negative battery terminal of the battery.

This is used to determine the load on the battery so that it knows how much to duty cycle the generator. In other words, when all the accessories are turned off the draw on the battery is low and so the voltage regulator is duty cycled low. When you add the accessories the duty cycle should go up so that the voltage regulator puts out a higher voltage. The fact that it is dropping when you add the accessories back in, show that the regulator is not increasing the output. This is either due to a faulty regulator or the battery sensor is not accurate.

You can verify this by monitoring the voltage in the BCM with a scan tool.

Let me know what questions you have. Thanks
Jan 25, 2021 at 11:38 AM (Merged)
Avatar
HMAC300
  • CERTIFIED EXPERT
  • 48,601 POSTS
it has to be scanned first then go from there it may be a simple or minor problem. if the ignition switch is messed up could be causing this, but after install it has to be programmed to truck anyhow.
Jan 25, 2021 at 11:38 AM (Merged)
Avatar
DAVID W. CHAPMAN
  • MEMBER
  • 6 POSTS
This end up being my starter.
Jan 25, 2021 at 11:38 AM (Merged)
Avatar
STRAILER
  • CERTIFIED EXPERT
  • 53,854 POSTS
Hey David,

Good to hear the problem is fixed! Please use 2CarPros anytime.
Jan 25, 2021 at 11:38 AM (Merged)
Avatar
ANDY1978
  • MEMBER
  • 1 POST
When i try to use my remote start the fuel pump primes but the engine does not turn over.
Jan 25, 2021 at 11:38 AM (Merged)
Avatar
KASEKENNY
  • CERTIFIED EXPERT
  • 18,907 POSTS
There are a number of reasons that this happens. See the attachment for the list of inhibit events. Basically there is one of these that is causing the remote start from starting the engine.

There is no easy way to know which one other than checking each of them. Let me know if you have questions. Thanks
Jan 25, 2021 at 11:38 AM (Merged)
Avatar
TWY
  • MEMBER
  • 1 POST
Engine does not turn over but lights come on. I jumped in to go down to the store and it started no problem but then shut off and now will not start again. Checked the fuses and all seem to be fine not sure what is wrong?
Jan 25, 2021 at 11:38 AM (Merged)
Avatar
SATURNTECH9
  • CERTIFIED EXPERT
  • 30,869 POSTS
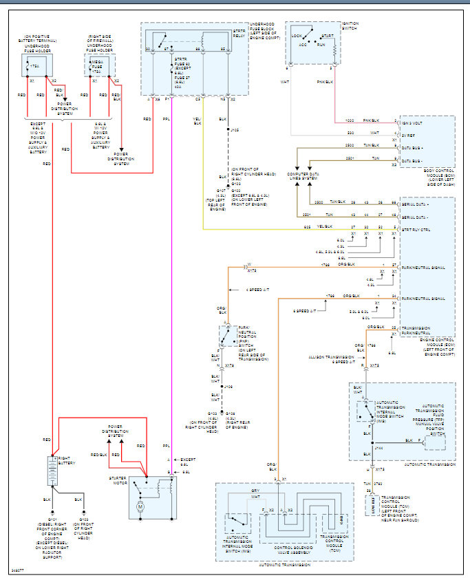
Can you hear the fuel pump run in the tank for 5 seconds when the key is turned on with cranking the engine over? If not lets check the fuel pump relay. Here is a guide to help test the relay with the location below.

https://www.2carpros.com/articles/how-to-check-an-electrical-relay-and-wiring-control-circuit

This guide can help as well

https://www.2carpros.com/articles/car-cranks-but-wont-start

Check out the diagrams (Below). Please let us know what you find. We are interested to see what it is.
Jan 25, 2021 at 11:38 AM (Merged)
Avatar
SHANNON_PRIV
  • MEMBER
  • 1 POST
Thank you for this post I had this problem and had to get a new fuel pump relay cost me $34.00 all fixed! I love this site.
Jan 25, 2021 at 11:38 AM (Merged)
Avatar
BGUIDRY84
  • MEMBER
  • 1 POST
Hello, when I tried to start it this morning it would not turn over. I have good voltage, lights, radio and other accessories work find. When I turn the key all I hear is a humming sound for a couple seconds (I'm assuming that's the fuel pump). Could it be the starter?
Apr 23, 2021 at 12:05 PM (Merged)
Avatar
JACOBANDNICKOLAS
  • CERTIFIED EXPERT
  • 110,175 POSTS
Hi,

It could be the starter. Let's check a few things first. There is a 40amp starter fuse in the under hood fuse box. I did my best to help you locate it. If you look at pics 1 and 2, they show the wiring schematic (pic 1 and highlighted) and pic 2 ( highlighted the fuse). See if the fuse is good. If it is, confirm there is power to and from it. Here is a link to help with that:

https://www.2carpros.com/articles/how-to-check-a-car-fuse

If it checks good, switch the starter relay with a different one in the box having the same part number.

If that doesn't change things, we need to see if the starter motor is getting power. On the starter, there will be a heavy gauge wire that always has 12v right from the battery. There will a smaller gauge wire that should have 12v when the key is in the start position. Have a helper turn the key to start while you check the smaller wire for power. Here is a link to help you check the starter:

https://www.2carpros.com/articles/starter-not-working-repair

If it does have power, replace the starter. If there is no power, let me know.

Here is a link the explains in general how to replace a starter. You can use it as a guide.

https://www.2carpros.com/articles/how-to-replace-a-starter-motor

___________________________________________________________

Here are the directions specific to your truck for starter replacement. The remaining pics correlate with the directions.

__________________________________________________________

2015 Chevy Truck Silverado 1500 4WD V8-5.3L
Starter Replacement

Removal Procedure

Disconnect the battery negative cable.

Raise and support the vehicle

Remove the terminals from the starter solenoid. Note: The battery must be disconnected before doing this.

pic 3

Generator Battery Control Wiring Harness Remove

Electrical connector (3) disconnect

Starter Heat shield (3) Remove
pic 4

Starter mounting bolt remove

pic 5

Installation Procedure

Install starter

pic 6

Starter Mounting Bolt install and tughten to 37 lb ft
Starter Heat Shield (3) Install

pic 7

Generator Battery Control Wiring Harness (2) Install

pic 8

Battery positive cable nut (1) starter solenoid install and tighten to 80 lb in

Electrical connector (3) connect

Connect the negative battery cable.

___________________________

I hope this helps. Let me know if you have other questions or need help.

Take care and God Bless,

Joe
Apr 23, 2021 at 12:05 PM (Merged)
Avatar
EARL AUSLANDER
  • MEMBER
  • 3 POSTS
I had a garage change coil pack 8 and do spark plugs and wires now my truck listed above wont start, just ticks. he is telling me it's starter, but never had starter problems before and check engine light stays on even with keys not in ignition.
Apr 23, 2021 at 12:05 PM (Merged)
Avatar
KASEKENNY
  • CERTIFIED EXPERT
  • 18,907 POSTS
If it just clicks then this is could be the starter but if the light is staying on then we need to check codes to find out if there is another issue.

https://www.2carpros.com/articles/checking-a-service-engine-soon-or-check-engine-light-on-or-flashing

However, here is another guide that will help with this if it is a starter issue:

https://www.2carpros.com/articles/starter-not-working-repair

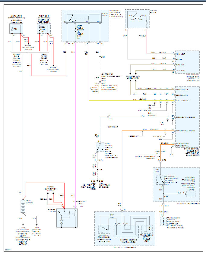
I attached the wiring diagrams below for us to check voltage at the starter as well if we get to that point.

Basically, i think we need to start with codes and go from there. Let me know what questions you have. Thanks
Apr 23, 2021 at 12:05 PM (Merged)
Avatar
EARL AUSLANDER
  • MEMBER
  • 3 POSTS
It was the starter but now my RPM's at idle is at 2,500. it runs rough, check engine light is still on and blinking after tune up and changing #8 coil pack. the tester came back as saying #8 misfiring. still my truck came out worse then it went in garage and they have no idea why.
Apr 23, 2021 at 12:05 PM (Merged)
Avatar
KASEKENNY
  • CERTIFIED EXPERT
  • 18,907 POSTS
Was it running rough and the light blinking before you had it there? If it was not doing any of this and he changed a coil pack then I suspect either he left something unhooked or the coil pack is not any good. The fact that he replaced that coil and that is where your misfire is, tells me it is one or the other especially if it was not doing this before it went in.

Let me know this and we can go from there but I would be taking it back ASAP.
Apr 23, 2021 at 12:05 PM (Merged)
Avatar
EARL AUSLANDER
  • MEMBER
  • 3 POSTS
Light was blinking he hooked it up to machine and it said misfire #8 my RPMs never went up to 2,500 it always stay around 500 idle. now when parked it shoots up to 2,500 RPMs light is still blinking and staying misfire in 8. truck only ran rough when light kicked on and saying reduced power.
Apr 23, 2021 at 12:05 PM (Merged)