Ignition problem

1976 JEEP CJ5
100,000 MILES • 4.2L • 6 CYL • 4WD • MANUAL
Avatar
TCRAIG
  • MEMBER
  • 24 POSTS
I was able to read through most of you the forum on the CJ 1976-1977 ignition problems. My ignition module is going out and the after market module does not work in conjunction with the Prestolite distributor currently in the vehicle. My confusion is in what all do I need to change out to upgrade to a better ignition solution?
Thanks,
Tom
Sep 18, 2017 at 9:17 AM
Advertisement
Avatar
CJ MEDEVAC
  • CERTIFIED EXPERT
  • 11,004 POSTS
Hey there!

Prestolite is not well suited for a CJ.

I sort of experienced every problem it dished out to me. Module/wires entering the distributor/spring breakage on the mechanical advance weights inside the distributor/ and the "balloon" cracking for the vacuum advance inside the front of the distributor.

When they started duplicating the same problems, I switched to Motorcraft on my 1977.

Best thing I did for this Jeep!

This is your list for what you need.

Basically, your system will be a "1979" when we are done.

So when you ask for this stuff, tell them it is a 1979.

A new or re-manufactured 258 distributor. Advance Auto/Carquest has this one with the cap and rotor included. Lifetime Warranty too! Link below.

https://shop.advanceautoparts.com/p/carquest-ignition-distributor-with-cap-and-rotor-new-t4691/10435884-P?navigationPath=L1*14923%7CL2*15034%7CL3*16062

Need an Ignition Module too! This one's a little more expensive. Lifetime warranty!

https://shop.advanceautoparts.com/p/wells-vehicle-electronics-control-module-f102/10302218-P?navigationPath=L1*14923%7CL2*15032%7CL3*16043

Need a coil!

https://shop.advanceautoparts.com/p/bwd-ignition-coil-e71p/5240271-P?navigationPath=L1*14923%7CL2*15034%7CL3*16064

A connector for the coil.

https://shop.advanceautoparts.com/p/bwd-ignition-coil-connector-pt5764/20974639-P?navigationPath=L1*14923%7CL2*15034%7CL3*16064

Wire set. Does no have to be anything special.

https://shop.advanceautoparts.com/p/carquest-premium-spark-plug-wire-set-35-6309/19250131-P?navigationPath=L1*14923%7CL2*15034%7CL3*16072

Going to need a ballast resistor. The Prestolite set-up did not use a resistance wire, the ballast resistor will be its substitute for the 1979 set-up.

https://shop.advanceautoparts.com/web/PartSearchCmd?storeId=10151&catalogId=10051&langId=-1&pageId=partTypeList&actionSrc=Form&searchTerm=ballast+resistor&vehicleIdSearch=1627

Need some wiring to connect the distributor to the module.

To get a deal, We will have to shop around on eBay/salvage yards to find the correct connectors for the ignition module feed and the four wire connectors from the ignition module to the distributor.

I will help you with this treasure hunt if you are indeed serious with this upgrade.

I will hang with you as long as you keep responding. I have wire diagrams and can talk you through this whole process. I can also show you how to save money on these parts too.

Your turn,

The Medic






Sep 18, 2017 at 4:43 PM
Avatar
TCRAIG
  • MEMBER
  • 24 POSTS
You are awesome thank you. I am so fired up to get this done. I will look over all the information you sent me. Any and all help would be greatly appreciated.
Tom
Sep 18, 2017 at 5:29 PM
Advertisement
Avatar
TCRAIG
  • MEMBER
  • 24 POSTS
I assume the connectors for the module cannot be purchased at carquest? I Definitely could use your expertise on hunting around for those. I am heading to a CJ junk yard tomorrow and will poke around in their yard.
Sep 18, 2017 at 5:38 PM
Avatar
CJ MEDEVAC
  • CERTIFIED EXPERT
  • 11,004 POSTS
Good deal!

So you have read a lot of my CJ stuff?

As far as helping out with deals on the parts,

1) Codes change/have to do your homework and make "dry runs" in the check out to see if the codes you find still work.

2) Bundle parts as to barely get over the "limit" for a code. This will make it that you do not waste money on an overage.

3) Start a new order to maximize the codes power. You can use the same codes most of the time on new orders.

4) You can pick up at the store in thirty minutes, make sure what store(s) you have to pick them up at. Some things are only available through the mail. You have to order on line regardless, cannot use the codes in the store.

5) This will all make sense when you read the next link.

https://www.2carpros.com/questions/2001-dodge-neon-milage-just-want-put-fliuds-their-locations

At minimum, you will need the two connections to the ignition module, one will have two wires, the other will have four.

The connection for the distributor will have three wires (it sort of goes to the four wire connector at the module).

Sending you a diagram of how it works.

I will aid you later on where to tie onto the Prestolite wires, it is probably vague in my diagram below.

This might also aid you at the salvage yard, worked so many times for me, still does.Tailor the technique to your needs.

https://www.2carpros.com/questions/1993-saturn-sl1-shoulder-belt-mechanism-stuck

Let's see a Jeep Picture!

Your turn,

The Medic
Sep 18, 2017 at 7:10 PM
Avatar
CJ MEDEVAC
  • CERTIFIED EXPERT
  • 11,004 POSTS
Oh yeah,

The later CJ's with computers, will not have the correct module/ distributor connectors.

The Medic
Sep 18, 2017 at 7:15 PM
Avatar
TCRAIG
  • MEMBER
  • 24 POSTS
I just scored on a module and will be ordering everything else. I will get a picture out to you ASAP.
Sep 19, 2017 at 11:12 AM
Avatar
TCRAIG
  • MEMBER
  • 24 POSTS
Did you receive my reply about parts ordered?
Tom
Sep 19, 2017 at 1:59 PM
Avatar
TCRAIG
  • MEMBER
  • 24 POSTS
I ordered the parts you recommended, so hopefully with your help I can find the proper connector and get this installed when everything arrives.
Thanks again.
Tom
Sep 19, 2017 at 2:09 PM
Avatar
CJ MEDEVAC
  • CERTIFIED EXPERT
  • 11,004 POSTS
Nice CJ-5!

Looks like rust ain't jumped on it.

We kinda ain't sitting in cubicles answering stuff, Some of us work/ some retired/ some in different parts of the world!

I generally get done slaving for the other guy around 5:30 PM to 6:30 PM Eastern Time. I jump on here to relax till maybe 11PM. I sorta neglect things I need/ want to do. I really wanna repaint my Willys Jeep. Got the paint! Need to do some Jeep prep. Need to crack down!

So, in a short sentence, I don't see replies till late afternoon/ evening.

I do respond! Just gotta wait on me!

I'll start looking for New connectors, You may have to add wire to 'em to make 'em reach.

If you are still looking in salvage yards, Ford stuff from the 70's may be perfect.

Just compare the # of wires on the connector ends to the diagram I sent you.

Mine came off of a pickup, I had to shorten the wires from the module to the distributor, as they went around the world to connect on the truck setup.

Just a pointer

Don't try to pry them apart, you'll break off the locking tabs. The textbook correct way (dumb as it sounds), is to

Grasp the wires on both sides of the connector, snatch/ jerk, it will come apart.

Keep me posted as to what's going on/ when more info is needed.

CJs are my favorite to answer on here (hence, my user name), if you have seen other posts I've answered, I really try to give 'em my all.

Your Turn,

The Medic


pic 1) Present '77 w/ 258
pic 1) Jeep #1 '77 in 1983 w/ 304
4 others in between
And of course, we have my '46 "Willy" too!







Sep 19, 2017 at 5:48 PM
Avatar
TCRAIG
  • MEMBER
  • 24 POSTS
Incredible Jeeps,

No worries on the replies sorry for any confusion, The only reason I had asked that is that I hit send on a previous reply and it appeared to have sent but it didn't.

You mentioned a diagram and I'm not seeing one that you sent over? I'll check again
Sep 20, 2017 at 11:16 AM
Avatar
CJ MEDEVAC
  • CERTIFIED EXPERT
  • 11,004 POSTS
Just letting you know that I hadn't forgot you! If you are on during my 2cartime, we can sorta back and forth communicate in real time with questions and answers!

I've been to Fort Lewis several times, 2nd Ranger Battalion is there, I was in 1st Ranger Battalion at Hunter Army Airfield,Savannah, GA. They even let us invade Seattle twice, during off time!

So, Late for me, is kinda early for you!

Diagram Again.

See below/ click on it!

Let me know if you see it! Sometimes there are 2carglitches!

The Medic
Sep 20, 2017 at 4:13 PM
Avatar
TCRAIG
  • MEMBER
  • 24 POSTS
Right on , I received the diagram.. I can't thank you enough for your service and for all that you do and have done for this country.

I work as a firefighter and many of my coveorkers are ex military
Sep 20, 2017 at 5:25 PM
Avatar
TCRAIG
  • MEMBER
  • 24 POSTS
How are you, hopefully my parts will be arriving this week. I have another question for you, I have the original swing out arm - spare tire holder on the back of my jeep do. you have any diagrams or pictures on the mechanism that secures and locks its closed. Looks like the previous owner did a make shift job on it . I ll send you a pic of what I have.
Sep 25, 2017 at 3:40 PM
Avatar
CJ MEDEVAC
  • CERTIFIED EXPERT
  • 11,004 POSTS
Well thank you!

Send pics anytime.

Waiting to get yours all squared away!

The Medic

Some shots of my Man Cave/ guest room
Sep 25, 2017 at 6:32 PM
Avatar
TCRAIG
  • MEMBER
  • 24 POSTS
Hello sir how are you ? The good news is that the sun is still shining here in the Seattle area. No rain yet . I have received all the parts you recommended to get my ignition switched over. Now I need to get the proper wire and connectors taken care of . I ll do a dry run on all the components then see if that local cj junk yard has any of those connectors. Any thoughts out your way on possible connectors ?
Tom
Oct 5, 2017 at 9:04 AM
Avatar
CJ MEDEVAC
  • CERTIFIED EXPERT
  • 11,004 POSTS
I just emailed "Go Painless Wiring" to see if only the pigtails might be obtainable without getting an entire harness.

I'll keep you posted!

Are you still driving your Jeep or is it down until you get upgraded?

The Medic
Oct 5, 2017 at 3:45 PM
Avatar
TCRAIG
  • MEMBER
  • 24 POSTS
It's running pretty good and yes i'm driving it as long as the sun stays out. Awesome on the email . Keep me posted when you hear back
Oct 5, 2017 at 3:51 PM
Avatar
STRAILER
  • CERTIFIED EXPERT
  • 53,854 POSTS
great man cave! you should post some pics int he experts forum :)

Cheers, Ken
Oct 6, 2017 at 4:18 PM
Avatar
CJ MEDEVAC
  • CERTIFIED EXPERT
  • 11,004 POSTS
No word back from my Email yet.

I have continued to look here and there.

In pic below, I can find "B" and "C",

Just not "A"

I was sorta hoping to find 'em all at one site and REASONABLE!

Any luck with the late '70s- early '80s Fords in the salvage yard?

The Medic
Oct 8, 2017 at 3:39 PM
Avatar
TCRAIG
  • MEMBER
  • 24 POSTS
2 of three is not bad , I have not made it back out to the junk yard but will go this week. Thank you again
Oct 8, 2017 at 3:57 PM
Avatar
TCRAIG
  • MEMBER
  • 24 POSTS
Hey there medic how are you? i'ts been a crazy week for me. I'm still working trying to figure our the proper connections to try and find. I must not be explaining right to the guys at that junk yard.
Oct 15, 2017 at 4:58 PM
Avatar
CJ MEDEVAC
  • CERTIFIED EXPERT
  • 11,004 POSTS
Working on a freshen up paint job for "Willy"

Have finished the wheels and underneath.

Hope to paint the inside of the tub tomorrow.

Then some minor fixes on the windshield frame.

Remove decals.

Paint body and windshield frame (I may have to get more paint)
*
*
My Ignition module is under my train horns, kinda hard to get to for pics

See if what I did get and labeled will aid you in the salvage yard. '70s and early '80s Fords (and Jeeps) is the ticket!

See all of my pics below

Your Turn,

The Medic
Oct 15, 2017 at 8:16 PM
Avatar
TCRAIG
  • MEMBER
  • 24 POSTS
Hey there medic how are you ? I'm still here just no time to spend on my jeep. How are things going on your projects ?
Ton
Dec 5, 2017 at 11:32 PM
Avatar
CJ MEDEVAC
  • CERTIFIED EXPERT
  • 11,004 POSTS
Well,

Time to get you running/ been down way too long.

My end.

We are waiting for paint to cure some before we add the insignia to the hood and body.

While messing around with other stuff I found that my headlight switch and dimmer switch were failing. Looks like this crap would last more than 26 years (initial restoration in '91) with me only using it every chance I get!

I also have to replace my passenger's side windshield pane. "Mr. Helpful" at work decided to close it from it being louvered out a few inches to fully shut when a few raindrops were coming down. He only un-did the strut on the one side and as he pushed (hard) on the inner assembly. Of course it twisted (or "racked") as the driver's side strut was still locked. I have a WWII over the top and down the back canvas top, there are no sides. Even had it been a downpour, what the heck did he think he was accomplishing?

Recovering the seats is on the list too.

How's the paint look to you?

The Medic
Dec 6, 2017 at 3:08 PM
Avatar
TCRAIG
  • MEMBER
  • 24 POSTS
Holy smokes that looks awesome , nice job
Dec 6, 2017 at 6:32 PM
Avatar
CJ MEDEVAC
  • CERTIFIED EXPERT
  • 11,004 POSTS
TCRAIG

Christmas rush is over.

Things pile up,

I didn't mean to get disconnected from you!

How are you and the Jeep getting along?

I have another Jeep feller looking your post over so that he can convert his to be more '79ish.

Any intell on where or where not to look for parts/ connectors, problems you have had, etc. (PICS TOO!) Might be helpful for him.

If you are stuck, let's hear what you have, maybe we can make it all better!

The Medic
Feb 3, 2018 at 11:37 AM
Avatar
TCRAIG
  • MEMBER
  • 24 POSTS
Hi there medic how are you ? It looks like some other guys are having similiar problems , were you able to get them squared away? I have not installed my new ignition system yet as I’m still confused on final wiring harness.
Feb 5, 2018 at 9:25 AM
Avatar
CJ MEDEVAC
  • CERTIFIED EXPERT
  • 11,004 POSTS
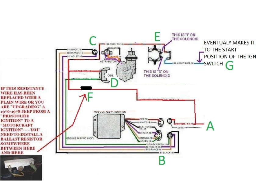
I took my diagram and sorta stripped away the crap in your way.

I also Labeled areas of the wiring with Green Capital Letters so you can reference the area back to me that you may be having problems with.

Lemme know where you need assistance.

I know you can do this!

Dang I'm good!

The Medic
Feb 5, 2018 at 6:16 PM
Avatar
TCRAIG
  • MEMBER
  • 24 POSTS
Hello sir how are you ?
Aug 9, 2018 at 7:30 PM
Avatar
STRAILER
  • CERTIFIED EXPERT
  • 53,854 POSTS
Doing good what can we help you with?
Aug 10, 2018 at 12:09 PM
Avatar
CJ MEDEVAC
  • CERTIFIED EXPERT
  • 11,004 POSTS
TCRAIG, Where in the heck have you been?

What kind of Jeep news do we have?

I guess I missed your notification yesterday.

The Medic
Aug 10, 2018 at 4:01 PM
Avatar
TCRAIG
  • MEMBER
  • 24 POSTS
I am here brother, it has just been a crazy few months with a lot of changes going on at my end. How are you doing and all the Jeep business
Aug 15, 2018 at 10:53 PM
Avatar
CJ MEDEVAC
  • CERTIFIED EXPERT
  • 11,004 POSTS
I believe I have "Willy" in pretty good shape after 25 years of regular of use of my original restoration -looks and mechanicals are back in order. I've driven about 20 miles so far, he's going to work with me tomorrow!

I snapped some pics with one of the grandmonsters. Maybe a little inspiration/ motivation to get your's back on the road?

Lets hear the full situation report with yours, yours has been down way too long. Are you ready to jump back on it?

The Medic
Aug 16, 2018 at 4:59 PM
Avatar
TCRAIG
  • MEMBER
  • 24 POSTS
I am ready to get back on this ignition situation.

Jeep looks incredible , looks like it is in the perfect woodsy setting.
Aug 16, 2018 at 10:37 PM
Avatar
CJ MEDEVAC
  • CERTIFIED EXPERT
  • 11,004 POSTS
My last diagram (Monday, Feb 5)

At location "A" I have a "Red" and "White" wire going nowhere. These wires will get tied in to your '76 wiring, I will show you where soon!

My last diagram - this is all new stuff (and the wiring) going into the Jeep (except the solenoid at location "E", it remains) Do you understand how all of that goes in?

Has the distributor been out or moved since it last ran? (I may have asked that before- I was diagnosed by the wife as having "Sometimers")

When you install the Motorcraft Distributor (if you may not be comfortable with getting it in right and synced correctly) Let me know, I can help you do it an easy way.

Have you got any of this stuff in yet?

Please try to answer my questions.

The Medic
Aug 17, 2018 at 4:35 PM
Avatar
TCRAIG
  • MEMBER
  • 24 POSTS
I have none of the new stuff in the jeep yet. The jeep is running now with the old stuff currently still in the jeep. I’m going to pull out the new parts tomorrow and do a dry run. I dont think I have the proper wiring harness but I’ll go back through our dialogue to confirm what I have purchased and the diagram you sent me.
I ll definitely be in touch with as I try to get the distributor in sync corrrctly.
Aug 17, 2018 at 5:19 PM
Avatar
CJ MEDEVAC
  • CERTIFIED EXPERT
  • 11,004 POSTS
Pretty much, Lay the parts out as in the diagram.

Insure the plugs will plug in where the should and the right number of pins are on them. Go ahead and figure out which wire will match up correctly for the pins.

It may be helpful to label each wire near the connector so that connecting them will go really smooth when cutting them to length. The label should be far enough away so that it doesn't get cut off.

"A" on this end goes to "A" on the other end, "B" on this end matches up with "B" on that end.

You may have to shorten or lengthen the wires from the salvage yard, but wait until you are installing them, this will insure a neat job.

The big thing is, while you install them and are butt splicing them together make sure the wires connect to the correct pins on either end. Salvage yard wires from various vehicles may be different colored.

Stupid example:

Diagram may show a hot pink wire from pin "A" to the other end pin "B".

Your salvage yard wire to Pin "A" may be "brown"

Your salvage yard wire to Pin "B" may be "yellow"

So, You must connect "brown" to "yellow" to mimic the hot pink setup shown in the diagram.

I hope I'm not baby-ing you too much here!

The Medic



Aug 20, 2018 at 7:29 PM
Avatar
TCRAIG
  • MEMBER
  • 24 POSTS
Haha, I need to be babied on this stuff. I am sending you a picture of everything I have. My girl friend and I went back through emails to try and figure out the rest of this wiring diagram. To get the right connectors. This picture is everything I have so far.
Aug 22, 2018 at 5:26 PM
Avatar
CJ MEDEVAC
  • CERTIFIED EXPERT
  • 11,004 POSTS
Here is a few near the beginning of their site:

https://www.carid.com/ignition-control-module-connectors/

Here is a bunch more to sift through:

https://www.google.com/search?rlz=1C1CHBF_enUS752US752&ei=RQR-W6XMBq2Hggfg9Y2IDg&q=ford+ignition+module+connector&oq=motorcraft+ignition+module+connectors&gs_l=psy-ab.1.0.0i22i30k1.68429.79705.0.81488.13.12.1.0.0.0.100.973.11j1.12.0....0...1.1.64.psy-ab..0.13.976...35i39k1.0.N_bI092wq3o

Sorry! Doing Honey-dos, trying to get you something to work with as she is not letting me get close to the computer.

The Medic
Aug 22, 2018 at 5:52 PM
Avatar
CJ MEDEVAC
  • CERTIFIED EXPERT
  • 11,004 POSTS
Found you again!

( xupgrade ignition system.)

Any super wonderful news?

I hope you are really loving you Jeep now!

"Mr. Jeep" seems to be as good as ever, "Willy" is going to get a good workout when it warms up here!

Now and then pics, When I took the 2nd pic of my $100 find in '91, while looking through the viewfinder I was actually seeing pic 1 of 2019.

The Medic
Feb 23, 2020 at 9:15 AM