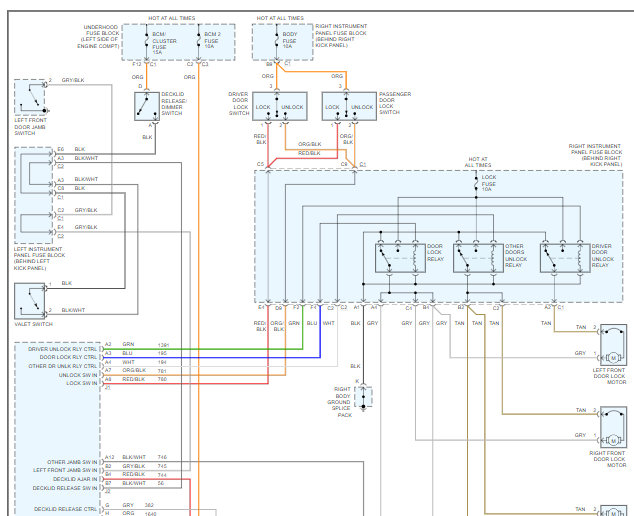
I'm needing to wire this to my car listed above to get my key fob working properly . Does anyone know what colored wires I need to connect this controller to so my key fob will work?
How do i wire Docooler Car Remote Central Lock Locking Keyless Entry System?
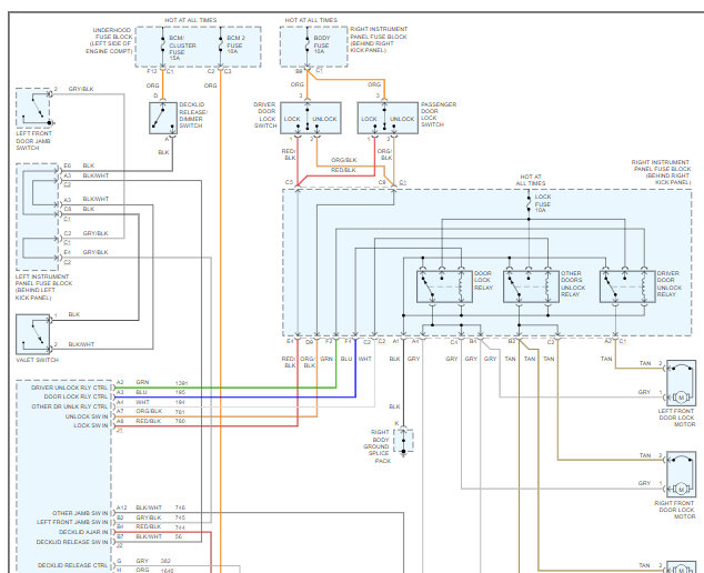
How do i wire Docooler Car Remote Central Lock Locking Keyless Entry System?
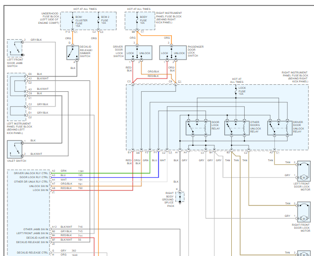
Oct 28, 2020 at 6:17 PM













