The car listed above has trouble accelerating when passing another car. If you press the throttle all the way down the engine will bog and the car will slow down.
Details:
-Checked fuel trims across several speed ranges - all were around 150%.
-Checked fuel pressure – normal per service manual. Also checked pressure at speed (load) and pressure was normal.
-Checked brake booster hose, snorkel, PCV, and every other hose I could find for cracks - nothing found.
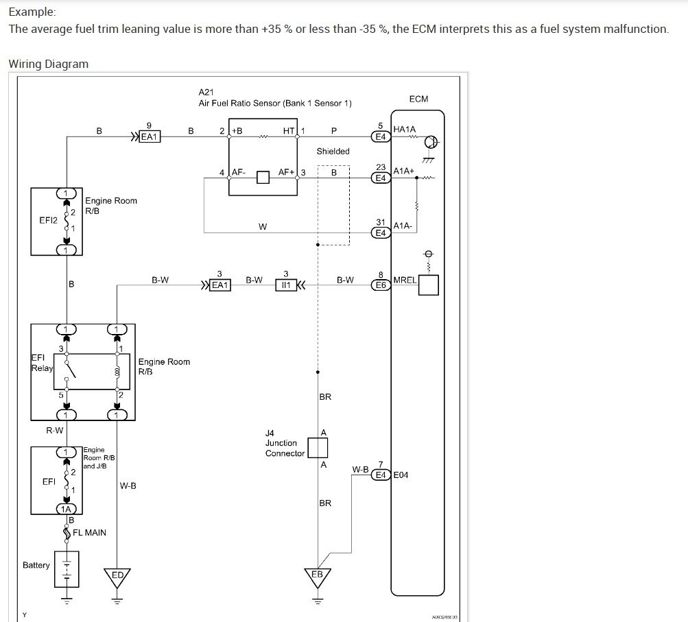
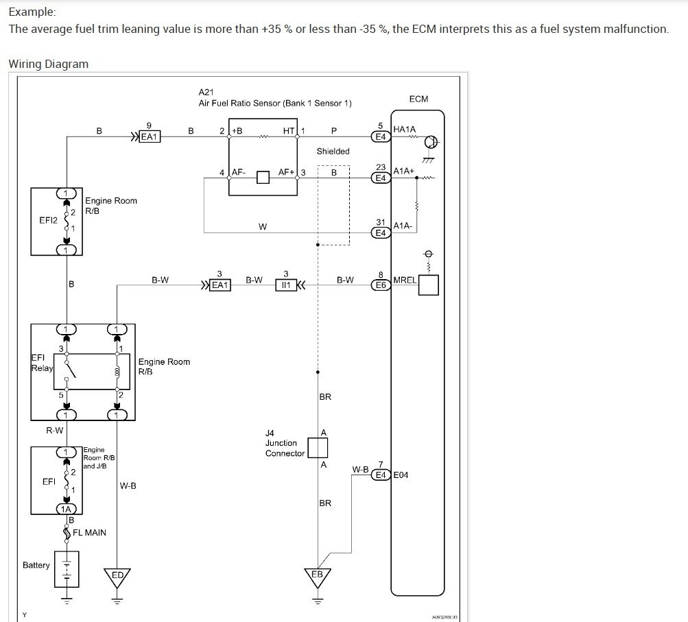
-Replaced AFR sensor with new one (same brand as original) – no change.
-Cleaned MAF - no change.
-Smoke tested exhaust - nothing found.
-Smoke tested intake - saw some smoke between intake manifold and engine. Changed intake gasket. No change in fuel trim issue.
-Removed the battery cable to clear the fuel trims after changes. Afterwards, car would not stay running when the engine was hot. Waited until the engine was cool and it would start but shake violently. Eventually, the fuel trims came back up to around 150% at idle and it ran acceptably. Engine would not take throttle (bog) above current speed range (idle) until fuel trims were relearned (fuel trim increased to ~150%) for that throttle position. WOT still causes a bog with no engine acceleration (AFR sensor = 1.23). Entering any load range where fuel trims are not relearned to ~150% causes engine bog.
Since the fuel trims are high across all speeds it seems to me it must be either 1) a bad AFR sensor (changed), 2) a fuel delivery issue, 3) a massive air leak between MAF and cylinder, or 4) an air leak in the exhaust near the O2 sensor. This car has many miles (360,000). Any thoughts on items which could cause this issue?
Codes are lean engine (P0171).
Details:
-Checked fuel trims across several speed ranges - all were around 150%.
-Checked fuel pressure – normal per service manual. Also checked pressure at speed (load) and pressure was normal.
-Checked brake booster hose, snorkel, PCV, and every other hose I could find for cracks - nothing found.
-Replaced AFR sensor with new one (same brand as original) – no change.
-Cleaned MAF - no change.
-Smoke tested exhaust - nothing found.
-Smoke tested intake - saw some smoke between intake manifold and engine. Changed intake gasket. No change in fuel trim issue.
-Removed the battery cable to clear the fuel trims after changes. Afterwards, car would not stay running when the engine was hot. Waited until the engine was cool and it would start but shake violently. Eventually, the fuel trims came back up to around 150% at idle and it ran acceptably. Engine would not take throttle (bog) above current speed range (idle) until fuel trims were relearned (fuel trim increased to ~150%) for that throttle position. WOT still causes a bog with no engine acceleration (AFR sensor = 1.23). Entering any load range where fuel trims are not relearned to ~150% causes engine bog.
Since the fuel trims are high across all speeds it seems to me it must be either 1) a bad AFR sensor (changed), 2) a fuel delivery issue, 3) a massive air leak between MAF and cylinder, or 4) an air leak in the exhaust near the O2 sensor. This car has many miles (360,000). Any thoughts on items which could cause this issue?
Codes are lean engine (P0171).
Sep 17, 2024 at 4:23 AM






































