headlights don't work I pull the knob?

2000 BUICK CENTURY
152,000 MILES • 3.1L • V6 • 2WD • AUTOMATIC
Avatar
WIMMS77
  • MEMBER
  • 12 POSTS
so when I pull the knob for my headlights to come on nothing happens.when I push it back in the park lights will go off. when I turn on my brights with the turn signal switch I have to hold them on in order for them to stay on if I let it go they go off. I have checked both fuse boxes looking for a relay to the headlights and I only find 2 small fuse spots for them that are 15's sitting side by side in spots 32 and 36 but one of them won't let me install a fuse into it. I've been told it's either the multi switch the headlight switch if it's not the fuses or relays which I can't find but then I read today that it may also be wiring or burnt out bulbs any thoughts
Jan 15, 2026 at 12:03 PM
Advertisement
Avatar
STEVE W.
  • CERTIFIED EXPERT
  • 15,113 POSTS
From the description it sounds like a bad headlight switch. The switch works by grounding the headlamps through a relay. As they work when you try the flash to pass then it isn't fuses or bulbs and cannot be the relay. It also cannot be the ground circuit as the lights all use the same one and you have working parking lamps. That leaves the section of the headlight switch or the connector on it as the failure point. A quick way to test it would be to insert a wire into the rear of the connector at pin D (Yellow wire) and turn on the headlights, no lights? Ground the jumper wire you added, lights come on? Headlight switch is bad.
Jan 15, 2026 at 1:44 PM
Avatar
WIMMS77
  • MEMBER
  • 12 POSTS
idk what flash to pass means but the only time my headlights come on is when I hold the switch that runs the brights , turn signal and wipers forward if I let it go the bright lights go off when I pull the knob that should turn on the regular headlights nothing happens can you show me a picture or diagram of where and how to find this yellow wire to test it and how to do so safely please
Jan 16, 2026 at 4:43 AM
Advertisement
Avatar
STEVE W.
  • CERTIFIED EXPERT
  • 15,113 POSTS
That is the "flash to pass" commonly used in Europe, you pull the stalk back and it flashes the high beams to let the driver in another vehicle know you are passing them, not used a lot in the US, sometimes to warn of police or something in the road, but they include it anyway.
To get to the switch you need to remove the end panel from the dash, it just pries loose with a trim tool, then you will remove the screws that hold the switch in and remove the switch. The wiring harness will be right there for testing. The other item would be the headlamp relay but that should be OK as the lights do come on when you use the lever and the BCM controls the relay at those times.
Jan 16, 2026 at 7:30 AM
Avatar
WIMMS77
  • MEMBER
  • 12 POSTS
the 1st pic is the switch I have to pull forward and hold in order for the brights to work at all the 2nd is the actual headlight switch that gives no lights at all and the thirds the prndl that also won't light up so I can't see the mileage on it or the gear I'm in idk if it's all somehow related electrically or not and again I can't find a relay for the headlights only mini fuses size 15 the last 2 pics are of the fuse boxes the 1st showing where a fuse should go for them but won't take 1 and the next is the inside fuse box
Jan 16, 2026 at 9:31 AM
Avatar
STEVE W.
  • CERTIFIED EXPERT
  • 15,113 POSTS
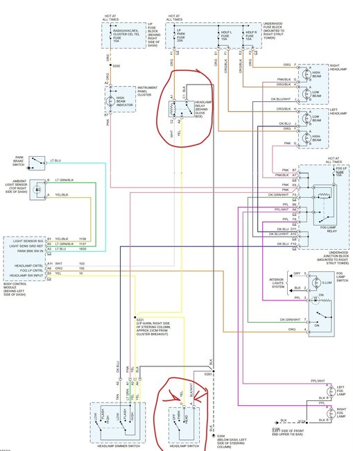
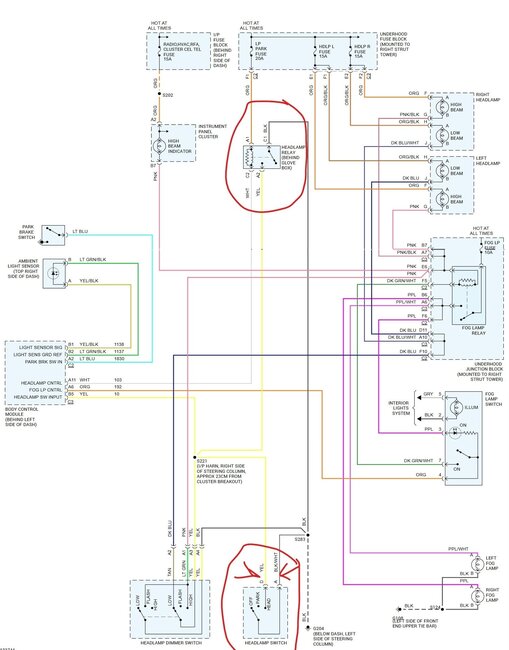
Pulling the stalk that way is the flash to pass, it turns on the lights independent of the other switches. Both it and the main switch do that the same way, they ground the headlight relay and turn on the lights. The fuses all power the lights and the ones for the headlights are under the hood. One powers the marker lights as well as the relay. The other two power the headlights directly. The one above your finger is the fog lamp fuse. The one your finger is on is the fuel pump. The one to the left is the marker lamps, the two to the right are the headlamps. The headlight relay is behind the glove box in another relay box.
The vacuum display is a different circuit, do the other dash lights work and the parking lights?

From service info-
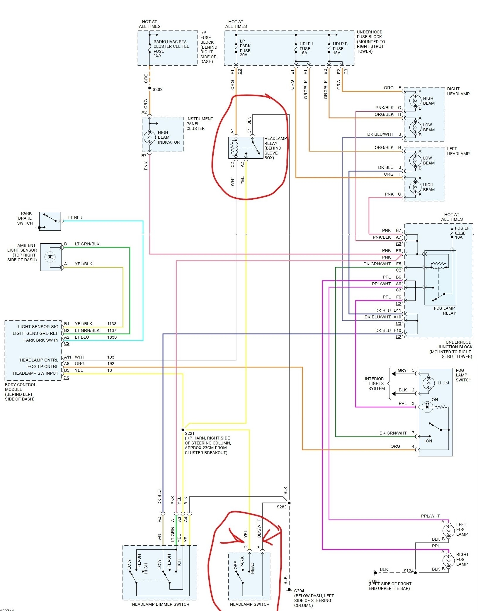
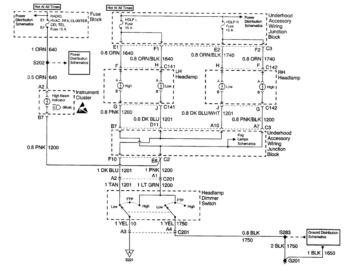
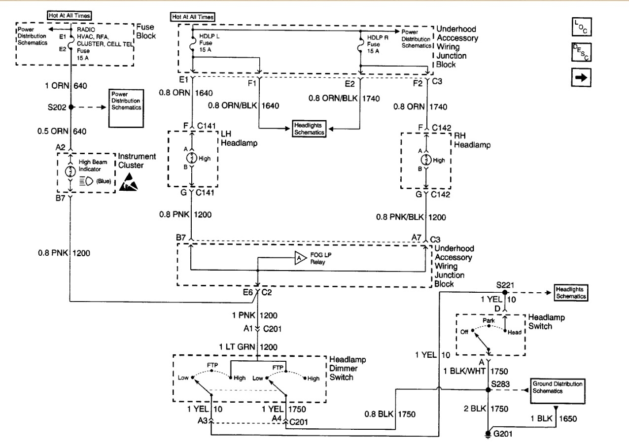
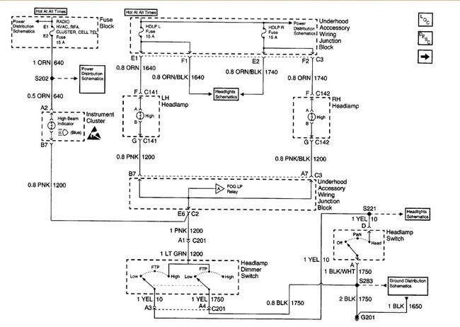
"Battery voltage is applied contentiously to the headlamps through two fuse. The HDLP L fuse for the left side headlamp and the HDLP R fuse for the right side headlamp. When the headlamp switch is turned to the HEAD position, ground is applied through the headlamp switch to the BCM using the headlamp switch output circuit. When the BCM receives the headlamp switch output signal, it applies a ground to the headlamp relay coil control circuit. When a ground is applied to the headlamp relay coil control circuit this engages the headlamp relay, closing the switch contacts and applies a ground through the headlamp relay to the headlamp relay contact circuit to the headlamp dimmer switch. Depending on the headlamp dimmer switch position the ground circuit would then be applied to either the high beam headlamps or the low beam headlamp turning them on".

Jan 16, 2026 at 11:52 AM
Avatar
WIMMS77
  • MEMBER
  • 12 POSTS
I appreciate the detailed explanation but it's so very confusing I realize now that the empty space I was pointing at was not for the headlamps at all so you do or don't think I need to change the multiswitch and or the headlight pull knob or do you think it may be a wiring issue that needs a professional that knows wiring verses me that has no clue on wiring at all
Jan 16, 2026 at 11:43 PM
Avatar
STEVE W.
  • CERTIFIED EXPERT
  • 15,113 POSTS
I think the pull switch might be bad, but testing it by pulling in the switch itself out and testing the circuit at the back if it by jumping the yellow wire to ground would tell you for sure. If you pull the light switch out and the lights don't come on, then you just touch a wire between pin D and a ground and the lights come on, you just proved that the switch is bad and changing it would repair the problem. Attached is the schematic, that circuit for pin A to pin D is what the switch does to turn on the lights. If you pull the switch and it is bad, that circuit doesn't connect. The jumper wire then completes the circuit and if the lights work then, you install a new switch #10416123 If however the jumper doesn't turn on the lights then we need to test the next component which is the relay. However you say the flash to pass (pulling the dimmer lever) works. Which should mean the relay is working as that is how the lights get the power to work from.
Jan 17, 2026 at 1:46 AM
Avatar
WIMMS77
  • MEMBER
  • 12 POSTS
ok soon as the sun's up il go check it out but where it says the relays behind the glovebox its not meaning in the fuse panel on that side of the dash but actually behind it right
Jan 17, 2026 at 4:18 AM
Avatar
STEVE W.
  • CERTIFIED EXPERT
  • 15,113 POSTS
Yes, there is a relay block behind the glove box that has the headlight, defroster, RAP and trunk lid release relays in it. When you pull out the switch the yellow wire gets grounded and that tells the BCM to activate the relay. The BCM can also activate the relay on it's own if you have the automatic headlight option as that just tells the BCM, hey it's dark, turn on the lights. Then you have the flash to pass which also sends a ground signal to the BCM to activate the headlights. The reason I don't think it's the relay though is because that last signal works. Basically all of the ways that turn on the lights use the same parts. The FTP grounds the yellow wire, that tells the BCM to turn on the lights, The headlight switch uses the same circuit to tell the BCM to turn on the lights. So in your case you can pull on the stalk and turn on the relay and the lights, but pulling the switch itself doesn't work. Think of it like a light in your house that uses 2 switches, either one can turn the lights on using the same wiring. Then one switch breaks, the other switch still works to turn on the lights though. I believe the pull switch is what has failed because both it and the FTP wires are physically joined at splice 221, however only one of them actually works. If the ground had failed none of them would work (including the marker lights that you said work) because they all use the same ground, same thing with the power as each side has it's own fuse for both high and low beam, as the FTP works the fuses must work. The wiring to the BCM and the relay works for the same reason. That only leaves the yellow wire on the headlight pull switch as a problem. So if you remove the switch and apply ground to the yellow wire and the lights come on, it's a bad switch.
Jan 17, 2026 at 9:46 AM
Avatar
WIMMS77
  • MEMBER
  • 12 POSTS
do I disconnect the negative on my battery 1st
Jan 17, 2026 at 11:01 AM
Avatar
WIMMS77
  • MEMBER
  • 12 POSTS
ok so I'm trying to get to this plug it's not as simple as I thought but as I'm removing the dash I came across this wire by the hdlmp switch unplugged and on the other end by the code reader is a plug that matches it both are yellow and pic #1and this box just dangled by its wires and doesn't have a place to attach to that I can see pic #2 as I was removing the trim around the control panel area I had to shift gears to do so completley and a chime like the doors open so I shut it and it stopped but when I opened the door again with the key off and out the ignition it started again and didn't stop even after I unplugged the yellow pigtail until I unplugged the battery
Jan 17, 2026 at 12:44 PM
Avatar
WIMMS77
  • MEMBER
  • 12 POSTS
this is what I got under the glove box I only see 3 not 4
Jan 17, 2026 at 12:47 PM
Avatar
WIMMS77
  • MEMBER
  • 12 POSTS
and I can't get the pull knob harness apart from the switch I'm afraid il break it
Jan 17, 2026 at 12:48 PM
Avatar
STEVE W.
  • CERTIFIED EXPERT
  • 15,113 POSTS
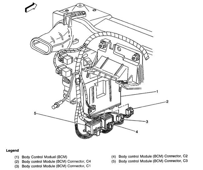
Your just missing the 4th relay and someone has been there before because the tape isn't original. So you need to look at the relays and find the one with Yellow, Orange, White and Black wires although that likely isn't the issue. The part that's hanging down is the body control module. It is normally held in a clip between the steering column and power panel as in the third pic. You shouldn't have needed to take it that far apart though. The end caps come out of the ends of the dash and the switch bracket is right there with the cap out. The connector should have a retainer that you press then it pulls away from the switch. If it's that hard to pull it may be melted some and that could be why you have no lights. It would still need to come apart though if that is the case. Be VERY careful with yellow plugs most of the time those are airbag or safety connections and if they were unplugged it might be that the air bags have been deployed or bypassed. What color are the wires in the connector?
Jan 17, 2026 at 2:41 PM
Avatar
WIMMS77
  • MEMBER
  • 12 POSTS
I can get these 2 blue clips to come out but not the white over black can I buy a new pigtail for it I have this switch coming tomoro
Jan 18, 2026 at 4:00 PM
Avatar
WIMMS77
  • MEMBER
  • 12 POSTS
and there is only 3 boxes not 4 behind my glove box plus the courtesy light like the driver's side 1 isn't in there either would any of the issues I'm having cause or be related to why the mileage and prndl does not come on anymore also
Jan 18, 2026 at 4:06 PM
Avatar
STEVE W.
  • CERTIFIED EXPERT
  • 15,113 POSTS
The white tabs get pried out a bit so they unlock from the connector, then it should pull out. Look at the wiring colors on the 3 relays you have, Yellow, Orange, White and Black wires on one of them would point to that one being the headlight relay. The missing one is probably for an option you don't have. The display is likely not related to the lack of headlights, it should come on regardless of the lights working. Most likely reason for that is a failed solder joint on the circuit board in the instrument cluster, or the voltage regulator on the board failed.
Jan 19, 2026 at 5:44 AM
Avatar
WIMMS77
  • MEMBER
  • 12 POSTS
do I need to submit a new ? for help with that issue then and as for the white clips on the sides of the harness I've tried a screw driver knife and a pry tool to lift them and all I got was hurt fingers and fear they were going to break am I just being paranoid or can I get a lil more aggressive when trying to lift them up
Jan 19, 2026 at 7:19 AM
Avatar
WIMMS77
  • MEMBER
  • 12 POSTS
btw thank you so much for responding so quickly
Jan 19, 2026 at 7:19 AM
Avatar
STEVE W.
  • CERTIFIED EXPERT
  • 15,113 POSTS
Normally the clips are pretty tight, What I do is use a thin tool to lift one side, then move the plug free of the clip, then go to the other side and repeat that so the plug pulls free. The clips to pull up are the yellow arrows, Just move them one at a time. Don't worry much if they break, if the switch is bad the new one has new tabs, if it's not the switch a zip tie around the switch through the plug would work. If you want to test it with it plugged in you can, you would take a sewing needle and slip it into the back of the connector so it makes contact with the terminal inside for the yellow wire, now pull out the switch, if the lights now work you found that the terminal in the connector is loose, they can be tightened if that is what you find, however if they don't come on, take a piece of wire connected to a good ground and touch the needle, do the lights come on now? If yes, you have just proven that the switch itself is bad. Replace it. Enjoy having lights again.
(called back probing a circuit https://www.youtube.com/watch?v=g2ST8w_0w-Q )

Yes you would ask about the cluster as a different question, that way if someone was looking for a bad display they won't miss it hidden in a post about a light switch.
However, being this is a GM you might want to go a look at this channel and search GM cluster to see what you can learn about the missing vacuum display, and maybe contact him about a repair if you like.
https://www.youtube.com/@jeffescortlx/videos
Jan 19, 2026 at 8:51 AM
Avatar
WIMMS77
  • MEMBER
  • 12 POSTS
what would you consider a good ground in this area for testing the switch so I no where to put it and how long a wire I need
Jan 19, 2026 at 10:24 AM
Avatar
STEVE W.
  • CERTIFIED EXPERT
  • 15,113 POSTS
Battery negative is good. But in this case you have a ground in the same plug the Black wire with white strip on terminal A is a ground, the same one that the lights use. So a short wire there should work.
Jan 19, 2026 at 2:24 PM
Avatar
WIMMS77
  • MEMBER
  • 12 POSTS
ok so I got them apart finally and I see that it looks like some of the prongs are not staying in all the way I tried doing a video but my phone's stupid so I'm sending pics of them this green looking 1 especially could they be the issue
Jan 21, 2026 at 1:24 PM
Avatar
STEVE W.
  • CERTIFIED EXPERT
  • 15,113 POSTS
That is simply because there are different crimp connectors for the wire sizes. Now that you have it out, take a piece of wire and connect the Yellow wire to the Black with white stripe wire. Do the headlights come on with the key on? Yes, replace the switch, No we need to dig farther.
Jan 21, 2026 at 4:16 PM
Avatar
WIMMS77
  • MEMBER
  • 12 POSTS
well I replaced the switch yesterday and still no lights and the green wire I mentioned keep popping out of the harness so I pushed it down again several times any new ideas to try I don't remember if the key was on or not so I will check again with it on and lyk from there
Jan 22, 2026 at 7:20 AM
Avatar
WIMMS77
  • MEMBER
  • 12 POSTS
ya still no headlights
Jan 22, 2026 at 2:01 PM
Avatar
STEVE W.
  • CERTIFIED EXPERT
  • 15,113 POSTS
The green wire is the marker lamp power. Have you tried to jump the yellow wire to a ground with the switch in place and the key on? What lights work when you use the switch?
Jan 22, 2026 at 8:48 PM
Avatar
WIMMS77
  • MEMBER
  • 12 POSTS
no I havent I just replaced the switch and still have no low beam headlights at all soon as it's warm enough to go outside il try to do what you asked tho
Jan 23, 2026 at 2:13 PM
Avatar
STEVE W.
  • CERTIFIED EXPERT
  • 15,113 POSTS
Just trying to eliminate possible problems. When you pull the lever the flash to pass should flash the high beam lamps. The next step will be to test at the headlight relay and see if the yellow wire isn't broken. It runs from the switch through the dash and down to the relay. I understand about the lack of heat, it's 4 below here at the moment. Not fun to work in. The next testing we will do to the relay and you can have the engine running for heat. So determine which one is the headlight relay by looking for the wire colors that go to it. Yellow, Orange, White and Black. Use the test light between the orange and black wires, it should light with the key on. Now try between the orange and yellow, with the key off pulling the light switch on should turn on the test light.
Jan 23, 2026 at 4:09 PM
Avatar
WIMMS77
  • MEMBER
  • 12 POSTS
I believe this is the headlight relay and the only wire that lit up was the orange 1 is this normal and yes the key was on no it didn't make the lights come on
Jan 25, 2026 at 2:46 PM
Avatar
STEVE W.
  • CERTIFIED EXPERT
  • 15,113 POSTS
That looks like the correct colors. Unplug the relay and connect the yellow and black wires. Try the lights. that connection bypasses the switch and relay. The BCM can also turn on the relay but the jumper bypasses that as well. That should send power to the dimmer switch and either the low or high beams should light depending on the switch position. If you still get nothing then we go out to the headlights and see if power is getting to the lamps on the orange and orange/black leads. The switches and controls turn the lights on by grounding the other leads.
Jan 25, 2026 at 4:09 PM
Avatar
WIMMS77
  • MEMBER
  • 12 POSTS
I get nothing when I touch the test light to the yellow in this cluster only the orange gives me anything
Jan 26, 2026 at 2:53 PM
Avatar
STEVE W.
  • CERTIFIED EXPERT
  • 15,113 POSTS
There won't be power on the yellow. Orange is the power to the relay. The BCM then applies a ground and that closes the relay. If you put a jumper between the Yellow and the Black wires, that simply completes the circuit that should turn on the lights There is no power there. The headlights get power directly, the ground circuit is what turns them on.
Jan 26, 2026 at 7:20 PM
Avatar
WIMMS77
  • MEMBER
  • 12 POSTS
when you say put or connect a jumper wire between the 2 wires the black and yellow or black and orange do you mean pull the prongs out of the harness im at a loss
Jan 26, 2026 at 8:17 PM
Avatar
STEVE W.
  • CERTIFIED EXPERT
  • 15,113 POSTS
Unplug the relay from the harness. Then look into the socket the relay was plugged into. Find those two wires and just put a piece of wire between them. That will bypass the relay and the switch. The idea is to eliminate those as the issue. If you put the jumper in and turn on the key that should tell the BCM to turn on the lights. If you get nothing, then we go to the PCM or the lights. However as you have said you can get the lights to come on by pulling the handle up, we know that the fuses and power to the lights is OK and that the high beam bulbs work. That leaves a bad dimmer switch or bad BCM. The bypass is just to eliminate some wiring to verify that there isn't an issue in the wire to the splice or an issue with the splice itself.
Next stop is going to be the dimmer switch for testing BCM will be last as it's harder to test and needs programming if it has to be replaced.
Jan 27, 2026 at 10:23 AM
Avatar
WIMMS77
  • MEMBER
  • 12 POSTS
I'm at a loss on what the dimmer switch is because the low beams work from the pull knob on my dash by the driver door and the brights work from the multiswitch on the steering wheel that I have to pull forward to make them work other then that nothing involving my lights is thru this switch mind you it controls the cruise turn signals and wipers that all are working fine but that fuse behind the glove box is connected to a metal pin and I can't get it off of it at all without breaking it I fear but I'm going to try to pull it apart from it's harness again hopefully it will be easier then it was the 1st time and then il lyk I did read up about this issue and came across the dash lights issue I mentioned and in most cases they say the same as you that it's most likely this relay but if not then it can be the bcm or wiring what's a burnt out bulb look like tho is it like a fuse and you will see something obvious
Jan 30, 2026 at 2:45 PM
Avatar
STEVE W.
  • CERTIFIED EXPERT
  • 15,113 POSTS
OK your description has changed. Let me see if I have the new one, earlier you said that the only lights that worked were the high beams and only when you moved the stalk for the flash to pass. "
So when I pull the knob for my headlights to come on nothing happens. When I push it back in the park lights will go off. When I turn on my brights with the turn signal switch I have to hold them on in order for them to stay on if I let it go they go off."

However now you say the items below, correct me where I'm wrong.
When you pull on the light switch the low beams both work, Correct?
When you pull up on the dimmer the high beams work, Correct?
You cannot select the high beams with the stalk and have them stay on, without holding the stalk, Correct?

If those three are correct then you have a bad dimmer switch. The internals have broken. The switch on those moves a set of contacts inside them and latches them in place either low beam or high beam. In your case you turn on the headlights and just cannot select high beams because the latch broke. As such it is a mechanical failure in the switch. The fuses and relays are all working or the lights wouldn't work at all. The fact that the low beams come on with the switch and not that only the parking lights come on shows that.

So you need to disconnect the negative battery terminal, wait at least 20 minutes then remove the air bag from the steering wheel, then the steering wheel. Then remove the shrouds from the steering column and remove the screws that retain the switch, Disconnect the harness connection and reverse the process with the new switch.

From service info -

First you need the J 44298 Driver Air Bag Removal Tool or go online and see how you can use a couple of flat tools to reach in and disconnect the retainers. Then -

1. Verify that the multifunction turn signal lever is in the center of the OFF position.
2. Disconnect the negative battery cable.
3. Disable the SIR system. (pull the air bag fuse)
4. Remove the inflatable restraint steering wheel module. using the tools

5. Remove the steering wheel. For this you remove the air bag, then lock the steering column, make a mark on the steering shaft and one on the wheel so you can line them up later, don't mark the nut as it has to come off. Now use the puller to pop the wheel off the shaft.

6. Remove the steering column trim covers. These are both clipped and screwed in place. Remove the screws and if you have a tilt column put it tilted down just a bit, then pull straight out at the base of the tilt lever and it should pop free. Remove the screws in the bottom cover and drop it off.

7. Remove the steering column wire harness (1) from the steering column wire harness retainer (2).
8. Remove the two wire harness straps from the steering column wire harness (1).
9. Remove the steering column bulkhead connector from the vehicle wire harness.
10. Disconnect the gray and black connectors from the multifunction turn signal lever steering column bulkhead connector.
11. Remove the retaining bolts (1) from the multifunction turn signal lever (2).
12. Remove the multifunction turn signal lever (2) from the staring column.

Reverse the process to install the new switch.
Jan 30, 2026 at 7:51 PM
Avatar
WIMMS77
  • MEMBER
  • 12 POSTS
I guess I must not have been as clear as I thought I was but yes that's exactly what I have been saying is that when I pull the knob on the dash I get nothing for headlights and the only way I get any lights at all is when I pull the multi switch that controls the cruise turn signals and wipers forward and hold it there constantly that what I have assumed were my brights until you referred to it as the flash to pass and I looked it up in the owners manual and that's what they refer to these lights as and these are the only ways to have any type of lights at all which now makes sense on why I have to keep it held forward to keep the f2p lights on constantly and the knob I just changed on my dash that when pulled has 2 levels it pulls out I guessed the 1st pull is for the low and the 2nd pull for the high beams to come on and back in completely to turn all lights off and the knob itself turns to the right to brighten the dash lights and to the left to darken them. but remember when I told you I changed the dash switch and 1 of the wires with the metal tips that stick down into the harness wasn't staying down inside completely and if it could have anything to do with the headlights or some areas of the dash lights not to be working? so to sum all that up #1. I have zero lights at all with both the old and the new installed dash pull knob for the headlights the only way any light to see at night comes from my headlights is only when I hold the flash to pass on the steering wheel forward constantly #2.i had dash lights except for the prndl and mileage before I installed the new switch on my dash and now none of my dash lights come on except the warning lights like check engine low coolant seat belts on both sides of the dash the radio doesn't light up now either but comes on I hope this better explains my issues lmk your thoughts
Jan 31, 2026 at 2:19 AM
Avatar
STEVE W.
  • CERTIFIED EXPERT
  • 15,113 POSTS
The dash switch has three positions, Off which shuts off all lights.
Pull out to the first stop turns on the marker(parking) lights. The marker position also turns on the dash lights as well. The wire you referred to that was falling out is for those and it sounds like the retaining tab on the contact is bent and the contact is loose. If you pull it out you can crimp the area that holds the other connector and ion the back should be a small tab that you can bend out, then it should push in and click. That should fix the dash and marker lights if it's just the wire that is loose. Pull the switch fully out and use a small pick to push in on each connection in the block. Do any of them make a difference? Wondering if some have heated up and are not making contact.

Pull it out to the second position turn on the marker lights and the headlights, both high and low with the selected beam being decided by the dimmer switch.


If you pull up slowly on the dimmer stalk on the column the flash to pass should be about halfway up and should drop back when you take the pressure off, then you pull up farther and the switch should click as it switches the internal contacts from high to low beam. Do you hear it click?
Jan 31, 2026 at 12:20 PM
Avatar
WIMMS77
  • MEMBER
  • 12 POSTS
I thought the dimmer switch is part of the pull knob on my dash because it literally says dimmer on it and before changing out the old one for the new 1 it made the dash lights light to dark however with both the new and old dash mounted switch I get zero headlights no matter what and on the column mounted switch no I don't hear any clicks I can think of but I will check tomoro when it's warmer and lyk 4 sure
Jan 31, 2026 at 3:25 PM