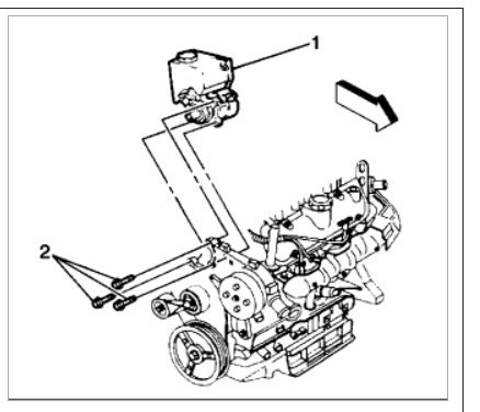
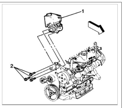
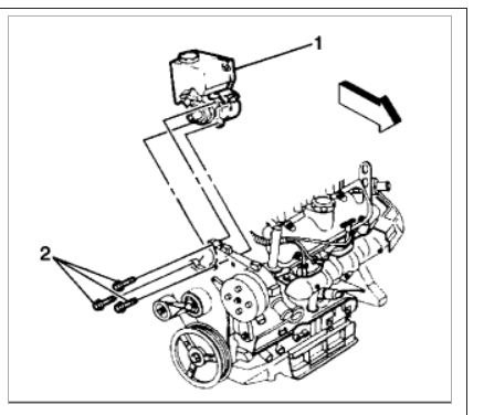
So my steering wheel has been giving me some problems. About six months ago the steering wheel started to get hard so we changed the steering fluid pump. That did not do the trick so we had to change the rack and pinion. It worked at first but the steering wheel would get hard sometimes. So we needed just removing the lid of the steering fluid pump. This worked for a couple months, but it started to slowly stop working. One thing that did help was when we would lift the car to change the oil or put on new tires the car seemed to turn perfectly fine and very smoothly afterwards. I noticed that while driving and pressing the gas the steering wheel is easier to turn (not easy, but easier). When I am at a stop sign and have to turn right for example it becomes very hard to the point where I can barely turn. Also at time when the car is first used in the morning the steering wheel seems not to be as hard to turn. We sucked out the steering fluid and added new fluid and that has not seemed to work. Any ideas? Please let me know.
Jun 8, 2016 at 8:06 PM



