Oct 20, 2018 at 4:43 PM
(Merged)
Safari won't start
2000 GMC SAFARI
Advertisement
Recently took van to pep boys which told us that they hooked up to di- machine and said all checked out with no fuel pump problem or anything else for that fact and they believe it to be an electrical problem. the van turns over but will not start.At one time it had a remote start, but no longer also has a alarm system and electrice brake system installed prior to us purchasing the van. I'm at wit's end trying to figure what the proble is and killing me with towing cost. Any ideas would be a great help. Thank you
will it start with starter fluid
Oct 20, 2018 at 4:43 PM
(Merged)
Advertisement
If that was the first time the fuel filter was changed then that would explain the dark fuel and restricted filter.See if you have spark and see what the actual fuel pressure is.Also see if you are getting a injector pluse you would unplug the injectors and plug in a noid light where the injector went.Then crank the engine over and see if the light flashes.The light should flash while cranking it shouldnt stay on solid.Check all the injector connectors.
Oct 20, 2018 at 4:43 PM
(Merged)
thanks for the info, I havent tried starting it with spray yet, but I will. If not I will do everything else. thanks for the help. I hope it will start with the spray....
Oct 20, 2018 at 4:43 PM
(Merged)
Keep me posted on what you find.
Oct 20, 2018 at 4:43 PM
(Merged)
Thanks for the help. I just got the van to start using starting fluid. But it runs for a few seconds then dies. The check engine light has turned off. I just dont think it is getting fuel now. Could a fuse be the problem?
Oct 20, 2018 at 4:43 PM
(Merged)
check power to the injector fuse and fuel pump fuse on the fuse panel under below the glove box.that they show good and that u hear the pump turn on.
Oct 20, 2018 at 4:43 PM
(Merged)
Engine problem
2003 GMC Safari 6 cyl Two Wheel Drive Automatic 65.000 miles
----------------------------------------------------------------
battery was low. started with booster charger, van started then died, got an odor like plastic burning,van turns over fast does not hit, blows back like its out of time.
2003 GMC Safari 6 cyl Two Wheel Drive Automatic 65.000 miles
----------------------------------------------------------------
battery was low. started with booster charger, van started then died, got an odor like plastic burning,van turns over fast does not hit, blows back like its out of time.
Oct 20, 2018 at 4:43 PM
(Merged)
Look for any burnt wires before anything. Dont want to cook the wiring harness if there is a short.
Oct 20, 2018 at 4:43 PM
(Merged)
It looks like my pump is bad, no fuel pressure. how do I replace it?
Oct 20, 2018 at 4:43 PM
(Merged)
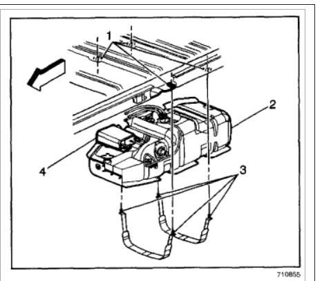
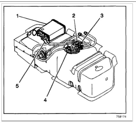
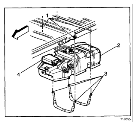
Yep I thought so. Here is a guide that can help you see what you are in for when doing the job
https://www.2carpros.com/articles/how-to-replace-an-electric-fuel-pump
Here is what it will be like on your car.
Check out the diagrams (Below)
Please let us know if you need anything else to get the problem fixed.
Cheers
https://www.2carpros.com/articles/how-to-replace-an-electric-fuel-pump
Here is what it will be like on your car.
Check out the diagrams (Below)
Please let us know if you need anything else to get the problem fixed.
Cheers
Oct 20, 2018 at 4:43 PM
(Merged)
if it was the security or the car would not even crank.this hast to be a fuel problem.rent a pressure tester from the parts store.turn the key on and read the pressure then do a leak down test turn the key off.come back in 15 mins. the gauge should read the same
Oct 20, 2018 at 4:43 PM
(Merged)
I just double checked and the fuel injectors are disabled not the starter.You can look for yourself if you like on the earlier gm cars the starters were disabled.The later gm cars they started disabling the injectors.So you will get a crank no start so if the security light is coming on and you have a crank and no start i would start with diagnosing that.
Oct 20, 2018 at 4:43 PM
(Merged)





