Dashboard four wheel drive switch

2002 FORD EXPLORER
Avatar
SNOOPY0013
  • MEMBER
  • 1 POST
My dashboard four wheel drive switch does not work to switch the truck from auto to high to low. The dashboard light switch does not come on and there is nor response from the switch the three buttons seem unresponsive.
Dec 20, 2008 at 2:39 PM
Advertisement
Avatar
IMPALASS
  • CERTIFIED EXPERT
  • 3,112 POSTS
Hello,

It sounds like either the switch or actuator is bad. To be sure we will run a few tests.
Here is a guide to show you how to check the fuses and a wiring diagram so you can see how the four wheel drive system works. We need to check fuse 29 for power at the switch

https://www.2carpros.com/articles/how-to-check-a-car-fuse

And

https://www.2carpros.com/articles/how-to-use-a-test-light-circuit-tester

Please run down these guides and diagrams and report back.
Dec 20, 2008 at 4:03 PM
Avatar
SRJOECOW
  • MEMBER
  • 5 POSTS
Just bought 2002 Explorer. When pushing either of the three buttons Auto, low or High four wheel drive; can feel nothing engaging and no lights of indicator panel light up. Mine is just a regular four wheel drive, 4.0 Liter; eighth digit is a E.

Thanks, Jim
Dec 20, 2008 at 5:08 PM
Advertisement
Avatar
IMPALASS
  • CERTIFIED EXPERT
  • 3,112 POSTS
Well Jim There are codes that this may throw that could help us out. Please go to AutoZone (AZ) or O'Reilly's (or) and for free they can pull the codes to the car. Most important: Once they check your codes, if they find something and you do not get it fixed and need to get back with us, please make sure you tell us exactly what the code was, number and all. Example, if the code was E0568 O2 Sensor bad. Then make sure you give us all of that. While there for free also they can bring their tester out and check your battery and alternator. Since it is getting cold out and you just bought it. We want to make sure those two things are also in top shape and it is free. Looks like it is asking early or late build so I have attached a picture please look at the label on the door and give me that date. To save time also provide your VIN.


https://www.2carpros.com/forum/automotive_pictures/248015_label_2.jpg

The second picture. This is what your dash looks like and all three switches do nothing and no lights, yes?


https://www.2carpros.com/forum/automotive_pictures/248015_1_120.jpg

As soon as you give me the date and VIN. I can move on with searching, but I would still like you to check the codes etc.
Dec 20, 2008 at 7:03 PM
Avatar
SRJOECOW
  • MEMBER
  • 5 POSTS
Thanks for your response. It was built 07/2001. The Vin is: 1FMZU73E92ZA94613.

We just had the biggest snow storm in the last decade last night so I will get to AutoZone this coming week. It the mean time, I am pulling interior fuses 12,16, and 29 and exterior fuses 17 and 18 just to make sure they are okay.

Thanks,

Jim
Dec 21, 2008 at 11:26 AM
Avatar
IMPALASS
  • CERTIFIED EXPERT
  • 3,112 POSTS
Jim,

While you are checking fuses. Lets check them all to be safe.

Also, left side engine compartment. Please check fuses: 13, 15, 37, 40

Also, does this have traction control?

For your information you have a late build. It was built after 03/2002. Many of the things I look at ask for that.

More to follow.
Dec 21, 2008 at 12:45 PM
Avatar
SRJOECOW
  • MEMBER
  • 5 POSTS
All fuses check out okay. Went to AutoZone; they said they could not read codes if my check engine light was not on. So I changed the shift actuator and the problem is solved thanks for your help on this it cost me $132.00 for the part.
Thanks,

Jim
Dec 23, 2008 at 8:30 AM
Avatar
IMPALASS
  • CERTIFIED EXPERT
  • 3,112 POSTS
Glad you could get it fixed, that kind of problem can be tough. Please use 2CarPros anytime we are here to help

Cheers,
Dec 23, 2008 at 9:52 AM
Avatar
IMPALASS
  • CERTIFIED EXPERT
  • 3,112 POSTS
Hello srjoecow, These checks i mean to send over before the other ones I sent. Also, in the Battery Junction Box (BJB) check fuses 17 (20A) and 18 (20A) Look at fuse 12 (5A) in the Central Junction Box (CJB) When you check these fuses please use an ohm meter .sometimes the eyeball just does not see if it is burnt in a corner. You and your family have a very Merry Christmas and a safe New Year


https://www.2carpros.com/forum/automotive_pictures/248015_t1_1.jpg


https://www.2carpros.com/forum/automotive_pictures/248015_t2_2.jpg


https://www.2carpros.com/forum/automotive_pictures/248015_t3_2.jpg


https://www.2carpros.com/forum/automotive_pictures/248015_t4_2.jpg

Dec 23, 2008 at 10:02 AM
Avatar
IMPALASS
  • CERTIFIED EXPERT
  • 3,112 POSTS
Hello srjoecow. Hey a little more info for you. Switch, Push Button 4x4 Mode The push button 4x4 mode switch, mounted on the instrument panel, allows the operator to select the 4x4 Auto, 4x4 High, and 4x4 Low transfer case operating modes. The indicator light, on the instrument cluster push button, will illuminate only when the 4x4 Low position is engaged. I have also attached where the switch is located.The 4WD Selector Switch You and your family have a very Merry Christmas and a safe New Year


https://www.2carpros.com/forum/automotive_pictures/248015_s1_1.jpg


https://www.2carpros.com/forum/automotive_pictures/248015_s2_1.jpg

Dec 23, 2008 at 10:17 AM
Avatar
SRJOECOW
  • MEMBER
  • 5 POSTS
I finally got around to checking the fuse and it was bad. I replaced the switch and the fuse. 4wd works again. Only cost me $42.00.

Have A Great Holiday!
Dec 24, 2008 at 12:08 PM
Avatar
IMPALASS
  • CERTIFIED EXPERT
  • 3,112 POSTS
Hello,

Thank you for the information.

Hope you had a great Christmas!

Dec 25, 2008 at 10:58 PM
Avatar
DANTHONY
  • MEMBER
  • 3 POSTS
Shifts into 4x4 High while I am driving. Does not seem to respond to pushing the 4x4 Auto button. I have to push the 4x4 High button and then the 4x4 Auto button. ADVTRAC OFF message comes on intermittently. ABS light comes on.
Jan 2, 2017 at 11:05 AM (Merged)
Avatar
HMAC300
  • CERTIFIED EXPERT
  • 48,601 POSTS
have a pro scan for codes may be the abs is making tcm screw up.
Jan 2, 2017 at 11:05 AM (Merged)
Avatar
HMAC300
  • CERTIFIED EXPERT
  • 48,601 POSTS
ABS unit will take off traction control when light goes off so it will need scanning to see what is wrong as well as it will pick up any code for 4wd at same time as both go to powertrain control unit. autoparts store may pickup one code but as abs is sending one then they won't so a pro has to scan it.
Jan 2, 2017 at 11:05 AM (Merged)
Avatar
DANTHONY
  • MEMBER
  • 3 POSTS
Checked the codes. Some emissions related stuff, but nothing to do with the antilock brakes, advance trac or 4wd. Someone suggested disconnecting a battery cable and reconnecting to make the computer reboot. Any thoughts about that?
Jan 2, 2017 at 11:05 AM (Merged)
Avatar
HMAC300
  • CERTIFIED EXPERT
  • 48,601 POSTS
youan try it but it may erase any codes this may need to be brought up on freeze frame by a pro who knows what to read on it. also the abs/trac thing may be intermittent so will be hard to find. only other thing I can think of is the motor on tcase is messed up or a shorted wire going to it.
Jan 2, 2017 at 11:05 AM (Merged)
Avatar
DANTHONY
  • MEMBER
  • 3 POSTS
Thanx
Jan 2, 2017 at 11:05 AM (Merged)
Avatar
RONPA
  • MEMBER
  • 16 POSTS
Drive Train Axles Bearings problem
1994 Ford Explorer 6 cyl Four Wheel Drive Manual 125000 miles

I replaced the tranfer case motor on my Ford Explorer , The 4x4 and Low Range lights on the buttons in dash would light but the transfer case would not engage . (before the replacement ) After I removed the Transfer Case motor I had my wife engage the 4x4 button to see if the motor would turn . It didnt , but she also said the light would not come on . I assumed it needed to be grounded . So I continued with the replacement . When finished the light would not come on or the transfer case engage . I removed the transfer case motor checking my work . I then reinstalled the motor , cleaning the ground at the back of the motor where the support bracket mates to the transfer case . Still nothing . I unplugged the wiring harness and checked the power cable with a multi meter , doesnt seem to be any power to the cable , I the checked the 20 Amp high out put fuse under the hood it was not blown . not sure what to do next . I called the garage they said they have never had to remap the control module after a change . The Instructions with the NAPA reman. motor said you may or maynot have to remap . Thanks , Ron
Jan 2, 2017 at 11:05 AM (Merged)
Avatar
RACEFAN966
  • CERTIFIED EXPERT
  • 5,029 POSTS
Ok lets start with something simple and check number 7 fuse under the dash in the fuse box. This fuse should be a 15amp check to see if it is blown ok if you can't tell replace it anyway just to be sure as fuses are not that expensive. On a 94 model explorer there is no need to remap it so no worries there. If the fuse is good then we will look for any relay's and check the GEM Module next ok. We will also check the Shift Motor to ensure you did get a good on. It happens now and then that you get a bad one. Thanks and get back to me.
Jan 2, 2017 at 11:05 AM (Merged)
Avatar
RONPA
  • MEMBER
  • 16 POSTS
ok , removed the number 7 fuse tested it with a multi meter for continuity , checked out ok . not sure about the relays , I have no wiring diagram , I have a chiltons but it stops a t 1987 from my ford ranger .
Jan 2, 2017 at 11:05 AM (Merged)
Avatar
RACEFAN966
  • CERTIFIED EXPERT
  • 5,029 POSTS
Ok first you should buy a newer book or check out you local library and check one out. I see you have a multi meter so do you have a scan too and a test light too? Let me know and we will start checking out things one at time ok.
Jan 2, 2017 at 11:05 AM (Merged)
Avatar
RONPA
  • MEMBER
  • 16 POSTS
I have a test light but am not familiar with a scan , I used to be a heavy truck and equipment mechanic before everything became computerized . I havent got a book yet , I am told the control module is under the drivers seat? would the relays be located there also ? as I said there doesnt seem to be any power in the cable from the module to the motor .The buttons and lights to engage the system worked fine until I unbolted the transfer case motor , coincedence? Thought I may have blown something having wife turn ignition on and engage with motor unbolted . ( grounded)
Jan 2, 2017 at 11:05 AM (Merged)
Avatar
RACEFAN966
  • CERTIFIED EXPERT
  • 5,029 POSTS
Ok first thing never do that again ok. There is a magnetic clutch and speed sensor near the motor that may have been damaged by doing this. Now we will do some tests to make sure what is and isn't wrong. ok.
First I need you to unplug the 5 pin and 8 pin connector from the electronic control module for the 4x4 now turn key to run engine off. Let me know if the indicator light for the 4x4 is flashing or on steady. If it is on steady then the module is bad and needs to be replaced. Get back to me with what you find and we will go from there. The module is located in the car in the back above the left (drive side) rear wheel well should be close to the jack in that compartment.
Jan 2, 2017 at 11:05 AM (Merged)
Avatar
RONPA
  • MEMBER
  • 16 POSTS
Bearing in mind that the lights worked until I un bolted the original motor , then I had no lights . I unplugged the 5 and 8 pin connectors , turned the key to run position , no lights at all , I checked the #7 and 20 amp electric shift fuses with multimeter again , both good .
Jan 2, 2017 at 11:05 AM (Merged)
Avatar
RONPA
  • MEMBER
  • 16 POSTS
Well I guess I should uplug the in put cable to control module and see if I have power to the control module since the fuses are good ?
Jan 2, 2017 at 11:05 AM (Merged)
Avatar
RACEFAN966
  • CERTIFIED EXPERT
  • 5,029 POSTS
Ok with the test that you did it says that the 4x4 module is bad and needs to be replaced. The 4x4 lights should have flashed 4 times. So if you like do the test again and if there is no lights at all then according to that the module is bad. If that is true I would check a wrecking or salvage yard to buy one. Let me know how it goes.
Jan 2, 2017 at 11:05 AM (Merged)
Avatar
RONPA
  • MEMBER
  • 16 POSTS
I removed the input cable for the control module and have power there , there is a red light at bottom of module with a white tab (button) if u push the button the red light flashes off and on , depress button again it stops .
Jan 2, 2017 at 11:05 AM (Merged)
Avatar
RONPA
  • MEMBER
  • 16 POSTS
I called the salvage yard $65.00 for a used one , goin to pick it up , thx for all your help , will let u know how it turns out .
Jan 2, 2017 at 11:05 AM (Merged)
Avatar
RACEFAN966
  • CERTIFIED EXPERT
  • 5,029 POSTS
Great hope it does the trick as the tests say's it should. Let me know. Thanks and have a great day.
Jan 2, 2017 at 11:05 AM (Merged)
Avatar
RONPA
  • MEMBER
  • 16 POSTS
I went to the salvage yard and purchased a used module and installed it , The light on the button comes on very dim if u hold the button in and I hear a faint clicking noise back by the module while pressing button . still no four wheel drive .
Jan 2, 2017 at 11:05 AM (Merged)
Avatar
RACEFAN966
  • CERTIFIED EXPERT
  • 5,029 POSTS
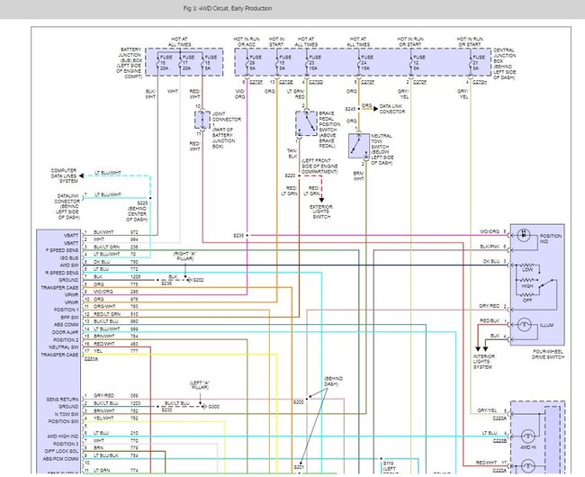
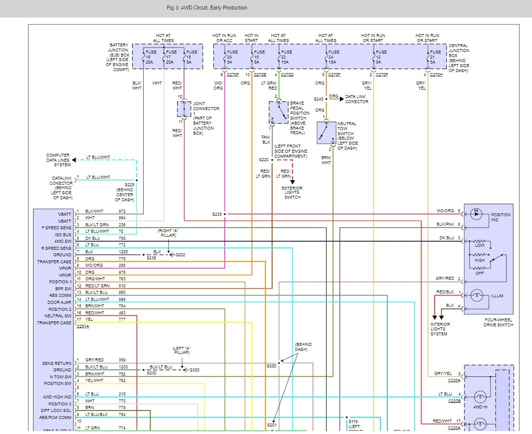
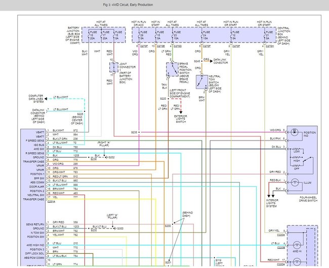
Ok this is good though you didn't waste money here you have fixed the module problem now we need to test to see what else went bad here. Now we need to test the t-case motor ok. Now at the t-case motor you will back probe the wire harness with a digital multi meter. The yellow/white wire should have power. When you select 2h or 4h or 4l the orange wire should have power and so should the yellow wire as you go back. Here is the wiring diagram for the t-case motor. Let me know what you find ok.


https://www.2carpros.com/forum/automotive_pictures/249564_Graphic_22.jpg

Jan 2, 2017 at 11:05 AM (Merged)
Avatar
PFIENE
  • MEMBER
  • 1 POST
Electrical problem
2001 Ford Explorer 6 cyl Four Wheel Drive Automatic 125000 miles

What is the most likely cause of the 4wd not engaging. Was working 2 days ago and now suddenly when I turn the switch no engagement, no lights, nothing. My truck is the Sport model with electronic 4wd switching.
Jan 2, 2017 at 11:07 AM (Merged)
Avatar
JACOBANDNICKOLAS
  • CERTIFIED EXPERT
  • 110,175 POSTS
Chances are the actuator on the transfer case is bad. To check it, you need to see if it is getting power when you switch to 4wd. If it is, then cances are it is bad.

Check for power to it and let me know what you find.

Joe
Jan 2, 2017 at 11:07 AM (Merged)
Avatar
DONKRUM
  • MEMBER
  • 1 POST
Transmission problem
2002 Ford Explorer 6 cyl Four Wheel Drive Automatic 102000 miles

Had new frt. shocks upper & lower ball joints tie rods and the CV axel replaced on drivers side and the same on passenger eccept cv axil,but had to replace wheel bearing on passenger side . It snowed and now the 4x4 switch don't engage the 4x4 no lights on dash for4x4 either, what could be wrong?
Jan 2, 2017 at 11:07 AM (Merged)
Avatar
JACOBANDNICKOLAS
  • CERTIFIED EXPERT
  • 110,175 POSTS
I need you to check something. On the transfercase is the 4wd actuator. It will have a wiring harness going to it. Remove the harness and have a helper switch the controler to see if you get power to it. If you do, remove the actuator and have it tested. On these vehicles, the actuator has a history.

Let me know what you find. Also, since they worked on the front end, make sure nothing is disconnected.

Let me know what you find or if you have other questions.

Joe
Jan 2, 2017 at 11:07 AM (Merged)
Avatar
GORDON SHEPHERD2
  • MEMBER
  • 1 POST
Hi everyone I have or had a similar experience with my 4 wheel drive I got a 2002 XLT 4.0 with 180,000 miles for 600.00 steal right but it ran didn't knock ,smoke,over heat so I threw cash and ran lol, u went to a little field to try 4x4 well wa WA WA I also noticed service engine soon light... Yesterday was actually on my way to AutoZone when I had I'm better than them moment, stopped at a Walmart parking lot pulled the glove box tapped on the 4x4 control module then made sure wiring harness was snugg... Turned truck off and back on herd the module clicking service engine light is now off and all push button control working for the 4x4 only issue I have is no indication from low or high but I'm sorta old school anyway I always stop or at least put in neutral before engaging 4x4 . Hopefully this helps someone out there who doesn't have 400$ to replace that module
Jan 6, 2017 at 11:48 PM
Avatar
STRAILER
  • CERTIFIED EXPERT
  • 53,854 POSTS
Hey GORDON,

That is a great addition to the thread! nice work this will help the many that search it.

Please use 2CarPros anytime, we are here to help and tell a friend.

Best, Ken
Jan 10, 2017 at 11:42 AM
Avatar
GLENNBPERU
  • MEMBER
  • 5 POSTS
I cannot get the SUV to shift to just two wheel drive even after overhauling the selector motor on the transfer case.
Sep 4, 2018 at 6:26 PM (Merged)
Avatar
JACOBANDNICKOLAS
  • CERTIFIED EXPERT
  • 110,175 POSTS
Are you getting power to the actuator?
Sep 4, 2018 at 6:26 PM (Merged)
Avatar
GLENNBPERU
  • MEMBER
  • 5 POSTS
Yes there is power to the motor because I can select 4whl LOW. It shifts between 4 whl LOW and HIGH with no problem.
I thought that the neutral position on the selector shaft on the Transfercase would allow 2 wheel drive but it wont go forward or reverse in that neutral position.
Sep 4, 2018 at 6:26 PM (Merged)