anti theft reset?

1999 FORD EXPLORER
180,000 MILES • 6 CYL • 4WD • AUTOMATIC
Advertisement
Avatar
JOHNPERLAES
  • MEMBER
  • 17 POSTS
Yes, I have test light and voltmeter.
Sep 24, 2020 at 10:18 AM (Merged)
Avatar
JOHNPERLAES
  • MEMBER
  • 17 POSTS
Okay, so friend just checked and said there's no power going to the starter.
Sep 24, 2020 at 10:18 AM (Merged)
Advertisement
Avatar
ASEMASTER6371
  • CERTIFIED EXPERT
  • 52,796 POSTS
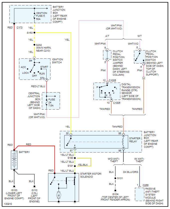
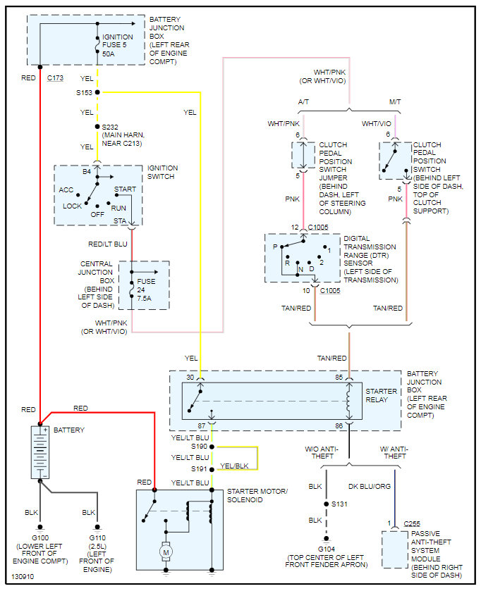
I attached a picture of the starter relay. The little wire I circled should have power in the start position. check in both park and neutral.

Roy
Sep 24, 2020 at 10:18 AM (Merged)
Avatar
JOHNPERLAES
  • MEMBER
  • 17 POSTS
Sorry, there is power the the starter.
Sep 24, 2020 at 10:18 AM (Merged)
Avatar
ASEMASTER6371
  • CERTIFIED EXPERT
  • 52,796 POSTS
What was the result of the test I asked you to check?

Roy
Sep 24, 2020 at 10:18 AM (Merged)
Avatar
JOHNPERLAES
  • MEMBER
  • 17 POSTS
Jump-started the starter and the car started right up.
Sep 24, 2020 at 10:18 AM (Merged)
Avatar
ASEMASTER6371
  • CERTIFIED EXPERT
  • 52,796 POSTS
Please, I am asking if there was voltage at that wire?

Can you please give me an answer? I am trying to help.

Roy
Sep 24, 2020 at 10:18 AM (Merged)
Avatar
JOHNPERLAES
  • MEMBER
  • 17 POSTS
So I turned off the truck and it does not start now.
Sep 24, 2020 at 10:18 AM (Merged)
Avatar
ASEMASTER6371
  • CERTIFIED EXPERT
  • 52,796 POSTS
Of course it does not.

Let me know when you want to do the requests I am sending to find the issue. Bypassing and jumping is accomplishing nothing.

Roy
Sep 24, 2020 at 10:18 AM (Merged)
Avatar
JOHNPERLAES
  • MEMBER
  • 17 POSTS
Okay.
Sep 24, 2020 at 10:18 AM (Merged)
Avatar
TOMMY_BOY
  • MEMBER
  • 11 POSTS
I'm having the same problem. My 2000 Ford Ranger 3.0 started my the key and now it will not start by the key. But it will start having a jumper wire to the started to the battery though. So any help would be nice.
Jan 4, 2021 at 4:24 PM
Avatar
KASEKENNY
  • CERTIFIED EXPERT
  • 18,907 POSTS
Just to be clear, you put the key in the ignition and turn it to the on position and then put 12 volts to the starter and the engine starts and runs or does it only crank but not start?

If the vehicle will not turn over with the key in the ignition then I have to assume we have an ignition switch issue and not a security issue.

I attached the way your PATS system works for your review and as you can see the PCM is not commanded on unless it is told that there is a good key in the ignition. So if the vehicle starts by jumping power to the starter then the PCM has to be getting a good signal from the key.

If this is the case then we need to crank the engine with the key and check voltage at the starter.

Here is a guide that will help with that:

https://www.2carpros.com/articles/starter-not-working-repair

I attached the wiring diagram as well for your review. Let us know and we can go from there. Thanks
Jan 7, 2021 at 4:46 PM