Wipers :-(

1999 FORD CROWN VICTORIA
Avatar
WHYSUDDENLYNOW
  • MEMBER
  • 1 POST


Have high speed only. lost low and intermittent speeds.

When I turn the wipers off, they stay where they are, they don't return or park

Do you think its the wiper control module or the wiper motor?

When I turn the wiper stick to intermittent, I hear a click from the wiper control module if that matters.

Thanks for any help
Dec 17, 2008 at 11:02 AM
Advertisement
Avatar
DAVE H
  • CERTIFIED EXPERT
  • 13,384 POSTS
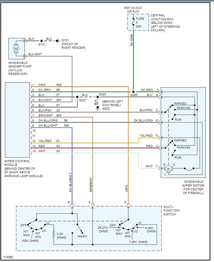
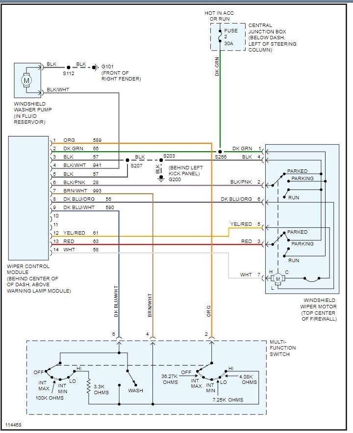
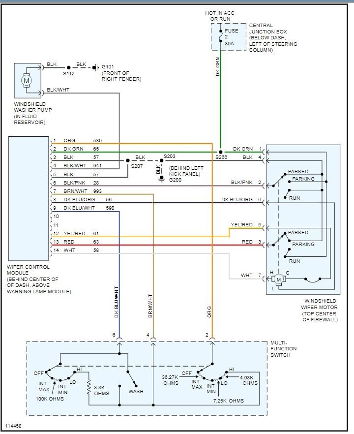
TEST E: WIPERS INOPERATIVE AT LOW SPEED Turn ignition switch to LOCK position. Disconnect wiper motor harness connector C151. Turn ignition switch to RUN position. Set wiper switch for low speed operation. Measure voltage between terminals No. 6 (Dark Blue/Orange wire) and No. 5 (Yellow/Red wire) at wiper motor harness connector C151. See Fig. 4. If battery voltage does not exist, go to next step. If battery voltage exists, test wiper motor. See WIPER MOTOR under COMPONENT TESTS. If wiper motor is okay, repair wiper linkage as necessary. Turn ignition switch to LOCK position. Disconnect Wiper Control Module (WCM) harness connector C294. Measure resistance between ground and terminal No. 8 (Dark Blue/Orange wire) at WCM harness connector C294. See Fig. 2. If resistance is greater than 10 k/ohms, go to next step. If resistance is 10 k/ohms or less, repair short to ground in Dark Blue/Orange wire between wiper control module and wiper motor. Measure resistance in Dark Blue/Orange wire between terminal No. 6 at wiper motor harness connector C151 and terminal No. 8 at WCM harness connector C294. If resistance is 5 ohms or less, go to next step. If resistance is greater than 5 ohms, repair open in Dark Blue/Orange wire between wiper control module and wiper motor. Set wiper switch to low speed position. Measure resistance between terminals No. 1 (Orange wire) and No. 7 (Brown/White wire) at WCM harness connector C294. If resistance is 3500-4500 ohms, replace wiper control module. If resistance is not 3500-4500 ohms, replace multifunction switch. fig 4


https://www.2carpros.com/forum/automotive_pictures/266999_fig4_1.jpg

fig 2


https://www.2carpros.com/forum/automotive_pictures/266999_fig2_1.jpg

Wiring diagram is attached below
Dec 17, 2008 at 2:19 PM
Avatar
STEPHEN G. RHODA
  • MEMBER
  • 1 POST
Ok when the wipers are turned on delay,when they stop they stop in the up position. If you take the wiper arm off of the motor and turn the rotator around. It stops in the up position. What would cause that problem?
Feb 13, 2019 at 7:09 PM (Merged)
Advertisement
Avatar
FLEXY5
  • CERTIFIED EXPERT
  • 512 POSTS
The park circuit in the wiper motor is faulty. Replacing the wiper motor should solve your concern.
Feb 13, 2019 at 7:09 PM (Merged)
Avatar
WALSHJOHN
  • MEMBER
  • 5 POSTS
V8 two wheel drive automatic

The wiper motor will only work on high and will not send water to clean. Now it will go on and off and will stop in the up position. Now it will not work at all.
Feb 13, 2019 at 7:09 PM (Merged)
Avatar
JACOBANDNICKOLAS
  • CERTIFIED EXPERT
  • 110,175 POSTS
Have you checked to see if the motor is getting power as well as the washer pump?
Feb 13, 2019 at 7:09 PM (Merged)
Avatar
WALSHJOHN
  • MEMBER
  • 5 POSTS
I did not, but not sure how to check or what pins to check for power water ETC. it looks like the relay fuse by the engine is okay and the fuse in the car looks okay. I assume that if the washer motor is bad the wipers will still work? I did replace the wiper motor and there was small amount of water in the wire clip to the motor I cleaned it put it back and still will not work.
Feb 13, 2019 at 7:09 PM (Merged)
Avatar
JACOBANDNICKOLAS
  • CERTIFIED EXPERT
  • 110,175 POSTS
The washer motor has seperate wires going to it. Check them for power. One is a ground and the other is power.
Feb 13, 2019 at 7:09 PM (Merged)
Avatar
WALSHJOHN
  • MEMBER
  • 5 POSTS
Sorry, I was out sick, but I did try to test the wiper motor but my tester it too big. I did go and get another wiper motor and switch started with the motor and no luck then with the new motor in I replaced the switch and no luck and then put them back the way it was but now try to find the problem, I hear a click when I put the switch on low or high or push to have water I hear one click per push. I think it is coming from the wiper motor.
Feb 13, 2019 at 7:09 PM (Merged)
Avatar
JACOBANDNICKOLAS
  • CERTIFIED EXPERT
  • 110,175 POSTS
Have you made sure the motor has a good ground?
Feb 13, 2019 at 7:09 PM (Merged)
Avatar
WALSHJOHN
  • MEMBER
  • 5 POSTS
I assume. I put the reman motor back in the same way I think. how could I check to make sure and would this problem let me still a clicking when I turn on the motor (one click per setting) and with the motor not in right would this stop the water from coming out or could the washer motor be bad too?
Feb 13, 2019 at 7:09 PM (Merged)
Avatar
JACOBANDNICKOLAS
  • CERTIFIED EXPERT
  • 110,175 POSTS
The washer motor is a seperate item. It is located at the bottom of the washer fluid bottle.
Feb 13, 2019 at 7:09 PM (Merged)
Avatar
WALSHJOHN
  • MEMBER
  • 5 POSTS
Thank you for that but I do know that, what about the wiper motor (clicks when you push the wipers water or on low ECT) and how is the ground put to the motor IE: by the wires only or by the mount for the motor?. will the washer motor still work if the wiper motor is bad or what if the washer motor is bad will the wiper motor not work? All I know is I put a new reman wiper motor in and when I turn on the wiper to high or low I hear one click but the wipers will not work.
Feb 13, 2019 at 7:09 PM (Merged)
Avatar
WTF411
  • MEMBER
  • 4 POSTS
What we've got here is a 2003 Crown Vic. Six months ago I replaced the LCM with one out of the recking yard because me lights no workie. That fixed that problem. Four months ago I paid to have the the wiper motor and the control switch/turn signal arm replaced. Problem solved.Today I have a car with headlights that didn't come on the other day and wipers that only work on high. Do all these component need to be replaced again or is there something else causing these malfunctions? Thanks
Feb 13, 2019 at 7:09 PM (Merged)
Avatar
JACOBANDNICKOLAS
  • CERTIFIED EXPERT
  • 110,175 POSTS
As far as the wiper motor and washer motor, one will not stop the other. The ground is made through the mount to the body. If you only hear one click and the motor doesn't work, check to make sure there is power to the motor. If there is, try running a ground wire from the motor to the a good ground on the body or directly to the battery.
Feb 13, 2019 at 7:09 PM (Merged)
Avatar
KHLOW2008
  • CERTIFIED EXPERT
  • 41,814 POSTS
Without performing any diagnostic tests, it is impossible to comment if components needs to be replaced. It could be a wiring or ground circuit connection problem.

Are the problem symptoms similar to previous?
Were parts replaced new, used or reman?
Does the headlights work intermittently?


Feb 13, 2019 at 7:09 PM (Merged)
Avatar
WTF411
  • MEMBER
  • 4 POSTS
The wiper components were new. The LCM was from a wrecking yard. This time the head lights only failed to turn on once, they have not gone out while driving, but I'm afraid to drive at night because I'm unsure if the lights will go out and strand me. Last time they quit coming on at all. I have a LCM headed my way through the mail. I ordered the LCM before I discovered the wiper issues. Last time the wiper issues started with the washer fluid pump going off by itself, followed by the wiper not parking themselves and only working on high.
Feb 13, 2019 at 7:09 PM (Merged)
Avatar
KHLOW2008
  • CERTIFIED EXPERT
  • 41,814 POSTS
Would you be able to perform tests on the wiper system with a DVOM if I provide you with the procedures?

Wiper is linked to LCM so if you have ordered the LCM, install it and see if the wiper problem is resolvd.
Feb 13, 2019 at 7:09 PM (Merged)
Avatar
WTF411
  • MEMBER
  • 4 POSTS
I should be able to use my DVOM to perform tests on the wiper system, especially under the guidance of an expert as yourself. The only obvious obstruction that exists now is can I FIND my DVOM.
Feb 13, 2019 at 7:09 PM (Merged)
Avatar
KHLOW2008
  • CERTIFIED EXPERT
  • 41,814 POSTS
Are mist and intermittent speeds working correctly?

The chart shows the procedures for teating the wiper switch.

Go through them and see if you can get anything out of it.

Try whistling and see if the DVOM comes wagging its tail to you, lol.

Feb 13, 2019 at 7:09 PM (Merged)
Avatar
CRAIG6539
  • MEMBER
  • 1 POST
The windshield wipers just come on like they are set on relaid mode. When they are in the off mode. I have tried and have made sure that they are set to off but they still come on and stay on. Thanks Craig
Feb 13, 2019 at 7:09 PM (Merged)
Avatar
WAY2OLD
  • CERTIFIED EXPERT
  • 195 POSTS
Ford had a problem with the multi-function(turn signal)switch that would cause that. it is fairly easily replaced. Check with the local dealer to see if there may be an open recall or at least a TSB for the repair.
Feb 13, 2019 at 7:09 PM (Merged)
Avatar
WTF411
  • MEMBER
  • 4 POSTS
I'm not sure about the mister but the intermittent speed don't work. Only on high speed do the wipers work. I haven't found my DVOM yet. The replacement LCM has been installed. It was a remanufactured unit with a lifetime guarantee. It did not solve my wiper problem but created a new one. Now my head light switch is not working. The headlight come on no matter what position it is in. On automatic they come on. In the off position they come on. Parking lights only position they are on. Ect... The lights do turn off when the ignition is switched off and the switch is in the off position. This LCM was installed at night to I don't know if the daylight will cancel any of this out. By the way do you know anyone interested in a used Crown Vic? Low miles and only minor electrical problems!
Feb 13, 2019 at 7:09 PM (Merged)
Avatar
KHLOW2008
  • CERTIFIED EXPERT
  • 41,814 POSTS
This could mean a bad LCM, reman doesn't mean they are guaranteed quality. Other possible causes are installation, light switch or wiring issues.

Reininstall the original LCM and see what happens and in the meanwhile, either you get a new DVOM or do some spring cleaning to locate it.

Sorry I am in no position and location to assist in recommending a buyer for the vehicle.
Feb 13, 2019 at 7:10 PM (Merged)
Avatar
SPOOKY6999
  • MEMBER
  • 1 POST
windsheild wipers will not turn off. what do I need to replace abd can I do it myself.
Feb 13, 2019 at 7:10 PM (Merged)
Avatar
ASEMASTER6371
  • CERTIFIED EXPERT
  • 52,796 POSTS
check for power when the switch is off at the motor. if there is, the switch is bad, if not, the motor has failed

it is labor intensive, get bids on the labor form shops

Roy
Feb 13, 2019 at 7:10 PM (Merged)
Avatar
SGT TAYLOR
  • MEMBER
  • 3 POSTS
I have a 1997 ford Crown Vic when I turn on the wipers are fine but when I turn them off they stay in the upright position. Any idea what I can do.
Feb 13, 2019 at 7:10 PM (Merged)
Avatar
WAY2OLD
  • CERTIFIED EXPERT
  • 195 POSTS
Usually that is related to the park circuit in the wiper motor. It usually is easier to replace the wiper motor than trying to repair the circuit.
Feb 13, 2019 at 7:10 PM (Merged)
Avatar
SGT TAYLOR
  • MEMBER
  • 3 POSTS
cool thank you so much what is the difficulty range on replacing the motor. i been around a car or 2 under the hood.
Feb 13, 2019 at 7:10 PM (Merged)
Avatar
WAY2OLD
  • CERTIFIED EXPERT
  • 195 POSTS
Not hard. You need to remove the wiper arms, then the plastic wiper cowl which houses the motor. Once you have it out, the wiper motor just unbolts.
Feb 13, 2019 at 7:10 PM (Merged)
Avatar
JOSHUA072194
  • MEMBER
  • 1 POST
My driver side windshield wiper will not cling to the windshield but the passenger side wiper does So I just switched the wiper that was on the passenger side with the wiper that was on the driver side, but it did not fix it. What could be the problem? I am not a car person at all. I do not know anything about cars. I need help to know what the problem(s) might be. thanks in advance.
Feb 13, 2019 at 7:10 PM (Merged)
Avatar
HMAC300
  • CERTIFIED EXPERT
  • 48,601 POSTS
it may have a broken wiper transmission have it checked.
Feb 13, 2019 at 7:10 PM (Merged)
Avatar
STRAILER
  • CERTIFIED EXPERT
  • 53,854 POSTS
Hey Joshua

The wiper arm itself is bad, it sounds like the spring that holds tension on the wiper arm has let go and broken, you will need a new arm.

Best, Ken
Feb 13, 2019 at 7:10 PM (Merged)
Avatar
SSOLARZ
  • MEMBER
  • 1 POST
Last year my wipers would not work when I had the left turn signal on but they were fine otherwise. Niow the wiper will only swipe the windshield 1 time when I turn the switch to on then it stops. Nothing else on the switch will work, no intermittent cycle and no washer fluid will come out. Do I need to replace the motor? It doens't make any noise either.
Feb 13, 2019 at 7:10 PM (Merged)
Avatar
JACOBANDNICKOLAS
  • CERTIFIED EXPERT
  • 110,175 POSTS
Have you checked the switch? Also, with the switch on, check to see if there is power to the motor and let me know what you find.

Joe
Feb 13, 2019 at 7:10 PM (Merged)
Avatar
MAMALIGER
  • MEMBER
  • 1 POST
My windsheild wipers will only work on high speed. Could this be the wiper motor? How hard is this to fix? any info you can give me will be helpful Thank you
Feb 13, 2019 at 7:10 PM (Merged)
Avatar
RASMATAZ
  • CERTIFIED EXPERT
  • 75,992 POSTS
Could be the wiper motor switch or the speed controller
Feb 13, 2019 at 7:10 PM (Merged)
Avatar
ROBERT BILGER
  • MEMBER
  • 1 POST
I got in my car to drive to work and all of sudden my windshield wipers goes on two or three time and then stops and then all of a sudden they would go on again. I check the windshield wiper switch and it was in the off position. Some help please.
Feb 13, 2019 at 7:10 PM (Merged)
Avatar
HMAC300
  • CERTIFIED EXPERT
  • 48,601 POSTS
hve a pro check to see if your circuit board is bad in wiper motor.
Feb 13, 2019 at 7:10 PM (Merged)
Avatar
DRJACKSON84
  • MEMBER
  • 1 POST
I am having a problem with my windshield wipers. My wipers have been coming on by their selves. They just go on and off by them selves. I had to take the fuse out to keep the wipers from running all the time. I have check the multi function switch. I disconnected the multi function switch and the wipers still run on their own. Does anyone have a suggestion to how i can fix this problem?
Feb 13, 2019 at 7:10 PM (Merged)
Avatar
MMPRINCE4000
  • CERTIFIED EXPERT
  • 8,548 POSTS
Look at fuse/relay box in engine compartment for wiper relay. Relay could be sticking.
Feb 13, 2019 at 7:10 PM (Merged)