While driving engine shuts off

1995 PONTIAC GRAND AM
240,000 MILES • 2.3L • 4 CYL • 2WD • AUTOMATIC
Advertisement
Avatar
DANNY L
  • CERTIFIED EXPERT
  • 5,648 POSTS
You're welcome!
We're always here to help. Thanks again for using 2CarPros and we hope you will use our site again in the future when needed.

Danny-
Jun 30, 2021 at 6:22 PM
Avatar
YASIRDAHHAM
  • MEMBER
  • 186 POSTS
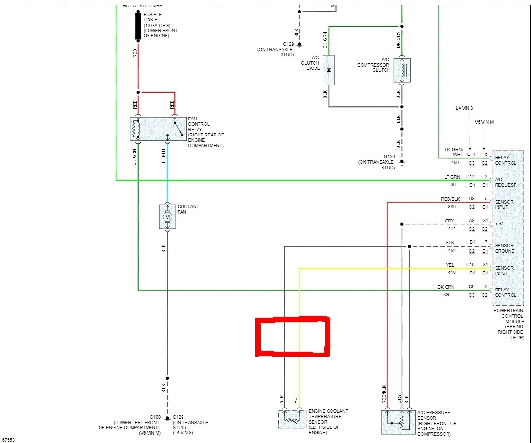
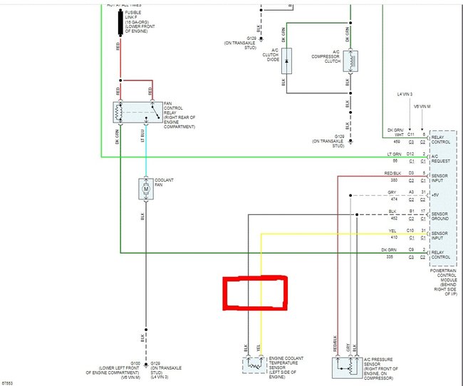
Hi dear Danny L (and Joe too, for relevance), back to basics. In case you remember it, I once inquired about the 2 wires leading to the (Engine Coolant Temperature Sensor), I used a 2-pin connector and attached the available 2 wires colored as ( black and green) since I can't have a look at the sensor . Today I was checking another QUAD4 engine with plenty of access to see the sensor and I found that it has only one pin, the wire attached to its connector was green or dark blue-green may be. This way, I must have incorporated another wire that is irrelevant and this raises a question of( What if the black wire that I have no clue about was the one attached to the sensor's only pin instead of the green one? What could it be causing as it communicates with the ECM? I would have checked but there is no room to take a look. The Engine Coolant Temperature Sender is alright as per connection because it has a connector with 2-wires (black and yellow, just as your schematic diagram showed it- attached here with a red marking), I have no such diagram for the Coolant Temperature Sensor, hence the inquiry.
Jul 11, 2021 at 10:43 AM
Advertisement
Avatar
YASIRDAHHAM
  • MEMBER
  • 186 POSTS
By the way: Is this the (Fusible Link) located in front of the engine lower part? I found it as I was searching for a short circuit within the huge harness in that part of the engine compartment.
Jul 11, 2021 at 10:48 AM
Avatar
JACOBANDNICKOLAS
  • CERTIFIED EXPERT
  • 110,175 POSTS
Hi,

If you are referring to the red wire, yes it is a fusible link. I can't tell for sure from the picture, but it appears it is going to the alternator. Is that correct?

Joe
Jul 11, 2021 at 7:44 PM
Avatar
YASIRDAHHAM
  • MEMBER
  • 186 POSTS
A rather purple (light/pale- 1st attachment here) wire of a thick gauge coming through the main harness touring around the left side of the engine compartment and ending as a terminal in the relay (shown in the second and third attachments here). This relay is located on the front main frame that houses the head lamps and, it has 2 red wires leading to the starter motor solenoid along with other thick red wires coming within the main harness( see 4th attachment here).
What we have in the 1st image is a copper clip either connecting two pieces of this pale purple wire or having a fusible link may be (although your previously-sent schematic diagram says the fusible link is with a red wire), it does not lead to the alternator as you can see. Somehow, I have another loose end wire that is red and thick too (shown in the 5th attachment), it is a (cut off- reaching nothing) wire. I conducted a continuity test for this loose end wire and it came positive with the two thick red wires coming out from the relay shown in the 6th attachment( one of the 4 relays in the rearmost right end of the engine compartment neighboring the Fuel Pump Relay), this is said to be the Fan's relay (I am not sure).
One important question please: How can I trace the purple wire leading to the Oxygen Sensor ? I have 2 purple wires flowing within the thick harness near the ABS unit. Where does the Oxygen Sensor wire reach so that I can check with a continuity test?
Jul 12, 2021 at 5:05 AM
Avatar
JACOBANDNICKOLAS
  • CERTIFIED EXPERT
  • 110,175 POSTS
Hi,

I need to ask a favor. Could you please start a new thread? We try to keep the threads specific to one topic so that it helps others. Copy and paste your questions related to the oxygen sensor wiring to this link.

https://www.2carpros.com/questions/new

I hope you understand. I will watch for your new post.

Take care,

Joe
Jul 12, 2021 at 8:53 PM
Avatar
YASIRDAHHAM
  • MEMBER
  • 186 POSTS
I apologize for the mixing I had done, it was because the technician who replaced my old burnt out Oxygen sensor attached the purple wire of the sensor to a loose wire that I doubt to be meant for the Coolant Temperature Sender. I will follow your instructions towards a new thread with extended apologies.
Jul 13, 2021 at 4:13 AM
Avatar
JACOBANDNICKOLAS
  • CERTIFIED EXPERT
  • 110,175 POSTS
Hi,

No problem whatsoever. You don't need to apologize. You are always welcome here. I truly enjoy helping you.


Take care of yourself.

Joe
Jul 13, 2021 at 7:31 PM
Avatar
DANNY L
  • CERTIFIED EXPERT
  • 5,648 POSTS
Hello again.

As Joe stated you will need to start a new question and be sure to include all current vehicle information. We will be happy to help and include additional wiring diagrams for the oxygen sensor you mentioned.

Here is the new question link:

https://www.2carpros.com/questions/new

Hope this helps and thanks again for using 2CarPros. Will be looking for your new question soon.

Danny-
Jul 13, 2021 at 8:36 PM
Avatar
YASIRDAHHAM
  • MEMBER
  • 186 POSTS
Lots of thanks to you and the rest of folks here. one kind gentleman did send me a diagram that showed an (A12) terminal to check for a continuity test. I am progressing slowly with a heck of a mess with my wiring but with this help from you it is a great achievement.
Jul 13, 2021 at 11:57 PM
Avatar
DANNY L
  • CERTIFIED EXPERT
  • 5,648 POSTS
You're welcome!

Again, start a new question asking for any wiring diagrams you feel are needed for your car. Here again is the new question link:

https://www.2carpros.com/questions/new

Thanks again for using 2CarPros and we will be waiting to respond to your new question when asked.

Danny-
Jul 14, 2021 at 5:55 PM