Idiot lights all flashing sometimes , along with the radio screen?

1999 GMC JIMMY
115,000 MILES • 4.3L • V6
Avatar
TOTALMC
  • MEMBER
  • 117 POSTS
Intermittent electrical issue

Idiot lights all flashing sometimes , along with the radio screen and the little screen in the console that shows temp and direction goes to all ----

They will all light up for a few seconds , and then it goes away .. most of the time without any effect on the way it drives

I cleaned and reattached the 3 ground connections coming off the battery

Alternator putting out 14.5v

Battery fully charged

Not sure where to look next

Thanks for any and all help
Feb 14, 2026 at 1:34 PM
Advertisement
Avatar
STRAILER
  • CERTIFIED EXPERT
  • 53,854 POSTS
The first thing I would do is use a volt meter switch to AC, start the engine and raise the idle, then test at the battery for AC voltage, there should be none. If it shows AC voltage the alternator is bad and needs to be replaced because of a bad diode. This guide can help you

https://www.2carpros.com/articles/how-to-check-a-car-alternator

Please go over this guide and get back to us.
Feb 15, 2026 at 9:38 AM
Avatar
TOTALMC
  • MEMBER
  • 117 POSTS
Ok .. that test is new to me

The AC volts side of my meter only goes down to 200 scale .. will that be accurate enough to read the amount of ac voltage I'm looking for ??

And if the alternator passes the test , what would be my next move ??

Could the ECM be suspect ??
Feb 15, 2026 at 9:52 AM
Advertisement
Avatar
STRAILER
  • CERTIFIED EXPERT
  • 53,854 POSTS
I don't think the ECM with cause this, more like the cluster is going bad, but can you tell me if the screen is LED in both cases? Yes that setting should work to test for AC voltage.
Feb 16, 2026 at 8:28 AM
Avatar
TOTALMC
  • MEMBER
  • 117 POSTS
Replaced ground cable just to play it safe

Tested alternator again .. 15.25v DC , which I thought was a little high , but within acceptable range

Switched meter to AC , and had 33v showing .. so you may have hit the nail right on the head with that one

Will be replacing alternator tomorrow , and hopefully reporting back good news
Feb 19, 2026 at 3:52 PM
Avatar
CARADIODOC
  • CERTIFIED EXPERT
  • 34,306 POSTS
Hi guys. You can also just unplug the smaller connector on the side / rear of the housing, then go for a short test drive. If the symptoms are gone, that also points to a defective diode. A word of warning though. Since the '87 model year, GM's redesigned generators develop a real lot of harmful voltage spikes that can damage the generator's internal diodes, internal voltage regulator, and interfere with computer sensor signals. The main component that absorbs those voltage spikes is the battery. It is common to go through four to six replacement generators in the life of the vehicle. To reduce the number of repeat failures, replace the battery at the same time, unless it is less than about two years old. It can still work fine in an '86 or older model.
Feb 19, 2026 at 5:16 PM
Avatar
TOTALMC
  • MEMBER
  • 117 POSTS
Just installed new alternator

Electrical issue seems to have disappeared

Charging at about 14.5v DC , just what I want to see

I am still seeing 30v AC with the new alternator , but I'm not seeing the dash light up like before .. so not sure what's up with that

Feb 20, 2026 at 11:33 AM
Avatar
TOTALMC
  • MEMBER
  • 117 POSTS
After sitting a few hours , second test drive showing the same electrical issues as before

Seeing the new alternator failed the AC voltage test , am I to suspect it's no good ??
Feb 20, 2026 at 3:48 PM
Avatar
CARADIODOC
  • CERTIFIED EXPERT
  • 34,306 POSTS
I don't mean to take over this conversation, but I can add a few comments of value. Everything you've said regarding charging voltages is correct. We like to see between 13.75 and 14.75 volts, (depending on which textbook you read), but the low 15s is okay, especially when starting to recharge a run-down battery.

My biggest concern is with the AC voltage test. Without going into a lot of boring theory, your voltage regulator works by switching the field winding fully-on and fully-off roughly 400 times per second. It varies the percentage of on-time to off-time to adjust the average strength of the electromagnetic field to adjust average output voltage and current. Abruptly switching current off through a coil sets up a huge voltage spike from the rapidly collapsing magnetic field. That is highly desirable and necessary in an ignition coil, but even in a small relay, their coils can develop as much as a damaging 300-volt spike if it isn't shorted out with a diode

At its maximum output, the field coil only passes three amps of current, but even that normally requires a rather beefy switching transistor. By using this "switch mode" or "switching" power supply, a very tiny transistor can handle the job. On "DC Volts", your meter will read the average charging voltage while it filters out any AC voltage that would affect the reading. On "AC Volts", there are a number of problems with this test. First, it will respond to those voltage spikes and show an abnormally high reading if the battery is not damping and absorbing those spikes. Lead flakes off the plates in all batteries over time. What remains becomes less and less until there isn't much capacity for the battery to absorb those spikes or crank the engine. The manufacturers know this can't be avoided, and they provide warranties as long as possible to cover that. The spike-damping ability goes away long before the battery is unable to start the engine. That's why we always recommend replacing it when the generator has to be replaced on an '87 or newer GM vehicle.

The other concern has to do with the limitations of digital voltmeters. The "AC Volt" ranges are only accurate at 60 hertz, (house current). Some special meters are accurate up to 400 hertz for military use. AC generators, aka "alternator", typically have twelve output coils around the stationary "stator" winding, and there's three of those groups because these are always three-phase output. Then, those output currents are "rectified" turning AC into pulsing DC, so there's twice as many pulses. That comes out to 72 voltage pulses per revolution. Crankshaft pullies are roughly four times the diameter as a generator pulley, so you'll get, uhm, . . . math, . . . 288 pulses per crankshaft revolution, but they idle at around 800 rpm, so now we're up to 230,400 hertz if I did that right. That's a long way from 60 hertz, so while the meter will show something, it won't be accurate. I suspect what you're finding is more a result of the normal switching action of the voltage regulator. I know there's something wrong with my math because when there's excessive ripple and you can hear it on AM radio, it's in a range we can hear, which is up to only 20,000 hertz. That's still well above 60 hertz.

There's two things you can do next. One is to unplug that smaller connector from the generator and see if the symptoms clear up. Even easier is to observe if there's symptoms with the ignition switch on but engine not running.

Did you figure out the age of the battery? If it's old, consider connecting another one with jumper cables. If the symptoms clear up with that extra capacity, replace the battery.

The better way to test the system is with a professional load tester. You've already done the first test correctly by measuring charging voltage, but passing that test only means it is okay to continue with the rest of the tests. This AC voltage test Ken had you do is just a preliminary step. Professional testers measure this accurately. It's called the "ripple voltage" test. I put this sad drawing together to explain a different problem, but it works here too. On top it shows the rectified output from the three phases. Ripple voltage is the difference between the highest and lowest voltages, in this case, half a volt. It is very easy for the battery to smooth that out.

A somewhat common failure is for one of the six diodes to be defective, in which case you lose one phase. That would look like the lower drawing. Here, ripple voltage is 5.2 volts. Even good batteries will have a hard time cleaning that up. A common symptom is that is heard as an annoying whine on AM radio that changes pitch with changes in engine speed. Additionally, with one failed diode, you lose exactly two thirds of the generators maximum output. A common unit today is a 100-amp generator. With one bad diode, all you'll be able to get under the "full-load output current" test is roughly 33 amps. That's not enough to run the electrical system under all conditions. The battery has to make up the difference as it slowly runs down over days or weeks. In some cases an obscure additional symptom is charging voltage can be a little high as the regulator responds to those dips in output voltage and tries to bump it up.

The next concern has to do with digital instrument clusters. If your vehicle has that, there will be an additional wire in the four-wire plug on the generator. Normally system voltage is monitored right at the output stud on the back of the generator. Minor fluctuations that result in other places are insignificant. However, digital dashes are extremely intolerant of unstable voltage, so the voltage regulator monitors it right there where it's most critical. This is where if you unplug the smaller plug on the generator, only the battery powers the dash and that is very stable.

What this all boils down to is that professional test on the charging system. It only takes a few seconds; less time than it takes to connect the tester's cables. It will measure the charging voltage, like you already did, maximum output current, and ripple voltage. Output current will be close to correct and ripple voltage will be "low" if all six diodes are okay. High ripple voltage with only one third of expected output current indicates a failed diode. It's not practical to try to replace parts on this design. Replace the generator instead. If the generator can develop the full current it's designed for, the diodes are okay, but if ripple voltage is still "high", suspect the battery.

Be aware too there are a few tester models that can make paper printouts of the results. These will list ripple voltage as an actual voltage. (I don't know what "normal" would be). Most testers just show ripple voltage as "low" or "high" with a series of flashing lights. The results have to be written on the repair order by the mechanic. This is the best way to test generators. The least-preferred way is on a test bench. Those don't include an aged battery, and the electric motors that drive the generators aren't strong enough to get them to reach their full potential.

I'll go back to waiting to learn the solution. I hope you come back with some good news.
Feb 20, 2026 at 7:00 PM
Avatar
TOTALMC
  • MEMBER
  • 117 POSTS
I guess the battery is almost 2 years old
Feb 20, 2026 at 7:11 PM
Avatar
TOTALMC
  • MEMBER
  • 117 POSTS
Should I tune the radio to an AM station and listen for a whine ??
Feb 20, 2026 at 7:17 PM
Avatar
TOTALMC
  • MEMBER
  • 117 POSTS
The dash is analog , regular gauges

The overhead console that shows time and compass is digital , and when symptoms occur it goes to all -----

the radio and radio display goes out at same time

Side note - when I took it for a 10 minute drive without issues , radio was off .. when customer drove it later with radio on , symptoms were almost immediate - possibly a clue , or just coincidence ??

Thanks once again for any and all ideas



Feb 21, 2026 at 8:28 AM
Avatar
STRAILER
  • CERTIFIED EXPERT
  • 53,854 POSTS
That, is a good clue, nice explanation CARADIODOC, :) there are two fuses that share these electronics, I would make sure they are not loose in the fuse panel, here they are in the images below. Let us know what you find.
Feb 21, 2026 at 10:16 AM
Avatar
TOTALMC
  • MEMBER
  • 117 POSTS
Fuses seem fine

Sometimes it's just the dash acting up , ABS / brake / security / check gauges/ battery / lighting up for a few seconds , along with odometer is going blank

Other times it also affects the overhead console , the display disappears

And sometimes all of that plus the radio display disappears

Very intermittent , cannot duplicate any condition to make it happen
Feb 21, 2026 at 1:53 PM
Avatar
TOTALMC
  • MEMBER
  • 117 POSTS
Gauges themselves unaffected , just idiot lights

Seems when the lights do come on the wipers do not work
Feb 21, 2026 at 2:15 PM
Avatar
TOTALMC
  • MEMBER
  • 117 POSTS
Customer also states sometimes windshield wipers would not turn off , would have to turn off the vehicle to get them to stop .. also climate controls would sometimes act up , as in defroster panel light coming on

Also when everything's acting up windows will not work
Feb 21, 2026 at 2:21 PM
Avatar
CARADIODOC
  • CERTIFIED EXPERT
  • 34,306 POSTS
To add another thought for you guys to consider, everything listed seems to have a computer module involved. Computers are very intolerant of unstable or low voltage. They can start to do weird and unexpected things. A different approach might be to use a scanner with graphing capabilities, pick one computer, and watch various things it is seeing and reacting to. For example, for the instrument cluster, look at the supply voltages, and look down the list for anything that is changing rapidly. Computer modules usually have at least two 12-volt supplies, one to keep its memory alive, and one to turn it on with the ignition switch. Voltage readings on scanners tend to be delayed a little, and brief changes don't show up, or they come and go too fast to see. Graphing those things can make those tiny dropouts easy to spot.

We know something has to be changing. It's also possible nothing is affecting the instrument cluster if the gauges are okay. The multiple warning lights could just be the result of what the other computers are reporting to the cluster and their warning lights.

Everything listed may have computers that share a common ground on the firewall or side kick panel. Often multiple grounds from many computers run into a single eyelet terminal bolted to the body sheet metal. If that terminal is loose or rusty, current from one computer can back-feed into the others. Symptoms will change depending on how much current is trying to get through that high resistance. That can explain why symptoms clear up when one computer, such as the radio, is turned off.

If the voltage supply or ground is less than perfect, every affected computer is going to have a slightly different voltage at which its performance is affected, so they can act up at different times. Typically, a clue would be one of them, let's say the wipers, (Body Computer), always acts up only after the climate control acts up.

If the battery is only two years old, I wouldn't overlook it, but I suspect it is not causing the issue. I was going to describe how to use an oscilloscope to look for voltage spikes coming out of the generator, but it would be easier to unplug the four-wire connector while the symptoms were occurring, or to observe if the symptoms act up with the engine not running.

See if any of those thoughts give you some new ideas.
Feb 21, 2026 at 5:51 PM
Avatar
TOTALMC
  • MEMBER
  • 117 POSTS
Replaced battery this afternoon , alternator day before , and the ground cable day before that .. so I know the grounds to the engine block , radiator core support and passenger frame rail are all good

Having trouble reaching and finding the firewall ground from the passenger side head .. I even stuck my inspection camera down there and can see the bolt but it doesn't look like it's going to the head , disappears somewhere near the exhaust pipe and was unable to locate it from underneath

The issue with the idiot lights flashing and other stuff not working is very intermittent , and does not happen the same way each time .. sometimes you can drive it for 10 minutes and they won't come on once , other times they'll come on for a few seconds a few times a minute , but sometimes just three lights and sometimes all six , sometimes the overhead console will also black out along with the radio , and other times it's just the idiot lights .. so there's no rhyme or reason , and no way to successfully duplicate any of the problems
Feb 21, 2026 at 7:46 PM
Avatar
TOTALMC
  • MEMBER
  • 117 POSTS
.. which is making disconnecting any component to see if it solves it very difficult
Feb 21, 2026 at 7:47 PM
Avatar
TOTALMC
  • MEMBER
  • 117 POSTS
I can graph ECU voltage through live data on my scanner , but that's all I can monitor
Feb 21, 2026 at 7:48 PM
Avatar
STRAILER
  • CERTIFIED EXPERT
  • 53,854 POSTS
I would remove the BCM electrical connector and check it for corrosion. Let me know what you find.
Feb 23, 2026 at 7:26 AM
Avatar
TOTALMC
  • MEMBER
  • 117 POSTS
I have unplugged and checked the connections to the computer .. everything looks brand new and spotless

I'm in Vegas , so corrosion is rarely an issue in the desert Southwest

I may have a clue to a connection possibly being loose .. can sometimes duplicate the electrical glitch by rapidly pressing the brake pedal while at a stop , causing the truck to lurch , but even the violent bucking will only cause the dash lights to come on maybe 20% of the time or less , and like always they're off within a few seconds

Seeing I'm unable to narrow down the issue , I can't even determine if it's safe to drive the vehicle or not without risking more damage
Feb 23, 2026 at 9:36 AM
Avatar
TOTALMC
  • MEMBER
  • 117 POSTS
I previously inspected the connections to the computer , and all looked shiny and new .. I'm in Vegas , so it's very rare to see any type of corrosion

Feb 23, 2026 at 4:23 PM
Avatar
TOTALMC
  • MEMBER
  • 117 POSTS
I'm not sure if I should tell my customer she can even drive her truck , without possibly doing more damage

Feb 23, 2026 at 4:24 PM
Avatar
STRAILER
  • CERTIFIED EXPERT
  • 53,854 POSTS
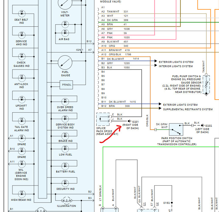
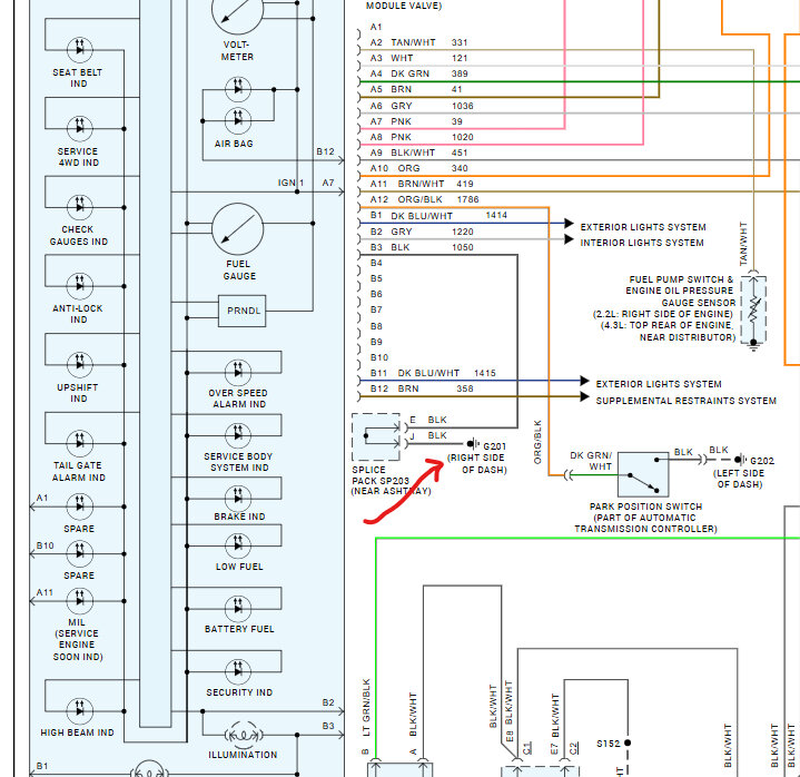
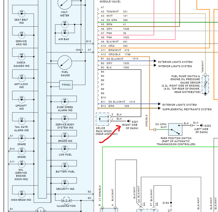
Yep, good call. Between the cluster and the radio the BCM is the only thing that ties them together besides the grounds. So this would be the next place to check. Ground G201 on the right side of the dash. Check out the images (below). Please let us know what happens.
Feb 24, 2026 at 8:56 AM
Avatar
TOTALMC
  • MEMBER
  • 117 POSTS
I looked everywhere for the g201 ground , but was unable to find it .. I removed both lower dash panels - not sure if the instrument cluster has to be removed to gain access or not , or if I have to disassemble the duct work behind the center console



This is the best image I could find for location , but it still didn't help



Feb 27, 2026 at 5:47 PM
Avatar
STRAILER
  • CERTIFIED EXPERT
  • 53,854 POSTS
The ground location will be at the right side of the dash near the dash mount to the inside of the car near the glove box. Or you can test the ground from the cluster or radio.
Feb 28, 2026 at 9:39 AM
Avatar
TOTALMC
  • MEMBER
  • 117 POSTS
Would that be between the glove box and the door , or the glove box and the center of the dash .. and will the evaporator be blocking my access ??

Thanks
Feb 28, 2026 at 4:58 PM
Avatar
STRAILER
  • CERTIFIED EXPERT
  • 53,854 POSTS
Hmm good question, usually the ground are near the dash mount bolt on the door sill. They don't show actually say where. But you can test from the cluster and radio directly if you can find the ground location.
Mar 1, 2026 at 11:03 AM
Avatar
TOTALMC
  • MEMBER
  • 117 POSTS
I need to get hands on the ground location .. the electrical problem is very intermittent , and when everything drops out it's only for a few seconds , and then right back on

So you could test everything and it would show good , because as the truck sits there running nothing goes wrong - only shows up intermittently while driving
Mar 1, 2026 at 3:07 PM
Avatar
TOTALMC
  • MEMBER
  • 117 POSTS
I might give it one more shot before having to give up
Mar 1, 2026 at 3:07 PM
Avatar
STRAILER
  • CERTIFIED EXPERT
  • 53,854 POSTS
Yep, give it a try, also with the car running you should try moving the wiring harness around to see if that affects the screens.
Mar 2, 2026 at 8:37 AM
Avatar
STRAILER
  • CERTIFIED EXPERT
  • 53,854 POSTS
I have a feeling the dash cluster might be shorting out causing the issue, have you tried a different cluster?
Mar 2, 2026 at 8:39 AM
Avatar
TOTALMC
  • MEMBER
  • 117 POSTS
Have not touched the dash cluster .. I believe column has to be dropped , airbag disconnected , and possibly dash cap removed to gain access - and was really trying to avoid all that

I will try moving stuff around with the vehicle running , haven't thought of that
Mar 2, 2026 at 9:21 AM
Avatar
STRAILER
  • CERTIFIED EXPERT
  • 53,854 POSTS
Yep, this will help us see if the wiring is causing it, but the cluster shorting can do this as well.
Mar 3, 2026 at 9:14 AM
Avatar
TOTALMC
  • MEMBER
  • 117 POSTS
UPDATE

Removed lower dash panels , one side to the other .. proceeded to reach up and wiggled all wiring harnesses , could not duplicate issue

Also could not find anywhere ground 201 , even stuck my inspection camera and to all the little spaces and nothing .. nowhere near the ashtray on either side , and the factory diagrams I've looked at seems to place it somewhere behind the instrument cluster

Odometer screen is now blank , but will come back on with removal of the #4 instrument cluster fuse on side driver dash , but of course nothing else on the dash will work without the fuse , which the legend states also powers BCM , along with a few other fuses that the circuits are controlled by the BCM

I performed a OEM enhanced scan and found 21 codes , some of which began with a U which are related to the BCM .. I figured they were from driving the vehicle without the #4 / #7 fuses and erase them , which resulted in my scanner saying erase successful - but then showing 41 codes , none of which began with U , mostly every powertrain code there is , none of which would show up on a regular OBD scan , which I completely don't understand

Truck now seems to be glitching more than ever , and having a negative effect on driving

I'm getting more and more confused with every step I take , any ideas or suggestions would be greatly appreciated
Mar 7, 2026 at 8:57 AM
Avatar
STRAILER
  • CERTIFIED EXPERT
  • 53,854 POSTS
Yep, the cluster holds the odometer logic, I would pull the cluster and check the ground there. If is is okay swap out the cluster again, and then the BCM next.
Mar 7, 2026 at 11:29 AM
Avatar
TOTALMC
  • MEMBER
  • 117 POSTS
Customer has been looking up lots of videos and stuff on her own .. she found one today that said check the TBC fuse under hood , and replace it even if it looks good

It's another fuse that's linked to the BCM

She tried that , and says all of the problems went away - even the CEL that was on went off after a short drive

Fingers crossed it was as simple as a fix like that .. after I've spent 8 hours trying to chase down bad wiring

Mar 7, 2026 at 6:31 PM
Avatar
STRAILER
  • CERTIFIED EXPERT
  • 53,854 POSTS
Yep, a bad fuse ill cause this issue. Glad you got it fixed and let me know. Ken
Mar 8, 2026 at 8:32 AM
Avatar
TOTALMC
  • MEMBER
  • 117 POSTS
From what I'm told , that fuse is a common issue among 99 - 06 GM

.. and the fuse will look fine , but somehow a replacement provides to fix
Mar 8, 2026 at 10:00 AM
Avatar
STRAILER
  • CERTIFIED EXPERT
  • 53,854 POSTS
Yep, this is way I do the test with a test light :)

https://www.2carpros.com/articles/how-to-check-a-car-fuse

That way we know for sure, we are here to help, please use 2CarPros anytime.
Mar 9, 2026 at 7:14 AM