Transmission wont shift, speedometer not working

1999 DODGE CARAVAN
Avatar
MLINKA
  • MEMBER
  • 1 POST
217000 km. After starting my van, spedometer stopped working, and my transmission is stuck in 2nd gear, my service light came on. (I read that this is a LIMP mode).
I took out the speed sensors, and on one with a magnet on the end were metal shards, so i cleaned that and hopping that this will solve the problem, but nothing happened. I tried to get a code and it shows code 23 (intake air temp. sensor voltage low or high) and 55 (should be end of the codes), but as far as I know my engine doesn't have intake air temperature sensor. (3.0L V6 Crysler). I did a instrumentation diagnostic (test) and all gauges all working, the speedometer also. My engine oil is still red. Im still stuck in LIMP mode.
Help please.
Aug 15, 2009 at 12:05 PM
Advertisement
Avatar
DOCFIXIT
  • CERTIFIED EXPERT
  • 18,828 POSTS
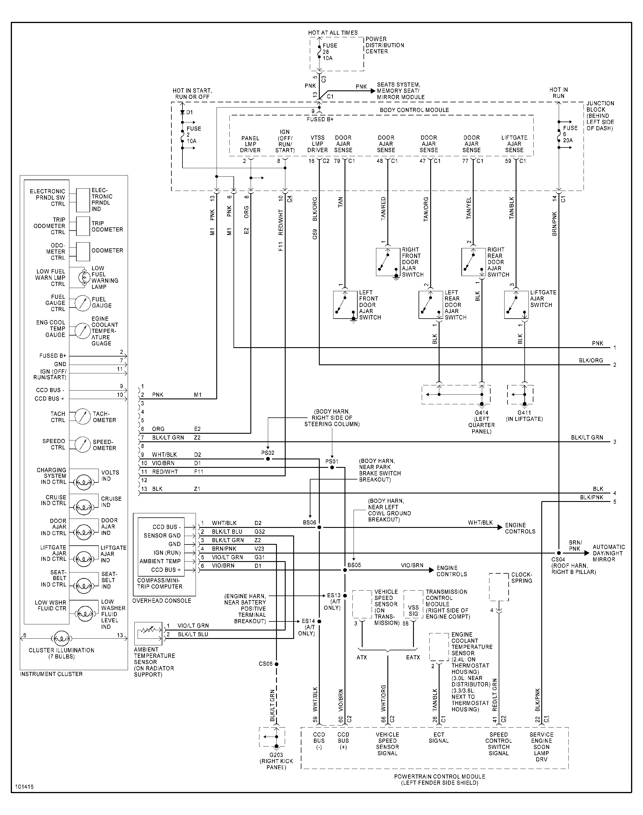
Hi Trans has two speed sensors input and output. see figure Faulty output will take out speedo and put trans in limp-in mode. Your van has OBDII go to an Auto Zone have codes read. then post will advise. Hope this helps Thanks for donate


https://www.2carpros.com/forum/automotive_pictures/198357_Graphic_71.jpg

Aug 16, 2009 at 2:51 PM
Avatar
APLATSON
  • MEMBER
  • 1 POST
1999 Dodge Caravan Automatic

I recently replaced the speed sensor on my 1999 Dodge Caravan due to the speedometer malfunctioning and the transmission acting up, and ever since I have been having problems. The van won't start, the speedometer doesn't work, and there is a buzzing that doesn't stop unless the battery is disconnected. Any idea what I should do now? Any help would be greatly appreciated.
Aug 29, 2019 at 2:12 PM (Merged)
Advertisement
Avatar
BMRFIXIT
  • CERTIFIED EXPERT
  • 19,053 POSTS
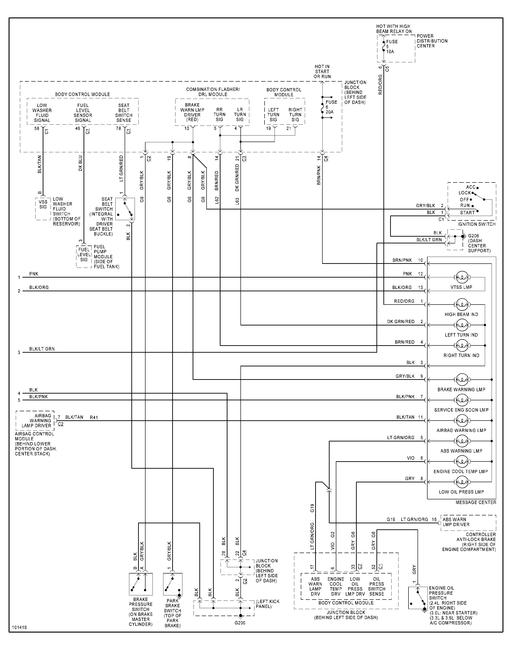
Replace the two sensors check wiring and ground wire


https://www.2carpros.com/forum/automotive_pictures/99387_Graphic1_149.jpg

Aug 29, 2019 at 2:12 PM (Merged)
Avatar
JPK1291
  • MEMBER
  • 7 POSTS
My 99 caravan with the 4 speed auto trans just had the speedo stop working and the trans won't shift out of low. I don't see any obvious line breaks or loose connections. What sensor might affect this and where would it be?
Aug 29, 2019 at 2:12 PM (Merged)
Avatar
ZACKMAN
  • CERTIFIED EXPERT
  • 4,202 POSTS
Replace your input and output speed sensors, located on top of the transmission. Both should cost you around $40.
Aug 29, 2019 at 2:12 PM (Merged)
Avatar
JPK1291
  • MEMBER
  • 7 POSTS
SOLVED
Replaced the output sensor ($28 OEM) and works fine now.
Thanks for help!!!
Aug 29, 2019 at 2:12 PM (Merged)
Avatar
RSBONTRAGER74
  • MEMBER
  • 1 POST
My Speedometer stopped working. How do I repair it without a costly garage bill
Aug 29, 2019 at 2:12 PM (Merged)
Avatar
BMRFIXIT
  • CERTIFIED EXPERT
  • 19,053 POSTS
Suspect speed sensor you have two replace them both Good luck


https://www.2carpros.com/forum/automotive_pictures/99387_Graphic9_35.jpg

Aug 29, 2019 at 2:12 PM (Merged)
Avatar
KENNETH JAMES SR
  • MEMBER
  • 4 POSTS
On my dash the speedometer and tachometer do not work. I am unable to get any of the gauges to move while driving. Can you help?
Aug 29, 2019 at 2:12 PM (Merged)
Avatar
HMAC300
  • CERTIFIED EXPERT
  • 48,601 POSTS
it can be a couple of things, if dash was removed then it may have lost programming for your van so it will not work or the dash is bad and needs rebuilding. have a mechanic check. Also, check fuses in car. if rebuilt a mechanic will have to reprogram it to your vehicle.
Aug 29, 2019 at 2:12 PM (Merged)
Avatar
KENNETH JAMES SR
  • MEMBER
  • 4 POSTS
Thank you.
Aug 29, 2019 at 2:12 PM (Merged)
Avatar
STRAILER
  • CERTIFIED EXPERT
  • 53,855 POSTS
Try unplugging the cluster and plugging it back in again this should correct any bad connections at the cluster.

Please let us know what happens, we are interested to see what it is.

Cheers, Ken
Aug 29, 2019 at 2:12 PM (Merged)
Avatar
LADYLUCK7301
  • MEMBER
  • 1 POST
I have a 1998 Dodge Caravan and my son attempted to install a stereo and now my Speedometer and other gauges on the dashboard aren't working. Can you please tell me what I should check to fix this?
Aug 29, 2019 at 2:12 PM (Merged)
Avatar
CARADIODOC
  • CERTIFIED EXPERT
  • 34,306 POSTS
There is no ground wire in the van's original harness. Often people will measure the resistance in search of a ground and mistakenly find the dash light or running light wires. Unplug the new radio, then check for a blown fuse.

For what it's worth, I work on a lot of original equipment radios, and there is nothing higher quality than the Chrysler cd / cassette combo radio.
Aug 29, 2019 at 2:12 PM (Merged)
Avatar
KENNETH JAMES SR
  • MEMBER
  • 4 POSTS
Tried everything you said and took the unit out to examine the soldering on the back of the board. Saw a couple of joints that needed repairing but that didn't fix the problem. The only other thing I can do is order a new one or go to the junk yard and pull one.
Aug 29, 2019 at 2:12 PM (Merged)
Avatar
HMAC300
  • CERTIFIED EXPERT
  • 48,601 POSTS
it will meed to be programmed yo your cat by a mechanic no matter ifnew rebuilt or a junkyard
Aug 29, 2019 at 2:12 PM (Merged)
Avatar
KENNETH JAMES SR
  • MEMBER
  • 4 POSTS
Sorry it took so long but I took the board out once more and gave it a good look around. The soldering look good but when I look at the components I found several components that look burnt. The resistors from R11, R34, R38, R36, R40 and JP9 are burnt on both ends. Now I can make out the values of the resistors but the JP9 I have no ideal the value it has just one black band around the center. I'm researching that now, if you have an ideal what I'm talking about please reply if that would solve the problem and the value of that jumper. Thank You
Aug 29, 2019 at 2:12 PM (Merged)
Avatar
GWSHELL819
  • MEMBER
  • 2 POSTS
Please help dont need another ticket. Doesn't read speed until about 20 mph. Self chech showed no reading in 1. 2 moved to 50. 3 went back to zero. I just resoldered cluster because gauges weren't working. Bad solder points on back fixed but now speedo doesn't work correct. Did solder something I shouldn't have or do I need to check for more. Any pictures of cluster soldering properly ?
Aug 29, 2019 at 2:12 PM (Merged)
Avatar
CJ MEDEVAC
  • CERTIFIED EXPERT
  • 11,004 POSTS

Sounds like mr. Cluster has had it!

I just looked on ebay for you......i saw 5 right off of the bat.....ranging from $54 to $150

I did not know the "specifics" of your van so i couldn't get closer

The medic
Aug 29, 2019 at 2:12 PM (Merged)
Avatar
HMAC300
  • CERTIFIED EXPERT
  • 48,601 POSTS
they can rebuild the dash for around $150-175 then it will need reprogramming by a mechanic
Aug 29, 2019 at 2:12 PM (Merged)
Avatar
GWSHELL819
  • MEMBER
  • 2 POSTS
Thank you much but im Trying to fix this one. It worked fine until I tried fixing the bad solder. Short on money just need a diagram to figure out what I did wrong or still need to do.
Aug 29, 2019 at 2:12 PM (Merged)
Avatar
CJ MEDEVAC
  • CERTIFIED EXPERT
  • 11,004 POSTS


I fear you may have heat damaged some sorta cyber device in it

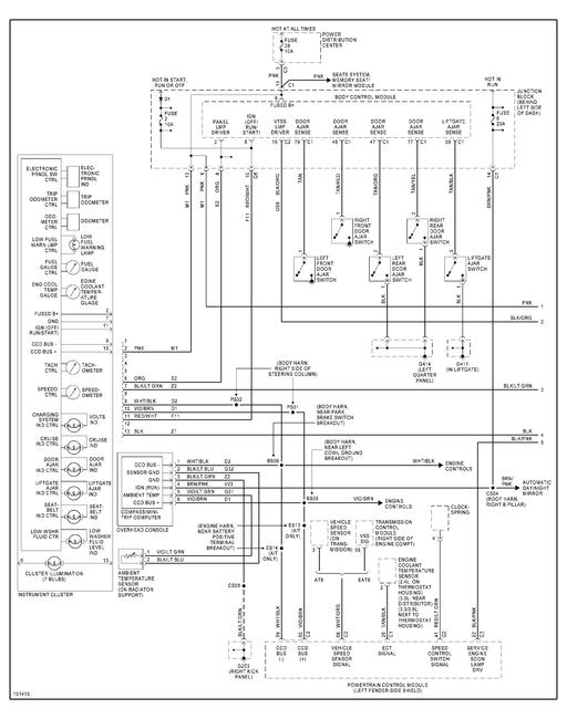
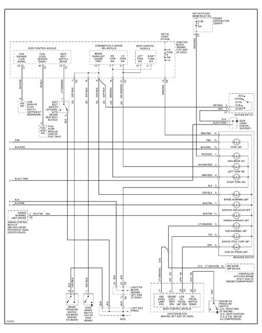
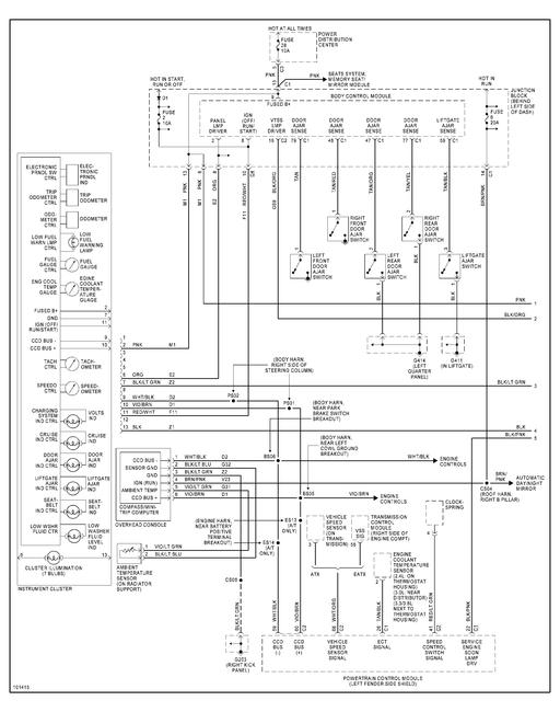
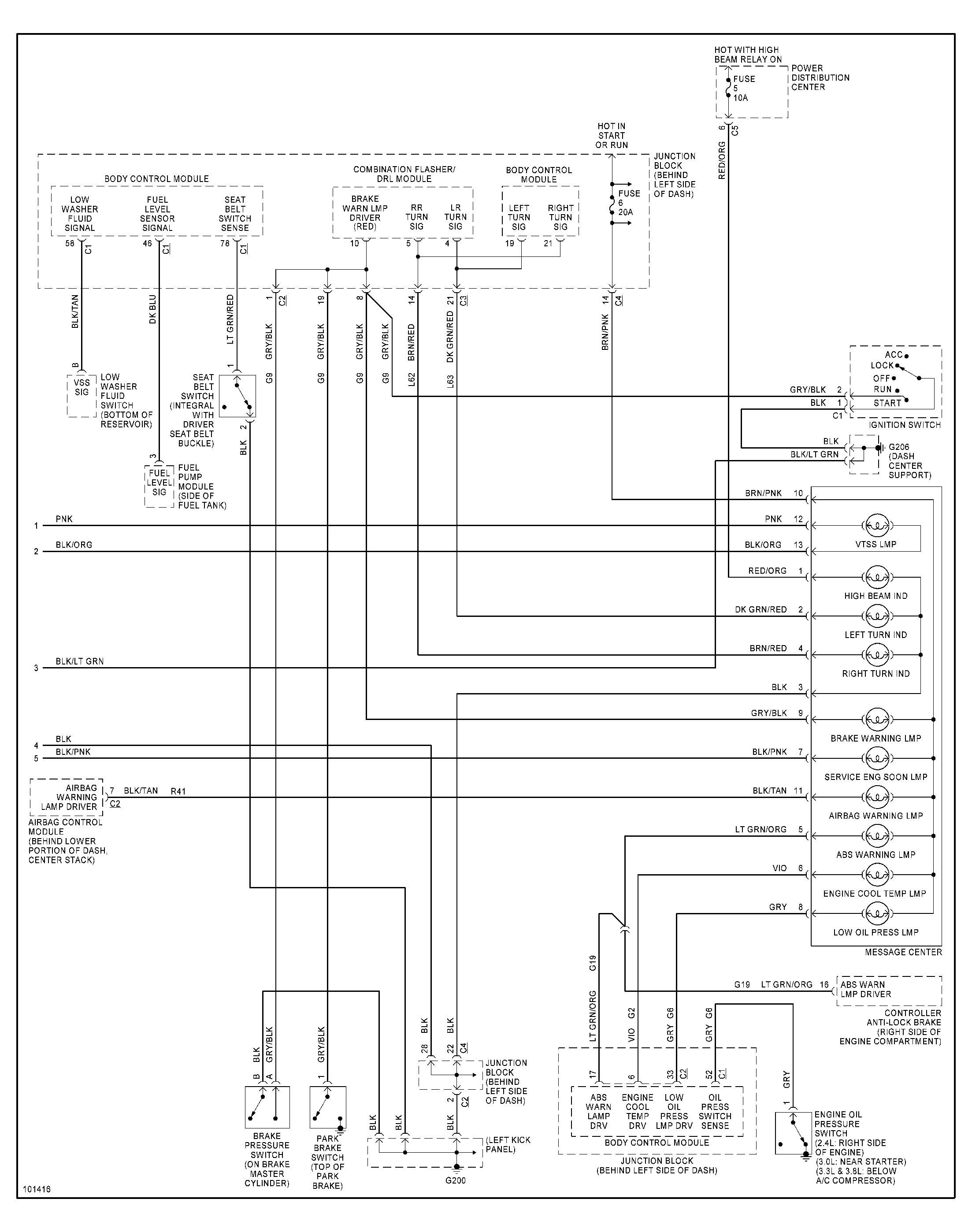
There were 2 other choices on "caravan" in "mitchell i"......not to mention the grand caravan stuff..........engine size did not enter in with my search

................i picked plain jane "caravan" when i grabbed you these diagrams

This is "instruments 1 of 2" and also "instruments 2 of 2"

Good luck, lemme know how it goes

The medic
Aug 29, 2019 at 2:13 PM (Merged)
Avatar
MAXIMILIAM
  • CERTIFIED EXPERT
  • 436 POSTS
Thank you for the diagram it should help. Any place I could find a picture of the instrument cluster board ? (Actual picture. ) that would be most helpful. Thank you again.
Aug 29, 2019 at 2:13 PM (Merged)
Avatar
TFERGIE35
  • MEMBER
  • 3 POSTS
I just bought this can not even a week ago the only thing wrong with it is the gas gauge and speedometer and stuff on the dash don't work. The lights do but the gauges don't. What could that be? I've been told by multiple people its an easy fix it's a relay sensor or fuse? What do you think? And what would the cost run me?
Aug 29, 2019 at 2:13 PM (Merged)
Avatar
HMAC300
  • CERTIFIED EXPERT
  • 48,601 POSTS
check fuses in car for this first then have a pro check for a bad dash as they are digital and go bad. they can be rebuilt prices vary all over.
Aug 29, 2019 at 2:13 PM (Merged)
Avatar
TFERGIE35
  • MEMBER
  • 3 POSTS
The dash lights work and everything else just all the gauges don't.
Aug 29, 2019 at 2:13 PM (Merged)
Avatar
HMAC300
  • CERTIFIED EXPERT
  • 48,601 POSTS
do what I replied the dashes go bad
Aug 29, 2019 at 2:13 PM (Merged)
Avatar
DEBRA DETLEFSEN
  • MEMBER
  • 3 POSTS
It's not shifting and the speedometer is not working
Aug 29, 2019 at 2:13 PM (Merged)
Avatar
WRENCHTECH
  • CERTIFIED EXPERT
  • 20,761 POSTS
It's on the side of the transaxle

Aug 29, 2019 at 2:13 PM (Merged)
Avatar
TFERGIE35
  • MEMBER
  • 3 POSTS
okay thank you. I found where the relays are located but I'm not to positive as to where the fuse box is.
Aug 29, 2019 at 2:13 PM (Merged)
Avatar
DEBRA DETLEFSEN
  • MEMBER
  • 3 POSTS
THANK YOU VERY MUCH
Aug 29, 2019 at 2:13 PM (Merged)
Avatar
HMAC300
  • CERTIFIED EXPERT
  • 48,601 POSTS
it's near the parking bake pedal and it's fuse 1
Aug 29, 2019 at 2:13 PM (Merged)
Avatar
CARADIODOC
  • CERTIFIED EXPERT
  • 34,306 POSTS
The three speed isn't computer-controlled. If it isn't shifting, check the fluid level first.

If you have a circle around the "D" on the shift indicator, you have the four-speed computer-controlled transmission. That one uses two speed sensors. Both have to work for the entire system to work. For a clue, if it starts out in second gear right away and stays there as soon as you start the engine and shift into drive, it's an electronic problem, but usually not a sensor problem. If it clunks into second gear as soon as you start to move, suspect a sensor isn't generating a signal.
Aug 29, 2019 at 2:13 PM (Merged)
Avatar
JCHAPMAN15
  • MEMBER
  • 1 POST
1998 grand caravan, 3.3 engine, 80,000 miles. my speedometer worked intermittently and now does not work at all. also the tach does not work. the fuel guage and the water temp guage still work. also the odometer still works. i have replaced the circuit board behind the guages. i have checked the ignition switch, and have replaced the control module with a used one. any ideas would be appreciated. the wife is ready to junk the van.
Aug 29, 2019 at 2:13 PM (Merged)
Avatar
RASMATAZ
  • CERTIFIED EXPERT
  • 75,992 POSTS
[quote:e747108c3f="jchapman15"]1998 grand caravan, 3.3 engine, 80,000 miles. my speedometer worked intermittently and now does not work at all. also the tach does not work. the fuel guage and the water temp guage still work. also the odometer still works. i have replaced the circuit board behind the guages. i have checked the ignition switch, and have replaced the control module with a used one. any ideas would be appreciated. the wife is ready to junk the van.[/quote:e747108c3f]

Could be the vehicle speed sensor at the tranny or speedometer head-transmission control module.
Aug 29, 2019 at 2:13 PM (Merged)
Avatar
TDFABER
  • MEMBER
  • 2 POSTS
I have a 1997 Chrysler T&C (3.3 engine) with 180,000 miles that has the same symptoms. This van has had wierd things happen with the instrument panel in the past, but disconnecting the battery for 5 minutes usually brought everything back.

When my mechanic plugged in his diagnostic tool, he could get a RPM and Speed reading, but the needles are fixed at 0 RPM and 120 MPH. All other guages work. The local dealer said it is most likely in the instrument cluster. A new one is about $400. He thought that I could most likely get one from a junk yard for about $50.
Aug 29, 2019 at 2:13 PM (Merged)
Avatar
CARAVAN97
  • MEMBER
  • 3 POSTS
Hi I was driving on cruise control at 70 mph, the cruise control speed up and down speed up and down for few minuts after that the speedometer went to zero and i lost most of the power no more than 40 or so mph,no power to go up hill the millage not going up the door lock doesn't work on forward but work on revers i got a service engine soon warning light on . is the speed sensor the problem ? or the transmission ?Thank You
Aug 29, 2019 at 2:13 PM (Merged)
Avatar
BMRFIXIT
  • CERTIFIED EXPERT
  • 19,053 POSTS
[quote:3e4f8c48e9="caravan97"]Transmission problem
1997 Dodge Caravan 6 cyl Front Wheel Drive Automatic 120000 miles
----------------------------------------------------------------
Hi I was driving on cruise control at 70 mph, the cruise control speed up and down speed up and down for few minuts after that the speedometer went to zero and i lost most of the power no more than 40 or so mph,no power to go up hill the millage not going up the door lock doesn't work on forward but work on revers i got a service engine soon warning light on . is the speed sensor the problem ? or the transmission ?Thank You[/quote:3e4f8c48e9]


most common relay coil pack on the side of the tranny .
but you should get the codes for the check engine light
if you need help with that let me know
Aug 29, 2019 at 2:13 PM (Merged)
Avatar
BMRFIXIT
  • CERTIFIED EXPERT
  • 19,053 POSTS
From: caravan97
To: BMRFIXIT
Posted: Fri Dec 28, 2007 5:10 pm
Subject: code
how do i get the code with the ignition switch ?? thanks
if you dont have a code reader
you can do this to get the code s
cycle the ignition key three time ending with key on engine off
read the p#### code number
in the miles area
post back the code s and thats will help to pin point the trouble area
let me know
Aug 29, 2019 at 2:13 PM (Merged)
Avatar
GRTBB35
  • MEMBER
  • 1 POST
wife got into van this morning to go to work and found that nothing worked on the display gauges, the van been sitting for 3 days for the holidays.
Aug 29, 2019 at 2:14 PM (Merged)