Dash lights not coming on

2004 HONDA CRV
174,000 MILES
Avatar
WHITNEY ROYSTER
  • MEMBER
  • 16 POSTS
The dash lights (except for indicator lights) will not come on when headlights are turned on. I just checked the fuse, or at least the one I think is the fuse for the dash lights (radio/accessory) and it is not blown. Not sure what to do or check next. I am not very maintenance savvy, but if it is as easy as changing a fuse or light bulb I can handle it.
Aug 23, 2017 at 4:32 PM
Advertisement
Avatar
STRAILER
  • CERTIFIED EXPERT
  • 53,854 POSTS
I know you have probably checked this but there is a brightness adjustment on the instrument cluster or near the headlight switch. Can you cycle the switch, thumb wheel or knob to see if you get any response? Please let us know what happens.

Aug 24, 2017 at 11:40 AM
Avatar
STEVE W.
  • CERTIFIED EXPERT
  • 15,113 POSTS
Check fuse number 2 (15 amp) in the fuse box under the hood. It powers the dash lights. It also powers the taillights and markers. If those are working the it is likely to be a bad dimmer control.
Aug 24, 2017 at 10:16 PM
Advertisement
Avatar
WHITNEY ROYSTER
  • MEMBER
  • 16 POSTS
I've adjusted the dimmer switch and they're still out. Pretty sure the tail lights and signals work, but will double check when my husband gets home. If it's a bad dimmer switch I'm assuming I'll have to take it in? Not sure that is something I can tackle.
Aug 25, 2017 at 5:00 AM
Avatar
STRAILER
  • CERTIFIED EXPERT
  • 53,854 POSTS
O good thanks for the extra information :) there is a taillight relay that sounds like it is out which controls the lighting system. Here is a wiring diagram and the location of the relay with a guide to help confirm the problem.

https://www.2carpros.com/articles/how-to-check-an-electrical-relay-and-wiring-control-circuit

and

https://www.2carpros.com/articles/how-to-check-a-car-fuse

The relay is #13 in the under hood fuse panel

Here it is for $9.00 on Amazon

https://www.amazon.com/gp/product/B001UEHMCO/ref=as_li_qf_sp_asin_il_tl?ie=UTF8&tag=2carprcom-20&camp=1789&creative=9325&linkCode=as2&creativeASIN=B001UEHMCO&linkId=55d2082e0ad49a5b70e114a16bfa936a

Here are some diagrams so you can fix it. You can do it.

Please let us know what happens.

Cheers, Ken
Aug 25, 2017 at 8:05 PM
Avatar
WHITNEY ROYSTER
  • MEMBER
  • 16 POSTS
Finally had long enough with the car... The tail lights do not come on when turning on the headlights so I'm fairly confident that the issue is the relay. The brake lights and signals do come on though. Do you still recommend replacing the relay? Or should I check that fuse as well? If replacing the relay I assume I'd just jump to step 14 of the how to you linked?

Thank you, Ken and Steve!
Aug 27, 2017 at 9:04 AM
Avatar
WHITNEY ROYSTER
  • MEMBER
  • 16 POSTS
And just to confirm, that is relay #13 under the HOOD? Bc the diagram looks like it's under the dash.
Aug 27, 2017 at 9:05 AM
Avatar
WHITNEY ROYSTER
  • MEMBER
  • 16 POSTS
Started with the fuse and this seems to have fixed the problem. Thanks guys!!
Aug 28, 2017 at 2:51 PM
Avatar
STRAILER
  • CERTIFIED EXPERT
  • 53,854 POSTS
We will take the win! please use 2Carpros anytime.

Aug 28, 2017 at 4:12 PM
Avatar
WHITNEY ROYSTER
  • MEMBER
  • 16 POSTS
Hope you guys get this update... The dash lights are out again. I'm assuming the fuse is blown again. I have not yet checked it. I can replace it, but how do I fix the problem that results in a blown fuse? Thanks!
Sep 24, 2017 at 9:49 AM
Avatar
STEVE W.
  • CERTIFIED EXPERT
  • 15,113 POSTS
It has to be an intermittent problem. Those are a PAIN to find. Do you recall what you did just before the lights went out? Hit a big pothole? Ran over a moose? Stepped on the brakes?
Sep 24, 2017 at 10:01 AM
Avatar
WHITNEY ROYSTER
  • MEMBER
  • 16 POSTS
Just now seeing your reply. The 2nd fuse is now out and as soon as I out the third one in it blew. Also, the radio has been cutting in and out for several months. Could this have anything to do with it? I didn't think they were on the same circuit but maybe? Changing the fuse didn't help the radio at all so I'm not sure about that.
Oct 6, 2017 at 5:10 AM
Avatar
WHITNEY ROYSTER
  • MEMBER
  • 16 POSTS
Could the relay Ken mentioned above have anything to do with it? Or would the fuses I replaced not have worked at all if it was the relay? I'm just so frustrated. (My highlander dumped all its oil last month. Thankfully the part was under extended warranty, but still had a minor panic attack until we knew. And this crv had an immobilizer system issue that was finally determined to be bc of low battery voltage.)

I see bslack22 had a similar problem. The pro suggested checking the battery grounding as well as the taillight grounding for corrosion. If there is corrosion how do I fix that? Wouldn't the battery corrosion have been found when the new battery was put in just a couple months ago?

I am truly grateful for everyone's help. I have shared your site a couple of times. I am such a DIY repairer if at all possible and you all are a wealth of information!
Oct 6, 2017 at 5:44 AM
Avatar
STEVE W.
  • CERTIFIED EXPERT
  • 15,113 POSTS
The fuse that keeps blowing powers more than just the dash lights. It powers the marker lights, tail lights and pretty much all the interior lamps used for the dash and control switches.

BUT the good news is that with a hard fail like you now have a signal tracer or short finder will now work to help you find the issue.

When does the fuse blow? With everything off you install the new fuse, it blows instantly or it blows as soon as you turn on the lights?

Oct 6, 2017 at 9:06 AM
Avatar
WHITNEY ROYSTER
  • MEMBER
  • 16 POSTS
2 fuses ago my husband said it blew when he hit the dash above the radio (bc the radio cuts in and off). This last fuse.. I didn't turn the car on just the lights. Not sure if it blew right when I put it in or when I turned the lights on.

Thank you for all your help! Brake lights and indicator lights work. Just not the taillight or dashboard lights when headlights are turned on.
Oct 6, 2017 at 4:03 PM
Avatar
STEVE W.
  • CERTIFIED EXPERT
  • 15,113 POSTS
It's very possible that there is a short in the dash near the radio. Vibration could have worked the wiring harness on a sharp edge and ground through the insulation on the wires. Pull the radio out and look for bare wires.
Oct 6, 2017 at 7:14 PM
Avatar
WHITNEY ROYSTER
  • MEMBER
  • 16 POSTS
Any diagram or directions on how to do that? I am such a novice. I suppose I could YouTube it. If bad wires, would I be able to replace/fix them?
Oct 7, 2017 at 4:10 AM
Avatar
STEVE W.
  • CERTIFIED EXPERT
  • 15,113 POSTS
Got a saw??? OH you want to do it without damage...

First make 100 percent sure you have the unlock code for the stereo. You will need it to make the stereo work when you put it back in. It will also wipe out the channel memory.
Once you have that you remove the center dash trim panel 2 screws and gently pull it away to free the connectors and remove the hazard switch connector. Then 4 screws let the stereo come out of the dash.
Oct 7, 2017 at 7:54 PM
Avatar
WHITNEY ROYSTER
  • MEMBER
  • 16 POSTS
Update with a new related(?) problem... I ended up taking it to the shop where they replaced several dash bulbs and the fuse and recommended that we replace the radio as they believed it had a short (it would cut in and out) and was drawing on the battery (they had to jump it to pull it into the shop the morning after we dropped it off). They said they tested the whole charging system including the alternator which was fine. We did get a new radio, but a couple of weeks ago the car sat in the driveway for 3 days while my husband was out of town. We had to jump it in order for it to start. Now, if it sits any longer than over night or isn't driven for longer than 10-15min at a time then it has to be jumped. The battery was replaced about 4 months ago when we had problems with the immobilizer system engaging. The same shop determined the immobilizer was engaging because of low voltage in the battery so they replaced it and we no longer had that problem. The battery was quite old. I'm just curious what you might think the problem could be now with having to jump the battery. Thanks!
Nov 27, 2017 at 8:51 AM
Avatar
STRAILER
  • CERTIFIED EXPERT
  • 53,854 POSTS
It sounds like you have a voltage drain or a defective battery. Here is a guide to help you test the battery yourself using no tools.

https://www.2carpros.com/articles/car-battery-load-test

If the battery tests good then here is a guide to help you find out what it draining the battery.

I would guess it is the new radio that was installed connected to a constant hot not a keyed hot.

https://www.2carpros.com/articles/car-battery-dead-overnight

Please let us know what you find.

Cheers, Ken

Nov 27, 2017 at 12:20 PM
Avatar
WHITNEY ROYSTER
  • MEMBER
  • 16 POSTS
I'm still looking into diff things. Thank you. He now has to jump the battery every time he drives it. The alternator is not warm when the car is cooled. The battery "looks" to be fine. In reading through your links... It does remind me that the automatic door locks have not worked in a couple of years. Could this be the problem? I'm still going to check on the radio as well, but we did have that installed by a professional so I'm not sure that is the problem. (This is not the time of year for this)
Nov 28, 2017 at 2:58 PM
Avatar
WHITNEY ROYSTER
  • MEMBER
  • 16 POSTS
Another update. Just tested the battery and alternator and they are both good. The radio does not stay on when the car is off (which would be indicative of being hot wired, right?)
Nov 28, 2017 at 5:12 PM
Avatar
WHITNEY ROYSTER
  • MEMBER
  • 16 POSTS
One more update for now... I decided to drop it off at the shop after testing the battery and alternator. On the way there I decided to fiddle with the radio. I ejected a cd and then I noticed that while the radio was off the face lights kept cutting on and off. So, I'm really thinking its the radio now, but alas I dropped it at the shop and will ask them about my theory in the morning. Is it possible that the wires that the radio is connected to in the car itself are bad? Is that something that is easily checked and can the auto shop do it or will the radio shop have to check and fix those? I'm just wondering how extensive this might get. Bc the original radio was shorting out and the auto shop suggested a new radio. Could it be coincidence that this new radio is bad, or more likely that it is the car wires to the radio and not the radio wires?
Nov 28, 2017 at 6:30 PM
Avatar
STRAILER
  • CERTIFIED EXPERT
  • 53,854 POSTS
This sounds more like you are close with the door locks if the switch is having a problem and forcing the door locks open or closed it will cause the battery to drain. To me it still sounds like a battery issue can you do a simple load test to confirm the failure?

https://www.2carpros.com/articles/car-battery-load-test

Please let us know what happens.

Cheers, Ken
Nov 29, 2017 at 10:42 AM
Avatar
STEVE W.
  • CERTIFIED EXPERT
  • 15,113 POSTS
I would suspect the wiring to the radio has a fault as well. There are multiple areas where the harness could rub and develop a short.
Nov 29, 2017 at 6:38 PM
Avatar
WHITNEY ROYSTER
  • MEMBER
  • 16 POSTS
The shop discovered there was a bad battery cell, so they replaced it and are letting it sit for 24hrs before trying to start it. I should know in a couple hours. They don't think it's the radio, but I'm going to keep an eye on that and take it back to the radio shop if need be. Thanks guys!
Nov 30, 2017 at 12:12 PM
Avatar
STEVE W.
  • CERTIFIED EXPERT
  • 15,113 POSTS
Well a low battery can cause issues. I doubt it's the radio as well, more like the wiring or the connector that is the problem.
Nov 30, 2017 at 6:30 PM
Avatar
BSLACK22
  • MEMBER
  • 1 POST
At first had the problem of my brake lights not working when I turned my headlights on. Then my dash light stopped working, but when I noticed that my brake lights were working again when I turned the headlights on. But last night when I turned my headlights on dash light still not working, but all my tail lights were not but still had brake lights. This has been very confusing and stressful.
Aug 3, 2020 at 3:15 PM (Merged)
Avatar
HMAC300
  • CERTIFIED EXPERT
  • 48,601 POSTS
check battery to body ground it may be corroded and not connecting. also, check taillight grounds. ground for taillight is behind right quarter panel. See picture for battery ground.
Aug 3, 2020 at 3:15 PM (Merged)
Avatar
WHITNEY ROYSTER
  • MEMBER
  • 16 POSTS
I'm having a similar problem. If there is corrosion, how do you fix it?
Aug 3, 2020 at 3:15 PM (Merged)
Avatar
STRAILER
  • CERTIFIED EXPERT
  • 53,854 POSTS
This sounds like a bad headlight switch. Here is a guide and some diagrams (Below) to help confirm and then repair the problem.

There are two relays that can cause the problem as well.

https://www.2carpros.com/articles/how-to-use-a-test-light-circuit-tester

test through the switch

and

https://www.2carpros.com/articles/how-to-check-an-electrical-relay-and-wiring-control-circuit

Please let us know what you find.

Cheers, Ken
Aug 3, 2020 at 3:15 PM (Merged)
Avatar
KYLE MENDES
  • MEMBER
  • 19 POSTS
I was changing climate control bulbs with LED's and while turning in one of the bulbs using a square drive (dumb idea) I shorted the circuit somewhere. Since then the climate lights, dash cluster lights, and radio lights all don't work when the headlights are switched on. The back lighting's there if the lights are off. I checked all internal fuses under the dash, nothing looks fried on the back of the cluster itself, and the one interior light fuse under the hood in that fuse box was fine also. My front blinkers work. I'm about to check my rear ones now since reading this post.

https://www.2carpros.com/questions/dash-lights-not-coming-on

Taillights are fine, so that rules out relay 13 right?
Aug 3, 2020 at 3:15 PM (Merged)
Avatar
KASEKENNY
  • CERTIFIED EXPERT
  • 18,907 POSTS
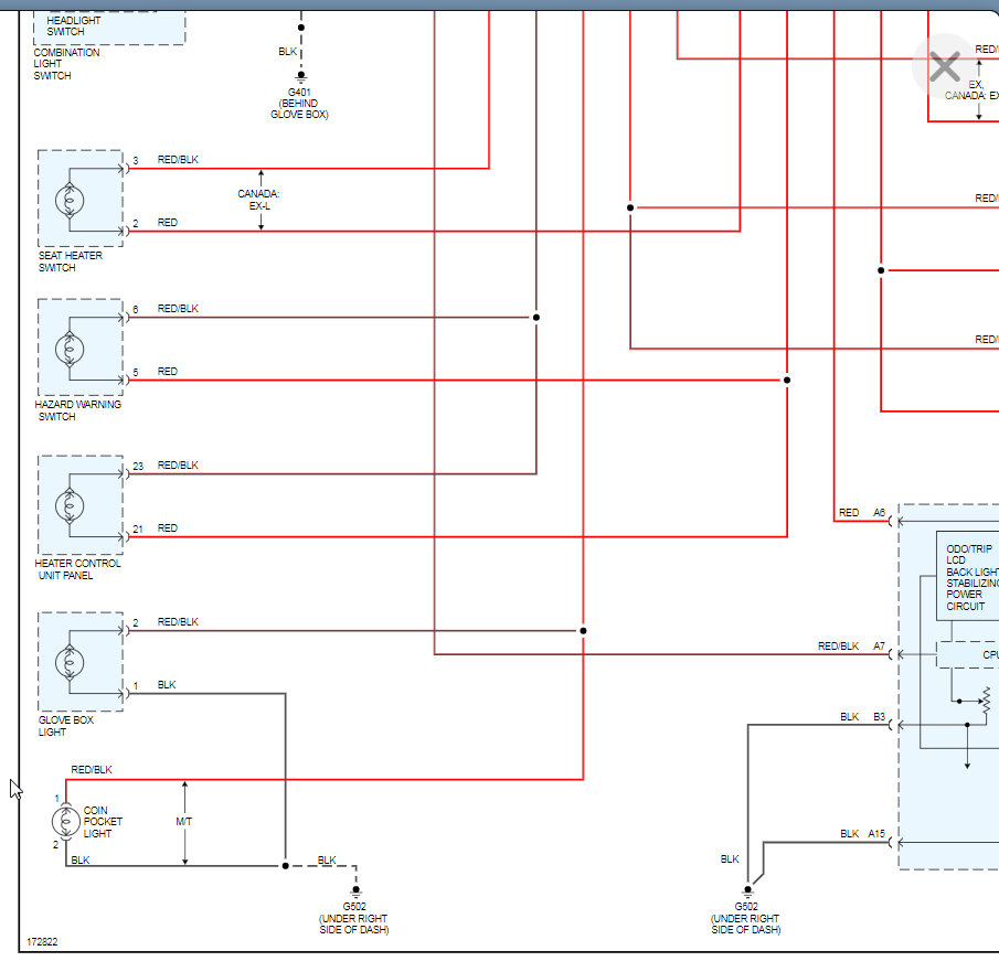
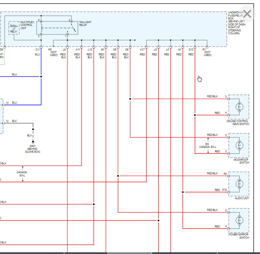
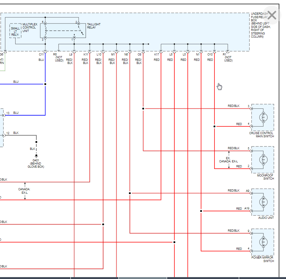
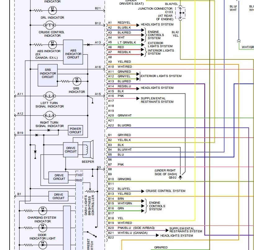
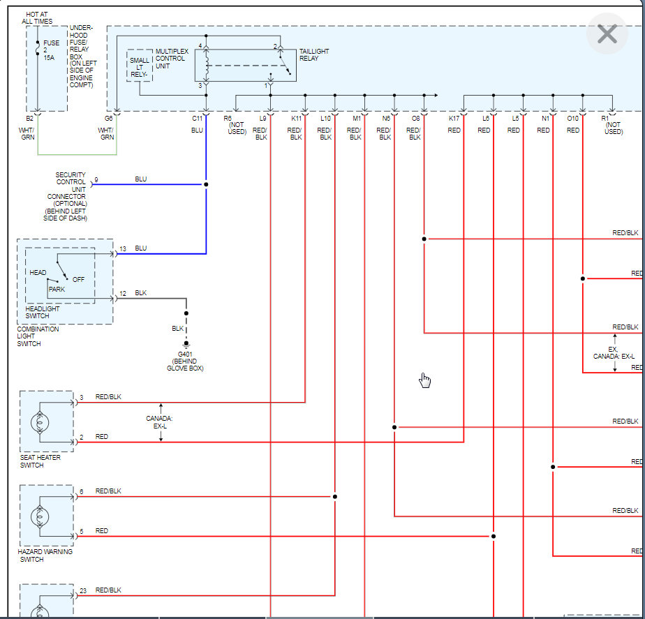
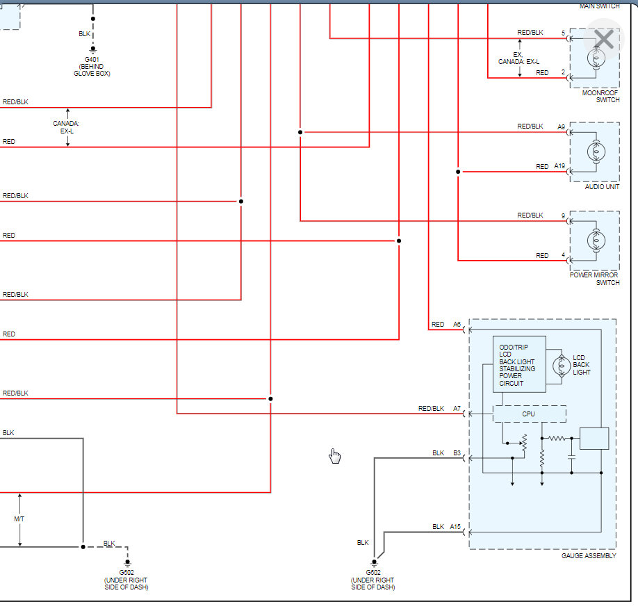
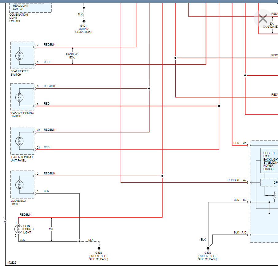
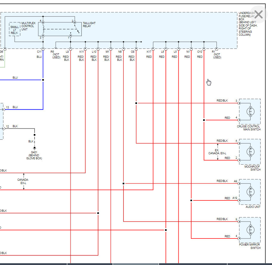
Your issue is most likely with the underdash relay box. If you follow the power wire back for each of the components you listed they are all feed by the underdash box.

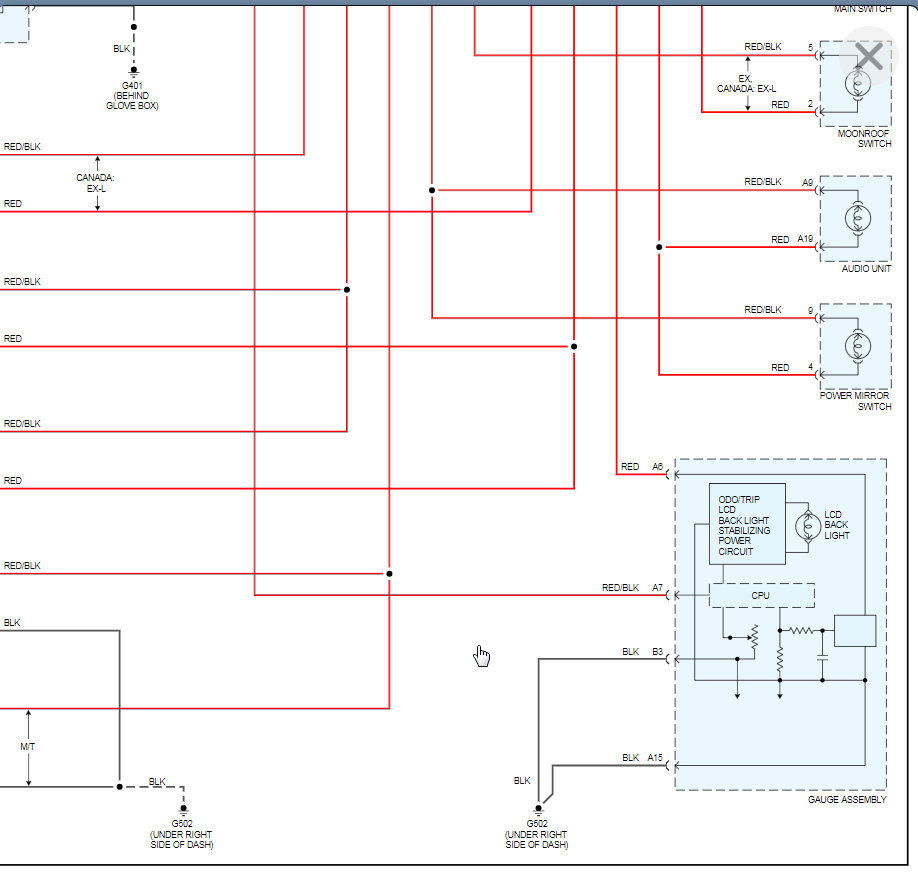
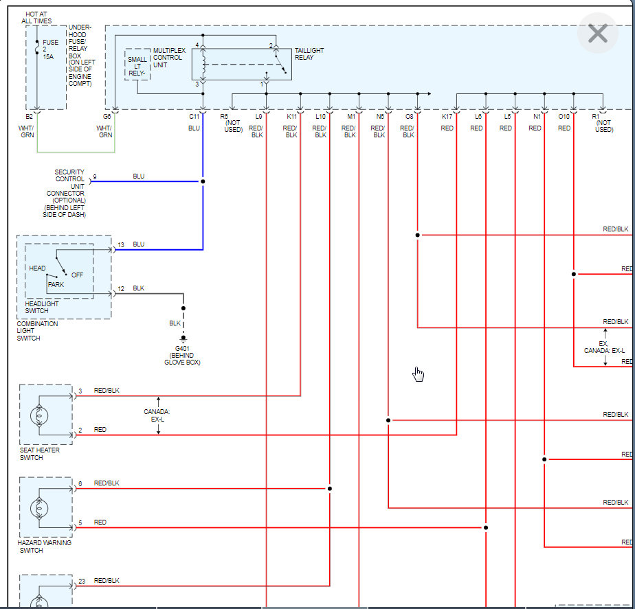
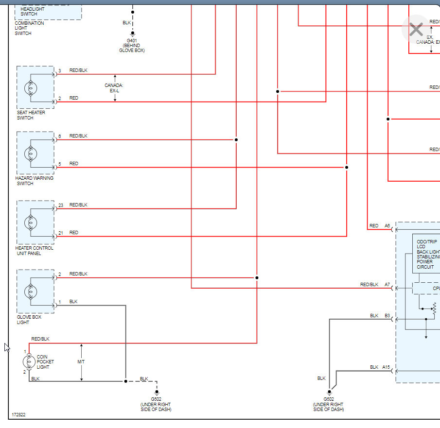
Here are the wiring diagrams. Let me know if you have questions but I think you are on the right path because I think you shorted them out.
Aug 3, 2020 at 3:15 PM (Merged)
Avatar
KYLE MENDES
  • MEMBER
  • 19 POSTS
So by reading that diagram, as well as the fuse charts I've seen, I'm assuming the Headlight switch relay (since everything stops working once the switch is clicked on). I'm not clearly seeing which one that is. Also I'll note than when switching from parking lights to full headlights the "D" and "OD Off" lights flicker quickly.

As you can see in the chart, numerous things contribute to "gauge assembly". Is there a better way to rule this out? I know how to check fuses but relays are different. You have to connect them and feel for the switching right? Or is there a way to "jump" the terminals to then see if the panel works without the relay?
Aug 3, 2020 at 3:15 PM (Merged)
Avatar
KASEKENNY
  • CERTIFIED EXPERT
  • 18,907 POSTS
Here is a guide on how to test a relay:

https://www.2carpros.com/articles/how-to-check-an-electrical-relay-and-wiring-control-circuit

When you are dealing with something like this, it is like a lightening strike and the only way to get through it is to test each component individually.
Aug 3, 2020 at 3:15 PM (Merged)
Avatar
KYLE MENDES
  • MEMBER
  • 19 POSTS
Okay, so I tested the relays with a simpler method I found (two terminals to the power source and the other two via resistance meter). The relays 13 and 14 (taillight relay and starter cut) were fine. 11 and 12 are turn signal and power windows, none of which were affected so I didn't bother with that.
Under hood fuses all check out.
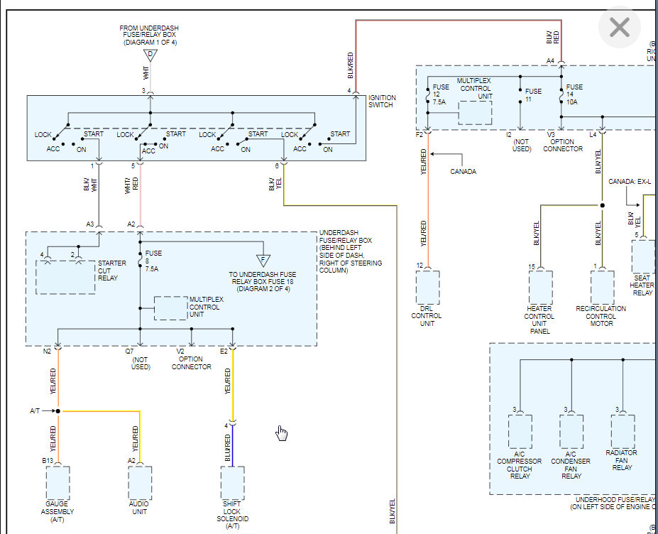
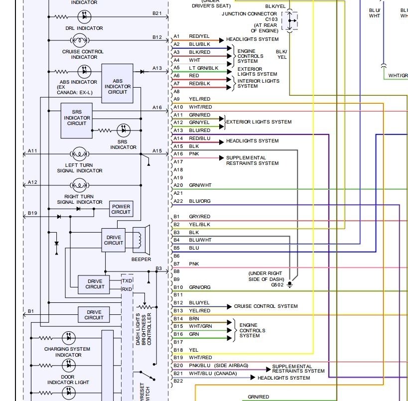
Under dash fuses were all over the place. Unless I'm not understanding this, I used the circuit tester and 1,4,6,8,9,10,12,13,14,17,18,19,20,23,24 were all unlit. Only a handful lit up the light. This makes no sense to me since a lot of those fuses power things like the ignition coil, radio power, key-less receiver unit, power windows, etc. And those all work! what the heck am I missing? The wiring diagram you listed has the headlight switch connecting to the main circuit which feeds down into things like the heater controls and such. But there's no relay on the board for that. where is this relay? Or is that actually the headlight switch knob? and If so, how the heck do i test that?

looking at this wiring diagram I got elsewhere, also for 03 CRV, shows a link between B3 and A15 (which I think it s typo and should be A3 and B 15, because both show G502 which looking at both wiring harnesses, is ground. But if the ground is simply a screw somewhere, how can it be a bad ground from a light bulb shorting?
Aug 3, 2020 at 3:15 PM (Merged)
Avatar
KASEKENNY
  • CERTIFIED EXPERT
  • 18,907 POSTS
What position was the of the key when you were testing these fuses? It appears all of them are downstream of the ignition switch. Which normally means the key has to be on for these to have power.
Aug 3, 2020 at 3:15 PM (Merged)
Avatar
APMAN
  • MEMBER
  • 1 POST
2004 Honda CRV

how do you change dash lights on a 2004 honda crv
Aug 3, 2020 at 3:15 PM (Merged)
Avatar
HONDA TECH 1818
  • CERTIFIED EXPERT
  • 536 POSTS
1.Remove the driver's dashboard lower cover, then remove the instrument panel.

2.Place a clean shop towel under the gauge assembly to prevent scratching the steering column or dashboard.

3.Remove the three mounting screws from the gauge assembly.

4.Disconnect the connectors, and remove the gauge assembly and found the bulbs that needs to be replace.

5.Install the gauge assembly in the reverse order of removal.
Aug 3, 2020 at 3:15 PM (Merged)
Avatar
KYLE MENDES
  • MEMBER
  • 19 POSTS
oh well, i feel like silly. I did this with the key off.
But still, the relays passed my resistance tests. And the fuses themselves I checked with a resistance meter (still plugged in with car off) and they all passed, indicating to me that the fuses weren't blown. Unless I'm not understanding fuse testing properly. But you're saying I should do the light tests with these fuses with the car on?
Aug 3, 2020 at 3:15 PM (Merged)
Avatar
SLOOPJOHNB1
  • MEMBER
  • 1 POST
All good answers. FWIW, the bulbs alone can be replaced; you don't need to buy the $10 bulb holder and bulb at the Honda stealer. The parts fiche shows the bulb and bulb holder separate, but Honda only sells the assembly.

p/n 2721 at www.interlight.biz works...you get 10 bulbs for about .90 each if you order 20 (two little cases).
This is also the bulb used on Audi CHMSL that use incandescent 1.4W bulbs.

The #77 bulb at autozone or advance auto parts won't work...diameter too large for the honda bulb holder.

I just did this bulb replacement on a 2004 CRV.
Aug 3, 2020 at 3:15 PM (Merged)