cruise control not working?

2010 CHEVROLET SILVERADO
71,000 MILES • 4.8L • V8 • 4WD • AUTOMATIC
Avatar
STEPHEN FONDRIEST
  • MEMBER
  • 1 POST
i want my truck to have a cruise control but it doesn't work should I check the fuse first? Thank you in advance!
Mar 12, 2019 at 5:55 PM
Advertisement
Avatar
CARADIODOC
  • CERTIFIED EXPERT
  • 34,306 POSTS
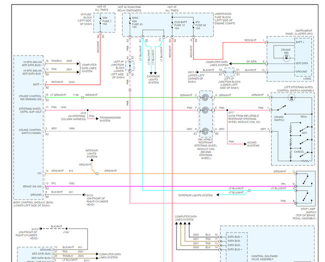
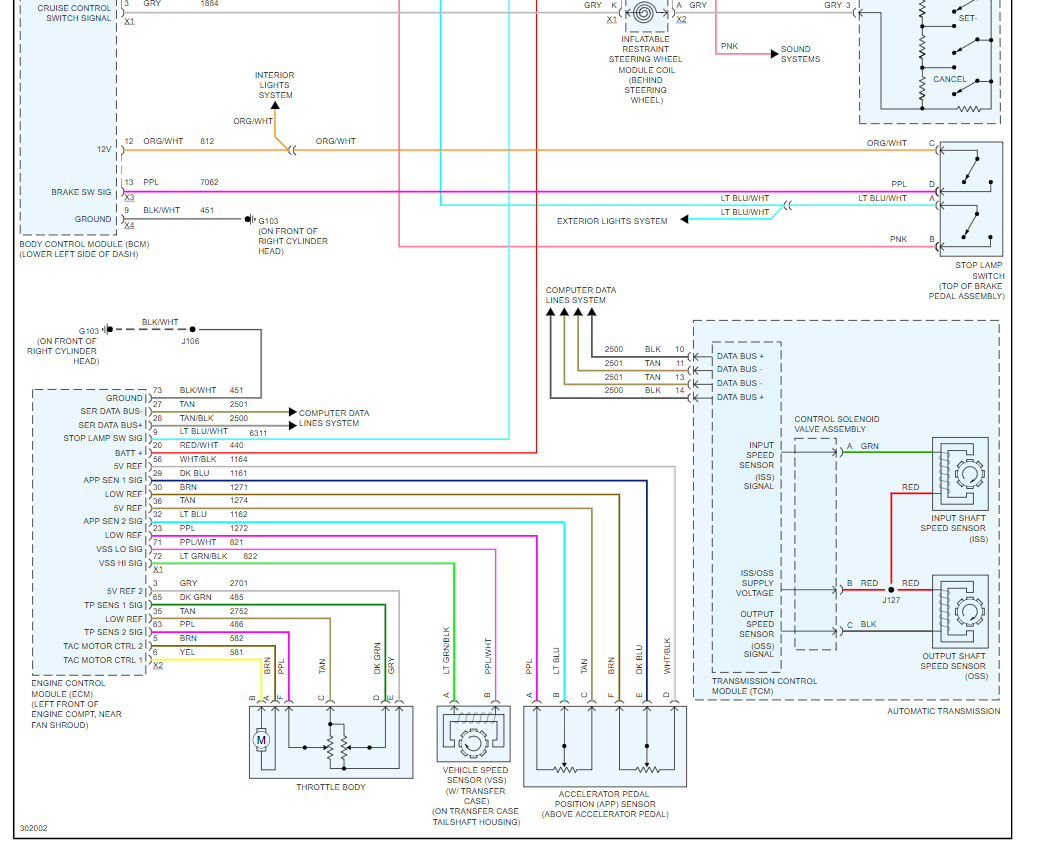
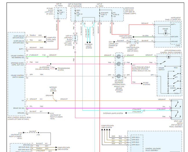
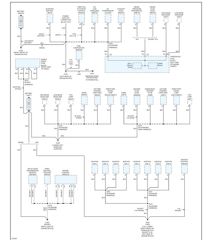
I would start by making sure the brake light work and then check the fuse this guide can help with the fuse locations in the diagrams below. ( DIM, MISC ENG, ECM BATT and IPC)

https://www.2carpros.com/articles/how-to-check-a-car-fuse

Check out the diagrams (Below). Please let us know what you find. We are interested to see what it is.
Mar 13, 2019 at 9:57 PM
Avatar
2CP-ARCHIVES
  • MEMBER
  • 4,540 POSTS
Sometimes cruise control works, a lot of times it doesn't. What could be wrong with the cruise control?
May 5, 2021 at 1:35 PM (Merged)
Advertisement
Avatar
JDL
  • CERTIFIED EXPERT
  • 16,098 POSTS
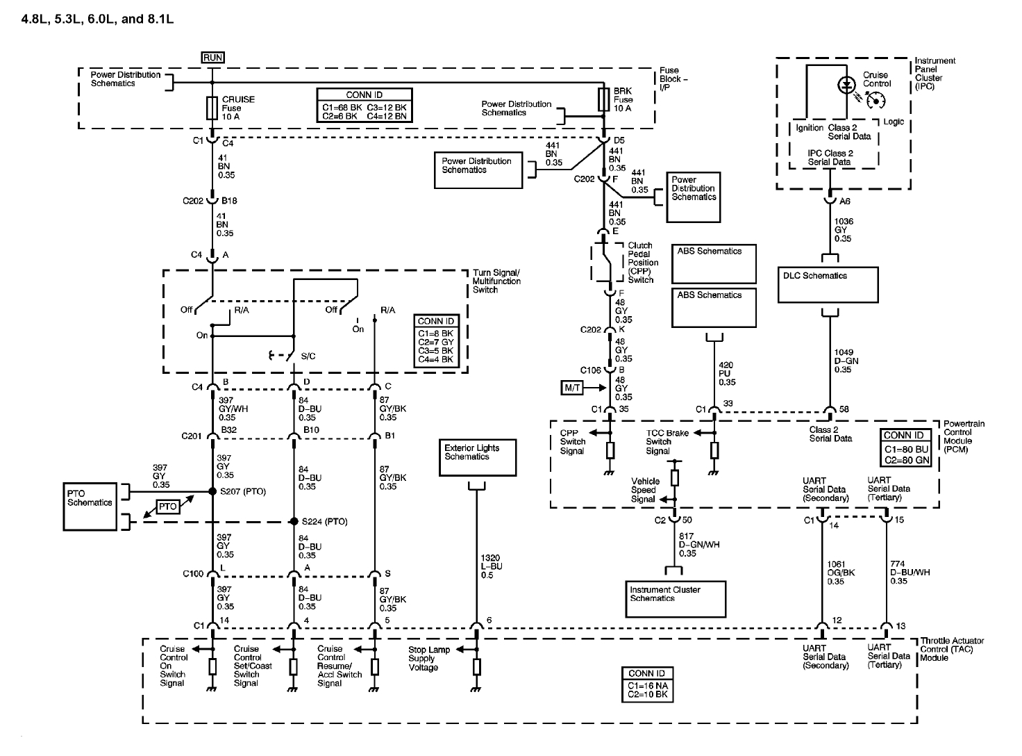
there are 5 fuses ( IPC, ECM BATT, MISC ENG and DIM) that run the system here is a guide to help check them and the cruise control wiring diagrams so you can see how the system works.

https://www.2carpros.com/articles/how-to-check-a-car-fuse

Check out the diagrams (Below). Let us know what happens and please upload pictures or videos of the problem.
May 5, 2021 at 1:35 PM (Merged)
Avatar
CHEV6.0
  • MEMBER
  • 1 POST
Cruise control stop working, check 2 codes P0700 & P182e need to get fix. What is the problem, an how much will it cost me.
May 5, 2021 at 1:35 PM (Merged)
Avatar
ASEMASTER6371
  • CERTIFIED EXPERT
  • 52,796 POSTS
DTC P0700

Diagnostic Instructions

Perform theDiagnostic System Check - Vehicle (See: Testing and Inspection\Initial Inspection and Diagnostic Overview) prior to using this diagnostic procedure.
ReviewStrategy Based Diagnosis (See: Testing and Inspection\Initial Inspection and Diagnostic Overview) for an overview of the diagnostic approach.
Diagnostic Procedure Instructions (See: Testing and Inspection\Initial Inspection and Diagnostic Overview) provides an overview of each diagnostic category.

DTC Descriptor
DTC P0700

Transmission Control Module (TCM) Requested MIL Illumination

Circuit/System Description

The transmission control module (TCM) uses the (GMLAN) to signal the engine control module (ECM) that the TCM is requesting malfunction indicator lamp (MIL) illumination. This happens when the TCM has determined that a failure affecting emissions has occurred in transmission control system. When the ECM receives the a message from the TCM, DTC P0700 will set.

Conditions for Running the DTC


DTC P182A, P182C-P182F, or P1915

Diagnostic Instructions

Perform theDiagnostic System Check - Vehicle (See: Testing and Inspection\Initial Inspection and Diagnostic Overview) prior to using this diagnostic procedure.
ReviewStrategy Based Diagnosis (See: Testing and Inspection\Initial Inspection and Diagnostic Overview) for an overview of the diagnostic approach.
Diagnostic Procedure Instructions (See: Testing and Inspection\Initial Inspection and Diagnostic Overview)provides an overview of each diagnostic category.

DTC Descriptor
DTC P182A

Internal Mode Switch A Circuit Low Voltage

DTC P182C

Internal Mode Switch B Circuit High Voltage

DTC P182D

Internal Mode Switch P Circuit Low Voltage

DTC P182E

Internal Mode Switch - Invalid Range

once you have the diag completed and the failed part determined then and only then can an estimate be given. a code never identifies a bad part, just a failed system

Roy
May 5, 2021 at 1:35 PM (Merged)
Avatar
ANON2
  • MEMBER
  • 3 POSTS
Got these codes (P0700 AND P0182E) on my brand new 2015 Silverado LTZ.
Diagnosis: "Trans shift cable out of adjustment".
They adjusted the shift cable linkage. Nothing replaced.
May 5, 2021 at 1:36 PM (Merged)
Avatar
TIM DAVIS4
  • MEMBER
  • 15 POSTS
I recently changed to all LED lights which is the only thing i've done. But my truck (listed above) crew LT cruise control just stopped working while it was engaged going down the road. I've pulled every fuse in the under hood block and checked them as well as every fuse on the inside panel and checked them. None of them are blown.
I was told that it probably was the brake switch under the dash that was bad so i have ordered one of them to replace it with. I just want to make sure I am not missing something else somewhere.
Thanks for your input and help. I know i'm going to replace that switch because i have already bought it and I know from many forums people say they go bad all the time. I just don't understand, and wonder if the LED's might have caused the switch to go bad because it already was on its way out.
May 5, 2021 at 1:36 PM (Merged)
Avatar
STRAILER
  • CERTIFIED EXPERT
  • 53,854 POSTS
Hello,

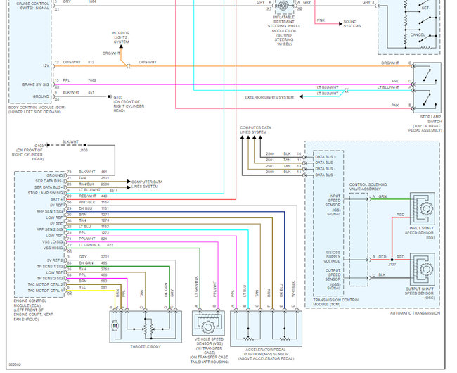
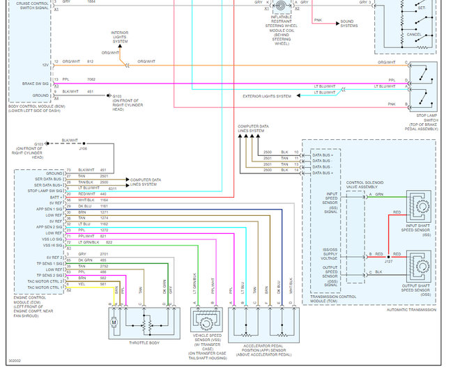
The switch may cause it. but can I ask if the brake lights are working? If they are the switch is probably okay. What happens on these is the clock spring behind the steering wheel goes out. but to be sure here is a guide to help check the wiring connection and a cruise control wiring diagram so you can see how it works:

https://www.2carpros.com/articles/how-to-check-wiring

Check out the diagrams (below). Please let us know what you find. We are interested to see what it is.
May 5, 2021 at 1:36 PM (Merged)
Avatar
TIM DAVIS4
  • MEMBER
  • 15 POSTS
Thanks, Ken.
An update to this issue is while driving earlier today I was able to activate cruise but it wouldn't stay on when a bump in the road hit. I don't know if it's the clock spring or brake pedal as both shook. I know when I pulled the pedal up the last time as I mentioned it worked until I released it. My brake lights work fine but the pedal does make a squeaking sound when pressed and released so if nothing else the brake switch was only $20.00 on Amazon and it's an AC Delco part, not aftermarket Dorman or the like. So i'm going to change it anyway just so I have an excuse to have that pedal area greased/oiled and try that. I hope it's not the switch on the steering wheel as I know that is quite an extensive task to replace, at a nice price at a dealership or repair shop anywhere. I was just wanting to make sure I wasn't missing anything fuse wise or something else I might have overlooked.
Thanks again. I'll let you know after the brake switch is replaced whether that got it or not.
Tim

May 5, 2021 at 1:36 PM (Merged)
Avatar
STRAILER
  • CERTIFIED EXPERT
  • 53,854 POSTS
Please let us know what happens.
May 5, 2021 at 1:36 PM (Merged)
Avatar
TIM DAVIS4
  • MEMBER
  • 15 POSTS
Basically, when i'm driving, cruise is set it works fine. But if I push the button to let down or raise my windows, any of the 4, it doesn't matter the cruise control will shut itself off. It just started doing this for some reason. It's as if it's getting low voltage with the windows activated but from a test of the alternator it's putting out correctly (about 14.2v) and the battery is good.
Any ideas?
May 5, 2021 at 1:36 PM (Merged)
Avatar
TOUGHDIVER
  • CERTIFIED EXPERT
  • 224 POSTS
Hi,

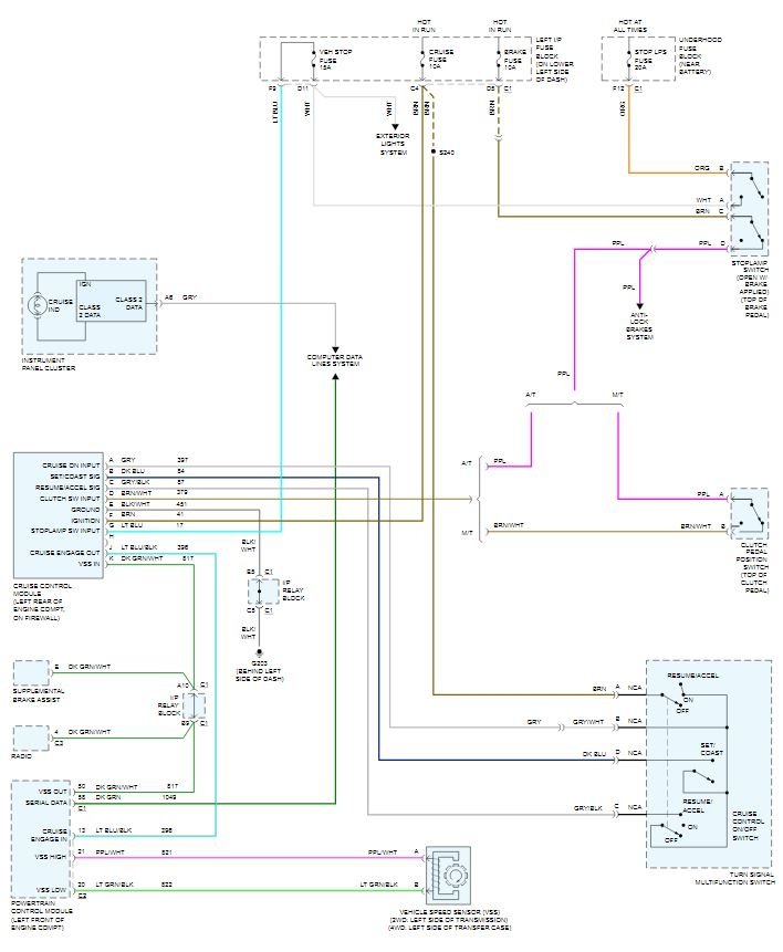
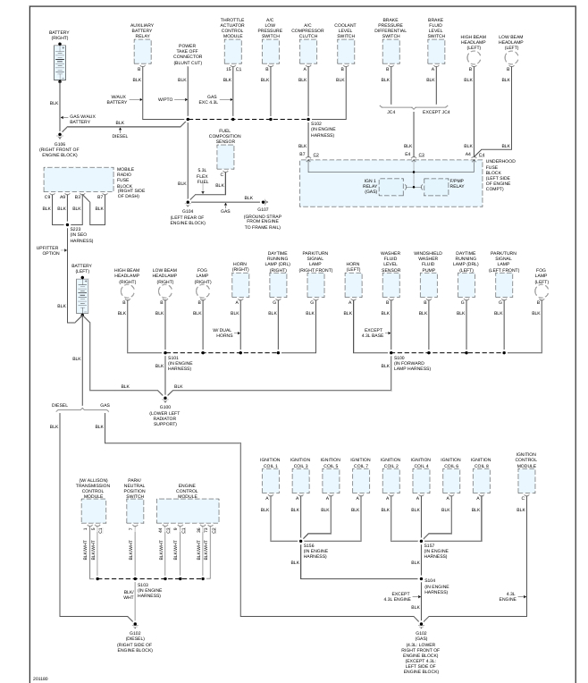
Tim the vehicle might have a grounding problem. This can also cause a voltage drop and stop the cruise control. Pay special attention to the grounds under the hood right front of engine block, left rear of engine usually on the back of the cylinder head to the body and from the engine to the frame. (Check the High Mount brake lamp fuse) and all fuses this can cause a circuit to change grounds. I'm attaching repair guides and wiring diagram of the ground circuit. Let us know if this was helpful and please let us know what repaired the vehicle.

https://www.2carpros.com/articles/everything-goes-dead-when-engine-is-cranked

https://www.2carpros.com/articles/car-battery-load-test

https://www.2carpros.com/articles/how-to-check-wiring

Thank you
Joe T.
May 5, 2021 at 1:36 PM (Merged)
Avatar
TIM DAVIS4
  • MEMBER
  • 15 POSTS
Thanks, Joe T.

I checked the grounds and all of them were fine except one; the one at the brake switch itself, which, also needs replaced. The wire there was loose but connected so when the voltage change happens and the little delay time you get before the alternator kicks it back up was just enough to cause the switch ground to shut off cruise control as if I had pressed or touched the brake pedal itself. Since I already have to replace that switch due to squeaking and inability to adjust it correctly I will get two jobs done instead of just the one.
Thanks again. Find 1 issue and now I get "motivated" to actually fix the other. lol
Tim D
Alabama
May 5, 2021 at 1:36 PM (Merged)
Avatar
TOUGHDIVER
  • CERTIFIED EXPERT
  • 224 POSTS
That's awesome Tim. customers like you make our job gratifying. I really enjoyed working with you on this repair. we're always here to help. Thanks for choosing 2CarPros.

Joe T.
May 5, 2021 at 1:36 PM (Merged)
Avatar
COLTON THOMAS
  • MEMBER
  • 1 POST
I have the truck listed above 1500 4.3l lu3 v6 and the cruise control has not worked ever since I got it. the guy before me had a trailer brake booster and took it out. I have looked at all the wires to make sure that they are still in one piece. I've changed the fuses and relays and cruise control is still not working. I've gone to Google but it's not helping me at all.
May 5, 2021 at 1:36 PM (Merged)
Avatar
STEVE W.
  • CERTIFIED EXPERT
  • 15,113 POSTS
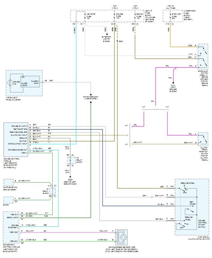
The previous owner may have tapped into the brake switch wiring on the wrong wire and it broke when removed, happens if they used the scotch loc type connectors. I would first test the fuses in the cruise to be sure they have power. For those connect a test light to a good ground and with the key on, check for battery voltage on the top points of the cruise fuse and the brake fuse in the fuse panel in the dash. Next go to the brake switch and find the Brown wire, with the key on there should be voltage on it. Then check the Purple wire for power, be sure the pedal is fully up.

If you have power at both of those the next thing would be to find the cruise module on the drivers side firewall under the hood. Unplug it and check the connector for corrosion or damaged pins, somewhat common for that and then for battery voltage on the Light Blue wire (G) while the brake pedal is pressed and the brake lights are on.
Then with the key on but pedal not pressed check for battery voltage on the Brown wire (F) and the Brown wire with white stripe (D)
If they all test OK then the next step would be to check that the ground is good, it is the Black wire with a White stripe (E), put the test light onto a battery feed and see if the ground makes it light.
If those all check out the cruise module is getting power and ground.
The next testing will test the cruise switch functions. Now connect the test light to a ground. Go to the plug on the module again and have someone move the switch as you test. Do each test and while doing them move the turn signal stalk into both left and right positions, just in case there is a broken wire.
Testing - First turn the cruise switch to on, Test for battery power on the Gray (may have a white stripe) wire (A). Now with that switch on have them select and hold the set button. Check for voltage on the Dark Blue wire (B) and lastly, do the same with the resume button, this time looking for voltage on the Gray wire with Black stripe. If they all test good the switch isn't the problem.
Next you need to know if the VSS is okay, if the speedometer is working that signal is good.

The last test requires a scan tool that can access the cruise control module. That is because you need to see if it is responding to the various signals. I'm betting that you have already found a bad power, ground or switch by this point so you may not need the scan tool. That would be a good thing.

If you haven't used a test light to test fuses or even to test voltages this may help. Any of the cheap incandescent units will work for this testing.

https://www.2carpros.com/articles/how-to-use-a-test-light-circuit-tester
May 5, 2021 at 1:36 PM (Merged)
Avatar
CHRISTIANOLSON
  • MEMBER
  • 1 POST
I have a 2004 chevy silverado 1500 4x4 with the 5.3 engine that is throwing a P1574 code and the cruise control quit working. I checked to make sure my brake lights work and they do. Any ideas what could be causing this (I checked the fuse for cruise also).
May 5, 2021 at 1:36 PM (Merged)
Avatar
ASEMASTER6371
  • CERTIFIED EXPERT
  • 52,796 POSTS
DTC P1574

CIRCUIT DESCRIPTION
This diagnostic test functions on the assumption that a sudden decrease in vehicle speed is caused by a brake pedal application. When the powertrain control module (PCM) detects that there is a 4.2 km/h (2.6 mph) or greater decrease in vehicle speed within 0.25 seconds and a transition of the torque converter clutch (TCC) brake switch without a transition of the stop lamp switch, the PCM sets DTC P1574.

CONDITIONS FOR RUNNING THE DTC

DTCs P0502, P0503, P0719, and P0724 are not set.
The engine speed is greater than 700 RPM .
The traction control system or the antilock brake system are not active and have not failed.
The vehicle speed is greater than 48 km/h (30 mph) in order to enable the diagnostic. The diagnostic will disable when the wheel speed is less than 16 km/h (10 mph) .

CONDITIONS FOR SETTING THE DTC

The vehicle speed decreases by at least 4.2 km/h (2.6 mph) within 0.25 seconds .
The PCM detects a TCC brake transition.
The PCM does not detect a stop lamp switch transition.

ACTION TAKEN WHEN THE DTC SETS

The PCM sets the stop lamp switch status to released.
The PCM disables the operation of the cruise control system.

CONDITIONS FOR CLEARING THE DTC

A history DTC will clear after 40 malfunction free warm-up cycles.
The PCM receives a clear code command from the scan tool.
May 5, 2021 at 1:37 PM (Merged)
Avatar
DARRELL DAVIS2
  • MEMBER
  • 2 POSTS
Cruise control doesn’t even try to turn in much less set. I’ve checked every fuse under hood and dash. Brake lights work. Everything I’ve read to check is all good. The only thing I haven’t been able to find has to do with the Bose amplifier. I replaced the entire sound system including the head unit. I ran the power from a second battery I added with battery isolated. Then I removed the Bose amp. And extra wiring. Does the amp have something to do with the cruise or am I looking at a different issue?
May 5, 2021 at 1:37 PM (Merged)
Avatar
JACOBANDNICKOLAS
  • CERTIFIED EXPERT
  • 110,175 POSTS
Hi,

If you ran a separate battery, I don't see how that would affect this. Do me a favor. The cruise control fuse is located in the vehicle (under the dash). I need you to recheck it. In addition to just checking the fuse, confirm there is power to and from it.

Here is a link you may find helpful:

https://www.2carpros.com/articles/how-to-check-a-car-fuse

I attached a couple of pics below showing the fuse I'm referring to. Check that and let me know what you find.

Take care,
Joe
May 5, 2021 at 1:37 PM (Merged)
Avatar
DARRELL DAVIS2
  • MEMBER
  • 2 POSTS
Yes, I have power on both sides even popped in a new fuse while after checking. Then checked again.
May 5, 2021 at 1:37 PM (Merged)
Avatar
JACOBANDNICKOLAS
  • CERTIFIED EXPERT
  • 110,175 POSTS
Okay, if power is getting to it, then it's time to start diagnosing. Here is the diagnostics related to an inoperative CC. The attached pics are the actual diagnostics. Take a look through them and let me know if you are comfortable following them.

_________________________

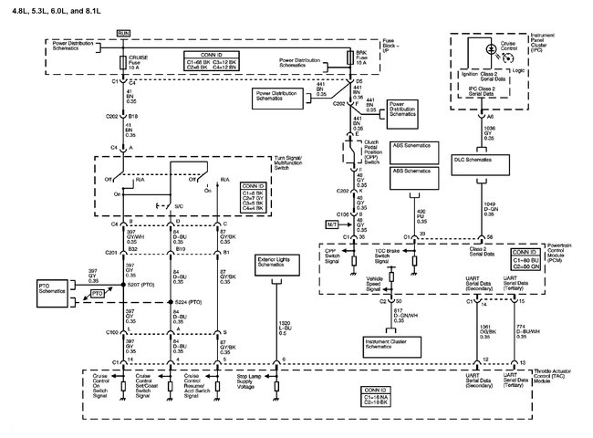
2004 Chevy Truck Silverado 1500 4WD V8-5.3L VIN T
Cruise Control - Inoperative/Malfunctioning
Vehicle Cruise Control Testing and Inspection Symptom Related Diagnostic Procedures Cruise Control - Inoperative/Malfunctioning
CRUISE CONTROL - INOPERATIVE/MALFUNCTIONING
CRUISE CONTROL INOPERATIVE/MALFUNCTIONING

DIAGNOSTIC AIDS
Perform the following in order to avoid a misdiagnosis:
- Inspect for proper operation of the brake lamps. Refer to Exterior Lighting Systems Description and Operation in Lighting Systems.
- Electromagnetic interference (EMI) on the vehicle speed sensor signal circuit may cause erratic cruise control operation.

CONDITIONS FOR ENABLING CRUISE CONTROL
- The vehicle speed is greater than 40 km/h (25 mph).
- The vehicle is not in PARK, REVERSE, NEUTRAL, or 1st gear.
- The system voltage is within 12-16 volts.

TEST DESCRIPTION

Steps 1-4

see pic 1


Steps 5-9

see pic 2


Steps 10-13

see pic 3

Steps 14-19

see pic 4

Steps 20-26

see pic 5

Steps 27-29

see pic 6

The numbers below refer to the step numbers on the diagnostic table.
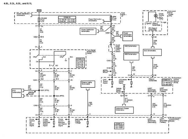
8. This step tests the center high mounted stop lamp (CHMSL) supply voltage/stop lamp supply voltage circuit for an open or for a high resistance between the stop lamp switch and the throttle actuator control (TAC) module.
9. This step tests the cruise control set/coast switch signal circuit for an open or for a high resistance.
10. This step tests the cruise control resume/accel switch signal circuit for an open or for a high resistance.
11. This step tests the ignition 3 voltage circuit for an open, for a short to ground, or for a high resistance.
29. DTCs will set in the powertrain control module (PCM) when you perform this table.

_________________

Let me know if this helps.

Joe
May 5, 2021 at 1:37 PM (Merged)
Avatar
ULTRAMAGMAN1
  • MEMBER
  • 1 POST
my cruise control recently stopped working after i washed the engine and i dont know if a plug got wet or the switch went out and if i got a plug wet were would it be located.also when i push the button the light in the gauge cluster flashes but it wont stay on.
May 5, 2021 at 1:37 PM (Merged)
Avatar
WALTERGWYN
  • MEMBER
  • 1 POST
my cruise control (CC) worked sporadically after i installed my LED tail lights. i replaced the turn signal/CC assembly, replaced the stop light brake switch, and Light control module signal flasher (LM487). none of those worked. i finally read on this site to check the 3rd stop light bulbs (cargo stop light). That was the right answer. both bulbs were burned out and then replaced. the CC began working as the result. Thanks.
May 5, 2021 at 1:37 PM (Merged)
Avatar
BWIGGAND
  • MEMBER
  • 1 POST
installed led brakkelights high mount and taillights and now cruise dosent work at all no indicator or function at all some told me just coinsidence all fuses i could identify for cruise appear good and all brakelights turn and backups work fine
May 5, 2021 at 1:37 PM (Merged)
Avatar
CARADIODOC
  • CERTIFIED EXPERT
  • 34,306 POSTS
Part of the cruise control circuitry is grounded through the brake light bulbs. When 12 volts appears on that circuit from pressing the brake pedal is when it kicks out. You removed that ground when you removed the bulbs. You can prove that by putting the bulbs back in. You'll have to figure out a way to wire in the old bulbs and hide them if you want the cruise to work.
May 5, 2021 at 1:37 PM (Merged)
Avatar
CUJOMO
  • MEMBER
  • 1 POST
Cruise control stopped working. I was highway driving and turned the switch to on. I pushed the button to set the speed. I noticed the indicator light on the dashboard lit momentarily and then went out. The cruise doesn't work. I replaced the fuse in the fuse block left driver side of the dashboard. That didn't fix it. An inspection of the old fuse showed it not to be blown. Where do I go from here to troubleshoot the problem?
May 5, 2021 at 1:38 PM (Merged)
Avatar
JDL
  • CERTIFIED EXPERT
  • 16,098 POSTS
Hello,

There are 4 fuses that run the system that needs to be checks here is a guide to help you with the fuse location and cruise control wiring diagrams below so you can see how the system works and which fuses to check.

https://www.2carpros.com/articles/how-to-check-a-car-fuse

Check out the diagrams (Below). Please let us know what you find.
May 5, 2021 at 1:38 PM (Merged)
Avatar
BROWNN
  • MEMBER
  • 1 POST
I had this problem and used the guide to find out my brake light switch was bad, I got a new one $34.00 all good now
May 5, 2021 at 1:38 PM (Merged)
Avatar
DARRELL ALAN SOSS
  • MEMBER
  • 1 POST
When I turn on the cruise control and attempt to set it, the cruise light indicator comes on and then turns off when released. I recently connected a trailer brake controller and connected it to the white wire on the brake pedal switch. Trailer brakes work fine.
May 5, 2021 at 1:38 PM (Merged)
Avatar
STRAILER
  • CERTIFIED EXPERT
  • 53,854 POSTS
Hello,

The trailer brake could back feeding voltage into the throttle actuator controller which will not allow the cruise to work because it thinks you are on the brakes. Here is a wiring diagrams so you can see what I am talking about.

Remove the wire and recheck please. Check out the diagrams (below). Please let us know what happens.

Cheers, Ken
May 5, 2021 at 1:38 PM (Merged)
Avatar
PRINCESSTRUCKER
  • MEMBER
  • 1 POST
Truck listed above is the base model 1500. He's not fancy but he's paid off and normally runs like a champ. Everything worked normally except I had no heat and smelled coolant. I had the heater core replaced. Yeah! I have heat. Bad news I learn a few weeks later my cruise control doesn't work. I do a lot of in town driving so cruise isn't necessary. Well I hit the interstate, flipped the switch, pushed the button and nothing. No light, no cruise. Is there something I can check?
May 5, 2021 at 1:38 PM (Merged)
Avatar
DANNY L
  • CERTIFIED EXPERT
  • 5,648 POSTS
Hello, I'm Danny.

The first thing I would check is the cruise control module. It's located on the left side of the firewall under hood. I've attached a picture below of its location and description.Hope this helps and thanks for using 2CarPros.
May 5, 2021 at 1:38 PM (Merged)
Avatar
IBHOMELESS
  • MEMBER
  • 5 POSTS
A little background. This truck is a one owner and has been maintained very well by me. No rust, very good condition overall and garage kept until about five years ago.

The problem, sorry but this will be a bit lengthy but the following information is relevant.

Back a couple months ago, I went to the garage to get the truck and run some errands. I was puzzled when I opened the door to the garage and heard the radio playing. I thought "oh great the battery will be dead).

I started the truck and backed out of the garage and turned the key to the off position. The truck was still running and the headlights were still on. To make a long story short, I chased wires and voltage for a couple hours. I also pulled the power center and looked for corrosion underneath which is pretty common. I saw no problems and re installed it.

I "pecked" around with a screwdriver handle in the power center and could make it malfunction so I pulled all the relays and reseated them and the problem went away. Not sure if it would return or not but so far it has not.

About two weeks ago, I noticed my cruise control no longer worked. I hoped it was a fuse but it was not. I kept driving it until I had time to work on it. Last week I happened to be at the rear of the truck while it was idling and I noticed the hi mount brake light was on but dim.

A couple years back, I replaced the stock hi mount unit with an after market LED unit which has been working fine.

I worked on it today and the following is what I have found.

The hi mount brake light is on but dim (sometimes flickers a little but mainly lit about half of normal) anytime the key is on. It doesn't matter if the headlights are on or not.

All three brake lights work as they should
I am assuming the cruise not working is because of this issue. I hope.

I have replaced the brake light switch.
I also replaced the entire power center under the hood with a brand new OEM unit ordered from GM. (it came with all fused and relays installed so everything there is new).

I did this just to eliminate that as a possible issue (and the problem with it not turning off a couple months ago).

I also unplugged the trailer harness under the dash in case it was a problem with the wiring but it was not.

It was suggested that I look at the multi function switch next but I am not sure the hi mount stop light runs through it or not.

My next step is to chase and clean all the engine bay grounds and remove the hi mount light and take a look.

It could be a defective hi mount light assy but there should be no power to the unit unless I push the brake pedal or light up the cargo lights. Somehow there is some voltage feedback getting to the lamp between the brake switch and the hi mount stop light.

It has been a real head scratcher so I am hoping to get some guidance here.

Thanks in advance for any assistance.
Dan
May 5, 2021 at 1:39 PM (Merged)
Avatar
CARADIODOC
  • CERTIFIED EXPERT
  • 34,306 POSTS
Why would the high-mount brake light turn on with the cargo light? Is there another light built into the assembly besides the red brake light? This gets a little tricky when working with LED lights. Regular bulbs vary in brightness according to how much voltage is applied. LED's basically turn on when a very specific voltage is reached, then only get slightly brighter as the voltage increases. Even that is a bit of a generalization, but it boils down to the symptoms and observations will be different than with regular bubs.

To add to the confusion, there has to be some circuitry inside the LED assembly, and there is no way to predict what you will see with low voltage. You may want to consider reinstalling the original assembly while this is being diagnosed.

The less-than-full-brightness observation suggests the voltage applied is too low, and the way that happens is when the current is also going through some other load. That occurs when the current going through, lets say the cargo lamp, cannot find its path to ground, but it finds an alternate path doubling back through the red part of assembly, then over to the rear brake lights, then to ground there. If you had all incandescent bulbs, all of them would be lit up very dimly, and possibly even too dim to see in a well-lit shop.

Another approach is to disassemble the high-mount light enough or get to a connector where you can measure the voltages. Tell me what you find on the supply wire, the ground wire, and the second supply wire if you have one. Also, observe what has to be turned on for those voltage to be there, and do they change when the brake pedal is pressed. You may also want to measure the voltages on the rear brake light bulbs. They can falsely appear to be full brightness when in fact a poor ground connection is limiting the amount of current flowing through them.
May 5, 2021 at 1:39 PM (Merged)
Avatar
IBHOMELESS
  • MEMBER
  • 5 POSTS
Thank you for your reply

The cargo light does not affect this issue. I mentioned that along with brake light voltage when the brakes are applied, or the cargo light is on would be the only time voltage should be present on that light.

if the ignition switch is on, the led's do light up dimly. I do understand there could be some issues with feedback through the LED assembly, but there should not be any voltage there for the lights to light up when the key is on.

I no longer have the OEM light as it was deformed and was allowing water to leak inside the cab. I chose the LED due to the high cost of another GM OEM replacement.

Even when they are lit dimly, when the brake is on, the lights get full bright as they should.
I will check all the items you suggested and get back to you with the results.
May 5, 2021 at 1:39 PM (Merged)
Avatar
IBHOMELESS
  • MEMBER
  • 5 POSTS
Update:

I removed the hi mount light and tested the voltage to the brake light. The blue wire (which is the one that supplies twelve volts when the brake is pressed) has a constant four volts DC on it when the key is on. I broke the connection to the light assembly to eliminate it and with no load, it still has four volts on it. When the brake is applied, it goes to twelve volts. I need to find out where this stray four volts is coming from.

I am attaching a diagram to illustrate. Since I severed the wire at the light, the only other connection is from/to the cruise control. I have that diagram but they are from different sites and I am not sure where the blue wire comes in yet.


By the way, the cruise worked this afternoon.

more as I find it :)
May 5, 2021 at 1:39 PM (Merged)
Avatar
IBHOMELESS
  • MEMBER
  • 5 POSTS
Update #2:

I started looking for the four volt bleed and started with the VECHMSL fuse and the TRCHMSL fuse. Here is what I found with my testing.

With the key off, there is no voltage across either fuse, normal.
With the key on there is the four volts I also found at the high mount light.

I then activated the brake pedal with a bar and then re checked the fuses mentioned above. They now have twelve volts on them and the brake lights are on full bright.

I unplugged the new brake light switch but it did not change anything.

Looking at the diagram, it appears my next step would be the hi mount relay (CHMSL). It was getting dark and I was not able to locate it yet.

Got to be there or possibly the multi-function switch?

Anyway, I think I am getting close, hopefully.
May 5, 2021 at 1:39 PM (Merged)
Avatar
CARADIODOC
  • CERTIFIED EXPERT
  • 34,306 POSTS
Without contacting a GM trainer, I think I know what's going on, and I have a solution. If you had the original assembly in there, with its incandescent bulbs, you would not see a problem. I am pretty sure the four volts is normal, thanks to the addition of all kinds of computer circuitry. (This goes back to when I used to install aftermarket cruise control systems in the 1980s). Four volts is being applied to the circuit, then the current flow is monitored to test the bulbs. Actually, the computer is using the bulb circuit as a ground circuit. Applying 12 volts to it removes the ground and is the first backup strategy in cancelling the cruise control operation.

At the same time, the cruise control system gets at least part of its power source from the same circuit that feeds the brake light switch. That is done because it needs to cut the cruise control operation when the brake pedal is tapped. If the brake light fuse is blown, there would never be 12 volts on that line, and no "cancel" signal for the cruise control. You'd keep flying down the highway. When that fuse is blown, the cruise control won't work, so there's no danger from not getting the cancel signal.

If I'm right, the four volts will be gone when the ignition switch is off. The way I would solve this is to take that light blue wire with the four volts, cut it, and connect the two ends to the contacts of a relay. Also attach the end with the four volts to one of the relay's coil terminals. Ground the other coil terminal. Four volts is not enough to turn the relay on, so the brake light will be fully-off. The relay will turn on when it gets the full 12 volts, and that will switch on the light. I can draw a diagram if necessary.

Be aware that if you use a common relay with five terminals, (one isn't used), there is a damping diode across the coil to kill the voltage spikes it creates when it turns off. You must connect the 12 volt and ground terminals in the right order. If you use a square four-terminal GM relay, most of those use a damping resistor. Resistors don't have a polarity, so you can connect either coil terminal to ground and 12 volts.
May 5, 2021 at 1:39 PM (Merged)
Avatar
IBHOMELESS
  • MEMBER
  • 5 POSTS
Thanks

You are correct that the 4 volts is gone when the key is off.

What puzzles me is that these lights just started coming on dim as described. It has been a couple years that they have not with this LED light. Something has changed

I understand that 4 volts is not enough to see using the regular bulbs and I also understand what you are saying regarding the relay.

Everything you describe above make a lot of sense and it is new info for me...thank you!

I guess my OCD will not let me give up *grin* If it started doing this right away when it was first installed, I wouldn't worry about it but since it is a new problem, it is hard to let it go.

Do you know where the hi mount relay is located? I saw somewhere that it was under the hood on the passenger side but that makes no sense

Thanks again, I really do appreciate all your input
May 5, 2021 at 1:39 PM (Merged)