This seems to happen intermittently, and makes my wife uneasy every time she leaves the driveway. Car listed above is a GLS model. bought December 2014 with 110,000 miles, November 2020, 130,000 miles. I have recently replaced:
TPS, ACDelco Iridium spark plugs and wires, ignition switch (electrical half), water pump, new new gas cap, new gas tank, new pump, and strainer, fuel filter (was extremely dirty), brake lines, front control arms, sway bar end links, new tires.
Two things it does since about a month after we bought the car is the yellow passenger driving light in the headlight continuously blows the bulb after 5 minutes. second the windshield wiper will jump into the ready position only when sitting in park at idle, then it will return to the off position without touching anything.
Present condition
There was no indication of a problem the last time it started about a week ago. My wife went to go get provisions and it cranked over normal, sounded like it wanted to start (cough) but wouldn't fire.
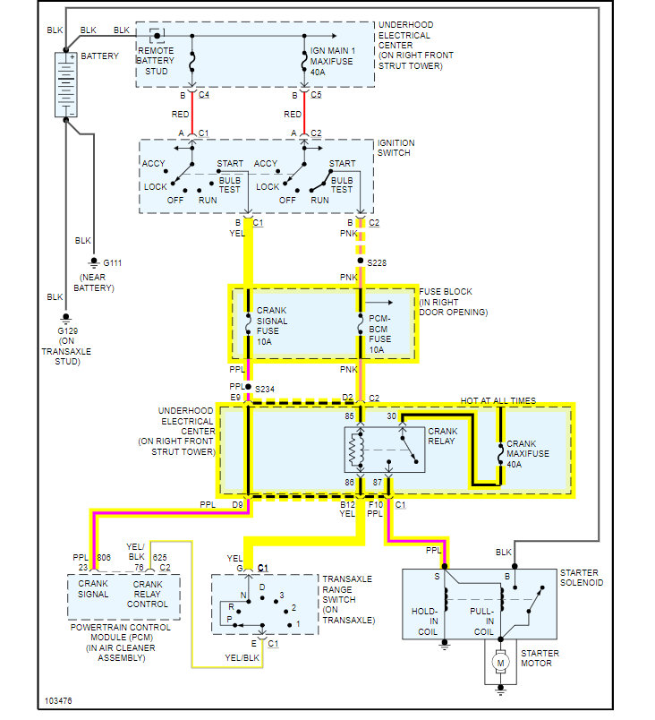
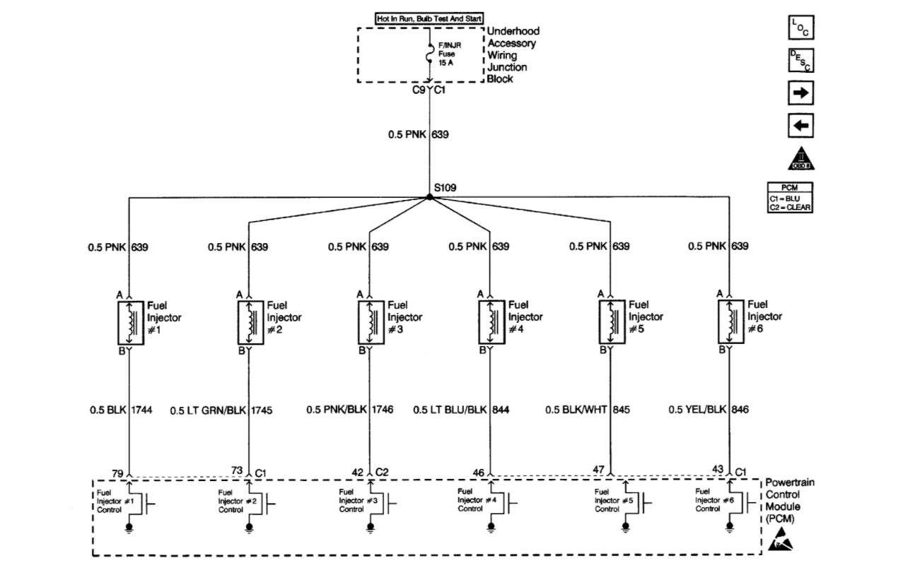
I checked the wires with my old-school timing light they all showed spark, checked and cleaned plugs (they did look lightly blackened) depressed the valve under the fuel pressure regulator to make sure there was gas (shot out about 10 feet) made sure battery connections were tight. Checked for blown fuses. It has done this a few times where it would crank with no start then the next day it seemed fine and started right up. We are stranded out in the country until I can fix this. The open driveway is no place to do auto repair with a mobility issue.
Any help would be so much appreciated. Thank you in advance as I know we will fix this problem together.
TPS, ACDelco Iridium spark plugs and wires, ignition switch (electrical half), water pump, new new gas cap, new gas tank, new pump, and strainer, fuel filter (was extremely dirty), brake lines, front control arms, sway bar end links, new tires.
Two things it does since about a month after we bought the car is the yellow passenger driving light in the headlight continuously blows the bulb after 5 minutes. second the windshield wiper will jump into the ready position only when sitting in park at idle, then it will return to the off position without touching anything.
Present condition
There was no indication of a problem the last time it started about a week ago. My wife went to go get provisions and it cranked over normal, sounded like it wanted to start (cough) but wouldn't fire.
I checked the wires with my old-school timing light they all showed spark, checked and cleaned plugs (they did look lightly blackened) depressed the valve under the fuel pressure regulator to make sure there was gas (shot out about 10 feet) made sure battery connections were tight. Checked for blown fuses. It has done this a few times where it would crank with no start then the next day it seemed fine and started right up. We are stranded out in the country until I can fix this. The open driveway is no place to do auto repair with a mobility issue.
Any help would be so much appreciated. Thank you in advance as I know we will fix this problem together.
Nov 1, 2020 at 8:24 AM
















