I acquired this car from a family member who gave me a little history of the car before he deceased and here it is:
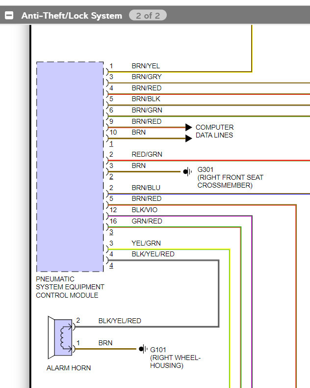
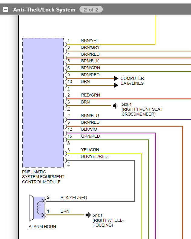
The car got flooded sometimes ago, eventually the control module for the infra-red lock which located in the foot well of the
passenger side corroded which cause the battery to go dead if the car was parked for more than 5 days.
His auto technician removed the control module (which is no longer made by the OEM). He made some changes in the ECU so the
immobilizer would not work (basically removing the security system) and the infra-red entry remote fob no longer needed.
The car only uses an ignition key for entry and starting the car. The car was driving with no problems.
After the family member deceased, the car was parked in the garage for almost a year. The Battery was completely dead, so
I replace it by installing a new battery. The car will crank but will not start. I replace the fuel pump and filter and got a
reading of 58 PSI on the fuel rail. There was no 5-volt ref from any of the sensors. I tried spraying curb fuel into the
intake mod and the engine only made an attempt to start and then die.
What I think is happening is the previous changes made to override the security system got lost when the battery drained from sitting
for all those months and the ECU got reset to the OEM default settings or configuration and now it is looking for the control module
infra-red lock unit. Just for weeding out any issue with the ECU, I send it out to have it checked and it was returned stating the ECU
is working as expected and for me to check for other non-working modules. Based on the VIN, I have checked a Mercedes Benz parts listing
to locate the parts number for the infra-red lock control mod and it seems as if the same parts work for cars from 1997 - 2000 models.
Since the OEM no longer make the control module I am thinking to acquire one from a junk yard. I want to know control mod is a plug and play unit?
And if not, what needs to be done to it. I also want to know what did the auto tech did to override the security settings in the ECU?
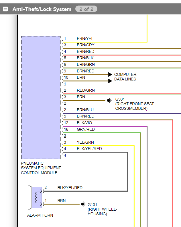
The car got flooded sometimes ago, eventually the control module for the infra-red lock which located in the foot well of the
passenger side corroded which cause the battery to go dead if the car was parked for more than 5 days.
His auto technician removed the control module (which is no longer made by the OEM). He made some changes in the ECU so the
immobilizer would not work (basically removing the security system) and the infra-red entry remote fob no longer needed.
The car only uses an ignition key for entry and starting the car. The car was driving with no problems.
After the family member deceased, the car was parked in the garage for almost a year. The Battery was completely dead, so
I replace it by installing a new battery. The car will crank but will not start. I replace the fuel pump and filter and got a
reading of 58 PSI on the fuel rail. There was no 5-volt ref from any of the sensors. I tried spraying curb fuel into the
intake mod and the engine only made an attempt to start and then die.
What I think is happening is the previous changes made to override the security system got lost when the battery drained from sitting
for all those months and the ECU got reset to the OEM default settings or configuration and now it is looking for the control module
infra-red lock unit. Just for weeding out any issue with the ECU, I send it out to have it checked and it was returned stating the ECU
is working as expected and for me to check for other non-working modules. Based on the VIN, I have checked a Mercedes Benz parts listing
to locate the parts number for the infra-red lock control mod and it seems as if the same parts work for cars from 1997 - 2000 models.
Since the OEM no longer make the control module I am thinking to acquire one from a junk yard. I want to know control mod is a plug and play unit?
And if not, what needs to be done to it. I also want to know what did the auto tech did to override the security settings in the ECU?
Nov 2, 2021 at 6:04 PM

























