The code you have is fuel pressure sensor implausible. The pressure it is sending is higher or lower than the pressure it is requesting it falls into this tree of codes -
The value of sensor B4/15 (Fuel pressure sensor) is implausible. (P0191)
Fuel pressure is too high. (P0191)
Fuel pressure is too low. (P0191)
Fuel pressure control : The lower limit value is reached. (P0191)
Fuel pressure control : The upper limit value is reached. (P0191)
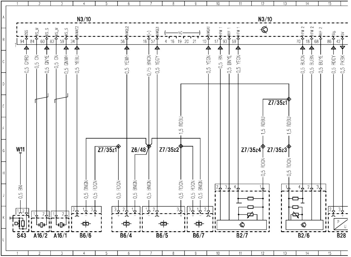
All of them start with testing the two fuel pump control modules for faults. Then they want you to use the scan tool to select a pressure for each module in turn and use the sensor reading to see if the modules operate correctly. So basically you turn on one pump to say 50 psi, then look at the sensor, it shows 50, now select the other control module at 50 and check the sensor, it reads 25, that pump module is the issue. Probably could do that using a pressure gauge on the rail in place of the sensor, then watch the gauge as you cycle the pumps on and off. If both pumps read the same then it's likely the sensor itself.
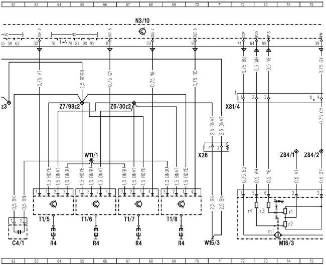
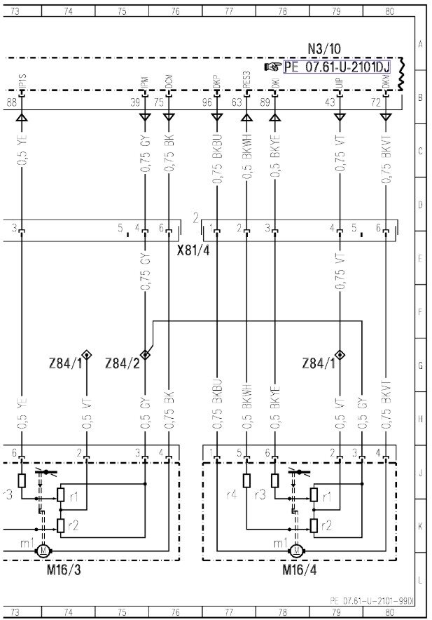
Both pumps are in the same pump module, there is a level sending unit and strainer sock on one side and the pumps are both on the same side with one pump connected to the other side with a hose in the tank.
Images (Click to enlarge)
Feb 12, 2026 at 1:02 PM