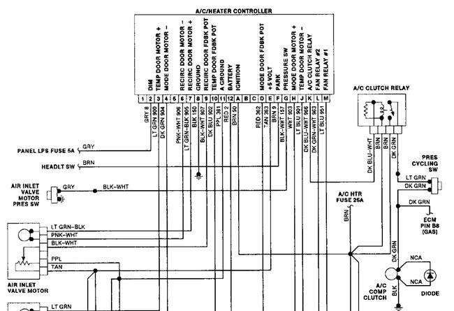
i was able to find a technical service bulletin that really seems to mirror what you are experiencing. however, since the unit is new, i question it. regardless, the part may have been on the shelf awhile or the connector may be the issue. take a look through this tsb and let me know your thoughts.
a/c control head - flashes, operates erratically
group ref.: hvac
subject:
a/c control head flashes or erratic operation of a/c controls (polish terminals)
condition:
a/c control head flashes, performs erratically or malfunctions.
cause:
light surface corrosion on the control head terminals.
correction:
remove the a/c control head and while holding the unit with the terminal cavity down (toward the floor) so no particles will fall inside on the circuit boards, polish the terminals on both sides of the cavity with a lead pencil pink eraser. do not use an ink eraser or other abrasive such as a small wire brush or sandpaper, etc. doing so will remove the terminal coating and degrade the contact surface.
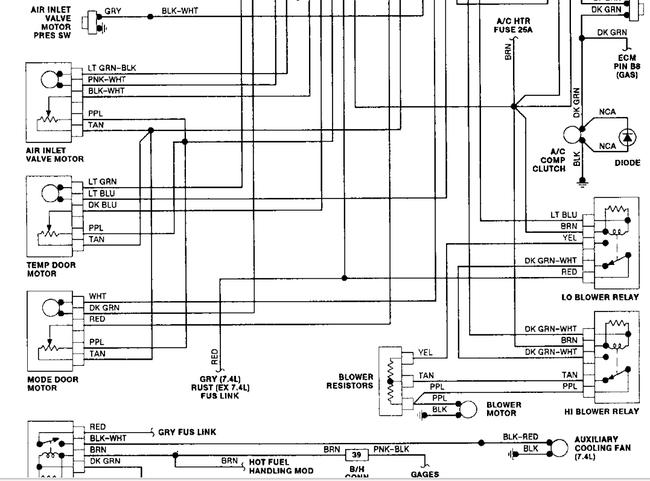
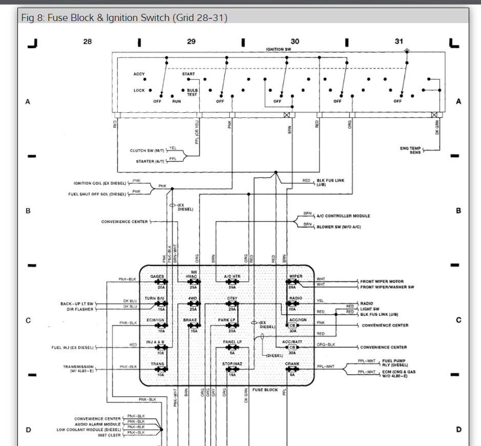
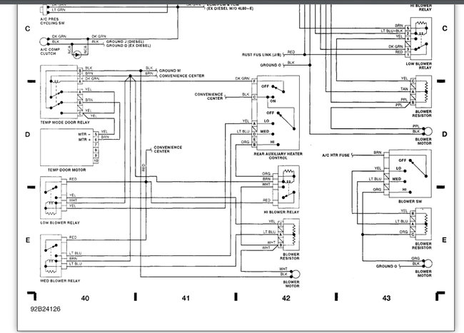
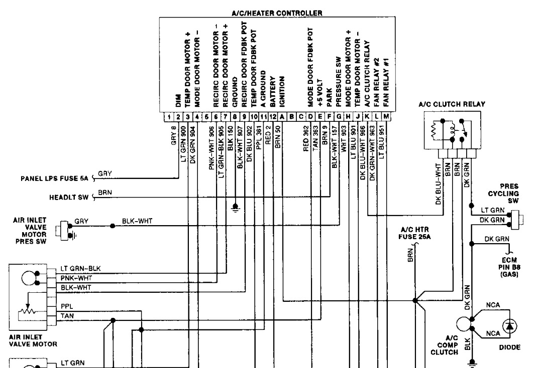
performing this procedure, in many cases, will make replacing the control head unnecessary. using this procedure in conjunction with the a/c circuit diagnosis found in the electrical diagnosis manual and especially before replacing a control head for any reason is recommended.
after polishing the control head terminals, but before reconnecting, check for proper terminal contact as described in the applicable electrical diagnosis manual. if contact is good, apply dielectric grease (p/n 12345579) to the harness connector terminals. please do not apply grease to the control head.
service parts information:
p/n description qty
12345579 dielectric from tube as
grease needed
parts are currently available from gmspo.
warranty information:
for vehicles repaired under warranty, use:
labor description labor time
operation
d0362 a/c control use published
assembly labor operation
replace time
check the connections and let me know what you find. also, ,make sure to use dielectric grease in the connections.
take care,
joe
Apr 30, 2021 at 4:13 PM
(Merged)














