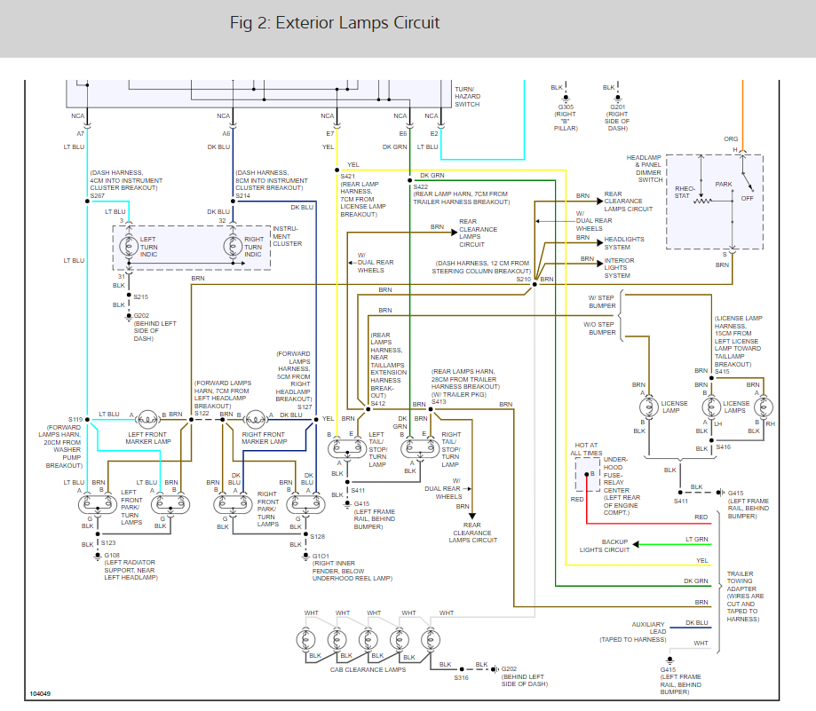
Has blown a few taillights in the past. I replaced the passenger side circuit board in the taillight housing. She has owned the truck for over a year and really had no problems with it what so ever. About a month or two ago she had no brake lights. All turning signals work, tail lights work but just no brake lights.
Should i go ahead and replace the left side circuit board on there? The third brake light dont work either up top.
Is the right side tied into the left side. So if the left side went out it would kill the other 2?
The brake lights started back working about a month or two ago for a few days and they quit again.
There has been no aftermarket trailer light put on there to my knowledge. At least not since she has had it.
Any help would be greatly appreciated.
Should i go ahead and replace the left side circuit board on there? The third brake light dont work either up top.
Is the right side tied into the left side. So if the left side went out it would kill the other 2?
The brake lights started back working about a month or two ago for a few days and they quit again.
There has been no aftermarket trailer light put on there to my knowledge. At least not since she has had it.
Any help would be greatly appreciated.
Dec 11, 2009 at 3:00 PM




