engine stalls while driving?

2003 CHEVROLET SUBURBAN
Avatar
SHIBOY
  • MEMBER
  • 1 POST
5.3L -102,000 miles. Several problems, however I will start with the major problem of stalling while driving. First started noticing problem when I drove it to Phoenix (hot) a week ago. The vehicle will eventually start back up after a couple of minutes, runs fine for ten to twenty miles, then same thing. This is all in the day time of eighty five plus degrees, notice at night time it runs fine with out stalls. Is something overheating? The stall usually happens when you demand a little more acceleration, then idle speed drops below 1000 then turns off.

I took it into the dealer shop with no bad checks, all is well I am told, no SES light. Changed spark plugs, change air filter to K&N, fuel system clean process. Checked transmission fluids.

Other problems; Speedometer not working, Bose stereo system works when it wants to, Service air-bags light comes on at random.

Some say it is the fuel pump going bad, I had that replaced several months back. Would daytime heat play a roll in malfunctioning in the pump?
May 28, 2006 at 9:04 AM
Advertisement
Avatar
NATERZR2
  • MEMBER
  • 9 POSTS
I had a similar problem, but was more random stalling. I have a 1999 Tahoe with the 5.7L V8. Common problem with this engine was the "crankshaft positioning sensor" I chased this stalling problem for two years, and about $3,000.00, and the code never came up when they ran it under the computer. Changed the $80.00 part and she runs like a dream. May be worth checking out.

https://www.2carpros.com/articles/crankshaft-angle-sensor-replacement

This is where I got mine.
Jun 2, 2006 at 1:16 PM
Avatar
THINKOFWHY
  • MEMBER
  • 2 POSTS
Shiboy, I have got the exact same problem stalls when driving in hot weather after the engine temperature goes past vertical, about ten to fifteen minutes. Then it restarts after five to ten minutes, but stalls again, and again. But it runs fine if the weather is cool or overcast. Replacing the ignition module did not help, and I do not want to spend thousands of dollars to replace all suspect parts. I thinking it is the mass air flow sensor (MAF). Something that heats up in hot weather yet is not directly related to engine temperature. Have not figured it out yet. :(
Jul 29, 2006 at 12:29 PM
Advertisement
Avatar
SERVICE WRITER
  • CERTIFIED EXPERT
  • 9,123 POSTS
The 5.3's had a TSB on a leaking fuel pressure regulator. While this may not be the problem, it is worth checking.
Jul 29, 2006 at 1:50 PM
Avatar
STRAILER
  • CERTIFIED EXPERT
  • 53,854 POSTS
Hello,

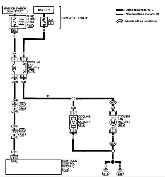
I think it could be a fuel pump relay though this guide can help the location is int he diagrams below.

https://www.2carpros.com/articles/how-to-check-an-electrical-relay-and-wiring-control-circuit

Check out the diagrams (Below). Please let us know what happens.

May 18, 2017 at 11:49 AM
Avatar
POPPS42
  • MEMBER
  • 1 POST
V8 two wheel drive automatic 103,000 miles.

My SUV will just turn-off while I am driving. Mostly when I begin to apply the brakes or sometimes when I try to accelerate from a neutral position. What can cause this problem? I already replaced the battery, alternator, fuel pump, and it still shuts off. Any suggestions? I do not want to replace parts I do not need to. Please help!
May 18, 2017 at 11:53 AM (Merged)
Avatar
JDL
  • CERTIFIED EXPERT
  • 16,098 POSTS
Welcome to the forum. If the vehicle shuts off when you step on the brake, it may be a closed throttle issue. You could take the throttle-body off and give it a cleaning, remove the sensors. Make sure any IAC passages are clear. Have the codes checked, if there are any.
May 18, 2017 at 11:53 AM (Merged)
Avatar
GONZALESRM
  • MEMBER
  • 1 POST
Battery drained, replaced battery. when car started had to run it for ten minutes parked before i could actually drive off because the car kept stalling. Drove the car home forty five miles on the freeway and this morning it started up fine, but keeps stalling out. It turns right over after stalling but will not stay on to drive for very long.

Side note, before this happened not sure if its related, but when you would make a left turn the car would stall out occasionally particularly when it was cold. That could be throttle body issue correct?



May 18, 2017 at 11:53 AM (Merged)
Avatar
HMAC300
  • CERTIFIED EXPERT
  • 48,601 POSTS
Anytime the battery is disconnected the security system has to be reset. See picture.
May 18, 2017 at 11:53 AM (Merged)
Avatar
SHAWNL3
  • MEMBER
  • 1 POST
V8 two wheel drive automatic 65,000 miles.

Please help! My SUV starts fine but then shuts off five to ten seconds later. It sputters before it shuts off. This problem occurs when my truck is idling. Weird!
May 18, 2017 at 11:53 AM (Merged)
Avatar
RASMATAZ
  • CERTIFIED EXPERT
  • 75,992 POSTS
Try cleaning out the idle air control valve and see what happens.
May 18, 2017 at 11:53 AM (Merged)
Avatar
EBREAU
  • MEMBER
  • 1 POST
Lost power(not electrical) of engine, now will start and stay running for like five seconds and then will no start again for an hour. Put in $40.00 of fuel same day it happened earlier in the day.
May 18, 2017 at 11:53 AM (Merged)
Avatar
WRENCHTECH
  • CERTIFIED EXPERT
  • 20,761 POSTS
Test your fuel pressure with a gauge. Sounds like fuel pump is bad. It needs minimum of 55 psi to run.
May 18, 2017 at 11:53 AM (Merged)
Avatar
MARKE
  • MEMBER
  • 2 POSTS
68,000 miles.

Hello! I need a little help here figuring out what happened. I had my car doors open and radio playing while cleaning out my car. Afterwards, it would not start. I thought must be the battery, tried jumper cables, but it was so weak that did not work. took the battery to the store and had it recharged. Now the car will turn on, but within five minutes it completely shuts off. Thought maybe the alternator went bad, replaced it today, but it is still shutting off while driving. Right before shutting down, the car shakes a little bit and I hear a little knocking sound coming from the engine area. Also, I am overdue for an oil change, do not know it that has anything at all to do with whats going on. Thanks for any advice you can provide.
May 18, 2017 at 11:53 AM (Merged)
Avatar
BLACKOP555
  • CERTIFIED EXPERT
  • 10,386 POSTS
Try having the battery tested, might have a bad cell in it.

Check fuel filter and fuel pump also may not getting proper fuel, explaining the knocking.
May 18, 2017 at 11:53 AM (Merged)
Avatar
MARKE
  • MEMBER
  • 2 POSTS
Thanks Blackop555! Had the battery checked, and it is good, so I will check the fuel filter/pump.
May 18, 2017 at 11:53 AM (Merged)
Avatar
KPH
  • MEMBER
  • 1 POST
V8 two wheel drive automatic 118,000 miles.

My SUV keeps shutting of for trying to shut off when in idle. My check engine light came on and we had it tested and it said suspected mass air flow sensor so we had that replaced but the problem still persist. The only thing is it only happens when it is cold outside (forty five or below) the light goes off and it works fine when it is warm! I am wondering if anyone has any idea what this could be?
May 18, 2017 at 11:53 AM (Merged)
Avatar
JDL
  • CERTIFIED EXPERT
  • 16,098 POSTS
Hello, what was the actual code? The code will not tell you what to replace, just the general area, where the system thinks the problem is located.

Without a code, the first thing I would check is the idle system. You need to do some testing before you replace anything.
May 18, 2017 at 11:53 AM (Merged)
Avatar
RASMATAZ
  • CERTIFIED EXPERT
  • 75,992 POSTS
Check and test the coolant temperature sensor/idle air control valve and throttle position sensor.
May 18, 2017 at 11:53 AM (Merged)
Avatar
GRIMLORD
  • MEMBER
  • 2 POSTS
i changed the plugs, MA , and MAPS and the SUV still runs rough and then shuts off.
May 18, 2017 at 11:53 AM (Merged)
Avatar
RASMATAZ
  • CERTIFIED EXPERT
  • 75,992 POSTS
Clean out the idle air control valve and PCV and EGR valves and see what happens.

https://www.2carpros.com/articles/engine-misfires-or-runs-rough

May 18, 2017 at 11:53 AM (Merged)
Avatar
BENZ20JR
  • MEMBER
  • 1 POST
V8 two wheel drive automatic 120,000 miles.

Engine stalls when i come to a stop.
May 18, 2017 at 11:53 AM (Merged)
Avatar
JACOBANDNICKOLAS
  • CERTIFIED EXPERT
  • 110,175 POSTS
Has the check engine light come on? Have you checked for vacuum leaks? Fuel pump pressure?
May 18, 2017 at 11:53 AM (Merged)
Avatar
JANETTEYOUNG
  • MEMBER
  • 1 POST
V8 four wheel drive automatic 87,000 miles.

My truck stalls while i am driving it. I have to wait about ten minutes before it will restart. I have taken it to two mechanics and they cannot find what is causing the problem. It has been connected for diagnostic testing and their were no default codes.
May 18, 2017 at 11:54 AM (Merged)
Avatar
BLACKOP555
  • CERTIFIED EXPERT
  • 10,386 POSTS
i would like you to try some starting fluid sprayed directly in the throttle body when the truck has its ten minute period that it will not start. post back.
May 18, 2017 at 11:54 AM (Merged)
Avatar
  • MEMBER
  • 1 POST
V8 two wheel drive automatic 105,000 miles.

Runs great come to a light or slow down in parking lot car should idle but stalls. the check engine light is not on. as car's rpm's start dropping loss of power and voltage.
May 18, 2017 at 11:54 AM (Merged)
Avatar
RASMATAZ
  • CERTIFIED EXPERT
  • 75,992 POSTS
Check the PCV and EGR valves and also the idle air control valve and throttle position sensor/MAF.
May 18, 2017 at 11:54 AM (Merged)
Avatar
BILL POOLE
  • MEMBER
  • 1 POST
I have an SUV that quits running. I have changed fuel pumps three times by different shops in three days. What is really wrong?
May 18, 2017 at 11:54 AM (Merged)
Avatar
JDL
  • CERTIFIED EXPERT
  • 16,098 POSTS
Use a gauge and check fuel pressure, before you do anything. Check voltage and ground for fuel pump motor. Check fuel pump amp draw. Are you using OEM pumps?
May 18, 2017 at 11:54 AM (Merged)
Avatar
LILANGELSRO4
  • MEMBER
  • 2 POSTS
My SUV has started shutting off after i push the gas pedal to accelerate. it shuts off and we try about a minute later and it restarts has if nothing was wrong. any clue what it can be?
May 18, 2017 at 11:54 AM (Merged)
Avatar
JDL
  • CERTIFIED EXPERT
  • 16,098 POSTS
Hi, I would use a gauge and check fuel pressure when the problem is ongoing. I might also take the throttle-body off and give it a cleaning.
May 18, 2017 at 11:54 AM (Merged)
Avatar
LILANGELSRO4
  • MEMBER
  • 2 POSTS
Thanks, whatever can help. hopes it is just not major!
May 18, 2017 at 11:54 AM (Merged)
Avatar
PAULDANIELS34
  • MEMBER
  • 1 POST
V8 two wheel drive automatic 106,000 miles.

While driving the SUV just cuts off. Wait about ten minutes and it starts right up. Would go about a quarter mile and repeats the process. Shakes like it is not getting gas.
May 18, 2017 at 11:54 AM (Merged)
Avatar
MHPAUTOS
  • CERTIFIED EXPERT
  • 31,937 POSTS
Hi there,

Change the fuel filter and have the fuel pressure and flow rates checked, start here.

Mark (mhpautos)
May 18, 2017 at 11:54 AM (Merged)
Avatar
  • MEMBER
  • 0 POST
my SUV shut off the other day while I was at work, nothing was left on, now when I start the SUV and switch gears, it stalls and will not stay running. I have a half of tank of gas in it, and it starts so I do not think it is the fuel pump. please help. :)
May 18, 2017 at 11:54 AM (Merged)
Avatar
ASEMASTER6371
  • CERTIFIED EXPERT
  • 52,796 POSTS
Check fuel pressure, start there.

Roy
May 18, 2017 at 11:54 AM (Merged)
Avatar
DEATHCARRIER
  • MEMBER
  • 1 POST
Six cylinder two wheel drive automatic.

the engine shuts off when I put it in park. starts up just fine runs good just when I put it in park it shuts off. i checked the cables they are tight and the battery is good.
May 18, 2017 at 11:54 AM (Merged)
Avatar
SCOTTY DEE
  • CERTIFIED EXPERT
  • 592 POSTS
I hate it when they do weird stuff. The first thing to be done is to scan the PCM (powertrain control module) and the BCM (body control module) for any trouble codes. The only thing that should happen when you put it in park is unlock the doors.

Let me know if/what the codes are. This ought to be fun.
May 18, 2017 at 11:54 AM (Merged)
Avatar
CASHFLOW50$
  • MEMBER
  • 13 POSTS
It is the ECBM that is located under under the drivers seat on the exterior. My Yukon was acting exactly what was described. Moves then sputters and shuts off. Lights came on like Christmas lights on Christmas. researched all over the net for answers and all along it was the ECBM going bad. Sent it to module masters. My Yukon runs like a champ after install.

Or it can be the TCC solenoid in the Transmission. Have it meter tested. should be registering at least 25. It is easy to remove and install. Fairly cheap as well.
Jul 18, 2017 at 10:06 AM
Avatar
STRAILER
  • CERTIFIED EXPERT
  • 53,854 POSTS
Nice work, we are here to help. please use 2CarPros anytime.

Cheers, Ken
Jul 18, 2017 at 3:21 PM
Avatar
R.SAMS
  • MEMBER
  • 1 POST
V8 two wheel drive automatic 77,615 miles.

i just replaced the fuel pump a few months ago because it did not seem like the truck was getting enough fuel to the fuel line. now the same problem persists.
Aug 18, 2017 at 10:27 PM (Merged)