Yes, the steering wheel has to come off.. Which means the air bag has to be dealt with as well as the clock spring in the top of the column/wheel.
1. Make sure the lever is in the center or the OFF position.
2. Disable the Supplemental Inflatable Restraint (SIR) system.
Caution: Refer to Battery Disconnect Caution in Service Precautions.
3. Remove the inflator module.
4. Remove the horn pad assembly.
5. Remove the horn switch.
6. Remove the steering wheel nut.
7. Use the J 1859-A in order to remove the steering wheel.
8. Remove the knee bolster.
9. Loosen the steering column bracket nuts.
10. Remove the two TORSO head screws from the lower column cover.
11. Tilt the cover down and slide the cover back in order to disengage the locking tabs. Lower the column cover.
12. Remove the two TORSO head screws from the upper column cover.
13. Remove the steering column lock set.
14. Remove the upper column cover.
15. Remove the two wire harness straps from the steering column wire harness.
16. Remove the Connector Position Assurance (CPA) retainer from the Brake Transmission Shift Interlock (BTSI).
17. Disconnect the steering column bulkhead connector from the vehicle wire harness.
18. Disconnect the gray and the black connectors of the switch from the column bulkhead connector.
19. Remove the two TORX head screws from the switch.
20. Remove the multifunction turn signal/hazard switch.
1. Install the multifunction turn signal/hazard switch.
1.1.Use a small blade screwdriver in order to compress the electrical contact. Move the multifunction switch into position.
1.2.Make sure the electrical contact rests on the canceling cam assembly.
2. Install the two TORX head screws on the switch.
- Tighten the screws to 6 Nm (53 inch lbs.).
Notice: Refer to Fastener Notice in Service Precautions.
3. Connect the gray and the black connectors of the switch to the column bulkhead connector.
4. Install the steering column bulkhead connector to the vehicle wire harness.
5. Install the connector and the CPA retainer to the BTSI.
6. Install the two wire straps on the steering column wire harness.
7. Install the upper column cover.
8. Install the steering column bracket nuts.
- Tighten the nuts to 30 Nm (22 ft. lbs.).
9. Install the knee bolster.
10. Install the steering column cylinder lock set.
11. Install the two TORX head screws to the upper column cover.
- Tighten the screws to 1.4 Nm (12 inch lbs.).
12. Install the lower column cover.
13. Install the two TORX head screws to the lower column cover.
- Tighten the screws to 6 Nm (53 inch lbs.).
14. Make sure the lever is in the center or the OFF position.
15. Install the steering wheel onto the steering shaft.
16. Install the steering wheel nut.
- Tighten the steering wheel nut to 40 Nm (29 ft. lbs.).
17. Install the horn pad assembly.
18. Install the horn switch.
19. Install the inflator module.
20. Enable the Supplemental Inflatable Restraint (SIR) system.
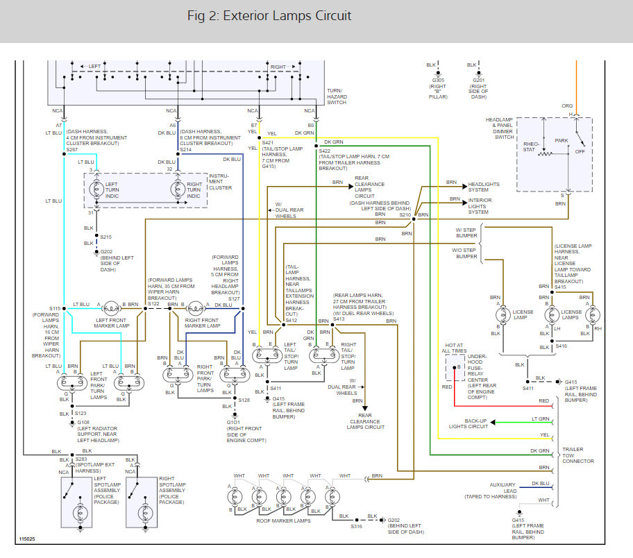
There is a diagram of the switch/column attached below
Mar 21, 2019 at 6:57 PM