Air conditioner compressor is not turning on relay?

2005 CHEVROLET SILVERADO
Avatar
ACEHEARTS
  • MEMBER
  • 1 POST
i have searched all over the truck cant find it?
Jul 16, 2009 at 11:54 AM
Advertisement
Avatar
BLUELIGHTNIN6
  • CERTIFIED EXPERT
  • 16,542 POSTS
It is in the underhood fuse block..Check out the diagrams (Below). Please let us know if you need anything else to get the problem fixed.


https://www.2carpros.com/forum/automotive_pictures/261618_Noname_688.jpg

Jul 16, 2009 at 12:14 PM
Avatar
11JIMBO
  • MEMBER
  • 10 POSTS
I have replaced the compressor, ,the relay, and all switches.the pressure is right all was charged when I replaced compressor. I can jump the relay the compressor will come on. But what's keeping it from working? I've got 5 volts at the low and hi pressure switches. I'm lost.
Apr 30, 2021 at 4:33 PM (Merged)
Advertisement
Avatar
ASEMASTER6371
  • CERTIFIED EXPERT
  • 52,796 POSTS
Good afternoon,

I attached a wiring diagram. Please check for 2 powers to the AC relay with the key on.

https://www.2carpros.com/articles/how-to-check-wiring

Let us make sure there is voltage at the relay.

https://www.2carpros.com/articles/how-to-check-an-electrical-relay-and-wiring-control-circuit

Roy
Apr 30, 2021 at 4:33 PM (Merged)
Avatar
11JIMBO
  • MEMBER
  • 10 POSTS
Yes, I have 12 volts at terminal 87. And with the key on terminal 85 is hot. Like I said I can jump the relay at 87 and 30 the compressor comes on. Unless the wire from the compressor is broke.
Apr 30, 2021 at 4:33 PM (Merged)
Avatar
ASEMASTER6371
  • CERTIFIED EXPERT
  • 52,796 POSTS
Okay, you have power at 30. 87 goes to the compressor.

The ECM grounds the control side of the relay or terminal 86. It will ground it and activate the compressor once it sees the correct signal from the sensor for high and low sides.

Did you try jumping the low side pressure sensor and see if the compressor comes on?

Roy
Apr 30, 2021 at 4:33 PM (Merged)
Avatar
11JIMBO
  • MEMBER
  • 10 POSTS
Yes sir, I have jumped the low side and the hi side I even jumped them both at the same time. I gave terminal 86 a ground and the compressor comes on but is not cycling . Well, maybe i'm wrong here I put my gauges back on the truck and it's reading low side 65 psi and hi side reads 75 psi but it is 48 degrees here.
Apr 30, 2021 at 4:33 PM (Merged)
Avatar
ASEMASTER6371
  • CERTIFIED EXPERT
  • 52,796 POSTS
The ECM is not grounding it.

Do you have a scan tool that can monitor the AC switches?

We are getting close to the ECM being the issue.

Pin 86 goes to the ECM. You need to see if the ECM is seeing the proper signals before condemning the ECM.

You need to check for voltage at the wires I circled on the red connector at the ECM for power.


Roy
Apr 30, 2021 at 4:33 PM (Merged)
Avatar
FXLRDAVE
  • MEMBER
  • 1 POST
All is good except A/C button light comes on but does run ground to A/C relay pin #87 and I cannot find a wiring diagram that shows the button circuit.
Apr 30, 2021 at 4:33 PM (Merged)
Avatar
DANNY L
  • CERTIFIED EXPERT
  • 5,648 POSTS
Hello, I'm Danny.

Here is a tutorial on how to test wiring:

https://www.2carpros.com/articles/how-to-check-wiring

I've attached the wiring diagram you requested below.Hope this helps and thanks for using 2CarPros.

Danny-
Apr 30, 2021 at 4:33 PM (Merged)
Avatar
11JIMBO
  • MEMBER
  • 10 POSTS
Okay, I have checked the power at the pins on the PCM. 11 pin has 9 volts,17 pin has 5 volts,43 has 12 volts and 55 has 9 volts . This with the key on and A/C on.
Apr 30, 2021 at 4:33 PM (Merged)
Avatar
ASEMASTER6371
  • CERTIFIED EXPERT
  • 52,796 POSTS
Okay, those are signals and they are getting there. The ECM is not grounding the relay even with the signals.

Looks like you need an ECM.

Roy
Apr 30, 2021 at 4:33 PM (Merged)
Avatar
11JIMBO
  • MEMBER
  • 10 POSTS
Thanks for the info. I have changed the ECM this mourning. same thing .So now what?
Apr 30, 2021 at 4:33 PM (Merged)
Avatar
ASEMASTER6371
  • CERTIFIED EXPERT
  • 52,796 POSTS
Did you check the dark green/white wire for power. That is from the relay and what needs to be grounded.

Roy
Apr 30, 2021 at 4:33 PM (Merged)
Avatar
11JIMBO
  • MEMBER
  • 10 POSTS
Yes sir with the key on it has power but when I give it a ground the compressor comes on but does not cycle.
Apr 30, 2021 at 4:33 PM (Merged)
Avatar
CEEANDREW MURRY
  • MEMBER
  • 2 POSTS
Inside control panel only works on high setting, but when I turn on A/C compressor doesn't come on at all. only tried jumping compressor with hot wire clutch engages. Checked plugs from clutch,low pressure switch with test light an got nothing. #12 fuse good. Would the resistor keep compressor from getting power? What's wrong and how to fix?
Apr 30, 2021 at 4:33 PM (Merged)
Avatar
ASEMASTER6371
  • CERTIFIED EXPERT
  • 52,796 POSTS
Good evening,

I attached a wiring diagram for you to view. Make sure you test all the fuses in the diagram for power on both sides. This is a power test, not a visual test.

https://www.2carpros.com/articles/how-to-check-a-car-fuse

The ECM supplies power to the low and high pressure switches as shown in the diagram.

Recheck the voltage with the key on and the A/C request on.

Roy
Apr 30, 2021 at 4:33 PM (Merged)
Avatar
ASEMASTER6371
  • CERTIFIED EXPERT
  • 52,796 POSTS
I am not worried about cycling.

For some reason, the ECM is seeing the signals but not commanding the compressor on by grounding that wire.

How much voltage is at that wire?

Roy
Apr 30, 2021 at 4:33 PM (Merged)
Avatar
CEEANDREW MURRY
  • MEMBER
  • 2 POSTS
That is, will let you know the outcome.
Apr 30, 2021 at 4:33 PM (Merged)
Avatar
11JIMBO
  • MEMBER
  • 10 POSTS
Okay, with the key on A/C on the green and white wire to pin 86 has 13 volts on it, but when I give it a ground the compressor kicks on.
Apr 30, 2021 at 4:33 PM (Merged)
Avatar
ASEMASTER6371
  • CERTIFIED EXPERT
  • 52,796 POSTS
Okay, good.

Keep me updated.

Roy
Apr 30, 2021 at 4:33 PM (Merged)
Avatar
ASEMASTER6371
  • CERTIFIED EXPERT
  • 52,796 POSTS
That is what is supposed to happen.

The ECM should be doing what you are doing.

Do you have a scan tool that can read the sensors?

Roy
Apr 30, 2021 at 4:33 PM (Merged)
Avatar
KASEKENNY
  • CERTIFIED EXPERT
  • 18,907 POSTS
Okay. Let's walk through this. You can use a test light but depending on what we find we may need to come back with a meter.

First thing, when you turn the AC on does the indicator lamp in the control module turn on?

If so,

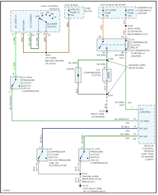
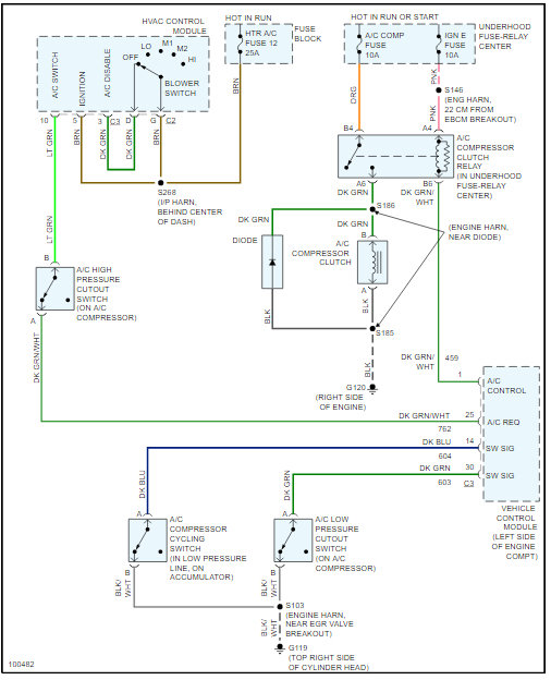
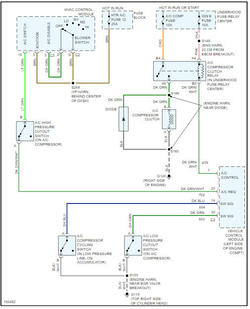
Look at the first 3 diagrams. This is the pure power feed to the clutch relay which feeds the clutch. We need to check power at each terminal at the relay with the the AC turned on. With the AC on you should have power on the two fused circuits. You should have power on the wire (Green/white) from the PCM when the compressor is commanded on. Then the green wire is the feed to the compressor. This is going to have power when the clutch is commanded on. So that means these two are going to be cycling so give it a minute. However, I suspect you have no power on either of these.

If that is the case, move onto the last two diagrams. These circuits are the command wires from the switch to the cycling switch, which leads to the pressure switch and that feeds to the PCM. Basically this is giving the info to the PCM in the following progression. You press the on button, which energizes the cycling switch, which energizes the pressure switch which sends power to the PCM. So this means if the power makes it all the way through to the PCM then the PCM says it is okay to turn on the compressor so it then sends power up to the clutch relay which sends it down through the clutch.

All of this to say, we need to know what has power and what does not and we can figure out what the issue is.

Let me know if you have questions. Thanks
Apr 30, 2021 at 4:33 PM (Merged)
Avatar
11JIMBO
  • MEMBER
  • 10 POSTS
No nothing to read A/C sensors.
Apr 30, 2021 at 4:33 PM (Merged)
Avatar
KASEKENNY
  • CERTIFIED EXPERT
  • 18,907 POSTS
Sorry. Roy was faster then me. Didn't know he posted on this already. I will jump in if needed. Thanks
Apr 30, 2021 at 4:33 PM (Merged)
Avatar
11JIMBO
  • MEMBER
  • 10 POSTS
would there be anyway for me to check the sensors?
Apr 30, 2021 at 4:33 PM (Merged)
Avatar
ASEMASTER6371
  • CERTIFIED EXPERT
  • 52,796 POSTS
We did that by verifying voltage to the ECM from the sensors.

I hate to say it but you may have a bad new ECM.

It is the only thing left with the testing you have done.

Roy
Apr 30, 2021 at 4:33 PM (Merged)
Avatar
11JIMBO
  • MEMBER
  • 10 POSTS
Thanks Roy.
Apr 30, 2021 at 4:33 PM (Merged)
Avatar
ASEMASTER6371
  • CERTIFIED EXPERT
  • 52,796 POSTS
You are welcome.

Always glad to help.

Roy
Apr 30, 2021 at 4:33 PM (Merged)
Avatar
DAVID DELOACH
  • MEMBER
  • 5 POSTS
Just bought a 1996 silverado. A/C compressor had been replaced with a bypass pulley. I installed a new compressor, evaporator, condensor, orfice, dryer, & high pressure liquid line. Checked fuse in side of dash, and the relay fuse under the hood. Charged with 1 can of 134a and it wouldn't take the 2nd can. Started truck and turned on the A/C by pressing 'A/C' button on control panel. It does not light up and the unit does not start. Bypassed cycling switch and the unit will not cycle the clutch. Wiring harness is plugged in to the front top of the compressor & into the high pressure switch coming out of the 'Suction & return' line block on the back (top) of the compressor. Also pulled the control panel out of the dash to make sure everything was plugged in. Can't find a problem.Any suggestions?
Apr 30, 2021 at 4:33 PM (Merged)
Avatar
WRENCHTECH
  • CERTIFIED EXPERT
  • 20,761 POSTS
Sounds like just a blown fuse.
Fuse #12 (25amp) under the dash
Apr 30, 2021 at 4:33 PM (Merged)
Avatar
DAVID DELOACH
  • MEMBER
  • 5 POSTS
Checked fuse 12 it's good. Also 10 amp relay fuse under the hood. Also good
Apr 30, 2021 at 4:33 PM (Merged)
Avatar
WRENCHTECH
  • CERTIFIED EXPERT
  • 20,761 POSTS
If the A/C button isn't lighting up, you either have a bad control head or no power to it. You need to troubleshoot the circuit.
Apr 30, 2021 at 4:33 PM (Merged)
Avatar
DAVID DELOACH
  • MEMBER
  • 5 POSTS
Thanks I'll check it this week end.
Apr 30, 2021 at 4:33 PM (Merged)
Avatar
KBRAEGER
  • MEMBER
  • 11 POSTS
My A/C does not blow cold air. The clutch is not engaged. I added coolant to it and had it pressure tested and there does not seem to be a leak. I replaced the three switches there two high-pressure ones and a low pressure one. The clutch still does not want to engage I jumpered the clutch and it turns on when it is jumpered. Strange thing I noticed is that there is no pressure in the high pressure side.
Apr 30, 2021 at 4:33 PM (Merged)
Avatar
ASEMASTER6371
  • CERTIFIED EXPERT
  • 52,796 POSTS
Good afternoon.

What is the high and low side pressure with the engine off?

I attached a wire diagram for you to view. Check the fuses for the clutch relay and make sure there is power on both sides of the fuses.

Did you check for voltage to the switches?

Roy

https://www.2carpros.com/articles/car-air-conditioner-not-working-or-is-weak
Apr 30, 2021 at 4:33 PM (Merged)
Avatar
KBRAEGER
  • MEMBER
  • 11 POSTS
Thanks for the quick response. I do not have any pressure on either side with the engine off.
Also, I am not able to find a location for a relay for this truck.
Apr 30, 2021 at 4:33 PM (Merged)
Avatar
ASEMASTER6371
  • CERTIFIED EXPERT
  • 52,796 POSTS
The first thing you need to do is get the Freon system working. The clutch will not engage until the proper pressures are acquired.

You need to add about two cans of Freon to start to see if the clutch comes online. If it does, then you need to find the leak in the system and have it repaired.

Roy
Apr 30, 2021 at 4:33 PM (Merged)
Avatar
KBRAEGER
  • MEMBER
  • 11 POSTS
I think might have pit the sensor with the snap ring on wrong. I am assuming it is supposed to be snug. Right now it can wiggle up and down. Before I put that on I had it vacuum tested and there were no leaks.
I do not understand how the pressure on the high side gets high. I understand that putting Freon in the low side will increase the pressure, but how does that increase pressure in high side?
Apr 30, 2021 at 4:33 PM (Merged)
Avatar
ASEMASTER6371
  • CERTIFIED EXPERT
  • 52,796 POSTS
The compressor creates a high pressure and the expansion valve change the pressure to a low pressure.

Did you add Freon and see if the system engages?

Roy
Apr 30, 2021 at 4:33 PM (Merged)
Avatar
KBRAEGER
  • MEMBER
  • 11 POSTS
I added, but compressor does not kick on.
Apr 30, 2021 at 4:33 PM (Merged)