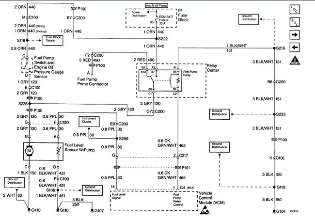
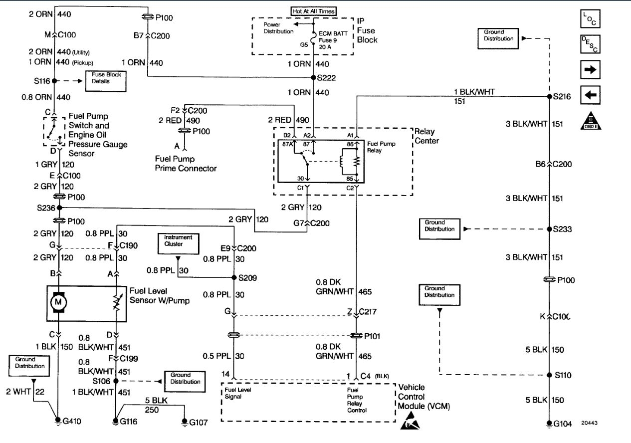
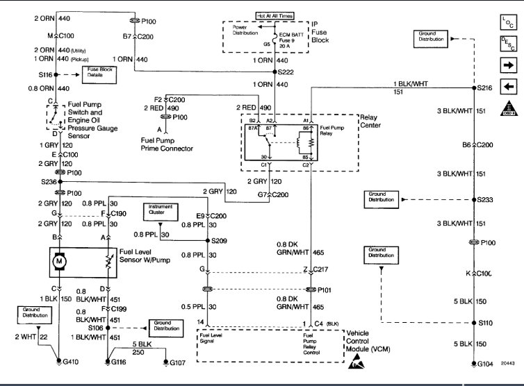
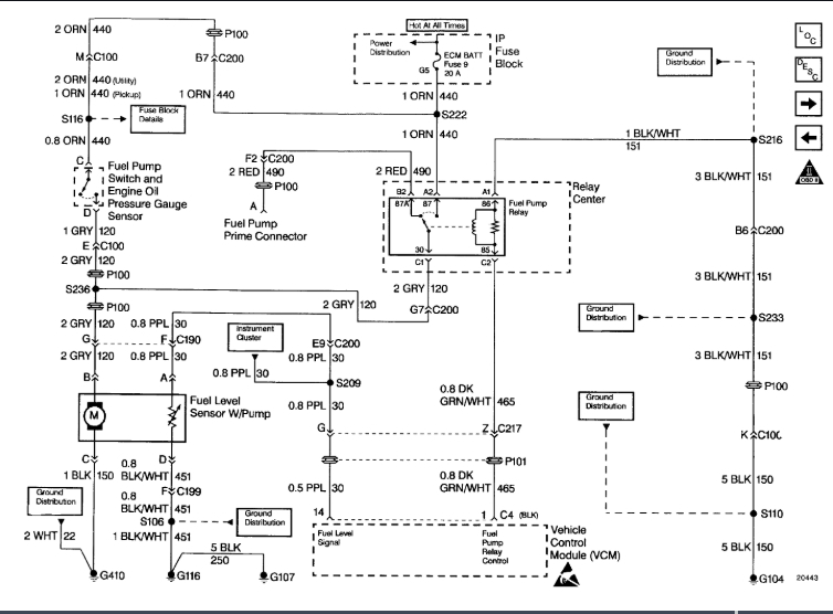
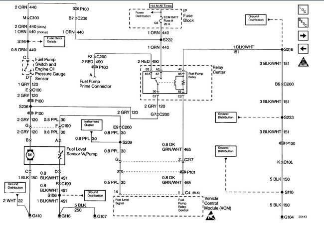
fuel pump not working. have replaced it with a new one, no luck. No voltage at grey wire to pump.
Have swapped out the relay, no luck
Have check the fuse next to the relay, okay. There is voltage at the fuse (test light)
I have read there is a place where you can test the circuit by providing a 12 volts jumper which should then cause the pump to run (or tell you there is a problem like a broken line - grey wire). But I don't know where this is.
Assuming the line is okay to the pump, what am I missing that is keeping the pump from getting power?
The engine has spark and so on. does not run. No code comes up via the scanner.
Mar 6, 2021 at 11:35 AM
(Merged)