heater core?

2004 CHEVROLET BLAZER
10,000 MILES • 6 CYL • 2WD • AUTOMATIC
Avatar
ITSRONDO
  • MEMBER
  • 1 POST
How do I remove the heater core?
Jun 10, 2010 at 9:46 PM
Advertisement
Avatar
BLUELIGHTNIN6
  • CERTIFIED EXPERT
  • 16,542 POSTS
Hello,

Start by disconnecting the battery and you will need to vacuum the AC system and drain the coolant out. Here is a guide that will help and the instructions for doing the job are in the diagrams below.

https://www.2carpros.com/articles/re-charge-an-air-conditioner-system

and this is an older truck but you get the idea, check the diagrams below to replace the heater core in your truck.

https://www.2carpros.com/articles/replace-heater-core

Check out the diagrams (Below). Please let us know if you need anything else to get the problem fixed.
Jun 10, 2010 at 9:56 PM
Avatar
TIGERPAW
  • MEMBER
  • 1 POST
Heater problem
2003 Chevy Blazer 6 cyl Two Wheel Drive Manual 64.000 miles
----------------------------------------------------------------
I have replaced my thermostste still no heat. Doesnot get to the half way hot sometimes i have a film of somekind on my windshield sometime i leak coolent but not much. one person says i need a heater core another says a head gasket it doesnot give off any heat at all i dont have a couple of hundred bucks to play arround with both jobs are very extensive so i am told are they right
Aug 19, 2020 at 8:08 PM (Merged)
Advertisement
Avatar
SERVICE WRITER
  • CERTIFIED EXPERT
  • 9,123 POSTS
Symptoms fit a heat core not a head gasket.

The film on the window is probably the anti-freeze from a slow leak in the core. IF the core is not staying full, there will be no heat.

Do you know where the coolant leak is you mentioned?
Aug 19, 2020 at 8:08 PM (Merged)
Avatar
AFISHERMA
  • MEMBER
  • 1 POST
The I think the heater went out. It is blowing cold air. Fisrt I started noticing that while idleing the air turned from hot to cold,and then while accelerating the air turned back to warm, but now it does not get warm at all even when accelerating, is this the heating element,the heater core, or would this be a thermostat issue? I know it is not a blower issue because it still kicks out a great deal of air, its just cold even after the vehicle is completely warmed up.
Aug 19, 2020 at 8:09 PM (Merged)
Avatar
RHALL77
  • CERTIFIED EXPERT
  • 3,361 POSTS
it could be a thermostat or the heater core is plugged and needs prestones super flush. this is the only flushing kit i found that works for the blazer heater core
Aug 19, 2020 at 8:09 PM (Merged)
Avatar
GUNNYSARGE
  • MEMBER
  • 3 POSTS
wife say no heat... I pulled the hoses from the heater core on the fire wall... no water on one side .. can I flush or blow air thru core or do I have to replace????
Aug 19, 2020 at 8:10 PM (Merged)
Avatar
OBXAUTOMEDIC
  • CERTIFIED EXPERT
  • 3,711 POSTS
Hello,

You can try flushing with water, from the no water side, and see if can flush it out.

And of course if can't then will need to replace.


.
Aug 19, 2020 at 8:10 PM (Merged)
Avatar
CARLOS_GONZALEZ_JR
  • MEMBER
  • 1 POST
Heater problem
2002 Chevy Blazer 6 cyl Two Wheel Drive Automatic

What is the process of heater core replacement
Aug 19, 2020 at 8:10 PM (Merged)
Avatar
BLUELIGHTNIN6
  • CERTIFIED EXPERT
  • 16,542 POSTS
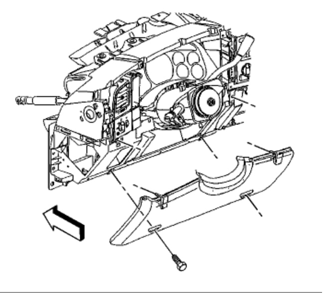
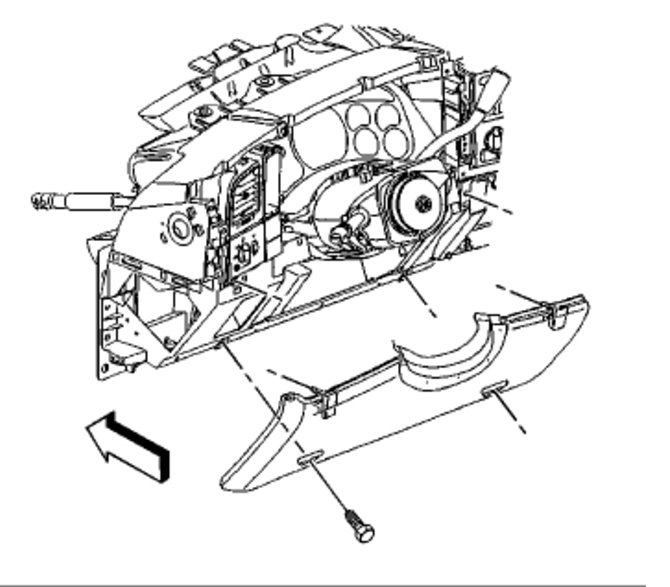
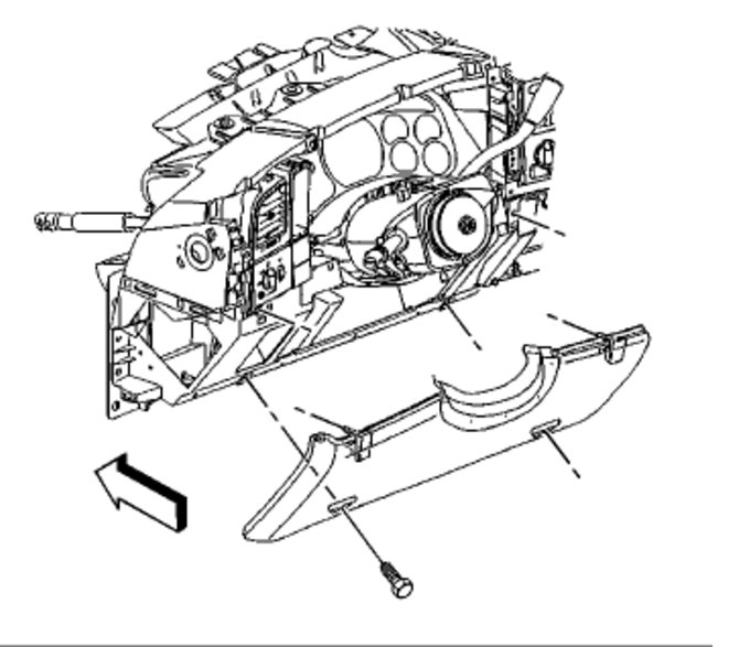
REMOVAL:
Remove the HVAC module-auxiliary.
Remove the screws from heater core cover-auxiliary from the HVAC module-auxiliary.
Remove the heater core cover-auxiliary.
Remove the HVAC module pass thru seal-auxiliary.
Remove the heater core-auxiliary from the HVAC module-auxiliary.



INSTALLATION:
Install the heater core-auxiliary to the HVAC module-auxiliary.
Install the HVAC module pass thru seal-auxiliary.
Install the heater core access cover-auxiliary to the HVAC module-auxiliary.
Install the screws to the heater core access cover-auxiliary and tighten to 18 inch lbs. (2 Nm).
Install the HVAC module-auxiliary.





HVAC MODULE REMOVAL/INSTALLATION:
Recover the refrigerant.
Drain the cooling system.
Raise and support the vehicle.
Remove the nuts from rear A/C line block fittings.
NOTE
Cap or tape the open A/C refrigerant lines immediately.

Remove the A/C line block fittings and discard the O-ring seals.
Remove the nuts from the heater hoses block fittings.
Remove the heater hoses block fittings from the HVAC module-auxiliary.
Remove the nuts from the HVAC module studs.
Lower the vehicle.
Remove the right side rear quarter trim.
Disconnect the electrical connectors from the HVAC module.
Disconnect the rear compartment air outlet ducts from the HVAC module.
Remove the mounting bolts from the HVAC module.
Remove the HVAC module.
Remove and discard the HVAC module pass through seal.


To install:
Install new HVAC module pass through seal.
Install the HVAC module.
Install the HVAC module mounting bolts and tighten to 89 inch lbs. (10 Nm).
Install the air outlet ducts.
Connect the electrical connectors.
Install the right side rear quarter trim panel.
Raise and support the vehicle.
Connect the heater hoses to the heater core.
Install the nuts to the HVAC module studs. Tighten the nuts to 89 inch lbs. (10 Nm).
Remove the cap or tape from the A/C lines.
Install the new O-ring seals.
Install the nuts to the evaporator core studs and tighten to 15 ft. lbs. (20 Nm).
Lower the vehicle.
Fill the cooling system.
Evacuate and charge the system.
Leak test the fitting of the component.





Thanks for using 2CarPros.com!
Aug 19, 2020 at 8:10 PM (Merged)
Avatar
CHUCK PUGH
  • MEMBER
  • 1 POST
how do I know if my heater core is going bad? The guages are all reading their normal reading,but I have water coming from what looks like the heater core area. When the heat is on all I'm getting is cold air,but the vehicle is not over heating.The last time I replaced a heater core there was water in the passenger floor board.....not this time. I'm stumped.
Aug 19, 2020 at 8:10 PM (Merged)
Avatar
BLUELIGHTNIN6
  • CERTIFIED EXPERT
  • 16,542 POSTS
may be faulty heater core hose that is leaking outside of cab so no coolant getting into floorboard. if coolant is found leaking around core then either hoses or core is faulty.
Aug 19, 2020 at 8:10 PM (Merged)
Avatar
2CP-ARCHIVES
  • MEMBER
  • 4,540 POSTS
greetings, i just had my heater core replaced. all air functions including a/c/ work except that there is no air switching over from cold to hot. not sure where to go from here. thnx.
Aug 19, 2020 at 8:10 PM (Merged)
Avatar
HMAC300
  • CERTIFIED EXPERT
  • 48,601 POSTS
take it back and have them check to see if all the actuators are working, bet they aren't. probably forgot to hook it up or not all the way so it won't work.
Aug 19, 2020 at 8:10 PM (Merged)
Avatar
ZIGGY61
  • MEMBER
  • 5 POSTS
which is the heater core intake hose
Aug 19, 2020 at 8:10 PM (Merged)
Avatar
BLACKOP555
  • CERTIFIED EXPERT
  • 10,386 POSTS
that doesnt matter. unless you have a heater control valve and thats on the intake line.
Aug 19, 2020 at 8:10 PM (Merged)
Avatar
BLACKOP555
  • CERTIFIED EXPERT
  • 10,386 POSTS
but if you really want to know you can find th ehotter hose and that will be the intake to the heater core.
Aug 19, 2020 at 8:10 PM (Merged)
Avatar
REDNECKHOSPITALITY
  • MEMBER
  • 1 POST
whats the best route to fix or can i bypass it .its the heater core
Aug 19, 2020 at 8:10 PM (Merged)
Avatar
BLUELIGHTNIN6
  • CERTIFIED EXPERT
  • 16,542 POSTS
it is simpler to bypass it but then heater would not work. is best just to replace so it will work properly.
Aug 19, 2020 at 8:11 PM (Merged)
Avatar
MARK52010
  • MEMBER
  • 3 POSTS
I own a 99 Chevy Blazer and my heater core also just started leaking on me. For now I just removed the two hoses from the heater cores inlet and outlet under the hood of the car on the firewall. I took a 3/8" X 2" piece of pipe and connected the two hoses together with hose clamps. That will bypass the heater core and you will still be able to drive your vehicle without the interior of the vehicle steaming up, smelling or leaking onto the carpeting. You can by a new heater core for about $65.00 for a Delphi that comes with a lifetime warranty. I bought a repair manual from a local auto parts store for Chevy Pickup Trucks, Blazers, and Jimmys. It explains exactly which screws and bolts to remove so you will be able to replace the heater core. If you are very handy and can take apart your dashboard then you may want to attempt to replace it yourself. I have checked around and got prices between $700-$950! I was thinking of attempting to do it myself but since the weather has gotten warmer I don't need heat right now so I have put it off until it starts to get colder. Also you must be very carefull if you do attempt to take apart your dashboard not to disturb any of the air bags sensors that are located in the dashboard. Get the manual and follow the instructions and you can replace the heater core for less than $100! Good luck!
Aug 19, 2020 at 8:11 PM (Merged)
Avatar
MICAMIL
  • MEMBER
  • 1 POST
Heater problem
2001 Chevy Blazer V8 Four Wheel Drive Automatic

have the dashboard out put there is a mounting unit around the heater core that I can not get off.
Aug 19, 2020 at 8:11 PM (Merged)
Avatar
BLUELIGHTNIN6
  • CERTIFIED EXPERT
  • 16,542 POSTS


https://www.2carpros.com/forum/automotive_pictures/261618_Noname_1582.jpg


https://www.2carpros.com/forum/automotive_pictures/261618_Noname2_483.jpg


https://www.2carpros.com/forum/automotive_pictures/261618_Noname3_181.jpg


https://www.2carpros.com/forum/automotive_pictures/261618_Noname4_90.jpg

Aug 19, 2020 at 8:11 PM (Merged)
Avatar
VALE21
  • MEMBER
  • 1 POST
my girlfriends blazer is having trouble heating. it goes in and out of hot and cold temperature. It seems to heat better when we drive on the highway. I checked the engine gage and it is running at a normal temperature making me think it is not the thermastate. There is no anti-freeze in the floor board leading me to believe it is not the heater core. i checked all the hoses i could see visibily and none of them were disconnected. what do you bleieve the problem is?
Aug 19, 2020 at 8:11 PM (Merged)
Avatar
JAMESWIA
  • MEMBER
  • 9 POSTS
The problem you describe is kinda strange. Since the problem is isolated to the cooling system that simplifies things a bit. Start with the basics. Inspection of the coolant level and condition, hose for leaks, hoses for mushiness/old, any coolant leaks from the engine, cooling system / radiator cap pressure test, any strange tapping noise from the engine or gurgling noise, and the smell of coolant either under the hood or inside the cab.

Note : You can also have a tech use an IR gun to heat probe the system for restrictions. Also inspection of the heat control valve.

My best guess based on your strange description of the problem. You have a water pump impeller/bearing problem. This could create cooling system flow problems. My next guess is that the thermostat is sticking.

What ever the problem turns out to be. Always remember to have basic cooling system inspections done first. You may find that an old cooling system has more than one problem. Remember to have the cooling system flushed when service is going to take place.
Aug 19, 2020 at 8:11 PM (Merged)
Avatar
DAVIS3434
  • MEMBER
  • 1 POST
where is the heater core located the smell is in side
Aug 19, 2020 at 8:11 PM (Merged)
Avatar
DOCFIXIT
  • CERTIFIED EXPERT
  • 18,828 POSTS
Under dash on passenger side in HVAC box. any dampness on pass. carpet?
Aug 19, 2020 at 8:11 PM (Merged)
Avatar
MONICA79
  • MEMBER
  • 1 POST
I replaced the heater core in my truck why is the heat still not working?
Aug 19, 2020 at 8:12 PM (Merged)
Avatar
JACOBANDNICKOLAS
  • CERTIFIED EXPERT
  • 110,175 POSTS
Make sure the coolant is full, make sure to have bled the cooling system, start the engine, allow it to warm up with the heater on, and feel both heater core hoses. Both should be hot. If they are, check the blend door. If only one is hot, either you have a blend door issue or there is something blocking the heater core.
Aug 19, 2020 at 8:12 PM (Merged)
Avatar
TKAPLAN1
  • MEMBER
  • 1 POST
Anti-freeze was misting out of my air conditioning vents so the heater core in my 2001 Chevrolet Blazer was replaced. The car has 85,000 miles. The anti-freeze smell is still coming out of the vents and is stinking up the car. Does anyone know how to clean the anti-freeze from the vents and from inside the car?
Aug 19, 2020 at 8:12 PM (Merged)
Avatar
CHEVY22
  • CERTIFIED EXPERT
  • 1,375 POSTS
Its probably in the ac module and the shop didnt clean it ,, let it run in an open garage with ac or heat on high for a few hours
Aug 19, 2020 at 8:12 PM (Merged)
Avatar
MENDOZAH
  • MEMBER
  • 1 POST
The heater core on our 2001 Chevy Blazer is failing and needs replaced. When replacing the heater core, is it necessary to drain the air conditioner coolant? Purging and recharging the a/c is very expensive if it is not absolutely necessary. Thanks for your advice.
Aug 19, 2020 at 8:12 PM (Merged)
Avatar
SCOTTY DEE
  • CERTIFIED EXPERT
  • 592 POSTS
You won't have to pull the A/C system down but you will need to remove some coolant.
Aug 19, 2020 at 8:12 PM (Merged)
Avatar
RDCHAMPLIN
  • MEMBER
  • 1 POST
directions on changing heater core
Aug 19, 2020 at 8:13 PM (Merged)
Avatar
DENNYP
  • CERTIFIED EXPERT
  • 1,824 POSTS
you will have to remove the entire dash assembly and the heater box assembly. Then you have to disassemble the heater box to get to the core. Labor guides list it at around 7 to 8 hours labor.
Aug 19, 2020 at 8:13 PM (Merged)
Avatar
JERRYLMO
  • MEMBER
  • 27 POSTS
I have a 2001 Blazer and the heater core started leaking on it last summer. On page 18 of this Blazer forum is a question titled "Accessing the heater core on a 1998 Blazer". That caught my attention since I needed to replace mine. Thanks to the technician I got all the info I needed to do the replacement. I posted some pictures to give you an idea of what you'll be looking at if you do it yourself. It's NOT a project I'd suggest getting into unless you have the time, tools and patients to complete. Something I learned the hard way, three weeks after I replaced the heater core it would only blow out hot air. There's a little gizmo called the blend door actuator that makes the air blow over the A/C evaporator coil or the heater core, or both. Mine died and guess what? You have to pull the dash to get to it too! If/when you have this done have them replace the actuator. They're not expensive and could save you several hundred dollars by not having to pull the dash again just to replace it.
Aug 19, 2020 at 8:13 PM (Merged)
Avatar
DENNYP
  • CERTIFIED EXPERT
  • 1,824 POSTS
You are correct. This is not a job for the beginner. It's a full day of hard labor to change a $25 part.
Aug 19, 2020 at 8:13 PM (Merged)
Avatar
PAINTERGIRL0319
  • MEMBER
  • 3 POSTS
Heater problem
2001 Chevy Blazer 6 cyl Two Wheel Drive Manual

Just replaced the heater core... I have heat and no more leak... without tuning on anything while driving.. air is coming out of the vents... ..can adjust the temp by just turnig the temp dial??? When I do turn on the heat it comes out of all of the vents... floor and the defrosters...so I have no control on the dials....what is wrong??? Just happy for heat.
Aug 19, 2020 at 8:13 PM (Merged)
Avatar
JACOBANDNICKOLAS
  • CERTIFIED EXPERT
  • 110,175 POSTS
In this case, you are looking for a vacuum leak. The vent doors are actuated by vacuum. Check under the dash and under the hood for disconnected or damaged hoses that would cause this. By accident, you may have forgotten to replace one or bumped one.

Let me know what you find.
Aug 19, 2020 at 8:13 PM (Merged)
Avatar
SERVICE WRITER
  • CERTIFIED EXPERT
  • 9,123 POSTS
There is probably an electrical connector that was not hooked back up to the HVAC Module which is removed to replace the heater core.


https://www.2carpros.com/forum/automotive_pictures/30961_xabla_1.jpg

Check to make sure there is not a connector not hooked up or some controls will not work.
Aug 19, 2020 at 8:13 PM (Merged)
Avatar
PAINTERGIRL0319
  • MEMBER
  • 3 POSTS
Aug 19, 2020 at 8:13 PM (Merged)
Avatar
PAINTERGIRL0319
  • MEMBER
  • 3 POSTS
The door actuater on top of the heater core is that run on electric or vaccuum???
Aug 19, 2020 at 8:13 PM (Merged)