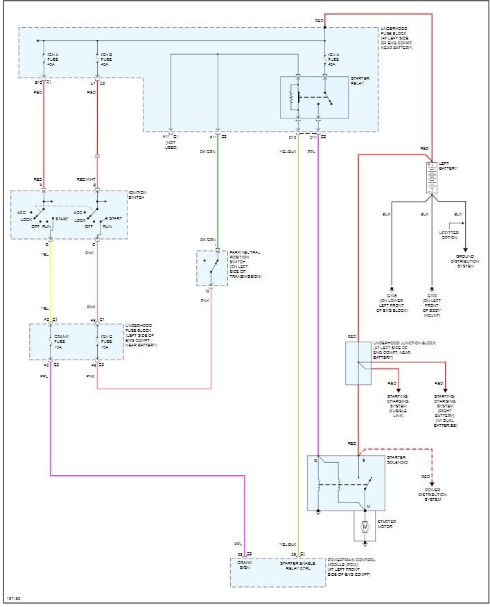
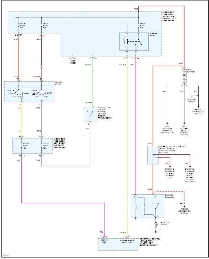
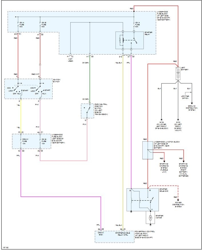
my truck died on me while driving and now wont start. i had the battery checked out and its still good. i have power to every thing lights, radio etc, i replaced the starter and still wont start, what do yall think is going on?
Apr 4, 2010 at 10:02 AM


