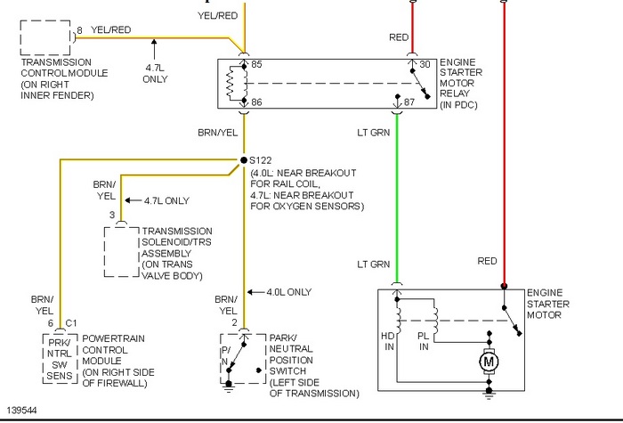
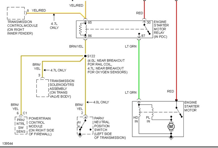
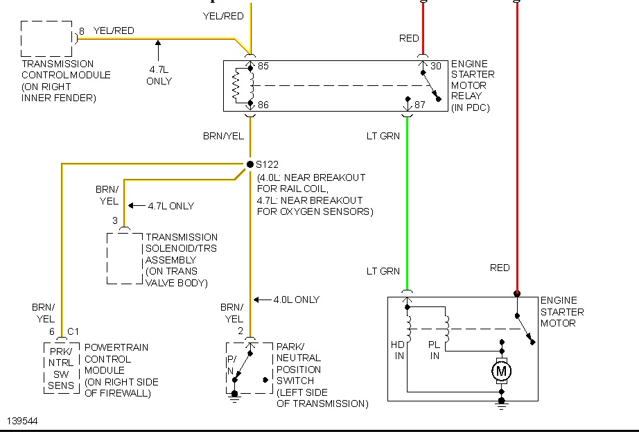
As the winter months have come about, I’ve noticed my vehicle has become harder to start. This morning, I went out to start it and it was having a hard time turning over and then all of a sudden you could smell either burnt electrical or burnt rubber and now the vehicle will not start. Any help will be appreciated. Happy holidays. :-)
Dec 1, 2019 at 6:23 AM



